[ Новые сообщения · Участники · Правила форума · Поиск · RSS ]



  • Страница 1 из 1
  • 1
Модератор форума: renmaster  
Помогите опознать аппарат Siemens
petroveechДата: Суббота, 12.Апр.2014, 13:45 | Сообщение # 1
У вас сообщений: 1072
Иженер
OFFлайн
Российская Федерация

Ставрополь
Попался такой аппарат, может кто поможет с сервиской и советом.
1523388.jpg (143.7 Kb) · 3963296.jpg (61.2 Kb)


Сообщение отредактировал petroveech - Среда, 16.Апр.2014, 21:25
 
medplusДата: Воскресенье, 13.Апр.2014, 20:07 | Сообщение # 2
Техник
У вас сообщений: 321
специалист
OFFлайн
Российская Федерация

Орёл
А какой совет нужен?
 
AlexiumДата: Воскресенье, 13.Апр.2014, 20:38 | Сообщение # 3
Инженер медтехник
OFFлайн
Российская Федерация

Саратов
"Error 604/80 means the intermediate voltage (ZK) is below 400V. This supplies the HT inverter & anode starter.
Phase missing? Ribbon cable from D100.X20 to D115.X20
Charging resistors R1R2 faulty
Check contacts of PS & LC contactors & ensure they are energizing."

Отсюда - http://www.medwrench.com/?commun....604-080
 
petroveechДата: Среда, 16.Апр.2014, 21:28 | Сообщение # 4
У вас сообщений: 1072
Иженер
OFFлайн
Российская Федерация

Ставрополь
Коды ошибок есть, схемку бы. Ошибка возникла после вмешательства сторонних людей. До этого другая была.
 
andy8Дата: Понедельник, 12.Май.2014, 16:59 | Сообщение # 5
Участник
У вас сообщений: 145
рентгентехник
OFFлайн
Гаити

Лимонад
Похоже, что это РПУ Siemens Polidoros LX (10-ти летнего возраста), если это так, то схемы есть. Не факт, что точно того же исполнения (года), судя по фото. Правда схемы формата А3, а у меня сканер А4. Только фото, наверное?

memento mori

Сообщение отредактировал andy8 - Понедельник, 12.Май.2014, 17:04
 
ParkincjnДата: Понедельник, 12.Май.2014, 17:45 | Сообщение # 6
Участник
У вас сообщений: 109
Электромеханник
OFFлайн
Российская Федерация

Хабаровск
На снимке Siemens Mujtix примерно 2001 года (томо-стол с колонной и стойка снимков), если в низу генератора слева ( на снимке не видно) стоит питающий трех фазный трансформатор, то это он, на него есть схемы, формат А3. Вариант выпускающийся позже идет с импульсными блоками питания и начинка стола - томо изменена, что конкретно интересует, альбом довольно большой.
 
petroveechДата: Четверг, 15.Май.2014, 07:08 | Сообщение # 7
У вас сообщений: 1072
Иженер
OFFлайн
Российская Федерация

Ставрополь
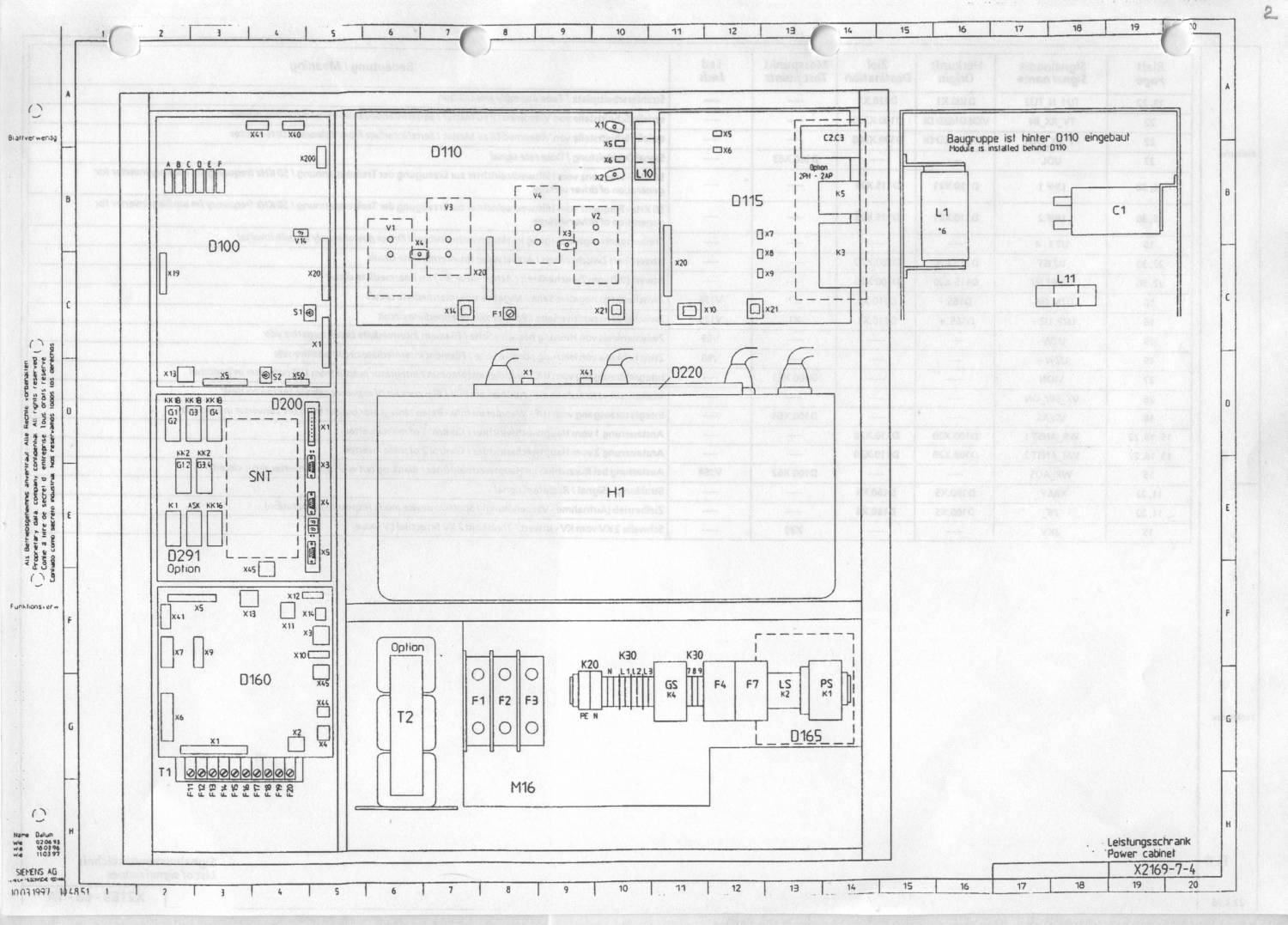
Интересны первичные цепи питания и цепи слежения за питанием.

При обращении пишите мыло сразу.

Сообщение отредактировал petroveech - Четверг, 15.Май.2014, 07:09
 
ParkincjnДата: Пятница, 16.Май.2014, 08:36 | Сообщение # 8
Участник
У вас сообщений: 109
Электромеханник
OFFлайн
Российская Федерация

Хабаровск
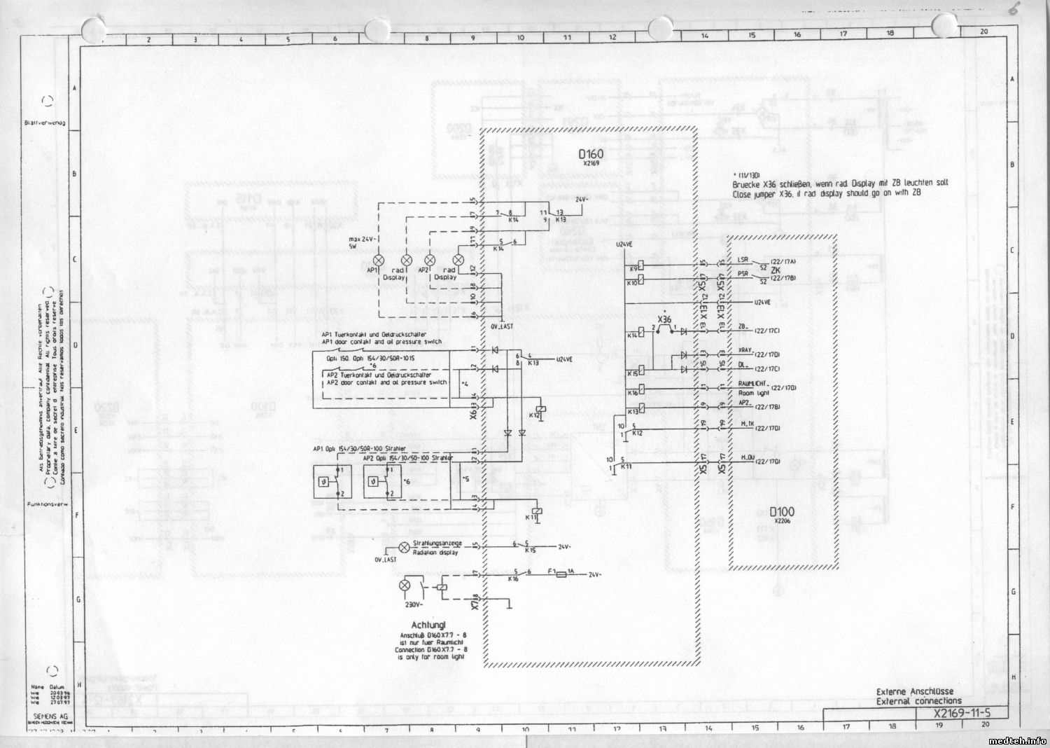
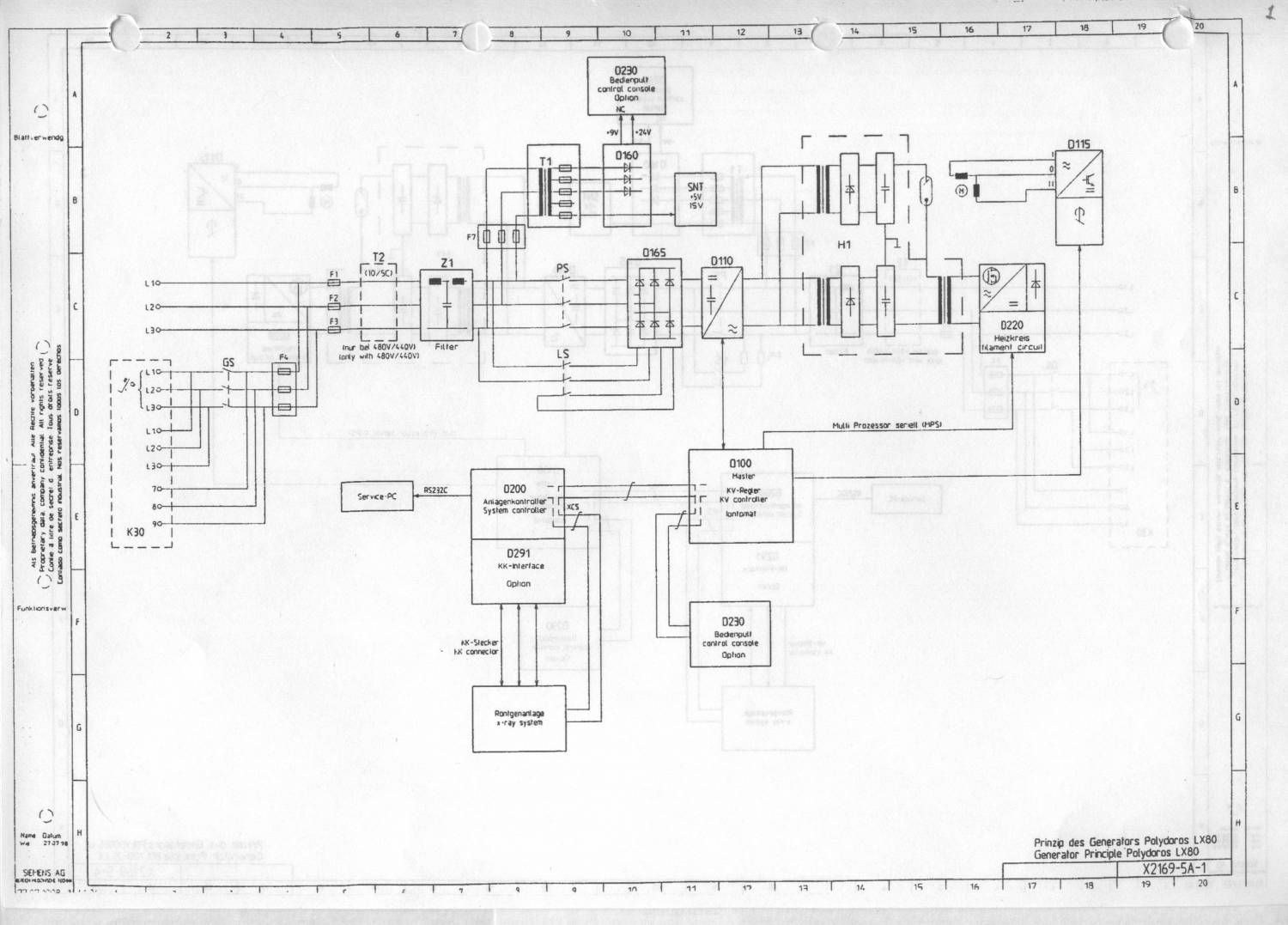
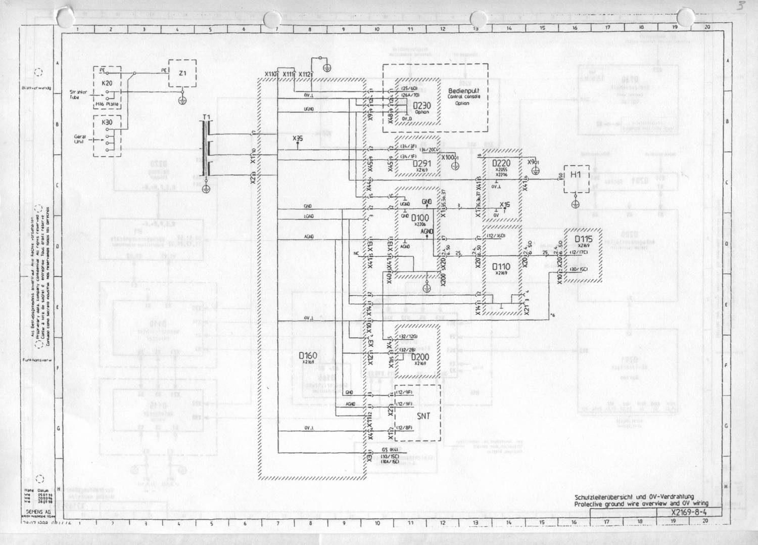
Сканировал цепи питания
8190969.jpg (146.3 Kb) · 5551317.jpg (178.7 Kb) · 7123070.jpg (164.4 Kb) · 6320929.jpg (162.6 Kb) · 7979787.jpg (189.3 Kb) · 3221468.jpg (187.2 Kb)
 
ParkincjnДата: Пятница, 16.Май.2014, 08:42 | Сообщение # 9
Участник
У вас сообщений: 109
Электромеханник
OFFлайн
Российская Федерация

Хабаровск
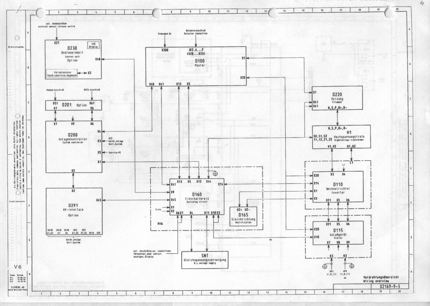
Еще схема сочетания D160 c D100
7239925.jpg (153.6 Kb)
 
  • Страница 1 из 1
  • 1
Поиск:



Статистика Форума
Последние обновления тем: Новые файлы хранилища: Новые участники: Top10 участников:
1. Помощь в техобслужива...[dzyatel (29.Май.2026)]
2. Аппараты НЧ электроте...[aleksan (28.Май.2026)]
3. При операции с примен...[susel63 (28.Май.2026)]
4. Техническая поддержка...[UPZ (25.Май.2026)]
5. MOVIPLAN (УниКоРД-МТ)...[SpirituS (24.Май.2026)]
6. Аппарат магнитотерапе...[SpirituS (24.Май.2026)]
7. Стоматустановка K3 ф....[zizeroman (24.Май.2026)]
8. Анализатор гематологи...[fred1 (22.Май.2026)]
9. ЭХВЧ-400 ск-"Ник...[Olegosh (21.Май.2026)]
1. Apollo EZ service man...[25.Дек.2025]
2. VIVIX Setup Operation...[12.Окт.2025]
3. GenwareMP[10.Сен.2025]
4. Настройка реагентов M...[20.Авг.2025]
5. Philips HD3-EXP[13.Авг.2025]
6. Рентгеновское оборудо...[08.Авг.2025]
7. VersaMed iVent201 Сер...[13.Фев.2025]
8. Гелпик КРД Ренекс РЦ ...[09.Фев.2025]
9. Офтальмологическая ус...[31.Окт.2024]
10. Cardinal-Health-VELA-...[03.Окт.2024]
1. Gotim[30.Май.2026]
2. SEMENMS[30.Май.2026]
3. partyman1122[30.Май.2026]
4. Julia_Howlter[30.Май.2026]
5. Medtehaktauarsen[30.Май.2026]
6. artudav[30.Май.2026]
7. Астим[30.Май.2026]
8. RomanGrek[30.Май.2026]
9. vapinic[29.Май.2026]
10. wenderer861[28.Май.2026]
МастерБаку[583]
Yulana34[177]
Serg74[160]
Dimitrius[129]
naves[122]
РОМУЛ[121]
bektyish[121]
madmac[116]
Алекс-200[114]
генаf[112]