[ Новые сообщения · Участники · Правила форума · Поиск · RSS ]



  • Страница 1 из 1
  • 1
Модератор форума: genvik, енот, evven, babysh-m  
Аппарат магнитотерапии "Полюс-2"
kemtorДата: Понедельник, 05.Апр.2010, 22:46 | Сообщение # 1
Завсегдатай
У вас сообщений: 220
электромеханик
OFFлайн
Российская Федерация

г.Ульяновск
Ищу схему на аппарат магнитотерапии "Полюс-2", буду признателен, если кто поделится yes
 
STarasДата: Понедельник, 05.Апр.2010, 23:00 | Сообщение # 2
инженер-электроакустика, ультразвук
OFFлайн
Украина

Ровно
Что там делиться. Бери всю. Не помню где взял - но выложи в обменник сам. Я устал.
-2.djvu (35.5 Kb)


Чти вело свое – ибо не ты на нём едешь, но оно везёт тебя
 
kemtorДата: Понедельник, 05.Апр.2010, 23:17 | Сообщение # 3
Завсегдатай
У вас сообщений: 220
электромеханик
OFFлайн
Российская Федерация

г.Ульяновск
Спасибо, скачал и выложил yes
 
MayakДата: Четверг, 26.Июл.2012, 15:26 | Сообщение # 4
Заглянувший
У вас сообщений: 1
Инженер
OFFлайн
Российская Федерация

Чита
У аппарата "Полюс-2" не работает один канал (индикатор канала не загорается), но если поболтать ручку переключателя, то индикатор этого канала мерцает.
Напишите, пожалуйста, как исправить эту неисправность.
Заранее спасибо.
 
генаfДата: Пятница, 27.Июл.2012, 10:22 | Сообщение # 5
У вас сообщений: 611
медтехникl
OFFлайн
Российская Федерация

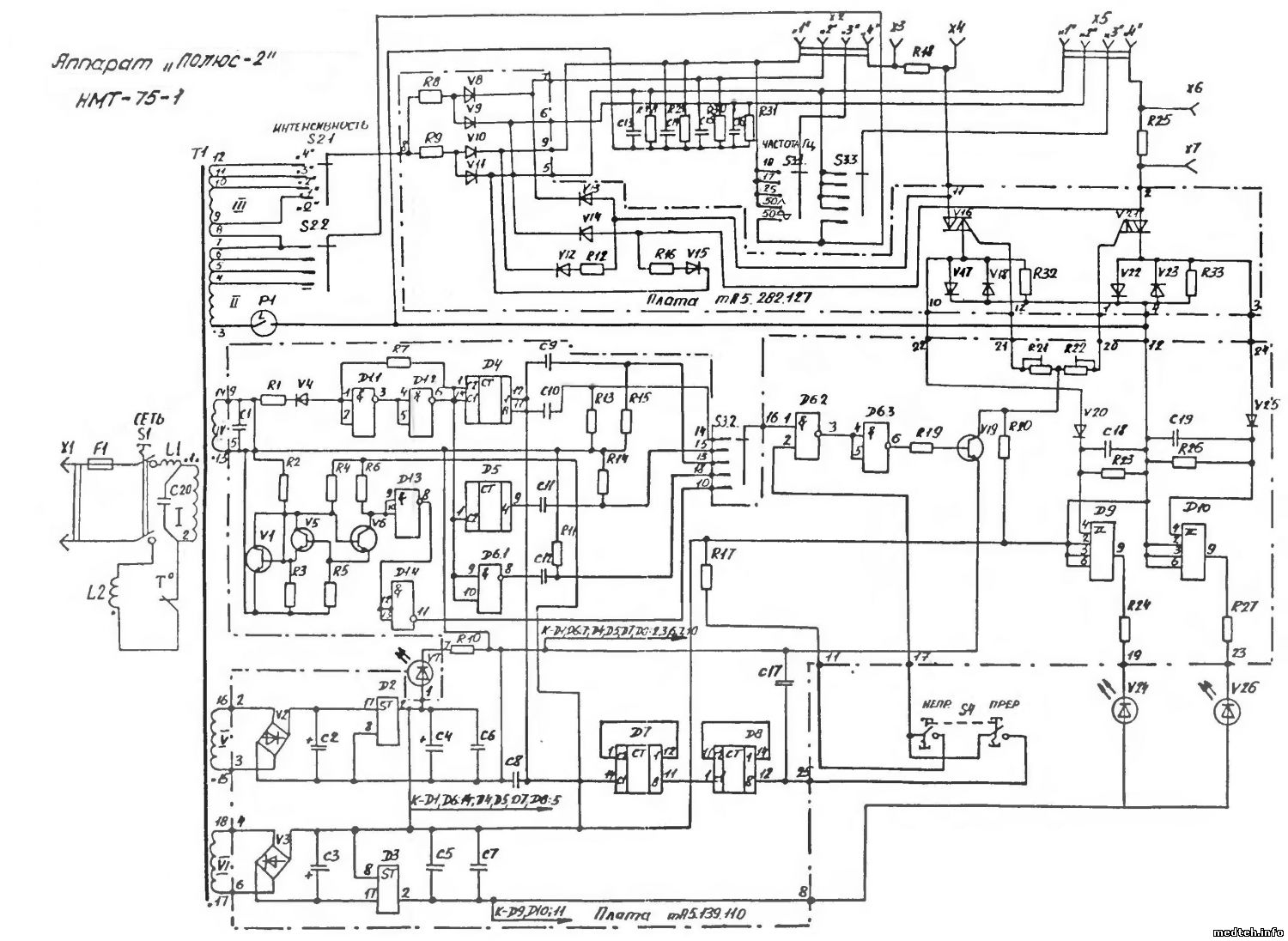
Mayak, смотрите схему "Полюс-2".
-2.rar (35.6 Kb)
 
denta-servisДата: Понедельник, 01.Апр.2013, 17:04 | Сообщение # 6
Стажер
У вас сообщений: 5
электромеханник
OFFлайн
Российская Федерация

Ижевск
Как прочитать схему? У меня не открывает.
Где можно скачать программу? blush
 
генаfДата: Понедельник, 01.Апр.2013, 17:34 | Сообщение # 7
У вас сообщений: 611
медтехникl
OFFлайн
Российская Федерация

denta-servis, а интернет не в помощь diablo

Бесплатно:
http://yandex.ru/yandsea....D0%BB%D 0%B0%D1%82%D0%BD%D0%BE


Сообщение отредактировал генаf - Понедельник, 01.Апр.2013, 17:34
 
seabeeДата: Суббота, 30.Июл.2016, 04:56 | Сообщение # 8
У вас сообщений: 1318
инженер
OFFлайн
Российская Федерация

Сибирь
Какая у него должна быть мощность?
На больших катушках, только в крайнем положении мощности видно биение скрепки на катушках. На схеме, на выходе симисторы. Регулировки мощности не видно.
 
seabeeДата: Пятница, 12.Авг.2016, 13:14 | Сообщение # 9
У вас сообщений: 1318
инженер
OFFлайн
Российская Федерация

Сибирь
Замерил светодиодным датчиком. На малых катушках горит, на больших нет. В прошлый приезд, скрепка на больших катушках дребезжала, а сейчас только сдвигается.

На контрольном выходе напряжение от -5V до +5V на разных катушках. Похоже, так и должно быть.
 
MAPPER_1222Дата: Пятница, 09.Июн.2017, 23:42 | Сообщение # 10
Техник
У вас сообщений: 450
Инженер и этим всё сказано...
OFFлайн
Российская Федерация

Москва
Схемы на "Полюс-2" з-да ЭМА.
Может кому-то пригодятся.


Сообщение отредактировал MAPPER_1222 - Пятница, 09.Июн.2017, 23:43
 
med57Дата: Четверг, 07.Сен.2017, 15:51 | Сообщение # 11
Участник
У вас сообщений: 83
Александр
OFFлайн
Российская Федерация

Орел
Есть ли сейчас возможность приобрести плату целиком на "Полюс-2" 2006 г.?

Благодарю за Ваш ответ.
 
MunlikДата: Четверг, 07.Сен.2017, 15:51 | Сообщение # 12
Завсегдатай
У вас сообщений: 250
сервис-инженер
OFFлайн
Казахстан

Петропавловск
Всем привет!
Прошу помощи: привезли с деревни аппарат "Полюс-2" завода "ЭМА", г. Москва.
Открыв, обнаружил сгоревший транс. Схему скачал из хранилища (та или нет - пока не знаю).
Ну, теперь нужна к ней спецификация, чтобы тип транса узнать и покупать.
Фото и ссылку закинул в с.5: http://www.medteh.info/forum/34-1133-90436-16-1343370135
5039622.jpg (108.6 Kb) · -2.djvu (35.5 Kb)


Сообщение отредактировал Munlik - Четверг, 02.Апр.2015, 11:22
 
babysh-mДата: Четверг, 07.Сен.2017, 15:51 | Сообщение # 13
сервисный инженер
OFFлайн
Российская Федерация

Екатеринбург
Munlik, попробуй обратиться на завод.
 
MaralottДата: Среда, 03.Июн.2020, 10:26 | Сообщение # 14
Стажер
У вас сообщений: 8
Инженер
OFFлайн
Российская Федерация

Новосибирск
У аппарата "Полис-2" 1-ый канал работает исправно, а 2-ой, хоть и работает, но очень слабо. В чём может быть причина?
Реле, конденсаторы генератора, питания, диоды, резисторы все исправны. Симисторы заменены. Ёмкости живы.

.
Перенесено из темы, несоответствующей модели аппарата, в соответствующую ей.
инженер Maralott, а почему Вы разместили своё сообщение в теме, не соответствующей Вашей модели МТ?


Сообщение отредактировал Maralott - Среда, 03.Июн.2020, 10:27
 
александр1961Дата: Понедельник, 14.Ноя.2022, 13:26 | Сообщение # 15
Стажер
У вас сообщений: 16
техник-электрик по медтехнике
OFFлайн
Российская Федерация

Всем привет!
Аппарат "Полюс-2" 1999 г. выпуска.
На больших индукторах нет разъёмов, кабели припаивались напрямую к обмоткам, всё это оторвано.
Выход из аппарата проводов в кабеле на 1-ый индуктор: 1-красный, 2-белый, 3-жёлтый, 4-синий, на 2-й индуктор также.
Вопрос: - куда подключить индукторы?
Может у кого есть схема распайки?
 
yblod5Дата: Вторник, 15.Ноя.2022, 08:15 | Сообщение # 16
У вас сообщений: 791
Сервис-инженер
OFFлайн
Российская Федерация

Владивосток
Цитата александр1961 ()
Может у кого есть схема распайки?
2809536.jpg (249.8 Kb)
 
masloffДата: Среда, 27.Сен.2023, 16:11 | Сообщение # 17
Стажер
У вас сообщений: 17
техник
OFFлайн
Российская Федерация

НСК
Перенесено из темы, несоответствующей модели аппарата, в соответствующую ей.
masloff, см.
- https://www.medteh.info/forum/22-1216-1


У меня древний аппарат "Полюс-2", выгорели резисторы.
Есть у кого схема?
https://www.medteh.info/_fr/15/0687043.jpg
https://www.medteh.info/_fr/15/5066370.jpg
https://www.medteh.info/_fr/15/4718742.jpg
6827282.jpg (135.6 Kb)
 
dima190390Дата: Среда, 08.Май.2024, 12:40 | Сообщение # 18
Заглянувший
У вас сообщений: 2
Начинающий
OFFлайн
Казахстан

Житикара
https://www.medteh.info/forum/22-1216-1

Здравствуйте.
Данный аппарат не работает только в положении 50 Гц на синусе (очень сильно греются шунтирующие резисторы R12 и R16, также идет сильная нагрузка именно в этом режиме, светодиоды индикации индукторов начинают гореть тусклее и по трансформатору слышно что работает в перегрузку), все остальные режимы работают нормально.

Были в обрыве провода у одного индуктора и сгоревший резистор для контроля тока индуктора R18 или R25, это восстановил.
9590409.jpg (231.1 Kb)
 
  • Страница 1 из 1
  • 1
Поиск:



Статистика Форума
Последние обновления тем: Новые файлы хранилища: Новые участники: Top10 участников:
1. Принтер DryStar 5302 ...[sergey-ts (09.Май.2026)]
2. ЭХВЧ Е81М "Фотек...[dubZced (09.Май.2026)]
3. Двигатель компрессора...[ovg (09.Май.2026)]
4. Аппарат для гемодиали...[maik32 (08.Май.2026)]
5. УЗИ Aplio 500 ф.Toshi...[nav (05.Май.2026)]
6. Кардиограф MAC 2000[vladi (05.Май.2026)]
7. Автоматический СОЭ-ме...[Dissatisfied (05.Май.2026)]
8. Анализатор гематологи...[vvp (04.Май.2026)]
9. Концентратор кислород...[AlexanderRu (04.Май.2026)]
1. Apollo EZ service man...[25.Дек.2025]
2. VIVIX Setup Operation...[12.Окт.2025]
3. GenwareMP[10.Сен.2025]
4. Настройка реагентов M...[20.Авг.2025]
5. Philips HD3-EXP[13.Авг.2025]
6. Рентгеновское оборудо...[08.Авг.2025]
7. VersaMed iVent201 Сер...[13.Фев.2025]
8. Гелпик КРД Ренекс РЦ ...[09.Фев.2025]
9. Офтальмологическая ус...[31.Окт.2024]
10. Cardinal-Health-VELA-...[03.Окт.2024]
1. mariya__2016[08.Май.2026]
2. Dimitrii16021009[08.Май.2026]
3. st1van[08.Май.2026]
4. Alexeyb4[07.Май.2026]
5. yagr1[07.Май.2026]
6. Medicaparts[06.Май.2026]
7. medici[06.Май.2026]
8. Metallurg[06.Май.2026]
9. lerawave[05.Май.2026]
10. Сергей9791[05.Май.2026]
МастерБаку[583]
Yulana34[177]
Serg74[160]
Dimitrius[129]
naves[122]
РОМУЛ[121]
bektyish[121]
madmac[116]
Алекс-200[114]
генаf[112]