[ Новые сообщения · Участники · Правила форума · Поиск · RSS ]



  • Страница 1 из 1
  • 1
Модератор форума: genvik, енот, evven, babysh-m  
Магнитная установка УМТИ-3 Ф Колибри-эксперт
TuwerДата: Пятница, 10.Фев.2017, 22:25 | Сообщение # 1
Участник
У вас сообщений: 166
Стажер
OFFлайн
Российская Федерация

Москва
Здравствуйте, коллеги! Нужна техническая документация на данный аппарат, нигде ничего нет, если она существует и у кого-то имеется, прошу поделиться! Буду очень благодарен!
 
dmb98Дата: Понедельник, 11.Дек.2017, 16:26 | Сообщение # 2
Стажер
У вас сообщений: 25
инженер
OFFлайн
Российская Федерация

Нижний Новгород
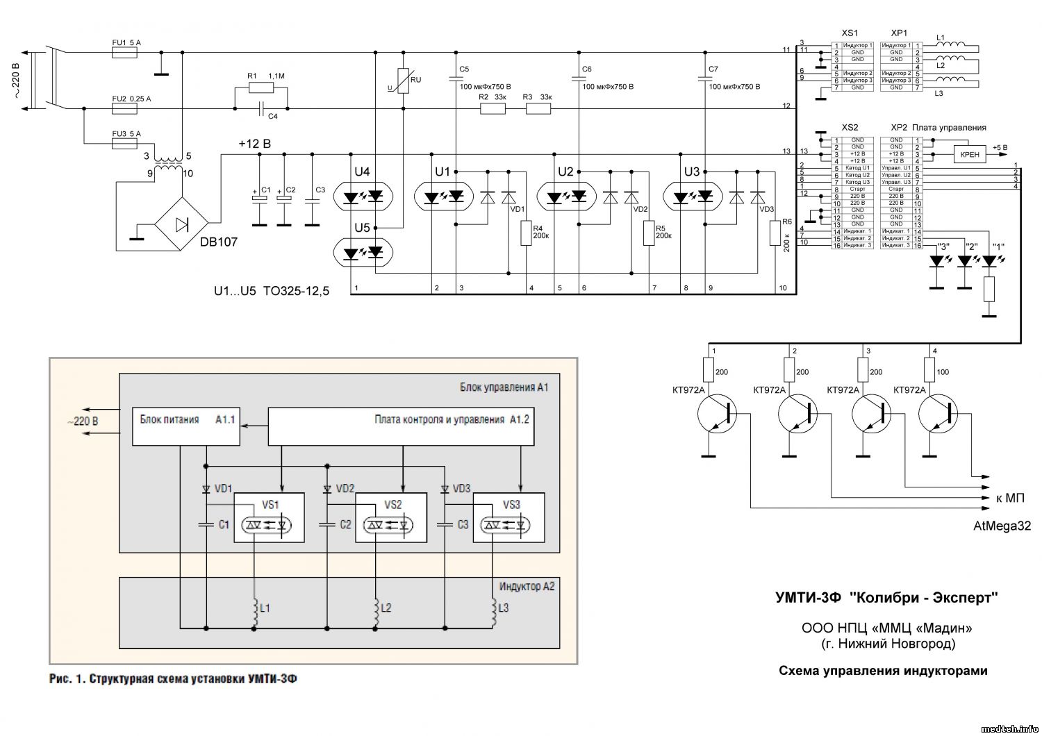
Вот всё, что нашлось.
Схема аппарата безобразная.
Фаза без всякой развязки висит на катушках пациента.
Часто выходит из строя тиристорная часть оптрона U4.
Взгляд изнутри наводит на мысль, что сей девайс изготовлен кооперативом в гаражных условиях...
6210704.jpg (166.6 Kb) · 2033937.jpg (203.8 Kb) · 4133349.jpg (159.8 Kb) · 0695631.jpg (161.0 Kb) · 8238786.jpg (81.8 Kb) · 2963058.jpg (85.2 Kb)
 
dmb98Дата: Среда, 13.Дек.2017, 19:18 | Сообщение # 3
Стажер
У вас сообщений: 25
инженер
OFFлайн
Российская Федерация

Нижний Новгород
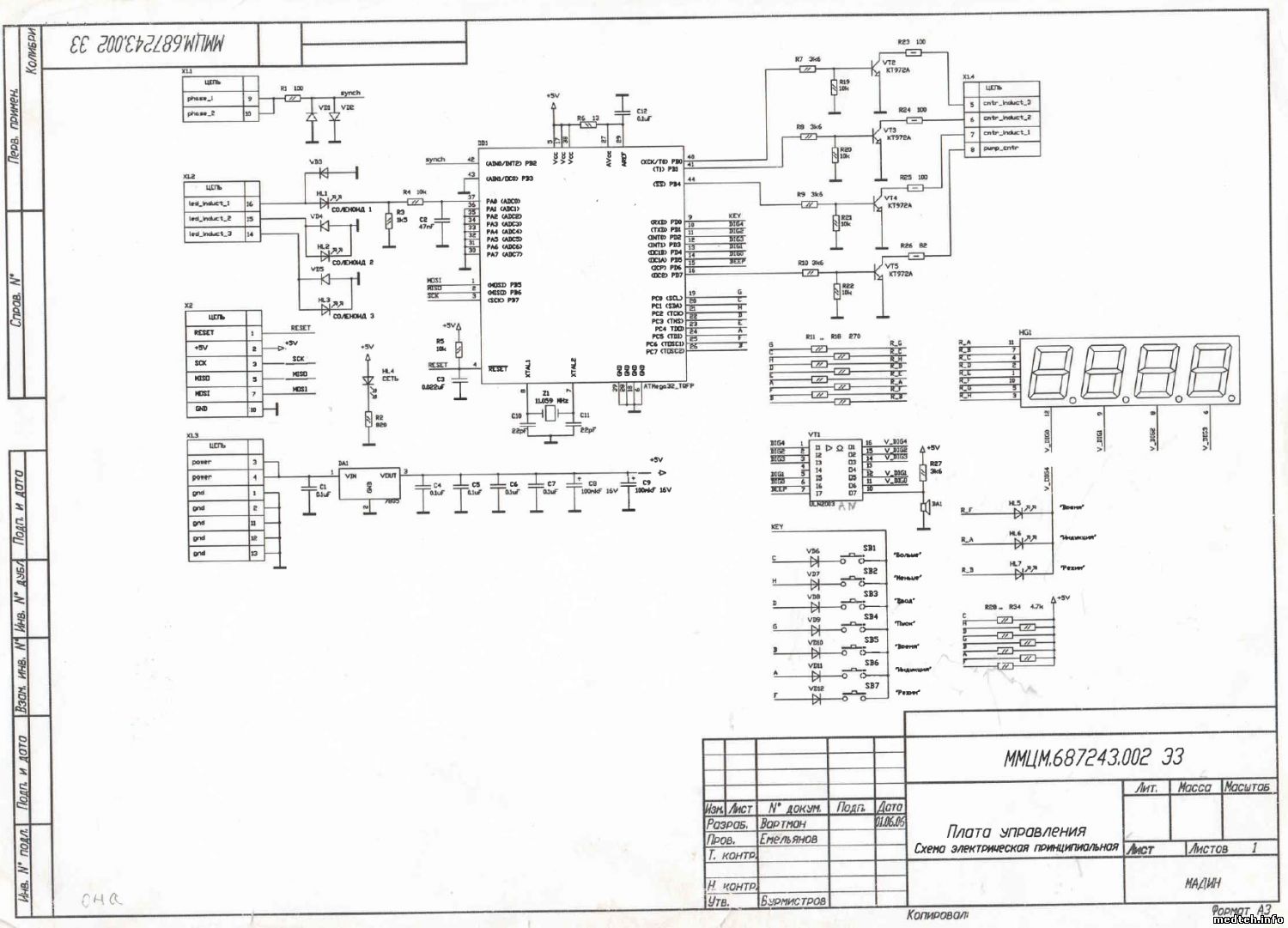
Вот удалось получить схемы у изготовителя.
4316863.jpg (181.9 Kb) · 1446274.jpg (174.9 Kb)
 
  • Страница 1 из 1
  • 1
Поиск:



Статистика Форума
Последние обновления тем: Новые файлы хранилища: Новые участники: Top10 участников:
1. Замена светодиода на ...[Shturman (05.Дек.2025)]
2. Анализатор поля зрени...[SpirituS (04.Дек.2025)]
3. Программный комплекс ...[mqubali (04.Дек.2025)]
4. Кардиорегистратор «ИК...[albano18 (04.Дек.2025)]
5. Thermo Scientific gem...[viggen (03.Дек.2025)]
6. Центрифуга CM-6M ф.El...[Ningen64 (03.Дек.2025)]
7. Дефибриллятор Defi B ...[san-che30 (02.Дек.2025)]
8. Коллиматор Ralco R 22...[seeker (02.Дек.2025)]
9. КУПЛЮ/ПРИМУ в дар при...[seabee (02.Дек.2025)]
1. VIVIX Setup Operation...[12.Окт.2025]
2. GenwareMP[10.Сен.2025]
3. Настройка реагентов M...[20.Авг.2025]
4. Philips HD3-EXP[13.Авг.2025]
5. Рентгеновское оборудо...[08.Авг.2025]
6. VersaMed iVent201 Сер...[13.Фев.2025]
7. Гелпик КРД Ренекс РЦ ...[09.Фев.2025]
8. Офтальмологическая ус...[31.Окт.2024]
9. Cardinal-Health-VELA-...[03.Окт.2024]
10. Service Manual HAMILT...[02.Окт.2024]
1. Dvish[05.Дек.2025]
2. Intellect[05.Дек.2025]
3. Romanivanov[05.Дек.2025]
4. igogoigogo[05.Дек.2025]
5. 1rishka[04.Дек.2025]
6. L_V_N[04.Дек.2025]
7. ИвановИИ[04.Дек.2025]
8. Alex_U[04.Дек.2025]
9. Yarikus03[03.Дек.2025]
10. EvaLen[03.Дек.2025]
МастерБаку[583]
Yulana34[177]
Serg74[160]
Dimitrius[129]
naves[122]
РОМУЛ[121]
bektyish[121]
madmac[116]
Алекс-200[114]
begun_a[112]