[ Новые сообщения · Участники · Правила форума · Поиск · RSS ]



  • Страница 1 из 1
  • 1
Модератор форума: genvik, енот, evven, babysh-m  
Аппарат магнитотерапии Алмаг-01Н
spiriaДата: Пятница, 29.Июн.2018, 14:35 | Сообщение # 1
Стажер
У вас сообщений: 11
Инженер-наладчик
OFFлайн
Российская Федерация

Саратов
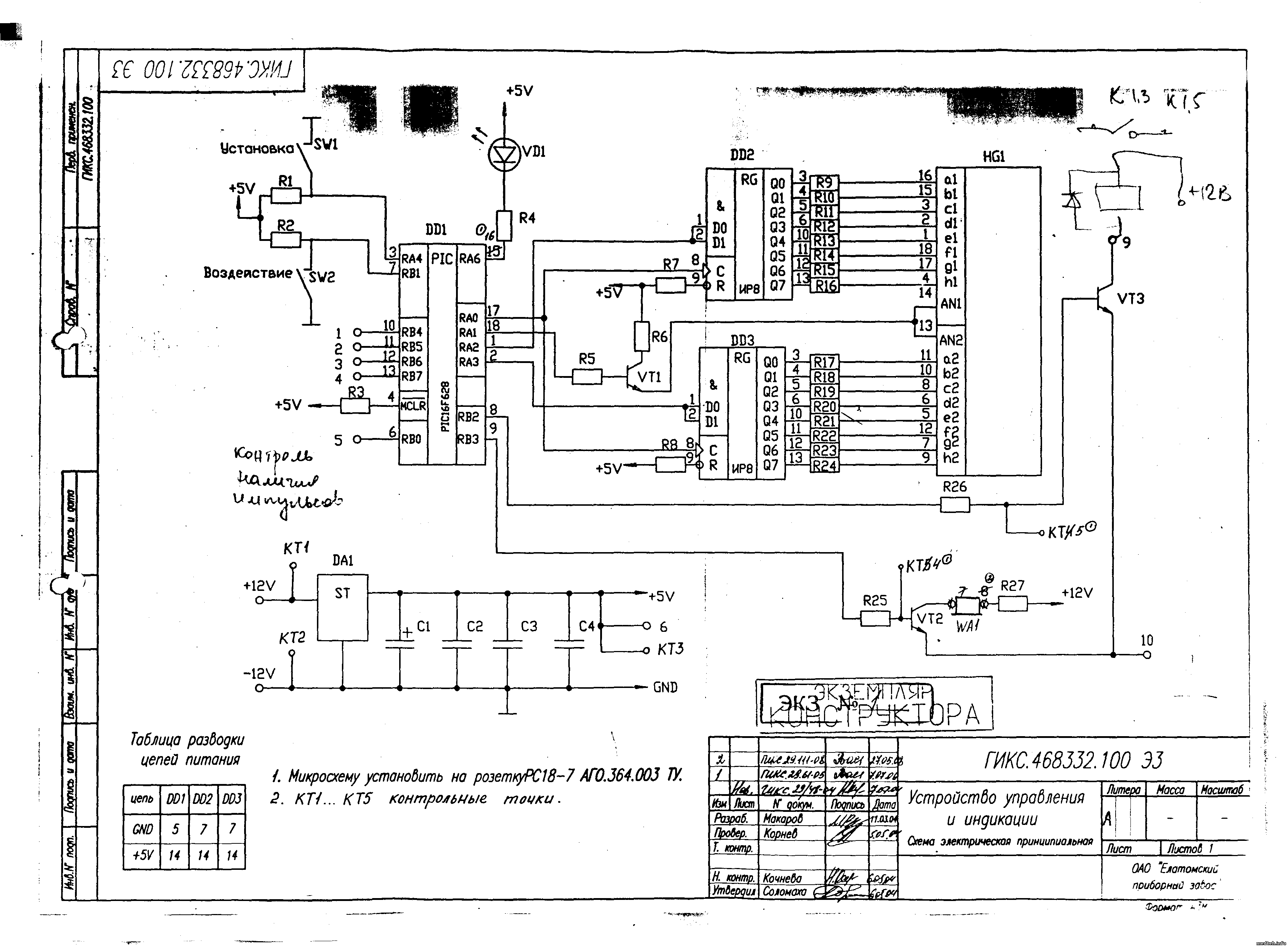
Доброго времени суток!

Принесли аппарат под названием "Алмаг-01Н", при запуске играет чудо-мелодия и отключается.
Проверил все катушки, прозвонил все - всё в порядке.
Во время разборки было выяснено, что сгорел резистор R2.

Подскажите, где искать проблему?
8447143.png (93.7 Kb) · 6140655.png (118.2 Kb)
 
Serov-OVДата: Пятница, 29.Июн.2018, 20:10 | Сообщение # 2
Завсегдатай
У вас сообщений: 228
медтехник
OFFлайн
Российская Федерация

Котовск
Цитата spiria ()
... сгорел резистор R2. Подскажите, где искать проблему?
Либо залипла кнопка SW2, либо сгорела DD1. В любом случае вывод 7 DD1 не должен прозваниваться накоротко на корпус.
 
willyДата: Вторник, 01.Фев.2022, 18:41 | Сообщение # 3
Стажер
У вас сообщений: 19
медтехник
OFFлайн
Российская Федерация

северодвинск
Уважаемые коллеги!
Может кто-нибудь сталкивался с АЛМАГ-01Н, он в корпусе как у Алмаг-2, но не такой навороченный, у него одна лента из 4-х магнитов, выгорел резистор на плате питания после одного мостика, узнать бы номинал.
Прошу прощения, нашел тему по АЛМАГ-01Н. Извините.
Сообщение перенесено в эту тему модератором.


Сообщение отредактировал willy - Вторник, 01.Фев.2022, 18:48
 
x47f1veДата: Пятница, 01.Апр.2022, 09:26 | Сообщение # 4
Заглянувший
У вас сообщений: 1
Инженер по наладке
OFFлайн
Российская Федерация

Саратов
Можно ссылку на тему с Алмагом-01Н? Или общая тема для всех Алмагов и есть та?
.

http://www.medteh.info/forum/34-16869-1
http://www.medteh.info/forum/34-0-1-0-10-1-[АЛМАГ]
 
  • Страница 1 из 1
  • 1
Поиск:



Статистика Форума
Последние обновления тем: Новые файлы хранилища: Новые участники: Top10 участников:
1. Техническая поддержка...[UPZ (25.Май.2026)]
2. MOVIPLAN (УниКоРД-МТ)...[SpirituS (24.Май.2026)]
3. Аппарат магнитотерапе...[SpirituS (24.Май.2026)]
4. Стоматустановка K3 ф....[zizeroman (24.Май.2026)]
5. Анализатор гематологи...[fred1 (22.Май.2026)]
6. ЭХВЧ-400 ск-"Ник...[Olegosh (21.Май.2026)]
7. Анализатор биохимичес...[laverse (19.Май.2026)]
8. Аппарат Luminos 2011 ...[medplus (13.Май.2026)]
9. УЗИ SonoAce X8 ф.Sams...[valentin17 (13.Май.2026)]
1. Apollo EZ service man...[25.Дек.2025]
2. VIVIX Setup Operation...[12.Окт.2025]
3. GenwareMP[10.Сен.2025]
4. Настройка реагентов M...[20.Авг.2025]
5. Philips HD3-EXP[13.Авг.2025]
6. Рентгеновское оборудо...[08.Авг.2025]
7. VersaMed iVent201 Сер...[13.Фев.2025]
8. Гелпик КРД Ренекс РЦ ...[09.Фев.2025]
9. Офтальмологическая ус...[31.Окт.2024]
10. Cardinal-Health-VELA-...[03.Окт.2024]
1. Dream_29[26.Май.2026]
2. 89503843712[26.Май.2026]
3. Divan[26.Май.2026]
4. lavvila[26.Май.2026]
5. roser[25.Май.2026]
6. malakhov_dmitry[25.Май.2026]
7. Адвокат[25.Май.2026]
8. kosokuma[23.Май.2026]
9. Kraus[23.Май.2026]
10. Slonovik1[22.Май.2026]
МастерБаку[583]
Yulana34[177]
Serg74[160]
Dimitrius[129]
naves[122]
РОМУЛ[121]
bektyish[121]
madmac[116]
Алекс-200[114]
генаf[112]