[ Новые сообщения · Участники · Правила форума · Поиск · RSS ]



  • Страница 1 из 1
  • 1
Модератор форума: genvik, енот, evven, babysh-m  
Аппарат низкочастотной физиотерапии "Амплипульс-5ДС"
kozlaisky_pipsiДата: Вторник, 20.Дек.2022, 17:53 | Сообщение # 1
Стажер
У вас сообщений: 5
новичок
OFFлайн
Российская Федерация

краснодарский край
Регистрационное удостоверение РЗН 2017/5419 от 15.06.2017 года на Аппарат низкочастотной физиотерапии "Амплипульс-5ДС" производства ООО "СПДС", Россия, Ярославль.

А что скажете по поводу "Амплипульс-5ДС"? Он совсем другой схемотехники.
Там одна только ПЛМ Альтера из "серьёзных" микросхем.
В общем, сгорел пятивольтовый стабилизатор на МС34063.
После замены панель светится: глазки, цифры нули. А кнопки не работают.
 
kozlaisky_pipsiДата: Четверг, 12.Янв.2023, 18:37 | Сообщение # 2
Стажер
У вас сообщений: 5
новичок
OFFлайн
Российская Федерация

краснодарский край
Скажите, хоть какое напряжение должно быть с трансформатора, входное для МС34063?
Почему у меня больше тридцати вольт для пятивольтовых стабилизаторов?
Я понимаю, что она выдерживает до 40 В, но, я думаю, это лишнее.
И у меня она дым пускает при подаче 230 В на вилку.
Уже две спалил. Вольт 150, от транса, нормально.
 
Serov-OVДата: Четверг, 12.Янв.2023, 23:17 | Сообщение # 3
Завсегдатай
У вас сообщений: 228
медтехник
OFFлайн
Российская Федерация

Котовск
Скорее всего, народ «безмолвствует» потому, что нет схемы или не сталкивались с таким аппаратом.
Цитата kozlaisky_pipsi ()
В общем, сгорел пятивольтовый стабилизатор на МС34063.
После замены панель светится: глазки, цифры нули.

А что произошло, после чего микросхемы стали гореть?
Цитата kozlaisky_pipsi ()
И у меня она дым пускает при подаче 230 В на вилку.
Цитата kozlaisky_pipsi ()
какое напряжение должно быть с трансформатора, входное для МС34063?

Вы сначала измерьте это переменное напряжение на трансформаторе, затем умножьте это значение на 1,41 и получите постоянное напряжение, которое должно подаваться на микросхему. Если оно меньше 40 В, а микросхемы «испускают дух», то нужно смотреть обвязку.
Скорее всего, происходит это из-за большого выходного тока (КЗ на выходе).
В описании на микросхему https://static.chipdip.ru/lib/204/DOC000204640.pdf может быть несколько вариантов схемотехники.
Особое внимание нужно обратить на детали, подключенные к выводу 2. Виновниками могут быть пробитые диод, транзистор, выходной электролитический конденсатор (опять же, всё зависит от схемотехники Вашего варианта) – нужно смотреть саму плату и попытаться вычертить схему. Только после этого можно что-то сказать определённое.
 
kozlaisky_pipsiДата: Пятница, 13.Янв.2023, 08:57 | Сообщение # 4
Стажер
У вас сообщений: 5
новичок
OFFлайн
Российская Федерация

краснодарский край
Горит источник -5 В. Остальные не горят. Напряжение уже после моста на конденсаторах вольт 35, для питания всех стабилизаторов.
Источник -5 В сделан по классической схеме, как выше.
Вот думаю, дроссель может подкорачивает межвитковым, поменять.
А по поводу нефункционирования аппарата, вот мысль пришла, может контроллер проверяет что напряжение занижено сетевое (150 В), и не включается в рабочий режим?
Надо разобраться со стабилизатором этим, и подать 230 В, полное.
.
Цитата kozlaisky_pipsi ()
А по поводу нефункционирования аппарата, вот мысль пришла, может контроллер проверяет что напряжение занижено сетевое (150 В), и не включается в рабочий режим?

Дроссель поменял, напряжение полное дал, дым не идёт, но аппарат так и не функционирует.
Чуда не произошло. Может какой сброс надо делать, хитрую комбинацию кнопок нажимать?
.
8735354.png (14.3 Kb)
 
Serov-OVДата: Пятница, 13.Янв.2023, 22:24 | Сообщение # 5
Завсегдатай
У вас сообщений: 228
медтехник
OFFлайн
Российская Федерация

Котовск
Цитата kozlaisky_pipsi ()
Там одна только ПЛМ Альтера из "серьёзных" микросхем.

Что за микросхема стоит не знаю, но вот, что говорит "великий и могучий" Интернет:
file:///C:/Users/1/Downloads/max2_mii5v1.pdf
1,5 В; 1,8 В; 2,5 В; 3,3 В (дополнительные напряжения для работы ПЛМ)
https://www.chipdip.ru/catalog/ic-plic?p.0=Altera
Напряжение питания зависит от микросхемы: 2.5/3.3 В, либо 3…3.6 В, либо 4.75…5.25 В
http://we.easyelectronics.ru/blog/plis/55.html
«Пятивольтовое питание, нагрузка выхода, вроде, как 24 мА. Для питания крайне рекомендую ставить фильтр на нескольких 0.1мкф и обязательно 22...100 мкф. ПЛИСы не любят скачков напряжений питания».
Другими словами, нужно посмотреть описание микросхемы и определиться, есть ли дополнительный источник питания и выдаёт ли он требуемое напряжение. Если же для питания микросхемы используется только источник +5 В, то существует большая вероятность выхода её из строя.
В паспорте на аппарат должен быть адрес производителя.
Пытались ли с ним связаться?
 
kozlaisky_pipsiДата: Суббота, 14.Янв.2023, 14:17 | Сообщение # 6
Стажер
У вас сообщений: 5
новичок
OFFлайн
Российская Федерация

краснодарский край
Написал с утра, пока молчат.
Ярославль делает, вроде, sterilnost.ru сайт.
EP2C5T144C8N плис.
 
ValkoPДата: Понедельник, 13.Ноя.2023, 15:28 | Сообщение # 7
Заглянувший
У вас сообщений: 2
ремонтник
OFFлайн
Российская Федерация

Пермь
kozlaisky_pipsi, удалось ли Вам связаться с производителем?

.


Все отлично уменя
 
АгайДата: Понедельник, 13.Ноя.2023, 15:28 | Сообщение # 8
Стажер
У вас сообщений: 9
Преподаватель
OFFлайн
Кыргызстан

Ош
https://www.medteh.info/forum/22-1216-1
Личная темочка Агай перенесена в эту специализированную тему,

Доброго дня коллеги.
Принесли на ремонт аппарат низкочастотной физиотерапии "Амплипульс-5ДС".
На нижней плате выгорела микросхема U21, коротит выход блока питания, срабатывает защита.
Отыскал схему, но чувствую несоответствие. По схеме получается LM358, но судя по обвязке что-то другое.
Выложу фото, может кто и подскажет, что за микросхема?
4953695.jpg (54.9 Kb) · 4697070.jpg (61.2 Kb) · 4599524.jpg (63.9 Kb)


Учись и учи
 
АгайДата: Среда, 27.Дек.2023, 17:28 | Сообщение # 9
Стажер
У вас сообщений: 9
Преподаватель
OFFлайн
Кыргызстан

Ош
Выложу схемы якобы "Амплипульс-5ДС". Может кому-нибудь поможет.
4994807.gif (104.4 Kb) · 6591354.gif (333.2 Kb) · 8058310.gif (190.5 Kb) · 0289590.gif (177.1 Kb)


Учись и учи
 
АгайДата: Среда, 24.Янв.2024, 14:28 | Сообщение # 10
Стажер
У вас сообщений: 9
Преподаватель
OFFлайн
Кыргызстан

Ош
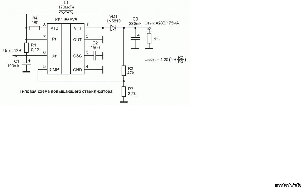
Посмотрел рабочий аппарат. Оказывается эта микросхема МС34063А. Включена по схеме повышения напряжения.
9404696.jpg (28.9 Kb)


Учись и учи
 
  • Страница 1 из 1
  • 1
Поиск:



Статистика Форума
Последние обновления тем: Новые файлы хранилища: Новые участники: Top10 участников:
1. Механическая пипетка ...[vladi (10.Ноя.2025)]
2. Стерилизатор паровой ...[Ан2рей (10.Ноя.2025)]
3. Дозатор шприцевой Аit...[Feniks (10.Ноя.2025)]
4. УЗИ Logiq C5 ф.GE Med...[saddam-095 (09.Ноя.2025)]
5. КУПЛЮ/ПРИМУ в дар зап...[arslan (09.Ноя.2025)]
6. Центрифуга CM-6M ф.El...[vladi (08.Ноя.2025)]
7. Биохимический анализа...[Nadebor (08.Ноя.2025)]
8. УЗИ SonoAce Pico ф.Sa...[arslan (05.Ноя.2025)]
9. Система автомат. капи...[AntonioPetty (05.Ноя.2025)]
1. VIVIX Setup Operation...[12.Окт.2025]
2. GenwareMP[10.Сен.2025]
3. Настройка реагентов M...[20.Авг.2025]
4. Philips HD3-EXP[13.Авг.2025]
5. Рентгеновское оборудо...[08.Авг.2025]
6. VersaMed iVent201 Сер...[13.Фев.2025]
7. Гелпик КРД Ренекс РЦ ...[09.Фев.2025]
8. Офтальмологическая ус...[31.Окт.2024]
9. Cardinal-Health-VELA-...[03.Окт.2024]
10. Service Manual HAMILT...[02.Окт.2024]
1. Djegocg[11.Ноя.2025]
2. ewgen[11.Ноя.2025]
3. Pechernyy[10.Ноя.2025]
4. OSV_9838149[10.Ноя.2025]
5. Alexy02[10.Ноя.2025]
6. Konstantin777[09.Ноя.2025]
7. Nurmuhammad261[09.Ноя.2025]
8. sergei72[07.Ноя.2025]
9. AlekseyVladimirovich[07.Ноя.2025]
10. dvl76[07.Ноя.2025]
МастерБаку[583]
Yulana34[177]
Serg74[160]
Dimitrius[129]
naves[122]
РОМУЛ[121]
bektyish[121]
madmac[116]
Алекс-200[114]
begun_a[112]