[ Новые сообщения · Участники · Правила форума · Поиск · RSS ]



  • Страница 1 из 1
  • 1
Модератор форума: genvik, енот, evven, babysh-m  
Дарсонваль УЛЬТРАДАР - МедТеКо
ФилюсДата: Понедельник, 04.Фев.2013, 21:56 | Сообщение # 1
Стажер
У вас сообщений: 15
электромеханик
OFFлайн
Российская Федерация

п.Светлый
Необходима схема аппарата дарсонвализации и ультратонотерапии УЛЬТРАДАР - МедТеКо
 
losthellДата: Вторник, 05.Фев.2013, 14:41 | Сообщение # 2
Стажер
У вас сообщений: 30
Инженер-электроник
OFFлайн
Российская Федерация

Российская Федерация
А какова твоя проблема с аппаратом?
Может быть смогу что то подсказать.
 
ФилюсДата: Вторник, 05.Фев.2013, 18:49 | Сообщение # 3
Стажер
У вас сообщений: 15
электромеханик
OFFлайн
Российская Федерация

п.Светлый
IRF830 пробило, демфер лопнувший (марку диода не распознать), у резистора идущего от демфера от на массу номинал (вернее множитель) не читается, на выходе ШИМ нет сигнала.
 
babysh-mДата: Вторник, 05.Фев.2013, 22:07 | Сообщение # 4
сервисный инженер
OFFлайн
Российская Федерация

Екатеринбург
Филюс, по поводу производственных "шедевров" Медтеко слов совсем нет, а ответ на любой вопрос по поводу схемы или ремонта один:-"Присылайте к нам."
 
ФилюсДата: Среда, 06.Фев.2013, 15:26 | Сообщение # 5
Стажер
У вас сообщений: 15
электромеханик
OFFлайн
Российская Федерация

п.Светлый
Схему я уже практически составил, остались лишь вопросы по номиналам некоторых деталей.
 
suxoyДата: Пятница, 08.Фев.2013, 10:58 | Сообщение # 6
Стажер
У вас сообщений: 6
Инженер-разработчик
OFFлайн
Российская Федерация

Рязань
Якобы есть в библиотеке http://medinfo.dp.ua/medteh/a0006.htm под номером 160.
И здесь http://www.medtechnician.ru/php/search.php?poisk=y&id=MTE2NTF8NzguMzEuNzIuMjM3&ff=10&fi=0&kritery=%F3%EB%FC%F2%F0%E0%E4%E0%F0&x=0&y=0
Но не хватает репутации для скачивания...
 
генаfДата: Пятница, 08.Фев.2013, 12:36 | Сообщение # 7
У вас сообщений: 611
медтехникl
OFFлайн
Российская Федерация

http://www.medtechnician.ru/
аппарат Дарсонволизации и ультратональной терапии Ультрадар (Мед ТеКо) [---] Терапия П,ИЭ RU JPG 1308 3.6
 
ФилюсДата: Пятница, 08.Фев.2013, 17:38 | Сообщение # 8
Стажер
У вас сообщений: 15
электромеханик
OFFлайн
Российская Федерация

п.Светлый
Люди добрые! подскажите пожалуйста какой номинал у резистора, который рядом с дросселем?
 
vlad_i_slavДата: Понедельник, 18.Фев.2013, 12:15 | Сообщение # 9
Стажер
У вас сообщений: 48
техник
OFFлайн
Российская Федерация

Россия
доброго времени суток. я только начинаю работать по ремонту техники, и тут же столкнулся с проблемой-отдали на ремонт аппарат ультрарадар медтеко. если быть честным, то вообще первый раз вижу подобное устройство.
Так вот, суть проблемы в том, что аппарат работает, но как говорят не в полную мощность. как я понял электрод должен бить статикой достаточно сильно, а он выдает напряжение едва ощутимое на кожу. Пытался открыть схемы, какие у вас есть, ничего не вышло, прошу помочь, заранее благодарен
 
vlad_i_slavДата: Понедельник, 18.Фев.2013, 14:15 | Сообщение # 10
Стажер
У вас сообщений: 48
техник
OFFлайн
Российская Федерация

Россия
Филюс, у меня на ремонте такой аппарат. могу помочь чем смогу, хотя у самого ни схем ничего нет. если я вас правильно понял, то на резисторе написанно"5W5ом1J"
 
ФилюсДата: Понедельник, 18.Фев.2013, 19:45 | Сообщение # 11
Стажер
У вас сообщений: 15
электромеханик
OFFлайн
Российская Федерация

п.Светлый
Странно, на моем резистре четко просматриваются первые две полосы (1-коричневый, 2-черный) а вот третья вся обшелушилась, поэтому я в замешательстве 1 Ом или 0,1 Ом.
 
ФилюсДата: Понедельник, 18.Фев.2013, 19:57 | Сообщение # 12
Стажер
У вас сообщений: 15
электромеханик
OFFлайн
Российская Федерация

п.Светлый
Цитата (vlad_i_slav)
Так вот, суть проблемы в том, что аппарат работает, но как говорят не в полную мощность.

Скорее всего межвитковое замыкание в высоковольтной катушке (в режиме Дарсанваля не развивает полную мощность, а в режиме ультратона еще и транзисторы перегрваются и вылетают).
Тут везде советуют попробовать поставить катушку от "искры" (я сам ищу катушку от "искры").
 
vlad_i_slavДата: Вторник, 19.Фев.2013, 09:52 | Сообщение # 13
Стажер
У вас сообщений: 48
техник
OFFлайн
Российская Федерация

Россия
Филюс, этот резистор сразу не заметил.. на плате только один один с коричневой и черной полосой, у него еще 2 золотистые... то есть, если я не ошибаюсь, это 1 ом... если знаете, какое сопротивление катушки должно быть, прошу написать. и еще один вопрос-есть ли у этой катушки обозначение) вдруг найдется у нас в радиодеталях

Сообщение отредактировал vlad_i_slav - Вторник, 19.Фев.2013, 09:57
 
vlad_i_slavДата: Вторник, 19.Фев.2013, 11:20 | Сообщение # 14
Стажер
У вас сообщений: 48
техник
OFFлайн
Российская Федерация

Россия
филюс, глупый вопрос-вы говорите про катушку, которая находится на плате внутри прибора? или же та, что в "ручке"?
 
ФилюсДата: Вторник, 19.Фев.2013, 14:04 | Сообщение # 15
Стажер
У вас сообщений: 15
электромеханик
OFFлайн
Российская Федерация

п.Светлый
пробой именно в той катушке которая в ручке и пробивает вторичку, сам не разбирал но говорят там провод 0.05 мм. поищи в больнице в которой работаешь в старых списанных может найдешь списанную "искру" (или даже с рабочего) и подключи вместо родной (1 и 3 контакты на плате дарсанвальные), если даст нормальную мощность можешь смело заказывать катушку или ручку в сборе.
за номинал спасибо, я тк и думал что 1 Ом.
попозже может выложу схему, правда она уменя клочками и без блока управления
 
ФилюсДата: Вторник, 19.Фев.2013, 14:47 | Сообщение # 16
Стажер
У вас сообщений: 15
электромеханик
OFFлайн
Российская Федерация

п.Светлый
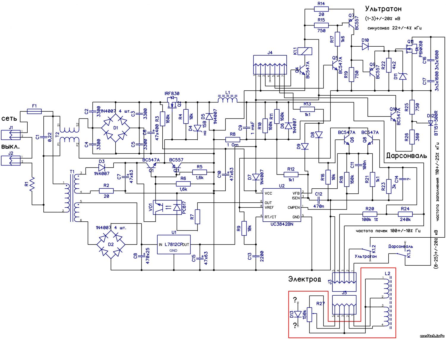
выкладываю наброски схемы, а потоп если руки дойдут наберу схему в сплане
3194279.jpg (114.2 Kb) · 1507673.jpg (117.5 Kb) · 5231969.jpg (131.6 Kb) · 5445437.jpg (118.2 Kb)
 
DjheawymetalДата: Вторник, 12.Мар.2013, 00:00 | Сообщение # 17
Участник
У вас сообщений: 53
Инжерен по темонту
OFFлайн
Украина

Луганск
Цитата (vlad_i_slav)
доброго времени суток. я только начинаю работать по ремонту техники, и тут же столкнулся с проблемой-отдали на ремонт аппарат ультрарадар медтеко. если быть честным, то вообще первый раз вижу подобное устройство.
Так вот, суть проблемы в том, что аппарат работает, но как говорят не в полную мощность. как я понял электрод должен бить статикой достаточно сильно, а он выдает напряжение едва ощутимое на кожу. Пытался открыть схемы, какие у вас есть, ничего не вышло, прошу помочь, заранее благодарен


Проблема такая же, буду благодарен за совет.
Прозванивал транзюк вроде пробит в обе стороны, но я его пока не выпаивал, пока точно не могу сказать пробит ли.


Сообщение отредактировал Djheawymetal - Вторник, 12.Мар.2013, 01:15
 
ФилюсДата: Среда, 13.Мар.2013, 15:30 | Сообщение # 18
Стажер
У вас сообщений: 15
электромеханик
OFFлайн
Российская Федерация

п.Светлый
Djheawymetal. Транзистор на блоке птания или выход ультратона? Если на выходе ультратона то отсоедини кабель идуший на резонатор и прозванивай между стоком и истоком, а если на болке питания о придется выпаивать.
 
DjheawymetalДата: Среда, 20.Мар.2013, 17:05 | Сообщение # 19
Участник
У вас сообщений: 53
Инжерен по темонту
OFFлайн
Украина

Луганск
Цитата (Филюс)
Djheawymetal. Транзистор на блоке птания или выход ультратона? Если на выходе ультратона то отсоедини кабель идуший на резонатор и прозванивай между стоком и истоком, а если на болке питания о придется выпаивать


Не знаю какая у вас схема но в моем аппарате ни одного полевого транзистора!
поменял пробитый транзистор и проблема все равно осталась, все таки проблема в катушке в самой "РУЧКЕ":????
 
vadmorozДата: Среда, 20.Мар.2013, 17:51 | Сообщение # 20
Участник
У вас сообщений: 217
медтехник
OFFлайн
Российская Федерация

Схемы разные твоя проблема в катушке
 
ФилюсДата: Четверг, 21.Мар.2013, 17:16 | Сообщение # 21
Стажер
У вас сообщений: 15
электромеханик
OFFлайн
Российская Федерация

п.Светлый
Djheawymetal. Можно еще попробовать подключить ламппочку на 15 - 25 Вт вместо катушки.
И еще, не сможете зарисовать обвязку транзисторов?
 
DjheawymetalДата: Пятница, 22.Мар.2013, 22:49 | Сообщение # 22
Участник
У вас сообщений: 53
Инжерен по темонту
OFFлайн
Украина

Луганск
аппарат сделал, отдал уже! катушка была неисправна
 
SDRДата: Четверг, 04.Апр.2013, 18:11 | Сообщение # 23
Стажер
У вас сообщений: 35
инженер
OFFлайн
Украина

Луцк
Доброго всем времени суток. Если я правильно понимаю , кнопкой "d/u", переключаются режимы. Пришел аппарат на ремонт, толком не сказали что поломано. Но первое на что обратил внимание, не переключается режим. Все время включен режим "Д". На плате логики поменял стабилизатор(выдавал 6в), не помогло. Может я не правильно понял что-то? Инструкции нет((.
 
ФилюсДата: Четверг, 04.Апр.2013, 18:24 | Сообщение # 24
Стажер
У вас сообщений: 15
электромеханик
OFFлайн
Российская Федерация

п.Светлый
6 В. для АВРки многовато, скорее всего дело дело внём
Еще, проверь тактовые кнопки, бывает они не работают


Сообщение отредактировал Филюс - Четверг, 04.Апр.2013, 18:26
 
SDRДата: Пятница, 05.Апр.2013, 10:36 | Сообщение # 25
Стажер
У вас сообщений: 35
инженер
OFFлайн
Украина

Луцк
Все уже проверил. Непонятка... Вопрос. При нажатии кнопки "d/u", на индикаторе должен переключаться режим?
 
sevaДата: Пятница, 05.Апр.2013, 13:51 | Сообщение # 26
Стажер
У вас сообщений: 45
нач.сервиса
OFFлайн
Украина

Киев
они собираются в одном корпусе.
если номер начинается с d... то режима u в нем нет
если с А..., то тогда будет переключаться d/u
 
vlad_i_slavДата: Пятница, 12.Апр.2013, 10:29 | Сообщение # 27
Стажер
У вас сообщений: 48
техник
OFFлайн
Российская Федерация

Россия
Чудо свершилось! мне наконец то доставили в\в катушку. после замены стал работать в нормальном режиме, с хорошей мощностью. Филюс, спасибо)
 
Dmitriy_116RUSДата: Пятница, 17.Май.2013, 12:35 | Сообщение # 28
Участник
У вас сообщений: 58
инженер
OFFлайн
Российская Федерация

Казань
Цитата (seva)
если номер начинается с d... то режима u в нем нет
если с А..., то тогда будет переключаться d/u


номер который серийный? с той же проблемой только что позвонили, я аппарат в глаза не видел, ищу инструкцию
 
Dr_CalvoДата: Вторник, 21.Май.2013, 21:35 | Сообщение # 29
Заглянувший
У вас сообщений: 1
врач
OFFлайн
Российская Федерация

Нововоронеж
пОмогите пожалуйста нужно регистрационное удостверение на этот аппарат

Сообщение отредактировал Dr_Calvo - Вторник, 21.Май.2013, 21:37
 
ФилюсДата: Пятница, 24.Май.2013, 19:48 | Сообщение # 30
Стажер
У вас сообщений: 15
электромеханик
OFFлайн
Российская Федерация

п.Светлый
Чтото наша тема из поиска схемы превратилась в решение проблем (ветка не та), боюсь модераторы будут ругаться.
Делаем выводы: почти во всех случаях неисправности так или иначе виною резонатор, завод изготовитель отдельно резонаторы не продает, говорят: ОТПРАВЛЯЙТЕ АППАРАТ КНАМ.
С исправным резонатором аппарат работает нормально, так что буду искать донора и тему закрываю.
 
rodnmuzvnДата: Четверг, 11.Май.2017, 13:53 | Сообщение # 31
Участник
У вас сообщений: 216
инженер по медоборудованию
OFFлайн
Российская Федерация

Ростов-на-Дону
Здравствуйте. Прошу извинить, что влез в закрытую тему. Ультрадар-Медтеко. А1268. Вып. 10.2015. Была неисправность: слабое свечение (разряд). Но недостаток этих приборов — плохое крепление выхода шнура к ручке. При включении, шевелении провода на выходе ручки вышел из строя предохранитель, потом обнаружил неисправными полевик и КТ3102Б. Заменил, но свечения нет. Хочу уточнить, кто знает. Сопротивление обмотки ~ 13 Ом, но также короткое замыкание между 1 и 3 выводами на плате разъема от ручки. Вопрос по R обмотки, и действительно в исправных есть короткое? Т.е. действительно контакты регулировочного резистора уровня сигнала и катушки соединены вместе. Очень не хочется вскрывать ручку.
Дополняю 12 мая. Может быть не по теме. Но вопрос в качестве медаппаратуры, выпускаемой ООО "Мед Теко". Вся аппаратура, купленная в конце 2015 года, побывала на гарантийном ремонте. Не только мое мнение, но и моих коллег в отделе, "как-будто выпускали её практиканты какого-то колледжа, но не последнего курса". Но расположить микросхему DIP-8 со стороны печатного монтажа, это "по последнему слову". Плата изготовлена не методом травления, а, скорее всего, напыления. Печатный монтаж чувствителен к паянию. Да и проводники такие по толщине тонкие, что легко при пайке обрываются. Так что кто хочет покупать аппаратуру этого завода, пусть хорошо подумает.


Сообщение отредактировал rodnmuzvn - Пятница, 12.Май.2017, 09:13
 
rodnmuzvnДата: Вторник, 05.Сен.2017, 14:19 | Сообщение # 32
Участник
У вас сообщений: 216
инженер по медоборудованию
OFFлайн
Российская Федерация

Ростов-на-Дону
Здравствуйте. Никто не подсказал по моей неисправности. Читал также про желающего выложить полностью схему, которая так и не появилась на страницах этого сайта.
Думал, что смогу отремонтировать аппарат сам. Но неисправность связана с микросхемой ATMEGA48-20PU на блоке управления. На выход 6 с платы блока управления должны поступать импульсы пачек, на выходы платы 5, 7 — синусоиды (которых нет). Скорее всего без специального оборудования, да и программы, прошивку не исправить. Катушка дарсонваля тоже, наверное, неисправна. Так что придётся отправлять на завод. Подключение светодиода в ручке без разборки оной показать не могу.
2004727.jpg (219.7 Kb)


Сообщение отредактировал rodnmuzvn - Среда, 06.Сен.2017, 09:50
 
GlebachДата: Пятница, 26.Янв.2018, 08:06 | Сообщение # 33
Стажер
У вас сообщений: 8
инженер по ремонту
OFFлайн
Российская Федерация

Улан-Удэ
Здравствуйте.
Такой же аппарат в ремонте. Пробитые полевики 830-й на выходе питания и buz80 на выходе ультратона, а также стабилитрон параллельно сопротивлению 1 ом.
Заменили ручку, заменили все сгоревшие детали. Ручку прислали с другим регулировочным резюком внутри (90 кОм вместо 60, которое было).
Теперь стал транзистор BUZ80 греться при включении режима ультратона, за минуту-две нагревается так, что рука не выносит.

Все уже перекопали - все равно греется.
Может кто подсказать в чем причина? Катушка с другими характеристиками?
 
klapan527Дата: Понедельник, 27.Апр.2020, 17:59 | Сообщение # 34
Стажер
У вас сообщений: 33
поставка комплектующих для ремонта
OFFлайн
Российская Федерация

Доброго дня, форумчане!
Сделал по схемам из Интернета прибор дарсонваля. Намотал катушку, на неё вторую. Подскажите, куда подключать начало второй катушки (с учётом, что второй провод на электрод)?


klapan527
 
ssr30Дата: Среда, 12.Апр.2023, 17:20 | Сообщение # 35
Заглянувший
У вас сообщений: 1
техник
OFFлайн
Российская Федерация

Краснодар
klapan527, сделал по схемам из Интернета прибор дарсонваля.

Можно ссылку.
Если: https://razrabotka.pro/project....rotokom , то какое сечение провода МГТФ?


111
 
  • Страница 1 из 1
  • 1
Поиск:



Статистика Форума
Последние обновления тем: Новые файлы хранилища: Новые участники: Top10 участников:
1. Техническая поддержка...[UPZ (25.Май.2026)]
2. MOVIPLAN (УниКоРД-МТ)...[SpirituS (24.Май.2026)]
3. Аппарат магнитотерапе...[SpirituS (24.Май.2026)]
4. Стоматустановка K3 ф....[zizeroman (24.Май.2026)]
5. Анализатор гематологи...[fred1 (22.Май.2026)]
6. ЭХВЧ-400 ск-"Ник...[Olegosh (21.Май.2026)]
7. Анализатор биохимичес...[laverse (19.Май.2026)]
8. Аппарат Luminos 2011 ...[medplus (13.Май.2026)]
9. УЗИ SonoAce X8 ф.Sams...[valentin17 (13.Май.2026)]
1. Apollo EZ service man...[25.Дек.2025]
2. VIVIX Setup Operation...[12.Окт.2025]
3. GenwareMP[10.Сен.2025]
4. Настройка реагентов M...[20.Авг.2025]
5. Philips HD3-EXP[13.Авг.2025]
6. Рентгеновское оборудо...[08.Авг.2025]
7. VersaMed iVent201 Сер...[13.Фев.2025]
8. Гелпик КРД Ренекс РЦ ...[09.Фев.2025]
9. Офтальмологическая ус...[31.Окт.2024]
10. Cardinal-Health-VELA-...[03.Окт.2024]
1. roser362[27.Май.2026]
2. Romany4777[27.Май.2026]
3. RVA-59[27.Май.2026]
4. Dream_29[26.Май.2026]
5. 89503843712[26.Май.2026]
6. Divan[26.Май.2026]
7. lavvila[26.Май.2026]
8. roser[25.Май.2026]
9. malakhov_dmitry[25.Май.2026]
10. Адвокат[25.Май.2026]
МастерБаку[583]
Yulana34[177]
Serg74[160]
Dimitrius[129]
naves[122]
РОМУЛ[121]
bektyish[121]
madmac[116]
Алекс-200[114]
генаf[112]