[ Новые сообщения · Участники · Правила форума · Поиск · RSS ]



  • Страница 1 из 1
  • 1
Модератор форума: dima_perikov, YRA46  
Стоматустановка Diplomat Adept DA 110
asinoДата: Понедельник, 18.Май.2015, 10:32 | Сообщение # 1
Стажер
У вас сообщений: 37
инженер
OFFлайн
Российская Федерация

Асино
Регистрационное удостоверение ФСЗ 2010/08101 на установку стоматологическую "Diplomat Аdept" варианты исполнения: DА 110 А, DА 120, DА 130, DА 140, DА 170, DА 220, DА 230, DА 240, DА 270, DА 280, DА 290, DА 320, DА 330, DА 370, DА 380, производства словацкой компании DIPLOMAT DENTAL s.r.o.

Добрый день!
Имеется стоматустановка Diplomat Adept DA 110 с одним микромотором, однако на плате есть возможность подключения второго. Отсюда вопрос: - может кто подскажет как его подключить. Пробовал сделать согласно схеме - потерпел неудачу.
Очень прошу помощи! blush
.

Есть темы по проблемам со стоматустановками моделей "DIPLOMAT", их см. по адресу -
https://www.medteh.info/forum/35-0-1-0-10-1-[DIPLOMAT]
 
МастерБакуДата: Понедельник, 18.Май.2015, 16:30 | Сообщение # 2
У вас сообщений: 11269
инженер
OFFлайн
Российская Федерация

Нижний Новгород
Цитата asino ()
с одним микромотором
каким?
Цитата asino ()
согласно схеме
какой?
 
Э-эхДата: Понедельник, 18.Май.2015, 22:48 | Сообщение # 3
Участник
У вас сообщений: 89
электромеханик
OFFлайн
Российская Федерация

РФ
asino, приветствую.
Я так понимаю, что речь идёт о MC2?!
Если так, то подключаете мотор согласно обозначениям на плате и перемычками конфигурируете это гнездо. Там возможны варианты турбина2 или микромотор2.
 
МастерБакуДата: Понедельник, 18.Май.2015, 23:08 | Сообщение # 4
У вас сообщений: 11269
инженер
OFFлайн
Российская Федерация

Нижний Новгород
Цитата Э-эх ()
и перемычками конфигурируете это гнездо.
схему и табличку забыли .
 
asinoДата: Вторник, 19.Май.2015, 08:59 | Сообщение # 5
Стажер
У вас сообщений: 37
инженер
OFFлайн
Российская Федерация

Асино
Цитата Э-эх ()
подключаете мотор согласно обозначениям на плате и перемычками конфигурируете это гнездо

вот что касается перемычек не могу разобраться. вроде делаю все правильно, но питания на М2 не приходит(((
 
fiksa555Дата: Вторник, 19.Май.2015, 22:34 | Сообщение # 6
Техник
У вас сообщений: 303
Cервисная служба
OFFлайн
Российская Федерация

Апрелевка
но ещё есть система распределения воздуха с клапана на держатель, с держателя на пневмовалик.
8325120.png (105.0 Kb)


и в пух и прах...
 
asinoДата: Среда, 20.Май.2015, 04:47 | Сообщение # 7
Стажер
У вас сообщений: 37
инженер
OFFлайн
Российская Федерация

Асино
Цитата fiksa555 ()
но ещё есть система распределения воздуха с клапана на держатель, с держателя на пневмовалик.


делаю все именно так, но в итоге не получаю напряжение на 9 и 10 выводе М2
 
fiksa555Дата: Среда, 20.Май.2015, 21:08 | Сообщение # 8
Техник
У вас сообщений: 303
Cервисная служба
OFFлайн
Российская Федерация

Апрелевка
пневмовалик на микрик достаёт? может не включает его? а свет после присоединения работает на 7,8-3,3v?клапана включаются? информации немного больше надо..

и в пух и прах...
 
asinoДата: Четверг, 21.Май.2015, 05:08 | Сообщение # 9
Стажер
У вас сообщений: 37
инженер
OFFлайн
Российская Федерация

Асино
Цитата fiksa555 ()
пневмовалик на микрик достаёт? может не включает его? а свет после присоединения работает на 7,8-3,3v?клапана включаются?

да, пневмовалик до микрика достал. на 7и8 выводах есть напряжение 3,4В, а вот на 9и10 ноль!
 
fiksa555Дата: Четверг, 21.Май.2015, 12:39 | Сообщение # 10
Техник
У вас сообщений: 303
Cервисная служба
OFFлайн
Российская Федерация

Апрелевка
тогда вопрос о кол-ве инструментов уже установленных-сколько и какие стоят? по тому если уже 3 стоит то нужна плата CPD EXT допом.

и в пух и прах...
 
ven4ikДата: Среда, 27.Май.2015, 09:11 | Сообщение # 11
Стажер
У вас сообщений: 26
техник
OFFлайн
Российская Федерация

Пермь
Доброго времени суток.
Проблема при работе скалером LM ProPower LED - C отключается вся установка Diplomat 110. Начинают щелкать все реле, при осмотре криминального не увидел, проблема проявляется после некоторой работы скалером, предохранителя в цепи питания не установлен,стоит дроссель с диодом, может кто сталкивался с проблемой, на скалере при появлении этой проблемы начинают моргать светодиоды. Как продиагностировать исправность держателя.
 
fiksa555Дата: Среда, 27.Май.2015, 21:39 | Сообщение # 12
Техник
У вас сообщений: 303
Cервисная служба
OFFлайн
Российская Федерация

Апрелевка
1. контакты в ручке скалера проверь, скорее всего отвалился один и коротит (ручка со светом должна сниматься) там 4 контакта позванивай.
2. держатель работает или на замыкание или на размыкание-держатель здесь не причём.
3. реле на плате могут коротить от времени(подгорают, залипают) вызванивай-выпаивай-меняй на новые, а лучше новую плату поставь
информации мало по проблеме(фото, описание, на каком этапе происходит и т.д.). Описание проблемы как я понимаю, пишет врач, а не инженер- в принципе обычный разговор по телефону...вызовите инженера...


и в пух и прах...
 
ven4ikДата: Пятница, 29.Май.2015, 10:16 | Сообщение # 13
Стажер
У вас сообщений: 26
техник
OFFлайн
Российская Федерация

Пермь
Снял скалер с установки, попробую отдельно посмотреть, но пропадает питание +5В на схеме D14, соответственно пропадает питание на всех микросхемах вот из - за этого и глючит все. Там есть клемма Х4-1 может есть у кого то схема с выводами данной колодки, я бы снял плату но не дают работать, максимум час или два. Попробую повесить доп нагрузку и увеличивать, посмотрю может с увеличением нагрузки что то проявляется.
 
fiksa555Дата: Суббота, 30.Май.2015, 00:37 | Сообщение # 14
Техник
У вас сообщений: 303
Cервисная служба
OFFлайн
Российская Федерация

Апрелевка
при снятии скалера подаётся напряжение(без включение педали) на 1 и 4 на схеме MUX которые питают клапан?

и в пух и прах...
 
ven4ikДата: Суббота, 30.Май.2015, 21:59 | Сообщение # 15
Стажер
У вас сообщений: 26
техник
OFFлайн
Российская Федерация

Пермь
Питание клапана реализовано через контакты реле, а питание берется +32V(согласно схеме) на прямую с блока питания, а второй провод с клеммы Х4-1
7025161.png (87.1 Kb)


Сообщение отредактировал ven4ik - Суббота, 30.Май.2015, 22:02
 
fiksa555Дата: Воскресенье, 31.Май.2015, 16:58 | Сообщение # 16
Техник
У вас сообщений: 303
Cервисная служба
OFFлайн
Российская Федерация

Апрелевка
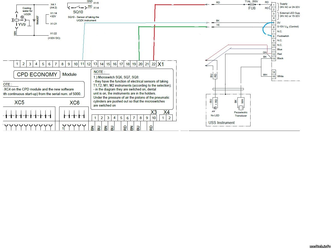
че то коротнуло в голове, схема то другая))))) у тебя CPD, а я на MUX...
согласно разговору с заводом скалер LM и Amdent немного разные.
схему CPD и разводку блока LM приложил.
Schema_CPD_ECON.pdf (582.9 Kb) · 1802718.jpg (179.4 Kb)


и в пух и прах...

Сообщение отредактировал fiksa555 - Воскресенье, 31.Май.2015, 17:06
 
ven4ikДата: Среда, 29.Июл.2015, 08:03 | Сообщение # 17
Стажер
У вас сообщений: 26
техник
OFFлайн
Российская Федерация

Пермь
Всем спасибо, причина оказалась в скалере.
 
ZavstomДата: Вторник, 04.Июл.2017, 07:01 | Сообщение # 18
Заглянувший
У вас сообщений: 1
Начинающий
OFFлайн
Российская Федерация

Старый Оскол
fiksa555, подскажите, пожалуйста, а как должны стоять перемычки у меня такая же проблема. Не могу активировать второй мотор на стоматустановке Diplomat Adept DA 130 2008 г.в.
 
ShturmanДата: Пятница, 19.Апр.2019, 09:42 | Сообщение # 19
Стажер
У вас сообщений: 23
Стоматология
OFFлайн
Российская Федерация

Пермь
В инструкции по установке должны быть записи как подключить перемычки
 
Keen73Дата: Среда, 19.Фев.2020, 10:26 | Сообщение # 20
Заглянувший
У вас сообщений: 2
-
OFFлайн
Российская Федерация

Москва
Здравствуйте.
Кто-нибудь напишите, пожалуйста, что изменяют подстроечные резисторы в стоматологической установке Diplomat DA 110.
 
bektyishДата: Среда, 19.Фев.2020, 11:35 | Сообщение # 21
У вас сообщений: 1876
Электромеханик по слаботочным сетям
OFFлайн
Российская Федерация

Дистрикт 74
Keen73, не плоди новых тем, уже есть одна.

Все темы про стоматустановку "Diplomat Adept DA 110 A", а именно так правильно обозначается её марка, а не просто - "Diplomat 110", объединены в одну эту специализированную.

Схема есть в хранилище, если всё работает, то лучше не экспериментировать.


Сообщение отредактировал bektyish - Среда, 19.Фев.2020, 11:38
 
МВРДата: Среда, 19.Фев.2020, 12:16 | Сообщение # 22
Медтехник
OFFлайн
Российская Федерация

.
bektyish, тематика темы: "Установки Дипломат, Смайл, Эком - всё о них (Замечания, пожелания и тп представителю этих фирм)" далеко ушла от её первоначальной ... В ней теперь масса вопросов не к представителям изготовителя, а к коллегам по разнообразным проблемам ремонта, причём, не только по МТ, указанной в заглавии ...
Из-за этого тема теперь крайне перегруженная, и найти в ней нужную информацию крайне затруднительно и затратно по времени ... (попробуйте хотя бы просто почитать на её 30 страницах её 1175 постов ... И сравните её с темой: "Лабораторные центрифуги из Бишкека (Консультации представителя производителя)", которую вразумительно и с успехом ведёт helge ).

Поэтому к Вам, bektyish, просьба: пожалуйста, выделите из этой общей темы, на первом этапе, посты с информацией, относящейся к стоматустановкам Diplomat, для этого просто указав их номера в последующем сообщении той общей темы (или хотя бы в теме про Diplomat DA 110). Если не трудно, то и подразделите их по моделям. После чего отобранные Вами сообщения/посты будут размещены в уже имеющихся темах (а их порядка 35 ...) или созданы новые тематические ...
Вам за это заранее спасибо!
.
К сожалению, bektyish отказался выполнить эту просьбу ... И тем помочь коллегам в быстром поиске нужной им информации.
 
Keen73Дата: Среда, 19.Фев.2020, 13:00 | Сообщение # 23
Заглянувший
У вас сообщений: 2
-
OFFлайн
Российская Федерация

Москва
Цитата bektyish ()
Keen73, не плоди новых тем, уже есть одна. Схема есть в хранилище, если всё работает, то лучше не экспериментировать

Если есть тема, то скиньте, пожалуйста, ссылку. Пытался найти - не смог.
Заранее спасибо.
 
bektyishДата: Среда, 19.Фев.2020, 16:58 | Сообщение # 24
У вас сообщений: 1876
Электромеханик по слаботочным сетям
OFFлайн
Российская Федерация

Дистрикт 74
Ищи - Schema CPD ECONOMY
 
МВРДата: Среда, 19.Фев.2020, 18:49 | Сообщение # 25
Медтехник
OFFлайн
Российская Федерация

.
Цитата bektyish ()
Стоматустановка Diplomat Adept DA 110, аналогичная ситуация произошла после манипуляций в столике врача (или воду регулировал, или шланг менял, уже не помню) - причиной оказался отошедший шлейф с проводами (он немного отошёл в разъёме) - после возвращение в исходное положение всё стало работать в штатном режиме. А так же проверьте напряжение на разъёме перед микроэлектромотором и в столике врача на случай, если что с проводами. Маловероятно, но на всякий случай ...

Это из темы: " Стоматустановка Diplomat Economy мод. неизвестна" ... Правда, об этой ли стоматустановке у stomlg была речь в этой теме? ...

Вот чтобы такого затруднения в поиске не было, к Вам, bektyish, и была просьба в с.3 ...
 
bektyishДата: Среда, 19.Фев.2020, 19:29 | Сообщение # 26
У вас сообщений: 1876
Электромеханик по слаботочным сетям
OFFлайн
Российская Федерация

Дистрикт 74
Сайт производителя https://www.diplomat-dental.com/ru/
... по вопросам, связанным с гарантийным и сервисным обслуживанием, по информации о наших ценах и услугах, об изделиях Diplomat и их эксплуатации, ремонту, продаже запасных частей и т.д., обращайтесь в наши официальные торговые представительства или сервисные центры в Вашем регионе.
 
МВРДата: Среда, 19.Фев.2020, 19:37 | Сообщение # 27
Медтехник
OFFлайн
Российская Федерация

.
... я так понимаю изложенное в с.7, что Форум просто не нужен ... есть же представительства ...
 
1prohindeiДата: Понедельник, 02.Мар.2020, 14:44 | Сообщение # 28
Завсегдатай
У вас сообщений: 257
Руководитель СЦ
OFFлайн
Российская Федерация

Екатеринбург
Цитата Keen73 ()
Кто-нибудь напишите, пожалуйста, что изменяют подстроечные резисторы в стоматологической установке Diplomat Adept DA 110.

Есть два варианта предварительного ответа на такого рода вопрос:
1. Чем обусловлен ваш интерес и какого года выпуска установка, про какой модуль идёт речь?
2. Вмешательство в заводские настройки приведёт к непредсказуемому изменению работы подключенных к модулю устройств. Вам это нужно?
Цитата bektyish ()
Schema CPD ECONOMY

Я знаю четыре модели DA110, с абсолютно разной электрони
 
bektyishДата: Понедельник, 02.Мар.2020, 16:28 | Сообщение # 29
У вас сообщений: 1876
Электромеханик по слаботочным сетям
OFFлайн
Российская Федерация

Дистрикт 74
"что изменяют подстроечные резисторы в стоматологической установке Diplomat Adept DA 110." - радует что это не ИВЛ
 
fiksa555Дата: Вторник, 17.Мар.2020, 14:40 | Сообщение # 30
Техник
У вас сообщений: 303
Cервисная служба
OFFлайн
Российская Федерация

Апрелевка
Цитата 1prohindei ()
Чем обусловлен Ваш интерес, и какого года выпуска установка, про какой модуль идёт речь?

Согласен, вариантов много, а информативности для ответов НЕТ.
.


и в пух и прах...
 
  • Страница 1 из 1
  • 1
Поиск:



Статистика Форума
Последние обновления тем: Новые файлы хранилища: Новые участники: Top10 участников:
1. Стерилизатор паровой ...[SeregkaS (15.Фев.2026)]
2. Установка импульсная ...[юранак (13.Фев.2026)]
3. ИВЛ Hamilton C1 ф.Ham...[masloff (12.Фев.2026)]
4. Выбор принтера для ра...[seabee (12.Фев.2026)]
5. Sonoscanner Orcheo li...[Azatus7 (10.Фев.2026)]
6. рентген.аппарат Prote...[medplus (06.Фев.2026)]
7. ремонт спектрофотоме...[specordm (06.Фев.2026)]
8. Вошер PW-40 ф.Bio-Rad[zennka (06.Фев.2026)]
9. Медицинское лаборатор...[ruha (05.Фев.2026)]
1. Apollo EZ service man...[25.Дек.2025]
2. VIVIX Setup Operation...[12.Окт.2025]
3. GenwareMP[10.Сен.2025]
4. Настройка реагентов M...[20.Авг.2025]
5. Philips HD3-EXP[13.Авг.2025]
6. Рентгеновское оборудо...[08.Авг.2025]
7. VersaMed iVent201 Сер...[13.Фев.2025]
8. Гелпик КРД Ренекс РЦ ...[09.Фев.2025]
9. Офтальмологическая ус...[31.Окт.2024]
10. Cardinal-Health-VELA-...[03.Окт.2024]
1. AndreiK[15.Фев.2026]
2. vladimir_r[13.Фев.2026]
3. vlknv[13.Фев.2026]
4. Ormet[13.Фев.2026]
5. Pyrkin_Vladislav[13.Фев.2026]
6. cassius77[13.Фев.2026]
7. Dadasha[12.Фев.2026]
8. Vadka1977[12.Фев.2026]
9. Igoda[12.Фев.2026]
10. svetla[12.Фев.2026]
МастерБаку[583]
Yulana34[177]
Serg74[160]
Dimitrius[129]
naves[122]
РОМУЛ[121]
bektyish[121]
madmac[116]
Алекс-200[114]
генаf[112]