[ Новые сообщения · Участники · Правила форума · Поиск · RSS ]



  • Страница 1 из 1
  • 1
Модератор форума: dima_perikov, YRA46  
Муфельная печь MS8-62
yblod5Дата: Воскресенье, 21.Июл.2013, 07:53 | Сообщение # 1
У вас сообщений: 788
Сервис-инженер
OFFлайн
Российская Федерация

Владивосток
... заглянул в паспорт (сохранился, редкостный случай) 10 лет. Навёл справки: двое чинили не починили, один отказался. В пакетике с печью родной дохлый триак, пара микросхем и транзисторов. Даже не вскрывая чую все потроха вместе с нагревателем на новые надо менять, иначе даже если повезёт и запущу, вскоре ко мне вернётся, уже с другим дефектом. Шеф настаивает, так ненавязчиво пока (как-то я нашёл и устранил сложный дефект в дорогущей установке, вот действительно: хорошими делами прославится нельзя). Решил подстраховаться, написал в Израиль на счёт прайса и запчастей на сайт http://www.bifa-lab.com/ , но судя по всему на него уже никто не заглядывает. Получается следующая ситуация: коль взялся "вези", а отказался то "на кой нам нужен такой инженер". Это самый распространённый случай конфликтов между работодателем и рабом , не в пользу последнего. Вот я и подошёл к извечному вопросу: yes unknown yes ?
 
nik_nikДата: Воскресенье, 21.Июл.2013, 17:13 | Сообщение # 2
У вас сообщений: 202
инженер по ремонту
OFFлайн
Российская Федерация

Приморский кр.
yblod5! Зайди на Дальзаводскую,4 в Овен (3 или 4 этаж). Если знаешь алгоритм работы аппарата, то подберете блок управления, а нагреватель уже мелочи.
 
МастерБакуДата: Воскресенье, 21.Июл.2013, 22:04 | Сообщение # 3
У вас сообщений: 11269
инженер
OFFлайн
Российская Федерация

Нижний Новгород
может пригодится?
id_849_1.pdf (245.4 Kb)
 
yblod5Дата: Понедельник, 22.Июл.2013, 01:04 | Сообщение # 4
У вас сообщений: 788
Сервис-инженер
OFFлайн
Российская Федерация

Владивосток
Цитата (nik_nik)
Зайди на Дальзаводскую,4 в Овен (3 или 4 этаж). Если знаешь алгоритм работы аппарата, то подберете блок управления, а нагреватель уже мелочи.

я уже думал об этом, чтоб что-нибудь своё "впендюрить сбоку", так-бы наверное и поступил лет этак 20 тому назад, сейчас-же это называется "залипуха", и ежели кого током пиз.. нёт, либо загорится чё, то разбираться не станут, а сразу тебя к стенке.
Цитата (МастерБаку)
может пригодится?

спасибо, вот-бы так принципиальную схему описывали как раньше, даавно это было...
 
yblod5Дата: Понедельник, 05.Авг.2013, 08:59 | Сообщение # 5
У вас сообщений: 788
Сервис-инженер
OFFлайн
Российская Федерация

Владивосток
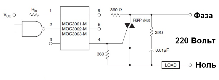
итак, пришлось взятся за ремонт. "Мозги" вроде целы. Триак постоянно открытый. Оочень нужны номиналы обвязки R15?R16? Оптосемистор OPT01?, оптопара OPT02, и что втыкается в JP8? На плате не родные.
4762415.jpg (189.7 Kb) · 0866511.jpg (50.6 Kb)
 
yblod5Дата: Вторник, 06.Авг.2013, 12:49 | Сообщение # 6
У вас сообщений: 788
Сервис-инженер
OFFлайн
Российская Федерация

Владивосток
есть ли у кого на примете эта печка BIFA BIFATHERM MS 8-62, надо всего-то открутить спереди 2 винта, наклонить на себя панель и сфотать крупно этот угол My WebPage
 
AlexiumДата: Вторник, 06.Авг.2013, 20:47 | Сообщение # 7
Инженер медтехник
OFFлайн
Российская Федерация

Саратов
yblod5, разрисуйте сами этот угол и сравните с даташитом, отличий быть не должно.
 
yblod5Дата: Среда, 07.Авг.2013, 03:07 | Сообщение # 8
У вас сообщений: 788
Сервис-инженер
OFFлайн
Российская Федерация

Владивосток
... я так и сделал вначале, дорисовал к родной еврейской схеме обвязку , затем сравнил с классической, не срастается! ТЭН по оригинальной еврейской схеме включен в цепь анода триака, допустим, но как это всё работало? Кстати , говорят прежние ремонтники, всё началось с того что при старте появлялось сообщение NO CURRENT. Для этой цели(сигнал обрыва ТЭНа), я подозреваю, служит оптопара на схеме OPT02, и ежели она дохлая, печка не запустится вовсе, а она жарит напрополую без запуска. Вообщем решил поменять всё, и собрать по классической схеме.
8783587.jpg (86.4 Kb) · 1260695.png (55.9 Kb)
 
AlexiumДата: Среда, 07.Авг.2013, 09:44 | Сообщение # 9
Инженер медтехник
OFFлайн
Российская Федерация

Саратов
yblod5, у вас есть схема?
 
yblod5Дата: Среда, 07.Авг.2013, 11:10 | Сообщение # 10
У вас сообщений: 788
Сервис-инженер
OFFлайн
Российская Федерация

Владивосток
....а зачем я по вашему разрисовывал? Еслиб была, то 99% вопросов отпало. В паспорте лишь общая была , да и та косячная, анод и катод триака (на схеме My WebPageA1 и A2) попутаны местами.
Вообщем запустил, так оно и есть, была дохлая оптопара OPT02, как результат печь не запускалась извещая "NO CURRENT". Плюс до меня, добропорядочные мастера, следуя той еврейской схеме, которая была в паспорте, пошли по ложному пути меняя триаки и оптотриаки и паля обвязку из резисторов R15 R16. А печка хороша,10лет а как новая, оптопара просто со временем просела, молодцы евреи (BIFA LTD.11 Harrakon st. Ramat Gan 52521, Israel)
[p.s.] я то-же молодец!


Сообщение отредактировал yblod5 - Среда, 07.Авг.2013, 11:13
 
  • Страница 1 из 1
  • 1
Поиск:



Статистика Форума
Последние обновления тем: Новые файлы хранилища: Новые участники: Top10 участников:
1. Замена светодиода на ...[Shturman (05.Дек.2025)]
2. Анализатор поля зрени...[SpirituS (04.Дек.2025)]
3. Программный комплекс ...[mqubali (04.Дек.2025)]
4. Кардиорегистратор «ИК...[albano18 (04.Дек.2025)]
5. Thermo Scientific gem...[viggen (03.Дек.2025)]
6. Центрифуга CM-6M ф.El...[Ningen64 (03.Дек.2025)]
7. Дефибриллятор Defi B ...[san-che30 (02.Дек.2025)]
8. Коллиматор Ralco R 22...[seeker (02.Дек.2025)]
9. КУПЛЮ/ПРИМУ в дар при...[seabee (02.Дек.2025)]
1. VIVIX Setup Operation...[12.Окт.2025]
2. GenwareMP[10.Сен.2025]
3. Настройка реагентов M...[20.Авг.2025]
4. Philips HD3-EXP[13.Авг.2025]
5. Рентгеновское оборудо...[08.Авг.2025]
6. VersaMed iVent201 Сер...[13.Фев.2025]
7. Гелпик КРД Ренекс РЦ ...[09.Фев.2025]
8. Офтальмологическая ус...[31.Окт.2024]
9. Cardinal-Health-VELA-...[03.Окт.2024]
10. Service Manual HAMILT...[02.Окт.2024]
1. zef1984[05.Дек.2025]
2. Dvish[05.Дек.2025]
3. Intellect[05.Дек.2025]
4. Romanivanov[05.Дек.2025]
5. igogoigogo[05.Дек.2025]
6. 1rishka[04.Дек.2025]
7. L_V_N[04.Дек.2025]
8. ИвановИИ[04.Дек.2025]
9. Alex_U[04.Дек.2025]
10. Yarikus03[03.Дек.2025]
МастерБаку[583]
Yulana34[177]
Serg74[160]
Dimitrius[129]
naves[122]
РОМУЛ[121]
bektyish[121]
madmac[116]
Алекс-200[114]
begun_a[112]