[ Новые сообщения · Участники · Правила форума · Поиск · RSS ]



  • Страница 1 из 1
  • 1
Модератор форума: dima_perikov, YRA46  
Стоматололгическая установка Anthos eco arianna venus
udotДата: Вторник, 03.Дек.2013, 10:47 | Сообщение # 1
Стажер
У вас сообщений: 10
стоматолог
OFFлайн
Российская Федерация

тюмень
есть установка Антос 96 года, появилась проблема с не срабатыванием клапанов, проблема периодическая.
Механика клапанов исправна, грешим на следующую проблему: на плату столика приходит напряжение DC и AC 24v
оно стабильное, не просаживается при нагрузках (срабатывании рукавов), а вот на катушку клапана приходит DC 21v
"слышно" что клапана зуммерят и видимо периодами клапана не срабатывают по этой причине, у нас имеется блок схема (во вложении), а вот электрической схемы нет, чтобы разобраться с проблемой. Может кто сталкивался с подобной проблемой? на плате столика нет никаких микросхем и стабилизаторов напряжения, есть несколько транзисторов, но они работают "на реле" на плате куча диодов и резисторов, но проблема с потерей напряжения общая, т.к. на всех катушках клапанов напряжение 21 вольт вместо 24.

на блок схеме клапана обозначены KEV 1234 (блок E12)
очень надеюсь на помощь!
Спасибо!
6182936.jpg (208.2 Kb)
 
ГайковертДата: Вторник, 03.Дек.2013, 11:42 | Сообщение # 2
Участник
У вас сообщений: 137
Инженер
OFFлайн
Российская Федерация

Москва
Цитата udot ()
"слышно" что клапана зуммерят

Похоже в блоке питания пробит диодный мост или конденсатор.
 
dantist34Дата: Вторник, 03.Дек.2013, 12:13 | Сообщение # 3
Участник
У вас сообщений: 180
инженер
OFFлайн
Российская Федерация

волгоград
udot, скорее всего подсох электролит конденсатор, замена. Схем не надеш по тому что cefla собирает установки а платы им делает ELKA соответственно при ремонте они обычно плату на новую меняют и все, сами платы не ремонтируют, либо ищи глазастого электронщика пусть прочтет печатку с зарисовками
 
udotДата: Вторник, 03.Дек.2013, 12:51 | Сообщение # 4
Стажер
У вас сообщений: 10
стоматолог
OFFлайн
Российская Федерация

тюмень
Гайковерт,
напряжение 24 вольта на плату попадает и не просаживается, оно теряется на плате, на катушку попадает 21 вольт, оттого и "зуммерит" клапан, не хватает магнитного поля, чтобы втянуть поршенёк, как мне кажется. Если бы был пробит диодный мост либо высох кондёр с годами, тогда бы на плату сразу приходило 21 вольт а там стабильные 24 вольта! а после платы в столике теряется где-то 3 вольта

dantist34,
печально что со схемами так( на плате в столике нет конденсаторов....

может ещё какие идеи будут?
на завод стоит писать? может пришлют тех доки хотя бы на нужный блок, всё таки не современная разработка, не думаю что до сих пор коммерческая тайна...
 
dantist34Дата: Вторник, 03.Дек.2013, 15:04 | Сообщение # 5
Участник
У вас сообщений: 180
инженер
OFFлайн
Российская Федерация

волгоград
udot, подожди я преставителю завода в России написал ждемс ответа, укажи точно модель год выпуска и серийный номер
 
udotДата: Вторник, 03.Дек.2013, 16:25 | Сообщение # 6
Стажер
У вас сообщений: 10
стоматолог
OFFлайн
Российская Федерация

тюмень
dantist34, точные данные смогу завтра сообщить, как на работе окажусь...
в любом случае спасибо за беспокойство!
 
goscha-belДата: Вторник, 03.Дек.2013, 20:07 | Сообщение # 7
У вас сообщений: 2303
Инженер сервисной службы
OFFлайн
Российская Федерация

Белгород
Цитата udot ()
после платы в столике теряется где-то 3 вольта

Это под нагрузкой, или инструмент на месте? И ещё пробегись" по плате относительно "-" и "+", где-то плохой контакт. Хотя на транзисторе, (даже открытом), должно же что-то падать. blush
 
madmacДата: Вторник, 03.Дек.2013, 20:10 | Сообщение # 8
У вас сообщений: 1293
стоматология и связанное с ней
OFFлайн
Российская Федерация

СПб
однако раритет. их выпускать перестали лет 15 назад.
 
goscha-belДата: Вторник, 03.Дек.2013, 20:16 | Сообщение # 9
У вас сообщений: 2303
Инженер сервисной службы
OFFлайн
Российская Федерация

Белгород
Цитата madmac ()
однако раритет

Тоже верно, обычно срок эксплуатации 10 лет, а потом НЕЛЬЗЯ, (или куча испытаний и проверок). ireful
 
Yulana34Дата: Вторник, 03.Дек.2013, 20:44 | Сообщение # 10
У вас сообщений: 2578
Электро-сантехник
OFFлайн
Российская Федерация

Волгоград
udot, Если клапана зуммерят и напряжение 21V вместо 24V, 100 процентов надо искать электролит потому, что если выпрямить переменку на каждом диоде падение примерно 0,7V, а электролит должен поднять примерно на холостом ходу в 1,3 раза. Это же основы электротехники. А итальянцы изверги, дали доступ к Штерну и Виктору, а Антос прикрыли.

Сообщение отредактировал Yulana34 - Вторник, 03.Дек.2013, 20:47
 
goscha-belДата: Вторник, 03.Дек.2013, 21:53 | Сообщение # 11
У вас сообщений: 2303
Инженер сервисной службы
OFFлайн
Российская Федерация

Белгород
Цитата Yulana34 ()
100 процентов надо искать электролит

udot Для поверки просто подцепи на входе 24В в плату хотя бы 200 мкф и всё сразу станет ясно. А потом уже спокойно выпаивать старый. bye2


Сообщение отредактировал goscha-bel - Вторник, 03.Дек.2013, 21:56
 
udotДата: Среда, 04.Дек.2013, 07:22 | Сообщение # 12
Стажер
У вас сообщений: 10
стоматолог
OFFлайн
Российская Федерация

тюмень
dantist34, точные данные на установку
Anthos ECOs
IMOLA Italy
Arianna №72170163

Yulana34, на основной плате в столике нет электролитов!!!
на катушках клапанов стоит обозначение DC 24v клапан рукава состоит из 3х, два на воздух и один на воду, притом управляются они по минусу, выводы катушек уходят куда-то к диодам на плате, на плату так же приходит и AC 24 с DC 24 у них общий ноль, это видно из блок схемы, возможно, что диоды как то подходят к переменным цепям ввода, возможно! поскольку схемы нет, это лишь предположение.

goscha-bel, я это пробовал самым первым делом) на деле вышло что клапан отключался с задержкой, но напряжение всё равно оставалось 21 вольт
Цитата
напряжение DC и AC 24v оно стабильное, не просаживается при нагрузках (срабатывании рукавов)
 
dantist34Дата: Среда, 04.Дек.2013, 08:27 | Сообщение # 13
Участник
У вас сообщений: 180
инженер
OFFлайн
Российская Федерация

волгоград
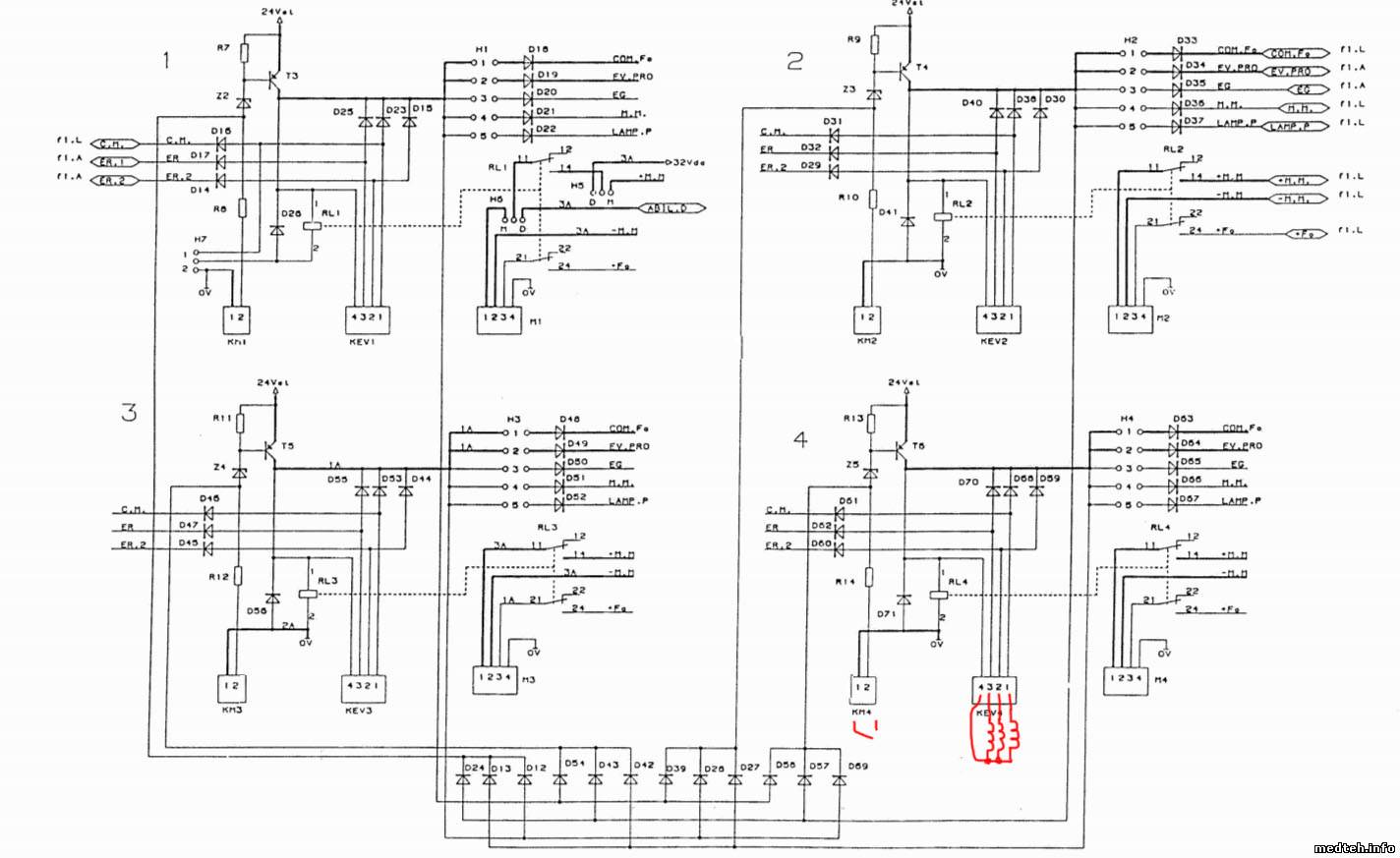
вот то что прислали надеюсь поможет
 
dantist34Дата: Среда, 04.Дек.2013, 08:29 | Сообщение # 14
Участник
У вас сообщений: 180
инженер
OFFлайн
Российская Федерация

волгоград
странно почему то не могу приложить файлы, дай почту
 
udotДата: Среда, 04.Дек.2013, 08:35 | Сообщение # 15
Стажер
У вас сообщений: 10
стоматолог
OFFлайн
Российская Федерация

тюмень
dantist34, 240dg@mail.ru
 
МастерБакуДата: Среда, 04.Дек.2013, 09:26 | Сообщение # 16
У вас сообщений: 11269
инженер
OFFлайн
Российская Федерация

Нижний Новгород
udot, проверь диоды , отсоединив соответствующий клапан . возможна утечка на одном из них . и диоды моста , отпаяв один конец.
 
dantist34Дата: Среда, 04.Дек.2013, 11:34 | Сообщение # 17
Участник
У вас сообщений: 180
инженер
OFFлайн
Российская Федерация

волгоград
выслал на почту смотри
 
udotДата: Среда, 04.Дек.2013, 12:46 | Сообщение # 18
Стажер
У вас сообщений: 10
стоматолог
OFFлайн
Российская Федерация

тюмень
dantist34, спасибо Вам огромное, схемы просто мега похожи на то что на плате, может различия и есть, но очень близко! Буду разбираться в проблеме, если решение найду, обязательно отпишусь!
 
goscha-belДата: Среда, 04.Дек.2013, 18:18 | Сообщение # 19
У вас сообщений: 2303
Инженер сервисной службы
OFFлайн
Российская Федерация

Белгород
Цитата udot ()
выводы катушек уходят куда-то к диодам на плат

По-моему они уходят к транзисторам, работающим в ключевом режиме, которые и "подключают" их к "-". Вот здесь и попробуй поискать "общую точку".
 
udotДата: Пятница, 06.Дек.2013, 16:15 | Сообщение # 20
Стажер
У вас сообщений: 10
стоматолог
OFFлайн
Российская Федерация

тюмень
изучал схему которую прислал dantist34, за что ему ещё раз спасибо и всем кто пытается помочь!
и вот что получается, включение "катушек" происходит ключами (отметил галочками) если я верно проследил, ER и CMэто контроль/активация клапанов воды и воздуха, (на схеме я нарисовал как катушки подключены) KM 1,2,3,4 это микрик на рукаве, он садит схему на землю, все диоды, стабилитроны и транзисторы на плате столика я проверил, они исправны, дорожки и места паек просмотрел, всё в порядке. Может както ключи не полностью открываются, хотя маловероятно...

у кого какие идеи?


2358896.jpg (131.2 Kb) · 2920533.jpg (161.5 Kb)
 
Yulana34Дата: Пятница, 06.Дек.2013, 17:35 | Сообщение # 21
У вас сообщений: 2578
Электро-сантехник
OFFлайн
Российская Федерация

Волгоград
udot, Ищи следующую схему откуда поступает 24V, она скорее всего где то в кресле недалеко от трансформатора. И там же должны быть электролиты и мост. Там же приходит постоянка а не переменка.
 
udotДата: Пятница, 06.Дек.2013, 17:51 | Сообщение # 22
Стажер
У вас сообщений: 10
стоматолог
OFFлайн
Российская Федерация

тюмень
Yulana34, 24 вольта приходит на плату столика! оно стабильное и не просаживается! при активации любого рукава
 
Yulana34Дата: Пятница, 06.Дек.2013, 18:02 | Сообщение # 23
У вас сообщений: 2578
Электро-сантехник
OFFлайн
Российская Федерация

Волгоград
udot, Посмотри падение напряжения на ключе эмитер-коллектор, падение не должно превышать 0.7V

Сообщение отредактировал Yulana34 - Пятница, 06.Дек.2013, 18:04
 
МастерБакуДата: Пятница, 06.Дек.2013, 20:15 | Сообщение # 24
У вас сообщений: 11269
инженер
OFFлайн
Российская Федерация

Нижний Новгород
Цитата Yulana34 ()
падение напряжения на ключе эмитер-коллектор
при активированном клапане.
 
goscha-belДата: Пятница, 06.Дек.2013, 20:45 | Сообщение # 25
У вас сообщений: 2303
Инженер сервисной службы
OFFлайн
Российская Федерация

Белгород
Цитата МастерБаку ()
при активированном клапане.

В противном случае там будет 24 В!
 
udotДата: Вторник, 10.Дек.2013, 09:09 | Сообщение # 26
Стажер
У вас сообщений: 10
стоматолог
OFFлайн
Российская Федерация

тюмень
Измерил напряжение коллектор-эмитер транзисторов на плате столика, напряжение при активации рукава 0,7 вольта
На разъёме К2 где приходят от ключевых транзисторов ER и CM , попробовал замкнуть на землю, тем самым имитировать работу ключа, замкнул CM сработал клапан подачи воздуха на турбину, напряжение поднялось до 22,3 вольта!, через ключ оно 21 вольт.Но эти 22,3 вольта достаточны ли будут? вот вопрос.... может сейчас неполное открывание ключей происходит и получается 21 вольт? Почему всё таки нет 24 вольт на катушке или после транзистора и диодов как раз 22,6 должно быть, 24-0,7-0,7 = 22,6 ? просто при ручной активации клапанов получаются цифры (22,3) близкие.....
 
Yulana34Дата: Вторник, 10.Дек.2013, 12:05 | Сообщение # 27
У вас сообщений: 2578
Электро-сантехник
OFFлайн
Российская Федерация

Волгоград
По идее клапан должен гарантированно срабатывать при напруге 24 минус 10%, то есть 21.6V. Посмотри осцилом может там переменка прет?

Сообщение отредактировал Yulana34 - Вторник, 10.Дек.2013, 12:06
 
goscha-belДата: Вторник, 10.Дек.2013, 19:48 | Сообщение # 28
У вас сообщений: 2303
Инженер сервисной службы
OFFлайн
Российская Федерация

Белгород
Цитата udot ()
напряжение при активации рукава 0,7 вольта

А при установке на место? Не забывай, что на одном из концов катушки клапана должно быть 24 В. Проверь!
 
udotДата: Среда, 11.Дек.2013, 10:47 | Сообщение # 29
Стажер
У вас сообщений: 10
стоматолог
OFFлайн
Российская Федерация

тюмень
goscha-bel,
Цитата
что на одном из концов катушки клапана должно быть 24 В. Проверь!


это напряжение есть!

может после ключа просто реле поставить, пусть ключ управляет реле, а реле в свою очередь клапанами, конечно это уже "городок" но зато напряжение будет близким к норме....
 
Yulana34Дата: Среда, 11.Дек.2013, 17:03 | Сообщение # 30
У вас сообщений: 2578
Электро-сантехник
OFFлайн
Российская Федерация

Волгоград
Цитата udot ()
может после ключа просто реле поставить

Это уже изобретение велосипеда, надо искать неисправность.
 
МастерБакуДата: Среда, 11.Дек.2013, 18:55 | Сообщение # 31
У вас сообщений: 11269
инженер
OFFлайн
Российская Федерация

Нижний Новгород
Цитата Yulana34 ()
надо искать неисправность.
открой регуляторы рабочего воздуха и выставь 2,5 под наконечником.
 
  • Страница 1 из 1
  • 1
Поиск:



Статистика Форума
Последние обновления тем: Новые файлы хранилища: Новые участники: Top10 участников:
1. Установка импульсная ...[юранак (13.Фев.2026)]
2. ИВЛ Hamilton C1 ф.Ham...[masloff (12.Фев.2026)]
3. Выбор принтера для ра...[seabee (12.Фев.2026)]
4. Sonoscanner Orcheo li...[Azatus7 (10.Фев.2026)]
5. рентген.аппарат Prote...[medplus (06.Фев.2026)]
6. ремонт спектрофотоме...[specordm (06.Фев.2026)]
7. Вошер PW-40 ф.Bio-Rad[zennka (06.Фев.2026)]
8. Медицинское лаборатор...[ruha (05.Фев.2026)]
9. MicroAire 5020 гаснет...[Sergei_m (04.Фев.2026)]
1. Apollo EZ service man...[25.Дек.2025]
2. VIVIX Setup Operation...[12.Окт.2025]
3. GenwareMP[10.Сен.2025]
4. Настройка реагентов M...[20.Авг.2025]
5. Philips HD3-EXP[13.Авг.2025]
6. Рентгеновское оборудо...[08.Авг.2025]
7. VersaMed iVent201 Сер...[13.Фев.2025]
8. Гелпик КРД Ренекс РЦ ...[09.Фев.2025]
9. Офтальмологическая ус...[31.Окт.2024]
10. Cardinal-Health-VELA-...[03.Окт.2024]
1. AndreiK[15.Фев.2026]
2. vladimir_r[13.Фев.2026]
3. vlknv[13.Фев.2026]
4. Ormet[13.Фев.2026]
5. Pyrkin_Vladislav[13.Фев.2026]
6. cassius77[13.Фев.2026]
7. Dadasha[12.Фев.2026]
8. Vadka1977[12.Фев.2026]
9. Igoda[12.Фев.2026]
10. svetla[12.Фев.2026]
МастерБаку[583]
Yulana34[177]
Serg74[160]
Dimitrius[129]
naves[122]
РОМУЛ[121]
bektyish[121]
madmac[116]
Алекс-200[114]
генаf[112]