[ Новые сообщения · Участники · Правила форума · Поиск · RSS ]



  • Страница 1 из 1
  • 1
Модератор форума: MIHS, STaras  
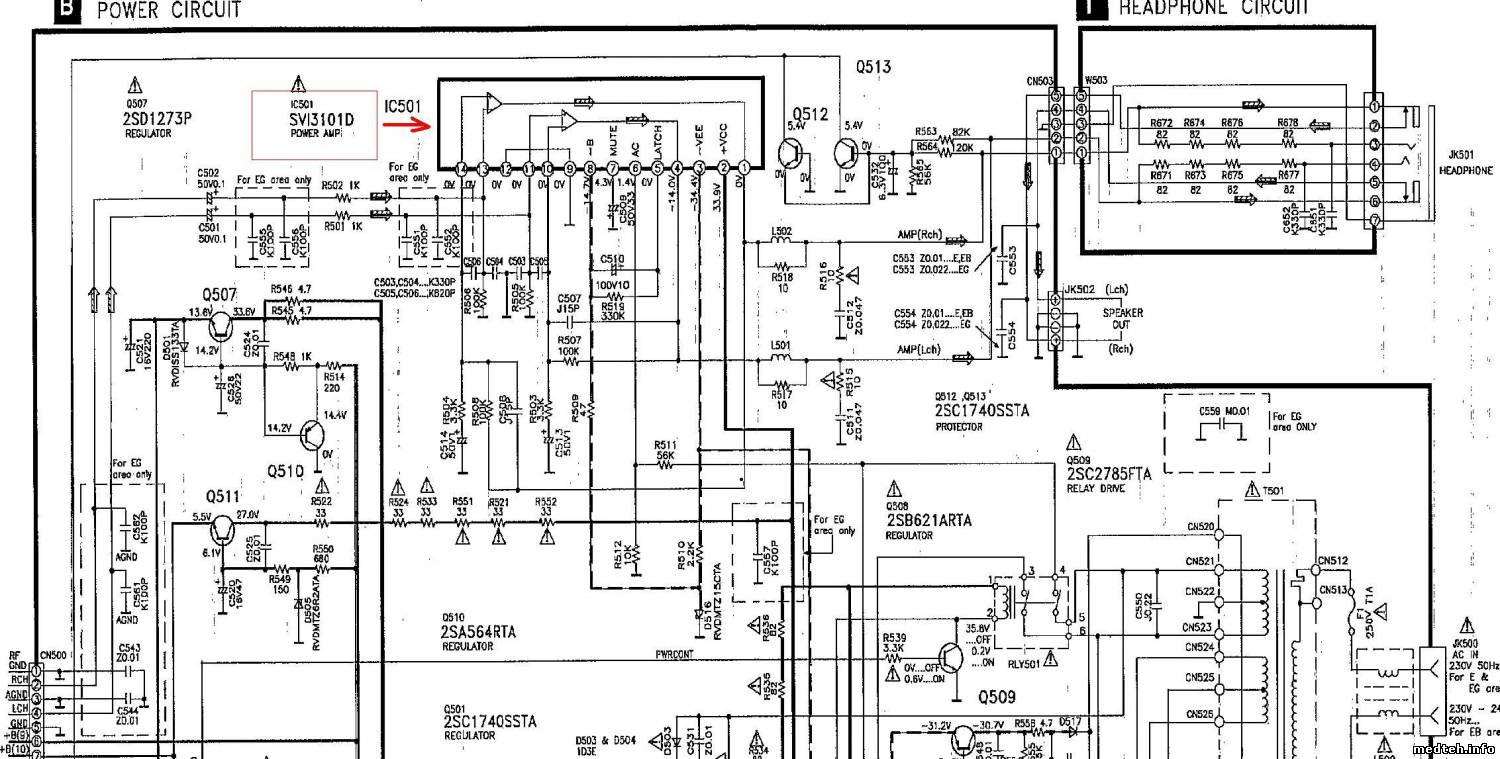
Микросхема SVI 3101
valeri-nemcovДата: Четверг, 18.Мар.2010, 11:49 | Сообщение # 1


Есть такая микросхема, а вот схемы подключения нет. Мож кто знает или у кого есть.
Буду признателен за инфу.


Сообщение отредактировал valeri-nemcov - Четверг, 18.Мар.2010, 11:49
 
STarasДата: Четверг, 18.Мар.2010, 16:58 | Сообщение # 2
инженер-электроакустика, ультразвук
OFFлайн
Украина

Ровно
Фоточку бы микросхемы с логотипчиком.

Чти вело свое – ибо не ты на нём едешь, но оно везёт тебя
 
STarasДата: Четверг, 18.Мар.2010, 17:02 | Сообщение # 3
инженер-электроакустика, ультразвук
OFFлайн
Украина

Ровно
Потому как SVI3101C - УНЧ - стоит в балалайке TECHNICS. И я знаю даже где живет йойная схема, ну а вдруг это не то, а что-то другое?

Чти вело свое – ибо не ты на нём едешь, но оно везёт тебя
 
creytДата: Четверг, 18.Мар.2010, 19:58 | Сообщение # 4
У вас сообщений: 546
техник
OFFлайн
Российская Федерация

Кузня
http://www.donberg.ie/descript/r/rsn_3502b.htm
http://www.datasheet4u.com/share_search.php?sWord=RSN3502


у меня все диоды болят
 
MIHSДата: Суббота, 20.Мар.2010, 22:10 | Сообщение # 5
не имею
OFFлайн
Российская Федерация

г.Арзамас
valeri-nemcov, микросхема просто есть или она стоит в каком то аппарате?

8515920.jpg (202.0 Kb)


*********
 
valeri-nemcovДата: Вторник, 23.Мар.2010, 12:50 | Сообщение # 6


MIHS, спасибо большое за схему, Просто у меня одна платка с этой микросхемой и куда какие питания подать теперь ясно.
 
  • Страница 1 из 1
  • 1
Поиск:



Статистика Форума
Последние обновления тем: Новые файлы хранилища: Новые участники: Top10 участников:
1. Замена светодиода на ...[Shturman (05.Дек.2025)]
2. Анализатор поля зрени...[SpirituS (04.Дек.2025)]
3. Программный комплекс ...[mqubali (04.Дек.2025)]
4. Кардиорегистратор «ИК...[albano18 (04.Дек.2025)]
5. Thermo Scientific gem...[viggen (03.Дек.2025)]
6. Центрифуга CM-6M ф.El...[Ningen64 (03.Дек.2025)]
7. Дефибриллятор Defi B ...[san-che30 (02.Дек.2025)]
8. Коллиматор Ralco R 22...[seeker (02.Дек.2025)]
9. КУПЛЮ/ПРИМУ в дар при...[seabee (02.Дек.2025)]
1. VIVIX Setup Operation...[12.Окт.2025]
2. GenwareMP[10.Сен.2025]
3. Настройка реагентов M...[20.Авг.2025]
4. Philips HD3-EXP[13.Авг.2025]
5. Рентгеновское оборудо...[08.Авг.2025]
6. VersaMed iVent201 Сер...[13.Фев.2025]
7. Гелпик КРД Ренекс РЦ ...[09.Фев.2025]
8. Офтальмологическая ус...[31.Окт.2024]
9. Cardinal-Health-VELA-...[03.Окт.2024]
10. Service Manual HAMILT...[02.Окт.2024]
1. zef1984[05.Дек.2025]
2. Dvish[05.Дек.2025]
3. Intellect[05.Дек.2025]
4. Romanivanov[05.Дек.2025]
5. igogoigogo[05.Дек.2025]
6. 1rishka[04.Дек.2025]
7. L_V_N[04.Дек.2025]
8. ИвановИИ[04.Дек.2025]
9. Alex_U[04.Дек.2025]
10. Yarikus03[03.Дек.2025]
МастерБаку[583]
Yulana34[177]
Serg74[160]
Dimitrius[129]
naves[122]
РОМУЛ[121]
bektyish[121]
madmac[116]
Алекс-200[114]
begun_a[112]