[ Новые сообщения · Участники · Правила форума · Поиск · RSS ]



  • Страница 1 из 1
  • 1
Модератор форума: YRA46  
Стерилизатор паровой Cliniklav 25 ф.Melag
wepppДата: Понедельник, 16.Май.2016, 12:57 | Сообщение # 1
Стажер
У вас сообщений: 36
медтехник
OFFлайн
Молдова

Кишинев
Здравствуйте!
Появилась такая проблема с ним что он не делает вакуум. Не проходит и вакуум-тест.
 
МастерБакуДата: Понедельник, 16.Май.2016, 14:51 | Сообщение # 2
У вас сообщений: 11269
инженер
OFFлайн
Российская Федерация

Нижний Новгород
там есть отдельный вакуум тест . запускайте и ищите . причин - куча.
 
travkinДата: Понедельник, 16.Май.2016, 15:29 | Сообщение # 3
Завсегдатай
У вас сообщений: 251
сервисный инженер по стерилизации
OFFлайн
Российская Федерация

Санкт-Петербург
weppp, если есть возможность, замерьте глубину вакуума вакуумметром (обратный манометр). Должно быть не менее -90 кПа. Если с насосом всё в порядке, то возможно где-то утечка. На других моделях стерилизаторов я подключаю вместо вакуумного насоса компрессор и в режиме вакуумного теста подаю в стерилизатор 2 атм. В месте, где есть утечка, будет шипеть.
 
МастерБакуДата: Понедельник, 16.Май.2016, 15:47 | Сообщение # 4
У вас сообщений: 11269
инженер
OFFлайн
Российская Федерация

Нижний Новгород
давление и вакуум по разному проявляются . nea
 
travkinДата: Вторник, 17.Май.2016, 11:08 | Сообщение # 5
Завсегдатай
У вас сообщений: 251
сервисный инженер по стерилизации
OFFлайн
Российская Федерация

Санкт-Петербург
Цитата МастерБаку ()
давление и вакуум по разному проявляются

в случае с небольшими утечками - да. Но тут, как я понял, вакуум даже не набирает необходимого значения, а значит утечка соизмерима с мощностью вакуумного насоса и, следовательно, относительно достаточно большая. Правда, есть вероятность, что это утечка из-под клапана, например, в виду его неработоспособности, и тогда такую утечку вышеуказанным методом не обнаружить. А вообще-то, я с подобными моделями MELAG пока не встречался, поэтому это всё чистая теория.
 
spynetДата: Вторник, 17.Май.2016, 20:52 | Сообщение # 6
Участник
У вас сообщений: 70
инженер
OFFлайн
Российская Федерация

Москва
weppp,
Убрать из стер.камеры все.
1. Запустить программу "Vacuum test" и посмотреть до какого значения опускается давление.
2. Если давление опускается до 80 mbar и вакуумный насос останавливается - утечка через уплотнительную резинку двери; утечка в соединениях и т.д.
3. Если давление не опускается до 80 mbar, но опускается ниже 300 mbar - нужно изменить параметр в "Service Program -> Pressures" значение P17 с 80 на максимальное откачиваемое давление + 20 mbar (но, что бы это значение не превышало 300 mbar) и повторно запустить программу "Vacuum test"
4. Если вакуум тест не пройден - тоже, что и в п. 2
5. если вакуум тест пройден - проблема в вакуумном насосе; проблема с подачей водопроводной воды и т.д.

В общем - надо более подробное описание проблемы. wink
 
wepppДата: Четверг, 19.Май.2016, 09:51 | Сообщение # 7
Стажер
У вас сообщений: 36
медтехник
OFFлайн
Молдова

Кишинев
А как заити в "Service Program -> Pressures"???
 
МастерБакуДата: Четверг, 19.Май.2016, 12:03 | Сообщение # 8
У вас сообщений: 11269
инженер
OFFлайн
Российская Федерация

Нижний Новгород
Цитата spynet ()
Запустить программу "Vacuum test"

weppp, зачем вам
Цитата weppp ()
"Service Program -> Pressures"
???
http://www.medenta.ru/medenta/support/doc/cliniklav_25.zip читайте . на русском. можете ещё почитать
http://www.medenta.ru/medenta/support/
[p.s.]всех тянет залезть поглубже на свою ж...
[/p.s.]


Сообщение отредактировал МастерБаку - Четверг, 19.Май.2016, 12:10
 
wepppДата: Четверг, 19.Май.2016, 13:01 | Сообщение # 9
Стажер
У вас сообщений: 36
медтехник
OFFлайн
Молдова

Кишинев
У кавота ести сервисная книшка?
.
Нам нужна сервисная книга чтобы зайти в сервисный меню в Service Program -> Pressures . А в пользовательной нету .Буду благодарен.
.
Цитата weppp ()
зачем ? ваши проблема решается без этого. включение вакуум теста описано в руководстве - читайте.
Цитата weppp ()
Здравствуйте! Появилась такая проблема с ним что не делает вакуум.Не проходит и вакуум тест .
 
МастерБакуДата: Пятница, 20.Май.2016, 15:12 | Сообщение # 10
У вас сообщений: 11269
инженер
OFFлайн
Российская Федерация

Нижний Новгород
weppp, займитесь чем нибудь другим . паровой стерилизатор - это сложно (пока, надеюсь(?),для вас).

Сообщение отредактировал МастерБаку - Пятница, 20.Май.2016, 15:14
 
wepppДата: Пятница, 15.Июл.2016, 13:45 | Сообщение # 11
Стажер
У вас сообщений: 36
медтехник
OFFлайн
Молдова

Кишинев
Стерилизатор починили!
 
doc-max9Дата: Пятница, 03.Фев.2017, 12:58 | Сообщение # 12
Заглянувший
У вас сообщений: 1
Руководитель компании по ремонту
OFFлайн
Российская Федерация

Москва
Здравствуйте Мастер.
Впервые столкнулись со стерилизатором Clinklav 25 от Melag. Можно ли получить у вас консультацию?
.
Собственно говоря вопрос такой: как сбросить циклы загрузки (информирующие о необходимости тех. обслуж.), не сбросив остальные настройки?
Спасибо.
 
wepppДата: Вторник, 25.Апр.2017, 15:47 | Сообщение # 13
Стажер
У вас сообщений: 36
медтехник
OFFлайн
Молдова

Кишинев
На сколько я помню эти циклы можно сбросить с сервис меню.
 
МастерБакуДата: Вторник, 25.Апр.2017, 22:27 | Сообщение # 14
У вас сообщений: 11269
инженер
OFFлайн
Российская Федерация

Нижний Новгород
можно , но надо хоть что-то сделать .
 
travkinДата: Среда, 26.Апр.2017, 11:11 | Сообщение # 15
Завсегдатай
У вас сообщений: 251
сервисный инженер по стерилизации
OFFлайн
Российская Федерация

Санкт-Петербург
Цитата МастерБаку ()
но надо хоть что-то сделать

Например провести ТО, которое предусмотрено производителем. Невыполнение этих действий в дальнейшем может привести к необходимости проведения более дорогостоящих ремонтных работ с заменой дорогостоящих и, зачастую, долго заказываемых запчастей.
 
levschaДата: Пятница, 10.Авг.2018, 14:11 | Сообщение # 16
У вас сообщений: 1440
стоматология
OFFлайн
Российская Федерация

Сочи(Адлер)
После запуска стерилизатора, через какое-то время включается помпа, слышен необычный звук, стерилизатор пишет: нет охлаждающей воды, хотя вода в помпу поступает, также отчетливо слышно, как в канализацию вытекает вода. При повторном запуске: ошибка 50 срабатывает предохранительный выключатель помпы. Судя по описанию ошибки, о кальцинировании, нужно разбирать помпу, если я правильно понимаю?
8896201.jpg (202.0 Kb)


Сообщение отредактировал levscha - Пятница, 10.Авг.2018, 14:12
 
spynetДата: Пятница, 10.Авг.2018, 18:28 | Сообщение # 17
Участник
У вас сообщений: 70
инженер
OFFлайн
Российская Федерация

Москва
Цитата levscha ()
ошибка 50


Сначала надо проверить предохранители.
Далее по проводам - проверить контакты и поступают ли 3 фазы на двигатель...
 
levschaДата: Понедельник, 13.Авг.2018, 12:58 | Сообщение # 18
У вас сообщений: 1440
стоматология
OFFлайн
Российская Федерация

Сочи(Адлер)
spynet, спасибо!
Действительно, сгорел один из предохранителей. Видимо, переработался и пора в отпуск, совсем вылетело из головы, что стерилизатор трехфазный blush Сам же читал в описании ошибки о проверке предохранителей ...
 
AsiKДата: Четверг, 27.Дек.2018, 11:05 | Сообщение # 19
Стажер
У вас сообщений: 5
Инженер-программист
OFFлайн
Российская Федерация

Грозный
Всем доброго дня!
Понимаю, что проблема тут обсуждается иная, но, тем не менее, прошу помощи начинающему инженеру.
Провой стерилизатор Сliniclave 25 от Melag, при выполнении программы, на первой фазе, выдаёт ошибку перегрева парогенератора. В камере (если после открыть) остается вода. При прохождении теста Bowie&Dick, на стадии первой фазы прерывается с 10 ошибкой - "парогенератор перегрет". При этом, на табло показания - 0.91 bar - 37 C.
Что предпринято: проверил правильность установки по горизонтали и предохранители. Насос подкачки воды во время первой фазы работает с периодичностью, давление не замерял, пока нет инструментов толком, но вода по магистрали бегает очевидно. Сеточки прочистил. Геркон замыкается во время работы насоса. Подскажите, пожалуйста, что ещё необходимо проверить и как?


Знание -сила!
 
MurishanДата: Четверг, 27.Дек.2018, 16:47 | Сообщение # 20
Участник
У вас сообщений: 102
инженер
OFFлайн
Российская Федерация

Москва
Один из термостатов с капиллярным датчиком срабатывает слишком рано. Можешь прозвонить и определить, какой именно.
03-01 регулирует уровень воды в парогенераторе, 03-02 - защитные. К сожалению, отдельно термостаты не меняются, они запаяны на корпус парогенератора. Так что придется менять парогенератор в сборе.
6547055.jpg (100.6 Kb)
 
AsiKДата: Четверг, 27.Дек.2018, 21:35 | Сообщение # 21
Стажер
У вас сообщений: 5
Инженер-программист
OFFлайн
Российская Федерация

Грозный
Спасибо.
Сразу при ошибке проверял датчики на разрыв. 03-01 был деформирован на постоянный контакт.
Выровнял. Без изменения. Завтра перепроверю все тщательней.
Можно поинтересоваться, в какой последовательности они выключаются-включаются, и при каких обстоятельствах? (Для ликбеза).
По моим данным замена парогенератора обходится в 120 000 рубликов, которых нет, и вот стараюсь ...


Знание -сила!

Сообщение отредактировал AsiK - Четверг, 27.Дек.2018, 21:47
 
MurishanДата: Пятница, 28.Дек.2018, 13:42 | Сообщение # 22
Участник
У вас сообщений: 102
инженер
OFFлайн
Российская Федерация

Москва
При размыкании 03-01 включается помпа, подающая воду в парогенератор. 03-02 в норме не должны размыкаться в процессе работы.
 
AsiKДата: Пятница, 28.Дек.2018, 13:47 | Сообщение # 23
Стажер
У вас сообщений: 5
Инженер-программист
OFFлайн
Российская Федерация

Грозный
А не подскажете функции 03-12 и 03-13

Знание -сила!
 
MurishanДата: Пятница, 28.Дек.2018, 15:15 | Сообщение # 24
Участник
У вас сообщений: 102
инженер
OFFлайн
Российская Федерация

Москва
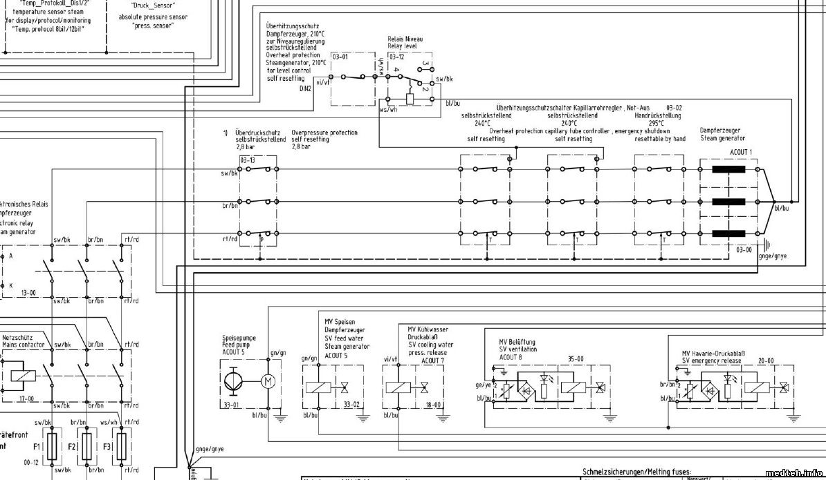
03-12 - реле уровня, включается последовательно с 03-01, срабатывает при размыкании первых двух термостатов 03-02, при этом включается подкачка воды, как и при срабатывании 03-01. Смотри приложенную схему.
03-13 - защита от превышения давления в парогенераторе.

Работает все это следующим образом: в норме за уровень воды в парогенераторе отвечает термостат 03-01, при его размыкании идет сигнал на цифровой вход DIN2, включается подкачка воды, нагрев ТЭНов при этом не отключается. При срабатывании любого из первых двух термостатов 03-02 размыкается реле 03-12, на цифровой вход DIN2 идет сигнал и включается подкачка воды, ТЭНы при этом отключены. Если в процессе выполнения программы 03-01 или 03-12 разомкнуты более 180 сек, стерилизатор выдаёт ошибку 10.
8684612.jpg (151.5 Kb)
 
levschaДата: Понедельник, 25.Мар.2019, 16:54 | Сообщение # 25
У вас сообщений: 1440
стоматология
OFFлайн
Российская Федерация

Сочи(Адлер)
Уважаемые коллеги, может кто поделится сервис-мануалом на Cliniklav 25, или может кто подскажет, как проще добраться до сетевого фильтра, он находиться между парогенератором и вакуумным насосом.
Судя по тому, что я вижу, придётся снимать дверь и переднюю панель, подгорел один из контактов, при работе стерилизатора периодически появляется горелый запах.
8803134.jpg (65.8 Kb)
 
MurishanДата: Вторник, 26.Мар.2019, 13:15 | Сообщение # 26
Участник
У вас сообщений: 102
инженер
OFFлайн
Российская Федерация

Москва
Проще всего снять вакуумный насос, он снимается за 5 минут. Дверь лучше оставь в покое, а то потом замучаешься ее регулировать.
 
levschaДата: Пятница, 29.Мар.2019, 17:41 | Сообщение # 27
У вас сообщений: 1440
стоматология
OFFлайн
Российская Федерация

Сочи(Адлер)
Спасибо Murishan.
Добрался до фильтра, снял насос, непонятно, вроде, немцы или я, что-то не понимаю. unknown Стоит сетевой фильтр 3Х15А, держатели предохранителей на 16А, а в держателях стоят предохранители 20А. shok
Поставщики зарядили за фильтр 36 т.р. ... Думаю искать аналог, например, такой https://komplekt-a.ru/items/FMAD-MRYB-2010.html
Может у кого есть какие идеи? ...
2267670.jpg (189.4 Kb)


Сообщение отредактировал levscha - Пятница, 29.Мар.2019, 22:31
 
MurishanДата: Понедельник, 01.Апр.2019, 10:28 | Сообщение # 28
Участник
У вас сообщений: 102
инженер
OFFлайн
Российская Федерация

Москва
Этот фильтр вполне подойдет. Можно поставить его или такой: https://www.chipdip.ru/product/dl-20ea3 или любой другой аналогичный. Предохранители на Cliniklav 25 действительно ставятся 20А. Держатели возможно неродные, возможно немцы накосячили.
 
smokesДата: Четверг, 06.Май.2021, 08:05 | Сообщение # 29
Стажер
У вас сообщений: 28
чиню-паяю
OFFлайн
Российская Федерация

за Мкадом...
Доброго всем дня.
Имеется стерилизатор Cliniklav 25 от Melag, 2016 г.в., дал трещину по шву в парогенераторе, по задней и левой стенке.
Может кто уже менял, подскажите каталожный номер, и может быть хоть какие-то его характеристики, для написания ТЗ ?
 
smokesДата: Пятница, 24.Июн.2022, 13:38 | Сообщение # 30
Стажер
У вас сообщений: 28
чиню-паяю
OFFлайн
Российская Федерация

за Мкадом...
Доброго всем дня.

Цитата smokes ()
Имеется стерилизатор Cliniklav 25 от Melag, 2016 г.в., дал трещину по шву в парогенераторе, по задней и левой стенке.
Может кто уже менял, подскажите каталожный номер, и может быть хоть какие-то его характеристики, для написания ТЗ ?
Имеется стерилизатор Cliniklav 25 от Melag, 2016 г.в., дал трещину по шву, по задней и левой стенке.
Какие возможны варианты решения?

Если заварить и опрессовать?
Нужны данные фирм, которые могут это сделать, и на это дать соответствующие документы.
 
Anakonda2aДата: Суббота, 25.Июн.2022, 10:36 | Сообщение # 31
Техник
У вас сообщений: 508
Инженер по Т.О. мед. техники
OFFлайн
Российская Федерация

Подольск
Цитата smokes ()
Если заварить и опрессовать?
Нужны данные фирм, которые могут это сделать, и на это дать соответствующие документы.
Фирма со всеми необходимыми разрешительными документами, плюс дефектоскопия шва, плюс гидроиспытания - практически равно стоимости нового.
Практика показала, что фирмы с разрешениями не желают выполнять данную работу официально, а неофициально вся ответственность ваша.

Сервис-центр Melag +7 (499) 704-25-05 service@upacom.ru - попробуйте сюда.
 
  • Страница 1 из 1
  • 1
Поиск:



Статистика Форума
Последние обновления тем: Новые файлы хранилища: Новые участники: Top10 участников:
1. Помощь в техобслужива...[dzyatel (29.Май.2026)]
2. Аппараты НЧ электроте...[aleksan (28.Май.2026)]
3. При операции с примен...[susel63 (28.Май.2026)]
4. Техническая поддержка...[UPZ (25.Май.2026)]
5. MOVIPLAN (УниКоРД-МТ)...[SpirituS (24.Май.2026)]
6. Аппарат магнитотерапе...[SpirituS (24.Май.2026)]
7. Стоматустановка K3 ф....[zizeroman (24.Май.2026)]
8. Анализатор гематологи...[fred1 (22.Май.2026)]
9. ЭХВЧ-400 ск-"Ник...[Olegosh (21.Май.2026)]
1. Apollo EZ service man...[25.Дек.2025]
2. VIVIX Setup Operation...[12.Окт.2025]
3. GenwareMP[10.Сен.2025]
4. Настройка реагентов M...[20.Авг.2025]
5. Philips HD3-EXP[13.Авг.2025]
6. Рентгеновское оборудо...[08.Авг.2025]
7. VersaMed iVent201 Сер...[13.Фев.2025]
8. Гелпик КРД Ренекс РЦ ...[09.Фев.2025]
9. Офтальмологическая ус...[31.Окт.2024]
10. Cardinal-Health-VELA-...[03.Окт.2024]
1. vapinic[29.Май.2026]
2. wenderer861[28.Май.2026]
3. karabas1167[28.Май.2026]
4. Paulus[28.Май.2026]
5. hismatulinaKsenia[28.Май.2026]
6. nefrid12[28.Май.2026]
7. roser362[27.Май.2026]
8. Romany4777[27.Май.2026]
9. RVA-59[27.Май.2026]
10. Dream_29[26.Май.2026]
МастерБаку[583]
Yulana34[177]
Serg74[160]
Dimitrius[129]
naves[122]
РОМУЛ[121]
bektyish[121]
madmac[116]
Алекс-200[114]
генаf[112]