[ Новые сообщения · Участники · Правила форума · Поиск · RSS ]



  • Страница 2 из 2
  • «
  • 1
  • 2
Модератор форума: YRA46  
Стерилизатор воздушный ГП-80 [МИЗ-МА] Белгород-Днестровский
DimitriusДата: Суббота, 31.Окт.2015, 22:50 | Сообщение # 41
У вас сообщений: 410
инженер
OFFлайн
Украина

Украина
anton26, это полное название - ММ-90-4, ПОЗИЦИЯ 40 ,

Cвет в конце туннеля бывает разный
 
anton26Дата: Воскресенье, 01.Ноя.2015, 06:49 | Сообщение # 42
Техник
У вас сообщений: 375
Инженер
OFFлайн
Российская Федерация

Красноярск
У нас было что-то из этого: http://aetz.ru/content/asinhronnye-yelektrodvigateli
 
DimitriusДата: Воскресенье, 01.Ноя.2015, 16:56 | Сообщение # 43
У вас сообщений: 410
инженер
OFFлайн
Украина

Украина
anton26, у Вас ранние выпуски завода, когда были остатки от советского. Сейчас такой двигатель редкость в Украине, того и перешли на украинский ММ90

Cвет в конце туннеля бывает разный
 
SeptДата: Среда, 16.Дек.2015, 01:48 | Сообщение # 44
OFFлайн
Украина

Житомир
Как вариант, ставлю трансформатор с первичкой на 110/220, двигатель включаю в среднюю точку 110в.
В первый раз с этим столкнулся лет пять назад. Еще можна обмотки последовательно,
с шунтированием пусковой обмотки конденсатором. Только емкость подбирать нужно,
ток потребления должен быть не более 0.5А.
Также ставил кулеры от компов, в рукоделии картинки есть.
Вращение против часовой стрелки, если смотреть на крыльчатку.
 
SeptДата: Пятница, 25.Дек.2015, 22:05 | Сообщение # 45
OFFлайн
Украина

Житомир
Вот, сегодня датчик менял. Двигатель третий год работает, без проблем.
4477089.jpg (96.7 Kb)
 
555alex55Дата: Среда, 07.Ноя.2018, 22:14 | Сообщение # 46
Стажер
У вас сообщений: 6
новичок
OFFлайн
Украина

Луг
Здравствуйте!Помогите пожалуйста!Медсестра жалуется ,что СТЕРИЛИЗАТОР якобы не нагревается до нужной t- индикаторные полоски еле потемнели.Дествительно в режиме "стерилизации" на индикаторе =180гр. ,а на ртутном =падает до 130-150.Подскажите где искать.Все вроде в норме -датчик, симистор,тен...
 
FlushДата: Среда, 07.Ноя.2018, 22:59 | Сообщение # 47
Стажер
У вас сообщений: 8
электронщик
OFFлайн
Российская Федерация

Краснодар
Сталкивался с той же самой проблемой. Тоже всё в порядке. Причину не нашёл ...

Да, и полоски в разных местах темнели по-разному.
 
DimitriusДата: Четверг, 08.Ноя.2018, 08:09 | Сообщение # 48
У вас сообщений: 410
инженер
OFFлайн
Украина

Украина
555alex55, Какой стерилизатор и год выпуска ? Проверьте контакты датчика температуры на колодке и разъём на плате управления. И как понять падает, опишите весь процесс с самого начала и когда наблюдается падение. Учитесь писать нормальным техническим языком а не как санитарка....

Cвет в конце туннеля бывает разный

Сообщение отредактировал Dimitrius - Четверг, 08.Ноя.2018, 08:13
 
DimitriusДата: Четверг, 08.Ноя.2018, 08:11 | Сообщение # 49
У вас сообщений: 410
инженер
OFFлайн
Украина

Украина
Flush, Тесты закладывают в стеклянные баночки? или прямо на инструмент или стенки? Если двигатель работает и конвекция есть то это проблема уплотнительной резинки в двери, лучше точно уточните где темнее и где светлее.

Cвет в конце туннеля бывает разный
 
555alex55Дата: Четверг, 08.Ноя.2018, 21:22 | Сообщение # 50
Стажер
У вас сообщений: 6
новичок
OFFлайн
Украина

Луг
Dimitrius, Спасибо .что откликнулись!Я человек новый в вашей профессии и пока еще трудно выговариваю СУХОЖАРОВЫЙШКАФ .Поэтому просьба сильно тапками не закидывать.Электроника,электрика,радиотехника изм. приборы -владеем.Работаю всего месяц оборудования разного куча.От предшественника ничего не осталось .Все,поплакался...
Сегодня почитал инструкцию и вскрыл стерилизатор.Двигатель сгоревший (давно).Т.е. перемешивания нет.Но как уверяют медики оно и так работало.Каждое утро они на каждую полку ставят пузырек с термобумажкой и проверяют работу.Вчера бумажки не потемнели.И так- поджал контакты.Сам датчик немного повернул чтоб он был ,как бы больше в камере, а не прижат к стенке.А сам аппарат 2008г.Весь цикл вроде отрабатывает нормально.Т=180 Вр.=60 мин.Идет нагрев до 180 .Контролирую градусником(15-20мин.).По инерции я так думаю Т. догоняет до 190г.Тут показания градусника и индикатора совпадают.Потом начинается "выдержка" и тут когда пошел отсчет назад от 60 мин .где то через 5-7 мин на градуснике видно что Т начинает падать а на индикаторе все те же 180. И так падает до 150 в режиме "выдержка".Вот так.
Да, в инстр. написано "После замены датчика необходимо с помощью контрольного термометра настроить показания дисплея блока. Регулировка показаний производится с помощью подстроечного резистора. Включив в режиме 180 градусов 60 минут, нужно дождаться пока на дисплее «выдержка» останется 30 минут до конца. Нужно выключить и сразу же включить стерилизатор. Через 20 секунд на дисплее «температура» будут показания".Подробней об этом можно.Подстроечный там единственный ,стоит на LM317.
2194423.jpg (79.9 Kb) · 1791008.jpg (165.1 Kb)
 
DimitriusДата: Вторник, 13.Ноя.2018, 21:41 | Сообщение # 51
У вас сообщений: 410
инженер
OFFлайн
Украина

Украина
555alex55, медиков гнать с таким подходом, по сути- установите двигатель и будет вам счастье. Без двигателя эти стерилизаторы не выдерживают требуемых параметров! Нет конвекции воздуха- нет равномерного распределения температуры и адекватности её поддержания! Суть такова -датчик находиться вверху над теном, тен греет -тёплый воздух куда поднимается?-вверх, соответственно когда центр остывает а вверху ещё горячо. Двигатель не так уж много стоит- ММ-90-4 и тем более под боком Частное Акционерное Общество Электродвигатель в Украине. Суть электроники такова что в режиме стерилизации она не показывает реальную температуру а лишь её поддерживает, а вот если датчик видит отклонения больше 10 градусов то срабатывает авария. Подстроечный резистор крутить только когда поставите двигатель!
п.с. для того что бы не пинали учитесь более технически описывать проблему, а прежде всего почитать паспорт и открыть крушку хоть для понимания про что речь


Cвет в конце туннеля бывает разный
 
555alex55Дата: Среда, 14.Ноя.2018, 20:55 | Сообщение # 52
Стажер
У вас сообщений: 6
новичок
OFFлайн
Украина

Луг
Dimitrius, Спасибо!Вопрос по двигателю.Нашел в других стерилизаторах сгоревшие движки.Болезнь? А не давно купили два новых шкафа.Какие движки не знаю еще.Но может что посоветуете что что бы не горели.
 
ПетровДата: Понедельник, 01.Июл.2019, 11:57 | Сообщение # 53
Участник
У вас сообщений: 91
инженер
OFFлайн
Российская Федерация

-
Развалился термопредохранитель у воздушного стерилизатора ГП-80 пр-ва МИЗ-МА, 2009 г/в.
Температура срабатывания 227 град. Предложений в инете пока не обнаружил.
Вопрос: где приобрести или чем заменить?
 
jawa-vovaДата: Вторник, 23.Июл.2019, 19:41 | Сообщение # 54
Заглянувший
У вас сообщений: 1
ремонтник
OFFлайн
Молдова

Бендеры
Доброго времени суток!
Делал ГП-80, умерла силовая плата.
заменил симистор BTA140 на BTA 40, оптосимистор. Запустилось, но температура перевалила за 180 градусов.
Больше не включал пока.
Может не закрываться симистор из-за замены? По параметрам, вроде - взаимозаменяемые...
с уважением, Владимир.
 
remontitorДата: Среда, 02.Окт.2019, 19:07 | Сообщение # 55
Стажер
У вас сообщений: 5
Устроился недавно
OFFлайн
Российская Федерация

Октябрьский р-он
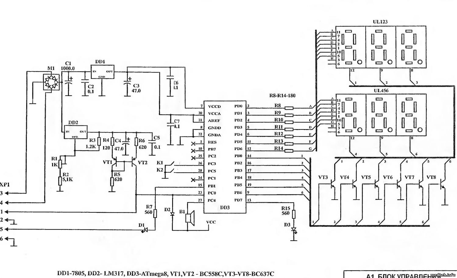
Ребята,при транспортировке разбили один индикатор этого шкафа (ГП-80-01),но он ИЖЦ ,марку которого я хотел-бы узнать.Сколько схем находил они все на светодиодных индикаторах.Очень поможете.

Лучше не болеть
 
remontitorДата: Среда, 02.Окт.2019, 19:09 | Сообщение # 56
Стажер
У вас сообщений: 5
Устроился недавно
OFFлайн
Российская Федерация

Октябрьский р-он
Петров, так на Алике столько барахла,можно там найти что-то подходяшее

Лучше не болеть
 
  • Страница 2 из 2
  • «
  • 1
  • 2
Поиск:



Статистика Форума
Последние обновления тем: Новые файлы хранилища: Новые участники: Top10 участников:
1. Анализатор поля зрени...[SpirituS (04.Дек.2025)]
2. Программный комплекс ...[mqubali (04.Дек.2025)]
3. Кардиорегистратор «ИК...[albano18 (04.Дек.2025)]
4. Thermo Scientific gem...[viggen (03.Дек.2025)]
5. Центрифуга CM-6M ф.El...[Ningen64 (03.Дек.2025)]
6. Дефибриллятор Defi B ...[san-che30 (02.Дек.2025)]
7. Коллиматор Ralco R 22...[seeker (02.Дек.2025)]
8. КУПЛЮ/ПРИМУ в дар при...[seabee (02.Дек.2025)]
9. Центрифуга MiniSpin P...[AntonioPetty (01.Дек.2025)]
1. VIVIX Setup Operation...[12.Окт.2025]
2. GenwareMP[10.Сен.2025]
3. Настройка реагентов M...[20.Авг.2025]
4. Philips HD3-EXP[13.Авг.2025]
5. Рентгеновское оборудо...[08.Авг.2025]
6. VersaMed iVent201 Сер...[13.Фев.2025]
7. Гелпик КРД Ренекс РЦ ...[09.Фев.2025]
8. Офтальмологическая ус...[31.Окт.2024]
9. Cardinal-Health-VELA-...[03.Окт.2024]
10. Service Manual HAMILT...[02.Окт.2024]
1. Dvish[05.Дек.2025]
2. Intellect[05.Дек.2025]
3. Romanivanov[05.Дек.2025]
4. igogoigogo[05.Дек.2025]
5. 1rishka[04.Дек.2025]
6. L_V_N[04.Дек.2025]
7. ИвановИИ[04.Дек.2025]
8. Alex_U[04.Дек.2025]
9. Yarikus03[03.Дек.2025]
10. EvaLen[03.Дек.2025]
МастерБаку[583]
Yulana34[177]
Serg74[160]
Dimitrius[129]
naves[122]
РОМУЛ[121]
bektyish[121]
madmac[116]
Алекс-200[114]
begun_a[112]