[ Новые сообщения · Участники · Правила форума · Поиск · RSS ]



  • Страница 1 из 1
  • 1
Модератор форума: YRA46  
Шкаф стерилизационный АС-80Ш2 1991 г/в
LexFrostДата: Пятница, 27.Авг.2010, 10:26 | Сообщение # 1
Стажер
У вас сообщений: 8
Инженер
OFFлайн
Украина

Херсон
Здравствуйте, у меня возникла проблема после замены термо датчика, шкаф перестал набирать нужную температуру. При установке режима 180 градусов набирает около 100. Датчик проверял на 180 градусах 3,3к. Шкаф пришел без схемы, еще и с переделками. Товарищи, есть ли у кого нибудь схема этого агрегата, помогите пожалуйста.
 
YRA46Дата: Пятница, 27.Авг.2010, 17:07 | Сообщение # 2
Стоматология, Стерилизация
OFFлайн
Российская Федерация

г. Курск
Quote (LexFrost)
Датчик проверял на 180 градусах 3,3к.
а еще были точно такие датчики тока на 10 кОм при 180 градусах. может в этом дело?
 
ZagudalinДата: Пятница, 27.Авг.2010, 17:36 | Сообщение # 3
У вас сообщений: 627
сервисный инженер
OFFлайн
Российская Федерация

Quote (LexFrost)
При установке режима 180 градусов набирает около 100. Датчик проверял на 180 градусах 3,3к

подцепи магазин сопротивлений за место датчика и посмотри скока надо кОм для 180 Гр, тогда можно будет решать тот датчик установлен или нет. Т.к. Юрий-46 прав они на 3.3 и на 10 есть

 
STarasДата: Суббота, 28.Авг.2010, 18:46 | Сообщение # 4
инженер-электроакустика, ультразвук
OFFлайн
Украина

Ровно
Quote (Zagudalin)
они на 3.3 и на 10 есть
- и на 4,7 и на 6,8 - какие дешевле, те и беру.
Quote (LexFrost)
после замены термо датчика
- по-любому надо настраивать, даже если датчик был бы такой же.


Чти вело свое – ибо не ты на нём едешь, но оно везёт тебя
 
ZagudalinДата: Суббота, 28.Авг.2010, 19:18 | Сообщение # 5
У вас сообщений: 627
сервисный инженер
OFFлайн
Российская Федерация

Quote (STaras)
- и на 4,7 и на 6,8 - какие дешевле, те и беру.

я про штатные которые мне попадались. а так их там десяток разновидностей вроде ст1-19

 
STarasДата: Суббота, 28.Авг.2010, 19:20 | Сообщение # 6
инженер-электроакустика, ультразвук
OFFлайн
Украина

Ровно
Quote (Zagudalin)
штатные которые мне попадались
- вот потому они в три раза дороже, а нештатные никто не берет - потому и подешевле.


Чти вело свое – ибо не ты на нём едешь, но оно везёт тебя
 
ZagudalinДата: Суббота, 28.Авг.2010, 20:52 | Сообщение # 7
У вас сообщений: 627
сервисный инженер
OFFлайн
Российская Федерация

STaras, никогда не пробовал ставить не штатные СТшки, переделка требуется или штатных подстроичников хватает?
 
STarasДата: Суббота, 28.Авг.2010, 21:16 | Сообщение # 8
инженер-электроакустика, ультразвук
OFFлайн
Украина

Ровно
Пока ни разу ничего не переделывал - хватает штатных, и то крутил чуть-чуть - по пару оборотов. Просто вместо 3,3 - 4,7 и 10 - 6,8
8720139.jpg (72.3 Kb)


Чти вело свое – ибо не ты на нём едешь, но оно везёт тебя
 
ZagudalinДата: Суббота, 28.Авг.2010, 22:36 | Сообщение # 9
У вас сообщений: 627
сервисный инженер
OFFлайн
Российская Федерация

STaras, спасиб. при случае попробую.
 
LexFrostДата: Вторник, 31.Авг.2010, 21:15 | Сообщение # 10
Стажер
У вас сообщений: 8
Инженер
OFFлайн
Украина

Херсон
Всем спасибо! Проблема решилась заменой датчика на 6,8 кОм, только теперь возникла другая проблема. Полностью отработав режим стерилизации, шкаф не выключается.
Звуковой сигнал об окончании времени стерилизации идет, а вот выключения нет. Как я говорил, плату уже переделывали, имеется множество порезанных дорожек. Такое ощущение, что схему максимально пытались упростить.
 
McSystemДата: Пятница, 02.Мар.2018, 12:35 | Сообщение # 11
Заглянувший
У вас сообщений: 1
Инженер-электронщик
OFFлайн
Украина

Николаев
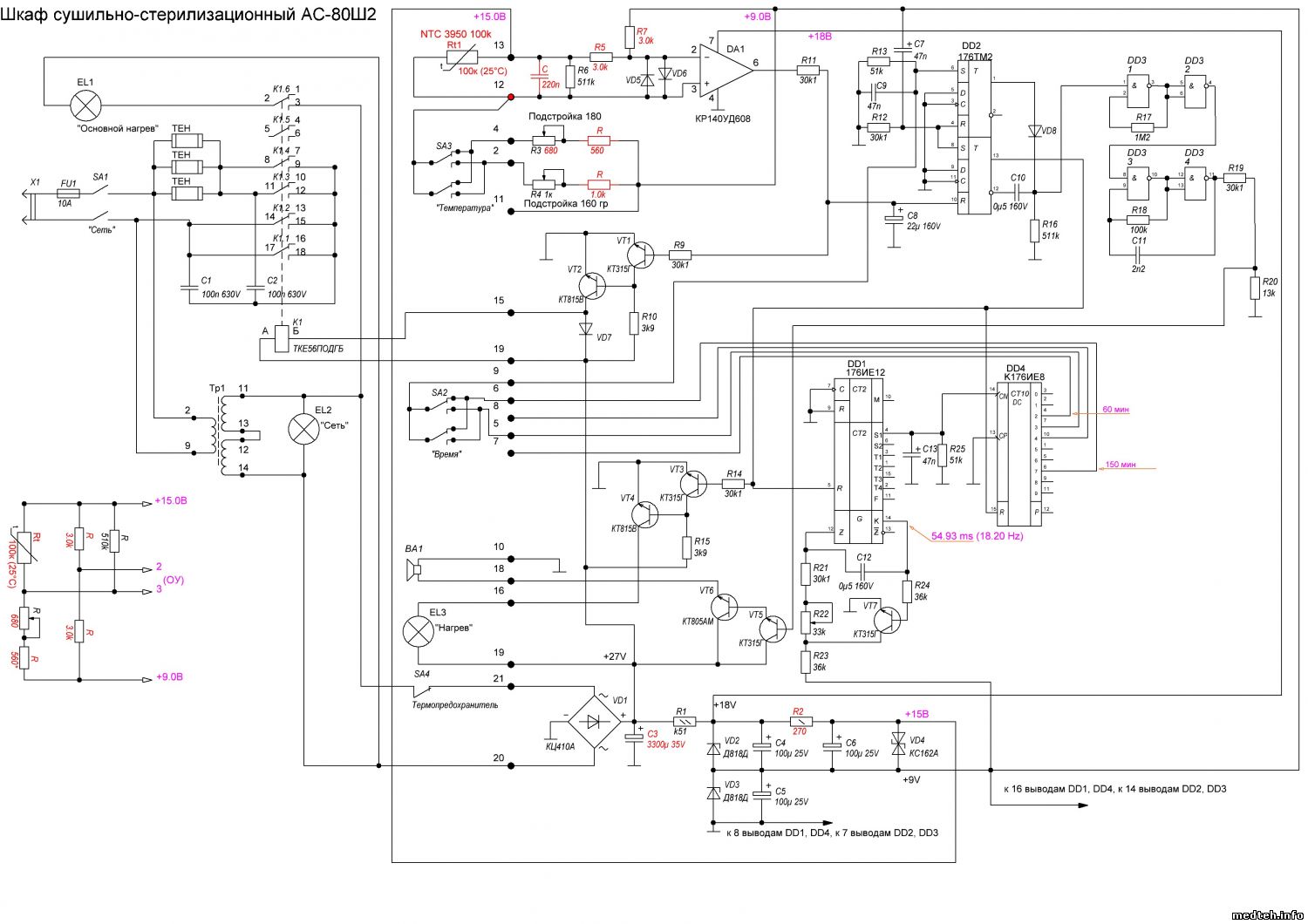
Здравствуйте, уважаемые форумчне!
Подскажите, пожалуйста, паспортные допуски и нормы для данного шкафа по температуре.
В идеале хотелось бы увидеть паспорт. Если есть ссылки или сканы - поделитесь, пожалуйста.
Столкнулся с данным шкафом. Год выпуска 1991. Не куроченный, но и не работает как должен. Попал он ко мне после "ремонта" с недопустимым
величинами поддержания температуры по режиму 180С. В реальности отключался при более чем 200С. Соответственно, был "завернут" метрологом.
Отремонтировал. И по сути, откалибровал.
Замена термодатчика на NTC 3950 (100k/25С), т.к оригинальный СТ1-17 6.8кОм в короткие сроки найти не удалось + небольшое внесение изменений в номиналы измерительного моста позволили получить достаточно плавную регулировку в диапазоне 175-195С и малый гистерезис - порядка 2С
Выставил:
- отключение нагрева +184,
- включение +182.
Держит стабильно!
Перерегулирование в плюс (набор температуры после отключения нагрева) на пустом шкафу до +188, а вот на загруженном до +196. Ниже 180 С температура не падает.
В принципе цифры вполне внятные и объяснимые, но хотелось бы увидеть, какие параметры заложил разработчик-производитель?
Потому как предстоит его аттестация метрологом :-(
Спасибо!
Фрагмент схемы с изменениями прикладываю

P.S Заодно подправил некоторые неточности в исходной схеме, размещенной в этой ветке,
а так же изменил ряд номиналов касательно измерительного моста и стабилизатора питания.
2957167.jpg (112.9 Kb) · 7143991.jpg (180.0 Kb)


Сообщение отредактировал McSystem - Пятница, 02.Мар.2018, 13:05
 
  • Страница 1 из 1
  • 1
Поиск:



Статистика Форума
Последние обновления тем: Новые файлы хранилища: Новые участники: Top10 участников:
1. Аппарат Luminos 2011 ...[Алекс-200 (13.Май.2026)]
2. УЗИ SonoAce X8 ф.Sams...[valentin17 (13.Май.2026)]
3. Анализатор гематологи...[Electronic_Arts (12.Май.2026)]
4. фотополимеризатор Eli...[bubaeshka (12.Май.2026)]
5. Elipar Freelight, пол...[bubaeshka (12.Май.2026)]
6. Двигатель компрессора...[ovg (12.Май.2026)]
7. Термопринтеры ф.SONY:...[Gerter (11.Май.2026)]
8. УВЧ-80 НОВОАН - ЭМА[Parkincjn (11.Май.2026)]
9. ЭХВЧ Е81М "Фотек...[павел22 (10.Май.2026)]
1. Apollo EZ service man...[25.Дек.2025]
2. VIVIX Setup Operation...[12.Окт.2025]
3. GenwareMP[10.Сен.2025]
4. Настройка реагентов M...[20.Авг.2025]
5. Philips HD3-EXP[13.Авг.2025]
6. Рентгеновское оборудо...[08.Авг.2025]
7. VersaMed iVent201 Сер...[13.Фев.2025]
8. Гелпик КРД Ренекс РЦ ...[09.Фев.2025]
9. Офтальмологическая ус...[31.Окт.2024]
10. Cardinal-Health-VELA-...[03.Окт.2024]
1. HomeLess_Fox[13.Май.2026]
2. patizann1983[13.Май.2026]
3. Адил[12.Май.2026]
4. sizovart[12.Май.2026]
5. vakuum[12.Май.2026]
6. Serge23[12.Май.2026]
7. vadimteh[11.Май.2026]
8. esin[10.Май.2026]
9. san396[10.Май.2026]
10. mariya__2016[08.Май.2026]
МастерБаку[583]
Yulana34[177]
Serg74[160]
Dimitrius[129]
naves[122]
РОМУЛ[121]
bektyish[121]
madmac[116]
Алекс-200[114]
генаf[112]