[ Новые сообщения · Участники · Правила форума · Поиск · RSS ]



  • Страница 1 из 1
  • 1
Модератор форума: YRA46  
Ультразвуковая мойка УВ-1 "Ультраэст" (UltraEST)
пряникДата: Четверг, 06.Янв.2011, 22:21 | Сообщение # 1
Стажер
У вас сообщений: 12
инженер электромеханик
OFFлайн
Российская Федерация

тута
НЕОБХОДИМА схема!
Попали на ремонт несколько УЗО марки УВ-1 "Ультраэст" (UltraEST). Причина: - попадание раствора внутрь, но хуже всего, кто-то уже пытался ремонтировать до меня, в итоге на платах нет отдельных радиодеталей и вся плата безобразно перепахана.
ОЧЕНЬ хотелось бы сделать, для поддержания афтаритету ...
Если у кого есть принципиалка, буду очень рад увидеть!
 
STarasДата: Пятница, 07.Янв.2011, 18:40 | Сообщение # 2
инженер-электроакустика, ультразвук
OFFлайн
Украина

Ровно
Quote (пряник)
несколько УЗО
- это сколько?

Quote (пряник)
вся плата безобразно перепахана
- во всех "несколько" одинаково?

Фотки можешь показать?


Чти вело свое – ибо не ты на нём едешь, но оно везёт тебя
 
пряникДата: Суббота, 08.Янв.2011, 00:20 | Сообщение # 3
Стажер
У вас сообщений: 12
инженер электромеханик
OFFлайн
Российская Федерация

тута
Несколько - это два штуки.
На обоих выпаяны одни и те же SMD элементы. Предполагаю активные: транзисторы или теристоры, стояли в цепи управления МС-драйвера IR2153, который качает пару IRF740, ну, а те кристалл тазика УЗО.
Фотки не помогут.
УВ-1 самый мелкий из этой серии, тазик на 150 мл, на вид весь аппарат чуть больше электрокофемолки.
Нужна схема или такой же, но живой, если возможно будет определить по коду тип SMD, что не всегда получается ...
 
STarasДата: Суббота, 08.Янв.2011, 10:15 | Сообщение # 4
инженер-электроакустика, ультразвук
OFFлайн
Украина

Ровно
Здесь смотрел:
http://pdf1.alldatasheet.com/datasheet-pdf/view/68074/IRF/IR2153.html

Но посмотрел бы ещё и эти:
IR2151(1) IR2152(1) IR2153(12) IR2154(1) IR2155(1) IR2156(4) IR2157(4) IR2159(15) IR21531


Чти вело свое – ибо не ты на нём едешь, но оно везёт тебя
 
пряникДата: Воскресенье, 09.Янв.2011, 16:40 | Сообщение # 5
Стажер
У вас сообщений: 12
инженер электромеханик
OFFлайн
Российская Федерация

тута
Спасибо, инфа по IR2153 у меня есть.
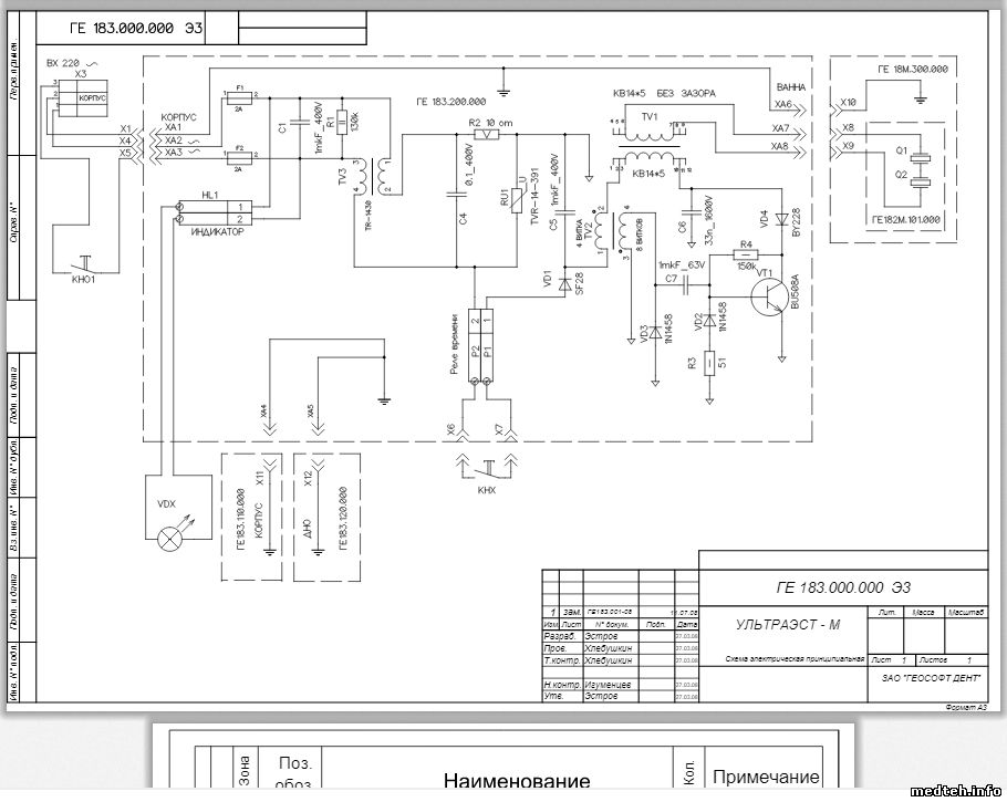
Схема управления работой УЗ генератора и трехминутный таймер времени обработки в этом УВ-1 реализованы на зашитой ATMEL Tiny13.
Плата хоть и не большая, но двухсторонняя, уж очень не охота снимать всё в ручную. Хотя, возможно всё лишнее вырубить и оставить в типовом включении, тогда человечку в белом придётся с часами в руках ждать аж три минуты пока идут водные процедуры ...
 
ustarДата: Вторник, 26.Мар.2013, 10:28 | Сообщение # 6
Завсегдатай
У вас сообщений: 278
Радиоинженер, ремонт медтехники
OFFлайн
Российская Федерация

деревня
Схему перерисовал с платы, если нужно, могу скинуть на почту.
Только у этих моек разные схемы под разный выпуск.
У меня тоже один на ремонте.
Если есть что сказать по ремонту - пишите.
 
генаfДата: Вторник, 26.Мар.2013, 13:08 | Сообщение # 7
У вас сообщений: 611
медтехникl
OFFлайн
Российская Федерация

Цитата ustar ()
Схему я перерисовал с платы
ustar, если можно поделится схемой, то можно мне в личку.
 
ustarДата: Четверг, 28.Мар.2013, 16:08 | Сообщение # 8
Завсегдатай
У вас сообщений: 278
Радиоинженер, ремонт медтехники
OFFлайн
Российская Федерация

деревня
Хорошо. Сюда тоже скину.
Там у них на УльтраЭСТ разные схемы. У меня 2-е было на ремонте.
 
ustarДата: Суббота, 30.Мар.2013, 12:57 | Сообщение # 9
Завсегдатай
У вас сообщений: 278
Радиоинженер, ремонт медтехники
OFFлайн
Российская Федерация

деревня
Извините за качество схемы.
У одних и тех же моек Ультра ЭСТ разные схемы. Если что-то интересует, могу получше перерисовать ...
.

Не могу сюда загрузить. Кому нужно отправлю ...
 
ganfaiter1Дата: Четверг, 09.Июн.2016, 11:22 | Сообщение # 10
Стажер
У вас сообщений: 6
инженер
OFFлайн
Российская Федерация

Ярославль
Добрый день.
Если можно скиньте схему в личку.
 
Fiksik33Дата: Пятница, 20.Авг.2021, 13:25 | Сообщение # 11
Стажер
У вас сообщений: 15
Все понемногу
OFFлайн
Российская Федерация

Г
Добрый день.
Кто может поделиться схемой на аппарат?
 
bektyishДата: Пятница, 20.Авг.2021, 19:21 | Сообщение # 12
У вас сообщений: 1876
Электромеханик по слаботочным сетям
OFFлайн
Российская Федерация

Дистрикт 74
"УльтраЭСТ М" 1. Ремонтная документация. Редакция 4. Архив https://docplayer.com/8705200....iv.html
2790008.jpg (89.5 Kb)


Сообщение отредактировал bektyish - Пятница, 20.Авг.2021, 19:24
 
Fiksik33Дата: Пятница, 27.Авг.2021, 18:10 | Сообщение # 13
Стажер
У вас сообщений: 15
Все понемногу
OFFлайн
Российская Федерация

Г
bektyish, спасибо, очень помогло.
Мойка по конструкции другая, но элементная база таже. Раствор на плату протёк - бахнуло, номиналы не разобрать было.
 
bektyishДата: Пятница, 27.Авг.2021, 20:21 | Сообщение # 14
У вас сообщений: 1876
Электромеханик по слаботочным сетям
OFFлайн
Российская Федерация

Дистрикт 74
для Спасибо кнопка есть good

Сообщение отредактировал bektyish - Пятница, 27.Авг.2021, 20:26
 
  • Страница 1 из 1
  • 1
Поиск:



Статистика Форума
Последние обновления тем: Новые файлы хранилища: Новые участники: Top10 участников:
1. УЗИ Aplio 500 ф.Toshi...[nav (05.Май.2026)]
2. Кардиограф MAC 2000[vladi (05.Май.2026)]
3. Автоматический СОЭ-ме...[Dissatisfied (05.Май.2026)]
4. Анализатор гематологи...[vvp (04.Май.2026)]
5. Концентратор кислород...[AlexanderRu (04.Май.2026)]
6. Урофлоуметр Koperniku...[5saleru (02.Май.2026)]
7. Chirana Cheese easy[seabee (30.Апр.2026)]
8. Монитор реанимационны...[Alex_UssR (28.Апр.2026)]
9. ПРОДАМ/ПОДАРЮ Б/У реа...[MEDNET (28.Апр.2026)]
1. Apollo EZ service man...[25.Дек.2025]
2. VIVIX Setup Operation...[12.Окт.2025]
3. GenwareMP[10.Сен.2025]
4. Настройка реагентов M...[20.Авг.2025]
5. Philips HD3-EXP[13.Авг.2025]
6. Рентгеновское оборудо...[08.Авг.2025]
7. VersaMed iVent201 Сер...[13.Фев.2025]
8. Гелпик КРД Ренекс РЦ ...[09.Фев.2025]
9. Офтальмологическая ус...[31.Окт.2024]
10. Cardinal-Health-VELA-...[03.Окт.2024]
1. Medicaparts[06.Май.2026]
2. medici[06.Май.2026]
3. Metallurg[06.Май.2026]
4. lerawave[05.Май.2026]
5. Сергей9791[05.Май.2026]
6. alrep[04.Май.2026]
7. Someone120[04.Май.2026]
8. alex09_03[04.Май.2026]
9. Swansea[03.Май.2026]
10. Misha-sh[03.Май.2026]
МастерБаку[583]
Yulana34[177]
Serg74[160]
Dimitrius[129]
naves[122]
РОМУЛ[121]
bektyish[121]
madmac[116]
Алекс-200[114]
генаf[112]