[ Новые сообщения · Участники · Правила форума · Поиск · RSS ]



  • Страница 1 из 3
  • 1
  • 2
  • 3
  • »
Модератор форума: YRA46  
Стерилизатор паровой комбинированный DAC UNIVERSAL ф.Sirona
ScreamerДата: Четверг, 12.Май.2011, 13:01 | Сообщение # 1
Стажер
У вас сообщений: 33
инженер-электронщик
OFFлайн
Российская Федерация

Moskow
Регистрационное удостоверение РЗН 2023/20138 от 21.04.2023 года на Стерилизатор паровой комбинированный DAC Universal для комплексной обработки стоматологических инструментов, варианты исполнения:
DAC Universal S;
DAC Universal D.
Производство немецкой компании Sirona Dental Systems GmbH (торговый бренд - "Sirona").


Регистрационное удостоверение ФСЗ 2011/09262 от 06.06.2016 (ранее от 05.03.2011 и 31.05.2012) года на Стерилизатор паровой комбинированный для комплексной обработки стоматологических наконечников DAC UNIVERSAL, производства немецкой компании SIRONA Dental Systems GmbH
(торговый бренд - "Sirona").


Универсальный комбинированный аппарат (паровой стерилизатор) DAC UNIVERSAL от фирмы Sirona Dental Systems GmbH, (бренд - "Sirona"), Германия, (непосредственный изготовитель паровых стерилизаторов серии DAC датская фирма Nitram Dental A/S с торговым брендом "Nitram", являющаяся отделением фирмы "SIRONA"), предназначен для очистки, обработки маслом и паровой стерилизации стоматологических прямых и угловых наконечников, пневмомоторов и насадок, стерилизация которых производится паровым методом.
Противопоказания: стерилизатор DAC UNIVERSAL не предназначен для стерилизации инструментов, жидкостей, салфеток, биомедицинских отходов и иных материалов.
 
ScreamerДата: Четверг, 12.Май.2011, 16:13 | Сообщение # 2
Стажер
У вас сообщений: 33
инженер-электронщик
OFFлайн
Российская Федерация

Moskow
Проблема, коллеги, в следующем: стерилизаторы пролежали на складе лет эдак 5. Возникла в них необходимость, и мы эти коробочки вскрыли. Всё, естественно, подсоединили (воздух, вода, флакон с маслом, слив в резервуар), результат: - не выходят паровые стерилизаторы на нагрев. На дисплее ошибка 74. Нагрев происходит очень медленно и не достигает требуемого уровня для повышения давления в стерилизационной камере.

Он начинает цикл и до нагрева работает ОК, всё отображается на дисплее (каждая фаза цикла), и как только доходит до нагрева предварит.107 град выдаёт - ERR 74. Думали с аппаратом что-то. Поставили, подключили второй - таже хрень ...

Помогите разобраться, если кто сталкивался с подобной проблемой.
С ув. Scr
 
bigДата: Четверг, 12.Май.2011, 17:56 | Сообщение # 3
Техник
У вас сообщений: 1155
инженер
OFFлайн
Российская Федерация

Москва
А мероприятия, отмеченные в инструкции http://www.expo-dent.com/uploads/DAC%202000%20universal.pdf, выполнены?
Цитата: "Температура, необходимая для создания давления в стерилизационной камере, поднимается слишком медленно ®:
- При низком уровне воды долейте её до нормального уровня ®
- Прочистите или замените фильтр ®
- Проверьте, не заблокирован ли дренажный шланг и нет ли на нём разрывов (Помните: все шланги должны быть изготовлены из теплоустойчивых материалов, например, из тефлона) ®
- Если сливной резервуар переполнен, опорожните его ®
- Если паровой стерилизатор установлен в холодное место, переместите его и обеспечьте, чтобы он всегда находился при нормальной комнатной температуре ®
- Нажмите кнопку "С" для возврата в исходное состояние и перезапустите цикл стерилизации ®
- Свяжитесь, пожалуйста, со своим поставщиком."
 
ScreamerДата: Понедельник, 16.Май.2011, 08:36 | Сообщение # 4
Стажер
У вас сообщений: 33
инженер-электронщик
OFFлайн
Российская Федерация

Moskow
Проверьте:
- не заблокирован ли дренажный шланг и нет ли на нём разрывов (Помните: все шланги должны быть изготовлены из теплоустойчивых
материалов, например, из тефлона) ®
- если сливной резервуар переполнен, опорожните его ®

При подключении стерилизатора мы тефлоновый дренажный шланг
просто вставили в мойку, может это не правильно? Может нужен резервуар какой-то? Не о нём ли речь - сливной резервуар именуемый. Он в аппарате внури стоит, или отдельно должен стоять? В инструкции про это не упоминается.
 
bigДата: Понедельник, 16.Май.2011, 13:01 | Сообщение # 5
Техник
У вас сообщений: 1155
инженер
OFFлайн
Российская Федерация

Москва
Цитата из инструкции:
"Проверьте, не заблокирован ли дренажный шланг ...
Если сливной резервуар переполнен, опорожните его."
Предполагаю, здесь говорится о том, что для нормального протекания процесса на линии сброса не должно быть противодавления.
 
ScreamerДата: Вторник, 17.Май.2011, 10:40 | Сообщение # 6
Стажер
У вас сообщений: 33
инженер-электронщик
OFFлайн
Российская Федерация

Moskow
Так вот, ларчик просто открылся. Когда разобрали - ужаснулись.
За свои года работы приходилось вскрывать разной сложности аппараты, но такое удалось увидеть впервые - очень-очень всё компактно собрано. "Напичкано" так, что подступиться к чему-либо проблематично.
При внимательном визуальном осмотре неисправность обнаружили. Под стерилизац. камерой проходит много тефлоновых шлангов, которые буквально сдавили шланг подачи воды, идущий на помпу подкачки воды в парогенератор. Этот шланг пристёгнут креплением к днищу аппарата и перегнулся в этом месте. Сейчас с нагревом всё ОК, так другая ошибка появилась: - ERR 66 - завышена температура при стерилизации (138-139) в камере, вместо 134.
В общем, будем смотреть, искать дальше ...
С ув. Scr.
 
vadmorozДата: Вторник, 17.Май.2011, 15:33 | Сообщение # 7
Участник
У вас сообщений: 217
медтехник
OFFлайн
Российская Федерация

У меня в инструкции: EER-66 - "Необходимая температура стерилизации достигается слишком медленно - добавьте воду".
 
starmehhДата: Среда, 27.Апр.2016, 15:46 | Сообщение # 8
Стажер
У вас сообщений: 21
инженер
OFFлайн
Эстония

Нарва
Здравствуйте ув. коллеги.
Проблема в следующем: утром, при первом включении парового стерилизатора, выдаёт ошибку 75 (необходимая температура стерилизации была достигнута недостаточно быстро), в дальнейшем весь день работает нормально. На следующее утро опять ошибка.
Вода, слив - всё в норме, программа не меняется, персоонал тоже.
 
МастерБакуДата: Среда, 27.Апр.2016, 21:14 | Сообщение # 9
У вас сообщений: 11269
инженер
OFFлайн
Российская Федерация

Нижний Новгород
Запустите цикл через 30 минут после включения.
 
starmehhДата: Среда, 27.Апр.2016, 22:12 | Сообщение # 10
Стажер
У вас сообщений: 21
инженер
OFFлайн
Эстония

Нарва
Запускал и через 30 минут, и через 1 час - не помогает ...
 
ГайковертДата: Четверг, 28.Апр.2016, 10:06 | Сообщение # 11
Участник
У вас сообщений: 137
Инженер
OFFлайн
Российская Федерация

Москва
Проверь клапана 6, 7, 8, 9 и парогенератор.
Из трубки сброса не травит? ...
Набор температуры долго ли происходит после включения?...
 
starmehhДата: Четверг, 28.Апр.2016, 16:40 | Сообщение # 12
Стажер
У вас сообщений: 21
инженер
OFFлайн
Эстония

Нарва
Из трубки сброса в нужное время не травит. После включения нагрев до готовности, минут за 5-8.
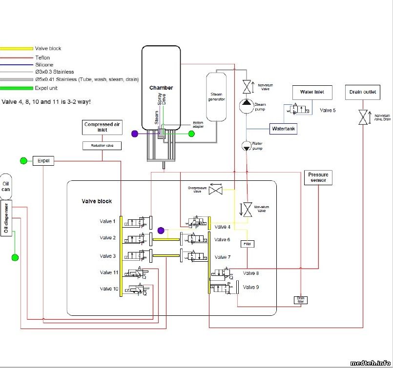
Хотелось бы понять, где клапана 6, 7, 8, 9. Они на блоке так же как и на схеме, нет ли схемы-фото с номерами.
 
madmacДата: Четверг, 28.Апр.2016, 23:52 | Сообщение # 13
У вас сообщений: 1293
стоматология и связанное с ней
OFFлайн
Российская Федерация

СПб
starmehh, можно зайти в настройки пункт “Ambient Sensitivity” и поднять цифирьку, по умолчанию установлено 1, поставить 2 или 3. Если не сработает, см. клапана, помпу парогенератора, сам парогенератор.
Клапана без схемы смотреть муторно (но она есть blush ), помпа должна качать хорошей струёй, парогенератор легко проверяется только на чистоту канала воды шприцем.
Был случай, что глючило датчик температуры парогенератора. Сначала 75 выскакивала, потом при нагреве после включения процент готовности сначала рос до 85-90%, потом начинал снижаться.
1087549.jpg (30.0 Kb)


Сообщение отредактировал madmac - Пятница, 29.Апр.2016, 00:02
 
МастерБакуДата: Пятница, 29.Апр.2016, 08:28 | Сообщение # 14
У вас сообщений: 11269
инженер
OFFлайн
Российская Федерация

Нижний Новгород
11 клапанов?! shok
 
madmacДата: Пятница, 29.Апр.2016, 08:52 | Сообщение # 15
У вас сообщений: 1293
стоматология и связанное с ней
OFFлайн
Российская Федерация

СПб
Цитата МастерБаку ()
11 клапанов?!

Ага.
 
starmehhДата: Понедельник, 02.Май.2016, 08:26 | Сообщение # 16
Стажер
У вас сообщений: 21
инженер
OFFлайн
Эстония

Нарва
madmac, за схему огромное спасибо.
Адаптацию к окружающей среде делал, не помогло. Клапанов 11, пятый на входе воды.
Надо смотреть клапана.
 
madmacДата: Понедельник, 02.Май.2016, 15:49 | Сообщение # 17
У вас сообщений: 1293
стоматология и связанное с ней
OFFлайн
Российская Федерация

СПб
Цитата starmehh ()
пятый на входе воды
Он, скорее всего, и не используется.
На схеме (внизу) клапана расположены не географически, а функционально, по каналам.
Может быть по 75-ой ошибке:
- клапан 7 - разбухает резинка на плунжере. Менять или канцелярским ножом срезать 0,3 мм;
- клапан 6, 8, 9 - там только замена. 8, кроме того, ещё и перепускной, сброс давления и отвод на датчик давления;
- проверить парогенератор на проходимость шприцем. Усилие должно быть немногим больше, чем просто воду из шприца выдавливать. некоторые пытаются промывать лимонной кислотой. Иногда удачно;
- проверить помпу парогенератора - должна идти хорошая такая струя, примерно на полметра плюется;
- проверить обратный клапан помпы - латунная хрень на выходе помпы.
Хорошо бы ещё дядьку с ноутом и сервисной программой подключить к аппарату на посмотреть режимы ...
Свяжись со Смайлом в Москве, у них есть Андрис Кронберг с европаспортом.
7521740.jpg (100.5 Kb)


Сообщение отредактировал madmac - Понедельник, 02.Май.2016, 15:50
 
МастерБакуДата: Понедельник, 02.Май.2016, 16:12 | Сообщение # 18
У вас сообщений: 11269
инженер
OFFлайн
Российская Федерация

Нижний Новгород
Цитата madmac ()
канцелярским ножом срезать 0,3 мм.
Очень невыполнимо nea
Легче зажать в патрон дрели и алмазным полировочным диском на дремеле, оба включить и торцануть.
 
madmacДата: Понедельник, 02.Май.2016, 16:47 | Сообщение # 19
У вас сообщений: 1293
стоматология и связанное с ней
OFFлайн
Российская Федерация

СПб
Цитата МастерБаку ()
Очень невыполнимо
Ну, я же выполняю. Причём, не ювелир ни разу.

Цитата МастерБаку ()
Легче зажать в патрон дрели и алмазным полировочным диском на дремеле, оба включить и торцануть.
Не соглашусь в включением обоих. Увереннее будет плунжер в дрель или патрон станка и контролируемым неподвижным инструментом торцевать. Только резина там мягковата. Не факт, что аккуратно получится.
 
arl2020Дата: Понедельник, 09.Май.2016, 23:06 | Сообщение # 20
Стажер
У вас сообщений: 14
учусь
OFFлайн
Российская Федерация

Север
DAC UNIVERSAL Sirona, как зайти в инженерное меню? Или сбросить сообщение о том, что нужно провести сервис, а именно (каждые 2-а года или каждые 3000 циклов)?
 
starmehhДата: Вторник, 10.Май.2016, 07:55 | Сообщение # 21
Стажер
У вас сообщений: 21
инженер
OFFлайн
Эстония

Нарва
Перебрал клапана 6, 7, 8, 9. Заменил резинки и уплотнения. Проверил обратный клапан на помпе парогенератора - работает. Ничего не помогло.
Как проверить насос на парогенераторе, ну, то есть как запустить и сколько должен качать в единицу времени.
 
МастерБакуДата: Вторник, 10.Май.2016, 08:45 | Сообщение # 22
У вас сообщений: 11269
инженер
OFFлайн
Российская Федерация

Нижний Новгород
Цитата arl2020 ()
сбросить сообщение о том, что нужно провести сервис
это не ремонт - это вредительство!

Цитата madmac ()
резина там мягковата, не факт, что аккуратно получится.
вот , а если алмазным диском , во встречном вращении - то идеально . попробуй.

Цитата madmac ()
или патрон станка
что с собой таскать будешь ?

.
Цитата starmehh ()
Как проверить насос на парогенераторе,
автономно подключить к питанию ,

Цитата starmehh ()
сколько должен качать в единицу времени
там главное - давление , более 2.5 атм. можно измерить.


Сообщение отредактировал МастерБаку - Вторник, 10.Май.2016, 08:46
 
arl2020Дата: Вторник, 10.Май.2016, 10:52 | Сообщение # 23
Стажер
У вас сообщений: 14
учусь
OFFлайн
Российская Федерация

Север
Цитата МастерБаку ()
это не ремонт - это вредительство !
Да как бы всё нормально работает, просто им редко пользовались
 
ГайковертДата: Вторник, 10.Май.2016, 11:17 | Сообщение # 24
Участник
У вас сообщений: 137
Инженер
OFFлайн
Российская Федерация

Москва
Цитата arl2020 ()
как зайти в инженерное меню
Через сервисную программу.

Цитата starmehh ()
Ничего не помогло. Как проверить насос на парогенераторе, ну, то есть как запустить и сколько должен качать в единицу времени.
Лучше пусть специально обученный специалист посмотрит, а то даже имея сервисную прогу натворят такого, что ремонт встанет в бооольшую сумму.


Сообщение отредактировал Гайковерт - Вторник, 10.Май.2016, 11:18
 
madmacДата: Вторник, 10.Май.2016, 11:52 | Сообщение # 25
У вас сообщений: 1293
стоматология и связанное с ней
OFFлайн
Российская Федерация

СПб
Цитата starmehh ()
Как проверить насос на парогенераторе, ну, то есть как запустить и сколько должен качать в единицу времени.
Цитата madmac ()
Свяжись со Смайлом в Москве, у них есть Андрис Кронберг с европаспортом.

У кого хоть покупали?
Продавец обязан отвечать.

Прежде чем советовать, посмотрите тему про гарантийные условия и гарантийные обязательства! ...
 
starmehhДата: Вторник, 16.Авг.2016, 11:41 | Сообщение # 26
Стажер
У вас сообщений: 21
инженер
OFFлайн
Эстония

Нарва
Закрою свой вопрос отчётом.
В середине мая продавец забрал аппарат и, имея прямую связь с производителем, пытался устранить дефект. Что они делали не знаю, но ничего не помогло. Тогда производитель прислал новую версию ПО и проблема пропала. В конце июня вернули аппарат, в июле кабинет был в отпуске, сейчас работает.
Прошелся по меню, никаких видимых изменений не заметил. Изменилась информация на распечатке, стал печатать все предварительные циклы, до обновления печатал только циклы стерилизации.
 
alexjdaiДата: Среда, 25.Окт.2017, 19:43 | Сообщение # 27
Стажер
У вас сообщений: 7
инженер
OFFлайн
Российская Федерация

Москва
Dac universal - ремонтирую всё!
Даже платы с заменой процессора и драйверы моторов и клапанов!
Прошиваю двумя доступными только на заводе методами!
Реанимирую самые запущенные случаи и неисправности.
Есть Софт!
У кого есть вопросы, пишите в личку.


Сообщение отредактировал alexjdai - Среда, 25.Окт.2017, 19:47
 
GGV49Дата: Вторник, 23.Янв.2018, 22:15 | Сообщение # 28
Участник
У вас сообщений: 53
начинающий инженер
OFFлайн
Российская Федерация

Петрозаводск
Здравствуйте.
Никак не получается найти сервисную документацию на данный аппарат. Помогите, пожалуйста, с решением данной проблемки.
Почта: germak@mk-service.pro
 
madmacДата: Суббота, 03.Фев.2018, 23:52 | Сообщение # 29
У вас сообщений: 1293
стоматология и связанное с ней
OFFлайн
Российская Федерация

СПб
Цитата GGV49 ()
Никак не получается найти сервисную документацию на данный аппарат.

Так у Вас там целый дилер есть. "Кармед" называется. Или они поклали "метизное изделие"?
 
DrakulaДата: Воскресенье, 11.Ноя.2018, 23:56 | Сообщение # 30
Заглянувший
У вас сообщений: 2
Техник
OFFлайн
Российская Федерация

Санкт-Петербург
alexjdai, скиньте телефон в личку
 
CrantYДата: Пятница, 18.Янв.2019, 10:50 | Сообщение # 31
Стажер
У вас сообщений: 6
Стоматология
OFFлайн
Российская Федерация

Кострома
Добрый день!
А как в целом аппарат? Стоящая ли вещь?
.
Заинтересовал данный универсальный комбинированный паровой стерилизатор. Кто пользуется, поделитесь впечатлениями ...
Стоит ли покупать? Какие недостатки, на сколько привередлив, насколько надёжен и ремонтопригоден ...
Заранее спасибо!
 
madmacДата: Среда, 23.Янв.2019, 19:48 | Сообщение # 32
У вас сообщений: 1293
стоматология и связанное с ней
OFFлайн
Российская Федерация

СПб
Там всё просто: если наконечники после каждого пациента загружать, то имеет смысл. Раз в день - не имеет смысла.
Качество дистиллята, электричества, воздуха важны. Качество голов, рук и связи между ними у персонала вообще бесценно.
А так первое но: нет вакуума. Вынул инструменты, в бокс и на приём.
С ремонтом тоже неоднозначно, людей, которые реально могут с DACом дело иметь, немного. Запчасти в офисе Сироны в Москве и мало-мало у дилеров. И то не у всех. Жадничают.
 
iShumДата: Вторник, 31.Мар.2020, 09:53 | Сообщение # 33
Стажер
У вас сообщений: 27
Инженер
OFFлайн
Российская Федерация

Тюмень
Добрый день, коллеги!
Подскажите: DAC пишет - низкий уровень масла. Надо менять датчик масла? Или его можно делать ?


Сообщение отредактировал iShum - Вторник, 31.Мар.2020, 09:54
 
bektyishДата: Вторник, 31.Мар.2020, 10:06 | Сообщение # 34
У вас сообщений: 1876
Электромеханик по слаботочным сетям
OFFлайн
Российская Федерация

Дистрикт 74
Бутылку с маслом необходимо заменить, когда на дисплее появится сообщение "Low oil", либо если появится
сообщение об ошибке: "EEОR 81". Сообщение: "Error 81" можно квитировать нажатием на кнопку "C". Индикация
"Low oil" исчезнет автоматически после установки новой бутылки с маслом.
http://mskkazan.ru/upload....%20.pdf
 
iShumДата: Вторник, 31.Мар.2020, 10:10 | Сообщение # 35
Стажер
У вас сообщений: 27
Инженер
OFFлайн
Российская Федерация

Тюмень
Масло стоит. Датчик не реагирует. Не могу понять принцип его работы. Они его вклеили. Вырывать пока жалко.
Может кто уже сталкавался с такой проблемой.
 
ГайковертДата: Вторник, 31.Мар.2020, 16:52 | Сообщение # 36
Участник
У вас сообщений: 137
Инженер
OFFлайн
Российская Федерация

Москва
Для начала выполнить проверку подачи масла вручную. См. инструкцию по эксплуатации. Возможно датчик завоздушен.

Сообщение отредактировал Гайковерт - Вторник, 31.Мар.2020, 17:45
 
starmehhДата: Среда, 01.Апр.2020, 14:12 | Сообщение # 37
Стажер
У вас сообщений: 21
инженер
OFFлайн
Эстония

Нарва
Первое, проверь до конца ли вкрутили балон с маслом.
Второе, прогони масло до появления в камере.
.
Вопрос: что означают цифры после проведения Flush test, у меня пишет 2.80, 2.78.
 
ГайковертДата: Среда, 01.Апр.2020, 16:16 | Сообщение # 38
Участник
У вас сообщений: 137
Инженер
OFFлайн
Российская Федерация

Москва
Цитата starmehh ()
Вопрос: что означают цифры после проведения Flush test, у меня пишет 2.80, 2.78

Этот тест - контроль потока воздуха. Цифры показывают время, за которое достигнуто определенное давление в камере.
Если цифры не укладываются в определенный промежуток, то появляется ошибка, связанная с датчиком давлением воздуха в камере.
 
starmehhДата: Четверг, 02.Апр.2020, 14:11 | Сообщение # 39
Стажер
У вас сообщений: 21
инженер
OFFлайн
Эстония

Нарва
А какой он этот определенный промежуток в цифрах. Я так полагаю, мин. не интересен, а вот максимальное время?
 
iShumДата: Пятница, 03.Апр.2020, 07:38 | Сообщение # 40
Стажер
У вас сообщений: 27
Инженер
OFFлайн
Российская Федерация

Тюмень
Цитата Гайковерт ()
Для начала выполнить проверку подачи масла вручную. См. инструкцию по эксплуатации. Возможно датчик завоздушен.
Я убрал баллон с маслом и масло залил непосредственно во входной цилиндр. Ну, чтобы визуально видеть. Датчик не имеет доступа к маслу. Он приклеен снаружи цилиндра под баллоном. Наверное, он работает на ультразвуке. В масле одно время прохождения волны, без масла другое.
У меня с маслом проблема решилась. Не тут прошивку залил. Мне подсказали, я перезалил нормальную прошивку и всё - аппарат масло увидел.
Но сейчас ещё одна проблема: цикл запускаю. Всё идёт штатно. Никаких отклонений. Но вместо сообщения: "Цикл завершен успешно", выдаёт: "Error 26". А такая ошибка вообще нигде не описана.
 
  • Страница 1 из 3
  • 1
  • 2
  • 3
  • »
Поиск:



Статистика Форума
Последние обновления тем: Новые файлы хранилища: Новые участники: Top10 участников:
1. Анализатор поля зрени...[SpirituS (04.Дек.2025)]
2. Программный комплекс ...[mqubali (04.Дек.2025)]
3. Кардиорегистратор «ИК...[albano18 (04.Дек.2025)]
4. Thermo Scientific gem...[viggen (03.Дек.2025)]
5. Центрифуга CM-6M ф.El...[Ningen64 (03.Дек.2025)]
6. Дефибриллятор Defi B ...[san-che30 (02.Дек.2025)]
7. Коллиматор Ralco R 22...[seeker (02.Дек.2025)]
8. КУПЛЮ/ПРИМУ в дар при...[seabee (02.Дек.2025)]
9. Центрифуга MiniSpin P...[AntonioPetty (01.Дек.2025)]
1. VIVIX Setup Operation...[12.Окт.2025]
2. GenwareMP[10.Сен.2025]
3. Настройка реагентов M...[20.Авг.2025]
4. Philips HD3-EXP[13.Авг.2025]
5. Рентгеновское оборудо...[08.Авг.2025]
6. VersaMed iVent201 Сер...[13.Фев.2025]
7. Гелпик КРД Ренекс РЦ ...[09.Фев.2025]
8. Офтальмологическая ус...[31.Окт.2024]
9. Cardinal-Health-VELA-...[03.Окт.2024]
10. Service Manual HAMILT...[02.Окт.2024]
1. igogoigogo[05.Дек.2025]
2. 1rishka[04.Дек.2025]
3. L_V_N[04.Дек.2025]
4. ИвановИИ[04.Дек.2025]
5. Alex_U[04.Дек.2025]
6. Yarikus03[03.Дек.2025]
7. EvaLen[03.Дек.2025]
8. dankurets[03.Дек.2025]
9. Velis1566[03.Дек.2025]
10. xloaders[03.Дек.2025]
МастерБаку[583]
Yulana34[177]
Serg74[160]
Dimitrius[129]
naves[122]
РОМУЛ[121]
bektyish[121]
madmac[116]
Алекс-200[114]
begun_a[112]