[ Новые сообщения · Участники · Правила форума · Поиск · RSS ]



  • Страница 1 из 1
  • 1
Модератор форума: YRA46  
Сухожар АС-80Ш2
alexis30564Дата: Понедельник, 30.Май.2011, 23:02 | Сообщение # 1
У вас сообщений: 148
OFFлайн
Украина

После переезда в другое помещение начался частый дребезг реле комутирующего ТЭНы. Температуру держит хорошо, но нервирует персонал. Сдвиг температурной точки на пару градусов вверх результата не дал, простукивание элементов схемы-тоже.
Очень нужна схема.


Сообщение отредактировал alexis30564 - Вторник, 31.Май.2011, 08:30
 
nik_nikДата: Вторник, 31.Май.2011, 12:24 | Сообщение # 2
У вас сообщений: 202
инженер по ремонту
OFFлайн
Российская Федерация

Приморский кр.
Схемы нет, но если есть реле, то не замыкается блок- контакт. Удачи!
 
vadmorozДата: Вторник, 31.Май.2011, 16:32 | Сообщение # 3
Участник
У вас сообщений: 217
медтехник
OFFлайн
Российская Федерация

Попробуй замени реле

Сообщение отредактировал vadmoroz - Вторник, 31.Май.2011, 16:32
 
alexis30564Дата: Вторник, 31.Май.2011, 22:46 | Сообщение # 4
У вас сообщений: 148
OFFлайн
Украина

За советы спасибо, но вот заменить реле -еще большая проблемма , чем схема.Да и нужно ли менять именно реле?
Ведь простукивание не спровоцировало ложных срабатываний. Да и трещит оно не все время, 5-10 срабытываний , потом все же включается. А что если это датчик или цепь управления ? Вот тут то без схемы никак!


Сообщение отредактировал alexis30564 - Вторник, 31.Май.2011, 22:49
 
STarasДата: Вторник, 31.Май.2011, 23:03 | Сообщение # 5
инженер-электроакустика, ультразвук
OFFлайн
Украина

Ровно
alexis30564, посмотри схемы старинной аппаратуры - ШСС-80, ТС-80, ТС-80М - как там включены реле.
 
babysh-mДата: Среда, 01.Июн.2011, 06:20 | Сообщение # 6
сервисный инженер
OFFлайн
Российская Федерация

Екатеринбург
alexis30564, Выложи фотографии "потрохов" шкафчика. Очень похоже на отсутствие демпфирования сигнала с датчика температуры.
 
alexis30564Дата: Среда, 01.Июн.2011, 20:56 | Сообщение # 7
У вас сообщений: 148
OFFлайн
Украина

Всем спасибо. ШСС-80 и ТС-80 , это из другой оперы.В первом управление через термометр+усилитель для реле, Во втором 4 платы, датчик+оптотиристоры.Здесь моноплата на микросхемах, датчик, реле, ТЕНы. Конечно и транзисторы и ИС везде работают по одному принципу , но ориентироваться на такое сходство....
Фото выложить не имею возможности.
Так что пока спасибо. По свободе будем дерзать.

babysh-m --под демпфированием ты вероятно имел ввиду дифференцирование сигнала на входе ИС с помощью конденсатора, или что ?


Сообщение отредактировал alexis30564 - Среда, 01.Июн.2011, 20:59
 
STarasДата: Среда, 01.Июн.2011, 22:41 | Сообщение # 8
инженер-электроакустика, ультразвук
OFFлайн
Украина

Ровно
Quote (STaras)
ШСС-80, ТС-80, ТС-80М - как там включены реле
- я о включении самого реле - диодики там, электролитики - создающие некий гистерезис.
Quote (alexis30564)
термометр+усилитель для реле, Во втором 4 платы, датчик+оптотиристоры.Здесь моноплата на микросхемах, датчик, реле, ТЕНы
- а это я не имел ввиду
 
STarasДата: Среда, 01.Июн.2011, 22:46 | Сообщение # 9
инженер-электроакустика, ультразвук
OFFлайн
Украина

Ровно
Вот, например, проблема решена за счет инерционности накала кенотрона. И ведь красиво решена - 50 лет работает, и никакого тебе дребезга.
34-__.pdf (406.3 Kb)
 
alexis30564Дата: Среда, 01.Июн.2011, 23:09 | Сообщение # 10
У вас сообщений: 148
OFFлайн
Украина

Спасибо, идея хороша , хоть и не нова. Есть и другие варианты. Важно разобраться куда это воткнуть.Проблемма еще в том что шкаф в работе у стоматологов каждый день, а не у меня в ремонте.Те. сделать все нужно будет за пару часов. А там надо расшивать жгуты , срисовывать схему.
Тем не менее благодарен.


Сообщение отредактировал alexis30564 - Среда, 01.Июн.2011, 23:09
 
STarasДата: Среда, 01.Июн.2011, 23:17 | Сообщение # 11
инженер-электроакустика, ультразвук
OFFлайн
Украина

Ровно
Quote (alexis30564)
Есть и другие варианты
да, есть. Вот еще:

И не надо расшивать жгуты - все цепляется к релюхе.
59-_-16251-95.pdf (206.8 Kb)
 
SeptДата: Четверг, 02.Июн.2011, 00:40 | Сообщение # 12
OFFлайн
Украина

Житомир
Quote (alexis30564)
это из другой оперы.В первом управление через термометр+усилитель для реле, Во втором

Как у тебя включено реле? Что используеться как датчик, термометр, биметалл..... ? Что стоит между датчиком и реле?
 
alexis30564Дата: Четверг, 02.Июн.2011, 19:44 | Сообщение # 13
У вас сообщений: 148
OFFлайн
Украина

STaras спасибо.
Sept а как я без схемы скажу что к чему и как подключено? Термометра нет, так что датчик(а он где то под внутренним кожухом)-или терпопара, или термистор. Имеется плата с ИС и прочей электроникой, на ней два подстроечника.Одним пользовался-увеличивал температуру.
Вчера собрал у них новую УФ камеру для хранения инструмента,теперь можно разгрузить и ковырять шкаф.
Возникла мысль проверить электролиты, если высохли-возможен и дребезг, т.е. неустойчивое срабатывание.
Завтра и займусь.


Сообщение отредактировал alexis30564 - Четверг, 02.Июн.2011, 19:45
 
babysh-mДата: Четверг, 02.Июн.2011, 21:57 | Сообщение # 14
сервисный инженер
OFFлайн
Российская Федерация

Екатеринбург
Quote (alexis30564)
под демпфированием ты вероятно имел ввиду
Демпфирование - сглаживание, в нашем случае интегрирование или гистерезис.
 
SeptДата: Четверг, 02.Июн.2011, 22:58 | Сообщение # 15
OFFлайн
Украина

Житомир
Quote (alexis30564)
Имеется плата с ИС и прочей электроникой,

Вот, теперь мы знаем что у тебя в шкафу. Разве трудно было описать схему в самом начале?
То что тебе советовали до этого не имеет смысла. Плохо что ты не можешь выложить его портрет.
Если на нем есть китайский клавишный выключатель с подсветкой, сразу менять. Обязательно проверь
электролиты а лучше поменяй. Если ничего не изменится тогда нужно садится на катушку реле или на базу
транзистора, ослом например и смотреть.
 
alexis30564Дата: Четверг, 02.Июн.2011, 23:03 | Сообщение # 16
У вас сообщений: 148
OFFлайн
Украина

Sept Спасибо, завтра проверю. А китаезы там нет, это ШСС еще советских времен , или чуть помоложе.
 
SeptДата: Четверг, 02.Июн.2011, 23:12 | Сообщение # 17
OFFлайн
Украина

Житомир
И еще чуть не забыл, был у меня один случай на ШСС-80. Тоже тарахтел. Оказался плохой контакт в розетке и при включении
ТЭНов, в схеме шкафа была такая просадка что не хватало напряжения для реле. А контрольные лампочки, по которым
эту просадку было б видно, кто то выкрутил. biggrin
 
alexis30564Дата: Воскресенье, 05.Июн.2011, 20:58 | Сообщение # 18
У вас сообщений: 148
OFFлайн
Украина

Sept и остальные коллеги, спасибо за желание помочь. Проблемма решена. Подвысохли электролиты вот и дребезжал. Теперь порядок.
Тема закрыта.
 
veveeleДата: Среда, 28.Янв.2015, 13:08 | Сообщение # 19
Участник
У вас сообщений: 123
инженер
OFFлайн
Украина

Луцк
Прошу помощи. Может кто знает кокой датчик стоит в АС-80Ш2?. Отгнил полностью. Поставил СТ1-19 3,3 кОм, набирает только 85 гр. при крайнем положении подстроечного резистора.
[p.s.]А может схема у кого есть?
 
bektyishДата: Среда, 28.Янв.2015, 14:53 | Сообщение # 20
У вас сообщений: 1876
Электромеханик по слаботочным сетям
OFFлайн
Российская Федерация

Дистрикт 74
veveele, http://www.medteh.info/forum/55-1734-1

Сообщение отредактировал bektyish - Среда, 28.Янв.2015, 14:54
 
veveeleДата: Среда, 28.Янв.2015, 15:46 | Сообщение # 21
Участник
У вас сообщений: 123
инженер
OFFлайн
Украина

Луцк
bektyish, Большое спасибо. Так, как СТ-1-19 на 6,8 кОм у меня нет, то последовательно с датчиком (СТ-1-19 3,3кОм) поставил сопротивление 6,2 кОм. Шкаф заработал.
 
bektyishДата: Среда, 28.Янв.2015, 17:42 | Сообщение # 22
У вас сообщений: 1876
Электромеханик по слаботочным сетям
OFFлайн
Российская Федерация

Дистрикт 74
я ни причём - смотри на форуме и в хранилище , а ссылку мене Гугл дал . Ещё неплохо знать завод производитель - некоторые схемы на своём сайте выкладывают ,в открытом доступе
 
veveeleДата: Среда, 28.Янв.2015, 18:18 | Сообщение # 23
Участник
У вас сообщений: 123
инженер
OFFлайн
Украина

Луцк
bektyish, поиск на форуме мне эту тему не показал! не знаю почему.
2799337.jpg (328.4 Kb)
 
bektyishДата: Среда, 28.Янв.2015, 19:00 | Сообщение # 24
У вас сообщений: 1876
Электромеханик по слаботочным сетям
OFFлайн
Российская Федерация

Дистрикт 74
Шкаф стерилизационный АС-80Ш2 - вставь это
 
veveeleДата: Среда, 28.Янв.2015, 20:05 | Сообщение # 25
Участник
У вас сообщений: 123
инженер
OFFлайн
Украина

Луцк
Гугл нашел.
А на этом сайте только вот эти две темы.

Стерилизатор АС-80Ш2 1975г выпуска
Еще эксплуатируем динозавров. Нужна схема (для регулировки времени экспозиции).
Форум » Схемы » Что ищем? - 2013-11-26 05:08:21

Сухожар АС-80Ш2
Quote STaras ШСС 80, ТС 80, ТС 80М как там включены реле я о включении самого реле диодики там, ...
Форум » Медицинское оборудование (тех. разделы) » Стерилизационное оборудование - 2013-11-26 05:08:21
 
bektyishДата: Среда, 28.Янв.2015, 22:22 | Сообщение # 26
У вас сообщений: 1876
Электромеханик по слаботочным сетям
OFFлайн
Российская Федерация

Дистрикт 74
посмотри на шильдике - кто и где его сделал , может так схема найдётся ( через завод )
 
veveeleДата: Пятница, 30.Янв.2015, 15:21 | Сообщение # 27
Участник
У вас сообщений: 123
инженер
OFFлайн
Украина

Луцк
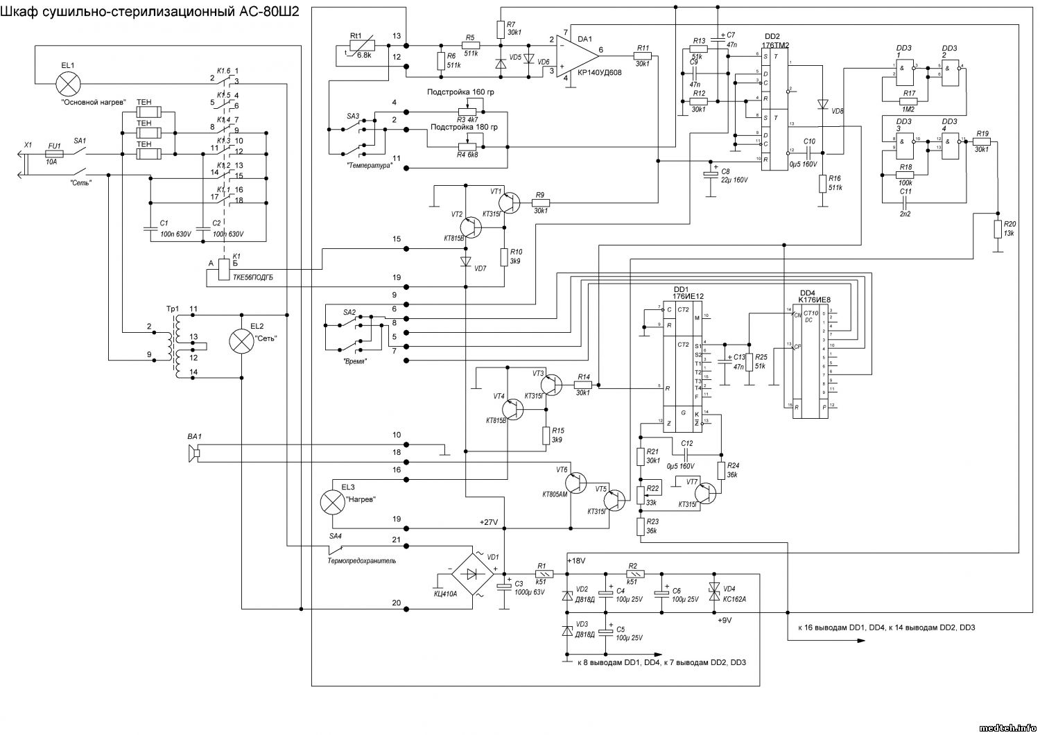
Схема на АС-80Ш2 АС-80Ш2

Рисовал сам, возможны ошибки.
4439585.jpg (148.5 Kb)
 
  • Страница 1 из 1
  • 1
Поиск:



Статистика Форума
Последние обновления тем: Новые файлы хранилища: Новые участники: Top10 участников:
1. Аппарат Luminos 2011 ...[Алекс-200 (13.Май.2026)]
2. УЗИ SonoAce X8 ф.Sams...[valentin17 (13.Май.2026)]
3. Анализатор гематологи...[Electronic_Arts (12.Май.2026)]
4. фотополимеризатор Eli...[bubaeshka (12.Май.2026)]
5. Elipar Freelight, пол...[bubaeshka (12.Май.2026)]
6. Двигатель компрессора...[ovg (12.Май.2026)]
7. Термопринтеры ф.SONY:...[Gerter (11.Май.2026)]
8. УВЧ-80 НОВОАН - ЭМА[Parkincjn (11.Май.2026)]
9. ЭХВЧ Е81М "Фотек...[павел22 (10.Май.2026)]
1. Apollo EZ service man...[25.Дек.2025]
2. VIVIX Setup Operation...[12.Окт.2025]
3. GenwareMP[10.Сен.2025]
4. Настройка реагентов M...[20.Авг.2025]
5. Philips HD3-EXP[13.Авг.2025]
6. Рентгеновское оборудо...[08.Авг.2025]
7. VersaMed iVent201 Сер...[13.Фев.2025]
8. Гелпик КРД Ренекс РЦ ...[09.Фев.2025]
9. Офтальмологическая ус...[31.Окт.2024]
10. Cardinal-Health-VELA-...[03.Окт.2024]
1. HomeLess_Fox[13.Май.2026]
2. patizann1983[13.Май.2026]
3. Адил[12.Май.2026]
4. sizovart[12.Май.2026]
5. vakuum[12.Май.2026]
6. Serge23[12.Май.2026]
7. vadimteh[11.Май.2026]
8. esin[10.Май.2026]
9. san396[10.Май.2026]
10. mariya__2016[08.Май.2026]
МастерБаку[583]
Yulana34[177]
Serg74[160]
Dimitrius[129]
naves[122]
РОМУЛ[121]
bektyish[121]
madmac[116]
Алекс-200[114]
генаf[112]