[ Новые сообщения · Участники · Правила форума · Поиск · RSS ]



  • Страница 2 из 4
  • «
  • 1
  • 2
  • 3
  • 4
  • »
Модератор форума: STaras, GeorgySmith  
УЗИ ProFocus 2202 ф.B-K Medical (Дания)
hobotДата: Среда, 02.Фев.2011, 16:55 | Сообщение # 1
Стажер
У вас сообщений: 5
Специалист по УЗИ
OFFлайн
Российская Федерация

Санкт-Петербург
Регистрационное удостоверение ФСЗ 2010/08036 от 19.10.2010 года на Аппарат ультразвуковой Pro Focus 2202, производства датской компании B-K Medical ApS (бренд - "B-K Medical").
 
yzistДата: Понедельник, 03.Окт.2011, 16:53 | Сообщение # 41
Завсегдатай
У вас сообщений: 277
инженер
OFFлайн
Российская Федерация

КАЛУГА
друзья может у когото схема верхней сетевой платы этого б.п есть. где стоит lt1509. поделитесь соображениями. сжог 2 новые микрухи. причина к моему удивлению не понятна. выручайте

.
Да молчание ... неужто никто этим блоком не занимался? а ведь птшут что часто горят . новый на фирме 4 месяца и 3.5 тыс евро
.

https://www.medteh.info/forum/22-1216-97976-16-1353188077
4611764.jpg (309.2 Kb)
 
buanatolijДата: Пятница, 14.Окт.2011, 00:07 | Сообщение # 42
Участник
У вас сообщений: 115
УЗИ, офтальмология и другое
OFFлайн
Украина

Киев
когда-то ковырялся с этим блоком - его нужно правильно включать,есть разъем на вторичке точь в точь как у компьютерного блока питания, и запускается аналогично (помоему 13 вывод на землю если не ошибаюсь), если запускать отдельно плату первички, то микросхема корректора мощности не выдерживает бросок напряжения и горит.

.
собственно я сертифицированный инженер BK- MEDIKAL правда в Украине, сервиска полное фуфло скажу сразу, там кроме распиновки блока питания на него ничего нету и поэтому официалы в вашей стране просто предложат купить вам новый блок питания.

.
https://www.medteh.info/forum/22-1216-97976-16-1353188077
 
AlexiumДата: Пятница, 14.Окт.2011, 09:03 | Сообщение # 43
Инженер медтехник
OFFлайн
Российская Федерация

Саратов
Quote (buanatolij)
огда-то ковырялся с этим блоком - его нужно правильно включать,есть разъем на вторичке точь в точь как у компьютерного блока питания, и запускается аналогично (помоему 13 вывод на землю если не ошибаюсь), если запускать отдельно плату первички, то микросхема корректора мощности не выдерживает бросок напряжения и горит.


Там микросхема - корректор мощности+однотактный ИБП.
Разъем с компьютерным почти совпадает - посмотрите первую страницу этой темы - я её выкладывал.
Насчет - без нагрузки -

Quote (Alexium)
Проверьте эту плату отдельно. Нагрузите выход 24 в лампочкой. Сымитируйте сигнал включения реле. Проверьте дежурный блок питания. Проверьте сигнал на затворе транзистора инвертора. Замените электролитические конденсаторы по питанию микросхемы инвертора и драйвера, проверьте цепь питания этих микросхем.

На самом деле меня интересует производитель блока питания - ясно что это не B-K, но все упорно стесняются выложить фото платы с обеих сторон.
 
yzistДата: Пятница, 14.Окт.2011, 09:39 | Сообщение # 44
Завсегдатай
У вас сообщений: 277
инженер
OFFлайн
Российская Федерация

КАЛУГА
доброе утро.
благодарю коллегу с украины за информацию по поводу подключения блока . Я также пришёл к выводу что блок надо проверять собранымхотя по логике при подключении блока к сети начинает заряжатся через резистор ёмкость 400 на 450в и запускается дежурка на 5н0280 иподается 25 в на lt и около10в идет на стартовую предположительно кнопку по идее lt не должна выдавать импульсы управления ккм и инвертором но я их видеп на плате пока ни сгорела м.с заказал ещё 3 . ЖДУ СОВЕТА

.
А НА БЛОКЕ СТОИТ СДЕЛАНО В ИТАЛИИ

.
https://www.medteh.info/forum/22-1216-97976-16-1353188077
 
РОМУЛДата: Четверг, 20.Окт.2011, 21:53 | Сообщение # 45
У вас сообщений: 830
Ультразвук
OFFлайн
Украина

***
Гипотетически на следующей неделе придется с подобным траблом разбираться. Отпишусь по результатам. Ни схем, ни чего либо иного тоже не имею, к сожалению. А вообще с блоками питания нужно общаться на уровне глубоко личной интимной связи, иначе результата не будет rofl
 
yzistДата: Пятница, 21.Окт.2011, 15:05 | Сообщение # 46
Завсегдатай
У вас сообщений: 277
инженер
OFFлайн
Российская Федерация

КАЛУГА
привет .
если накрылась lt1509 это дифицит 500 руб цена и 3-4 недели ждать.меня интересует какое питание . у меня едет 26 в на lt1509/'nj 17 ноге а минус 2.3 .
спасибо заранее

.
https://www.medteh.info/forum/22-1216-97976-16-1353188077
 
Natalya3081Дата: Среда, 02.Ноя.2011, 13:22 | Сообщение # 47
Заглянувший
У вас сообщений: 1
Пользователь
OFFлайн
Казахстан

Шымкент
Здравствуйте!
Не подскажете где можно скачать на данный аппарат программу. Врачи потеряли установочный диск и теперь не можем с ним ничего сделать.
Заранее благодарю.

.
Аппарат выдает ошибку MSG-HAL-19412: The scanner started in an olegal mode, probably because it had been shut down by an application error or power falure. You must restart the scanner to restore normal mode. The system will be shut down. Пробую перезагружать опять выходит эта же ошибка. Не подскажете как исправить.
 
Jonny23Дата: Среда, 02.Ноя.2011, 16:37 | Сообщение # 48
Стажер
У вас сообщений: 4
ученик
OFFлайн
Казахстан

Шымкент
[quote=Natalya3081]Аппарат выдает ошибку MSG-HAL-19412: The scanner started in an olegal mode, probably because it had been shut down by an application error or power falure. You must restart the scanner to restore normal mode. The system will be shut down.[/quote]
Аналогичная проблема, думаю это изза перебоя напряжения перезагрузка не помогает. Как можно решить эту проблему подскажите пожалуйста


Сообщение отредактировал Jonny23 - Среда, 02.Ноя.2011, 16:38
 
yzistДата: Четверг, 24.Ноя.2011, 12:53 | Сообщение # 49
Завсегдатай
У вас сообщений: 277
инженер
OFFлайн
Российская Федерация

КАЛУГА
Добрый день.
Возвращаюсь к Б.П на УЗ-сканер B-K Medical Pro Focus 2202. прислали м\с 1509 и драйвер34152. при включении через киловатный ТЭН 2 РАЗА ЧЁЛКНУЛО ВНУТРИ (это реле) и сгорел токоограничивающий резистор 47 ом. Т Е точно как и впервый раз когда открыл блок был сгоревший этот резистор. логика работы блока схожа с компьютерным б.п. ПО ВОЗМОЖНОСТИ КТО СТАЛКИВАЛСЯ С ТОКОЙ БЕДОЙ ПОСОВЕТУЙТЕ. ВСЁ ЧТО ДОСТУПНО ПРОВЕРИЛ.
 
homenДата: Пятница, 02.Дек.2011, 16:32 | Сообщение # 50
Завсегдатай
У вас сообщений: 271
инженер
OFFлайн
Российская Федерация

Санкт-Петербург
Может проверить все напряжения питания и переустановить систему исходя из ошибки "application error or power falure"?
 
Jonny23Дата: Четверг, 08.Дек.2011, 14:41 | Сообщение # 51
Стажер
У вас сообщений: 4
ученик
OFFлайн
Казахстан

Шымкент
[quote=homen]Может проверить все напряжения питания и переустановить систему исходя из ошибки "application error or power falure"? [/quote]
я бы с удовольствием переустановил, но не имею ПО. Может у кого есть скиньте очень нужно.
 
AlexmikДата: Среда, 21.Дек.2011, 17:21 | Сообщение # 52
Участник
У вас сообщений: 198
литотриптор Dornier
OFFлайн
Украина

Одесса
ПО там- Виндовс усеченый. Можно извлечь жесткий диск и попытаться поднять систему програмными методами.
 
glebsusДата: Четверг, 07.Июн.2012, 22:50 | Сообщение # 53
Стажер
У вас сообщений: 15
qwerty
OFFлайн
Российская Федерация

Moscow
ВСЕМ! ВСЕМ! ВСЕМ!!!!!!!!

Кому необходима программа для просмотра 3D файлов с BK Medical
Выкладываю вьювер.... версия 5.1.9

http://depositfiles.com/files/5j30ixppf


Сообщение отредактировал glebsus - Четверг, 07.Июн.2012, 23:01
 
AlersДата: Понедельник, 18.Июн.2012, 18:17 | Сообщение # 54
Участник
У вас сообщений: 88
Сервис-инженер
OFFлайн
Казахстан

Шымкент
Доброе время суток.
Узи самопроизвольно выключается. Может загрузится и минут 5-10 поработать и выключится. Может кто сталкивался с такой проблемой подскажите пожалуйста. Блок питания был проверен на другом аппарате он рабочий. Сильно грелся процессор на материнской плате поменял термопасту стал греется на много меньше. Да перед отключениим слышно как головки на винчестере уходят в порковку и аппарат отключается. Я не могу понять проблема в програмной или аппаратной части.
 
AlexiumДата: Понедельник, 18.Июн.2012, 18:36 | Сообщение # 55
Инженер медтехник
OFFлайн
Российская Федерация

Саратов
Что было с блоком питания? - http://www.medteh.info/forum/57-3321-1
Смотрите логи системы - что в них записывается?
Что с винчестером - что говорит SMART?
 
AlersДата: Понедельник, 18.Июн.2012, 20:54 | Сообщение # 56
Участник
У вас сообщений: 88
Сервис-инженер
OFFлайн
Казахстан

Шымкент
С блоком так и не разобрался. Винт подкидывал другой. так что я думаю с програмным обеспечением порядок. При загрузки пишит -Сканер был запущен в неверном режиме возможно это вызвано отключением в результате ошибки приложения или перебоем электропитания. Выключите сканер .чтобы восстановить нормальный режим. Система будет выключена. Снизу надписи несколько кнопок запись на флеш.проведите техобслуживание,детали. Так вот я нажал кнопку детали и вышла страничка типа журнала ну я так понял и в таком состоянии он стоит включённый уже часа 3. Я не понял что за неверный режим и почему он не отключается? Вот фото.
7186916.jpg (133.5 Kb)
 
AlexiumДата: Понедельник, 18.Июн.2012, 21:22 | Сообщение # 57
Инженер медтехник
OFFлайн
Российская Федерация

Саратов
Quote (Alers)
Винт подкидывал другой. так что я думаю с програмным обеспечением порядок.

Поподробнее.
Quote (Alers)
Так вот я нажал кнопку детали и вышла страничка типа журнала

поподробнее
 
AlersДата: Четверг, 21.Июн.2012, 19:35 | Сообщение # 58
Участник
У вас сообщений: 88
Сервис-инженер
OFFлайн
Казахстан

Шымкент
Винт с другого рабочего аппарата снял и на свой поставил.

.
Может есть у кого схема данного блок питания. Да не сказал всё таки виноват блок питания. Пропали 100и 80 вольт. У меня вопрос возможно ли что эти напряжения управляются программно.


Сообщение отредактировал Alers - Четверг, 21.Июн.2012, 20:01
 
glebsusДата: Понедельник, 24.Сен.2012, 00:59 | Сообщение # 59
Стажер
У вас сообщений: 15
qwerty
OFFлайн
Российская Федерация

Moscow
Народ! Кто-нить успел скачать BK3D Viewer????
Просто файлообменник удалил её а на рабочем компе хард гикнулся... и теперь пипц нужна!!!!

.
А вот и файлик...
3D Viewer Software and User Guide


Сообщение отредактировал glebsus - Понедельник, 24.Сен.2012, 01:01
 
udsashaДата: Четверг, 04.Окт.2012, 14:30 | Сообщение # 60
Участник
У вас сообщений: 85
Инженер
OFFлайн
Российская Федерация

Сургут
Коллеги кто-нибудь знает за чем следит Watchdog? После включения аппарата, через некоторое время выскакивает Watchdog и потом перезагрузка.
 
имтДата: Четверг, 04.Окт.2012, 17:38 | Сообщение # 61
Участник
У вас сообщений: 81
гемодиализ
OFFлайн
Российская Федерация

королев
Одна из главных задач Watchdog - следить за утечками высокого U в датчиках ради безопасности пациента , можно попробовать отключить все датчики и, если проблема исчезнет, по-очереди подключать датчики - вычислить "текущий". На "горячую" не подключать!

Сообщение отредактировал имт - Четверг, 04.Окт.2012, 17:40
 
zx19Дата: Четверг, 04.Окт.2012, 20:07 | Сообщение # 62
Vse
OFFлайн
Российская Федерация

Саратов
Quote (имт , Сегодня))
Одна из главных задач Watchdog - следить за утечками высокого U в датчиках

может я чего не понимаю, но как цифровая микросхема, которая сбрасывается контрольной суммой может следить за высокм аналоговым напряжением?
 
AlexiumДата: Четверг, 04.Окт.2012, 20:27 | Сообщение # 63
Инженер медтехник
OFFлайн
Российская Федерация

Саратов
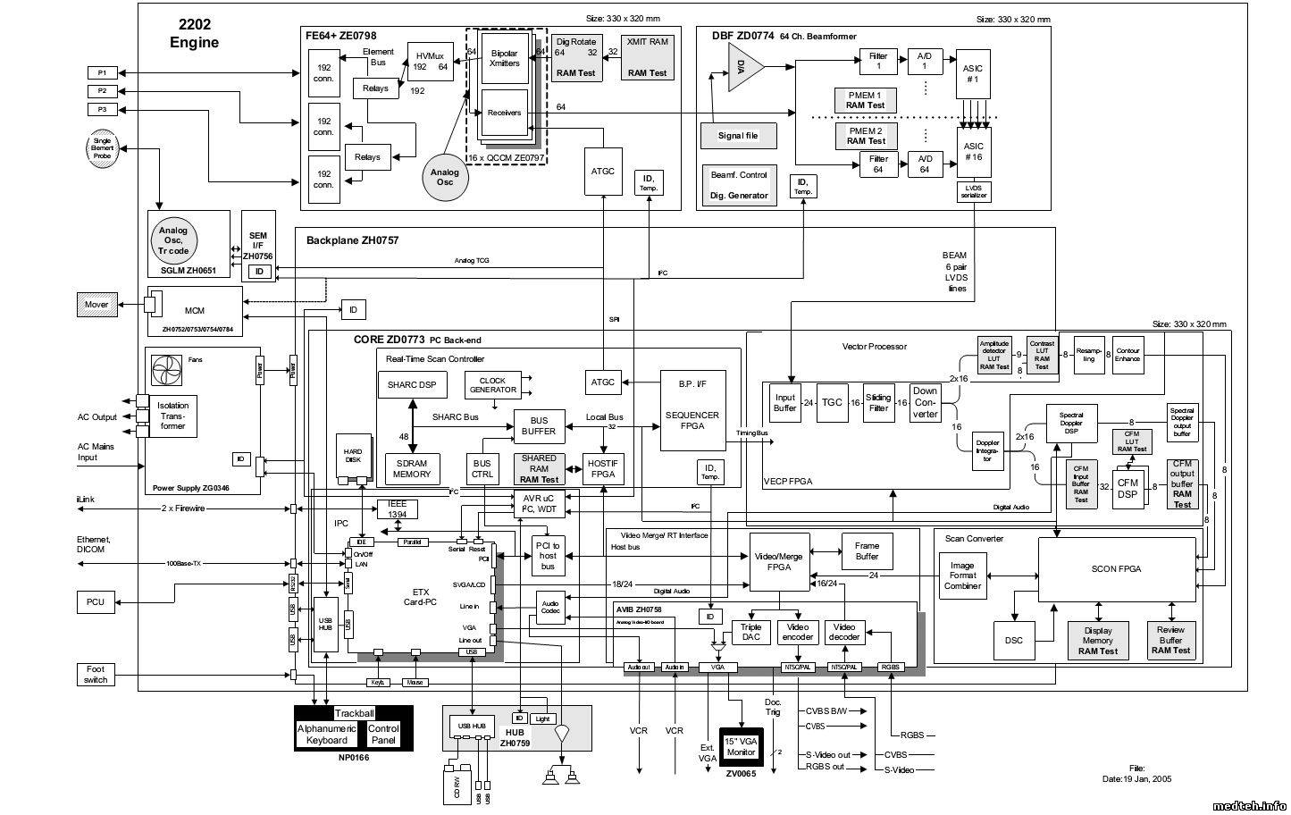
Она следит за всем :). Я бы начал с чистки аппарата, скорее всего перегрев, хотя не исключено и пропадание одного из напряжений. Блок схема -
4956937.jpg (187.3 Kb)


Сообщение отредактировал Alexium - Четверг, 04.Окт.2012, 20:29
 
AlersДата: Среда, 12.Дек.2012, 10:29 | Сообщение # 64
Участник
У вас сообщений: 88
Сервис-инженер
OFFлайн
Казахстан

Шымкент
Доброе время суток всем.
Возвращаюсь к с воему профокусу. Разобрал полностью аппарат почистил собрал на столе чтоб был быстрый допуск и начал проверять какая плата гонит убрал плату датчиков ни каких изменений также отключается. Средняю плату вытащил профокус пишит ошибку ну и выключается. не нашёл не чего чтоб сильно нагревалось и приводило к отключению. Я сам до медицины занимался ноутбуками компами и понимаю что такое поведение аппарата это перегрев проца моста и так далее. но здесь не пойму. Греется радиатор на материнской плате. Снимал смазывал термо пастой.ставил ветелятор также. Ни каких измерений по питанию не привожу просто не знаю какие должны быть. говорят может гнать датчик температур. А как зайти в биос. хочу посмотреть пределы температуры которые там восстановлены.

.
При включение блок питания есть 5 вольт 12в 3.3 в и 100 вольт 80 вольт появляется после определения клавиатуры. . Запустил блок питания отдельно есть низкое напряжение 80и 100 вольт нет и не горит один из 3 светодиодов расположеных в блоке питания. Я так понял что высокое напряжение управляется программно. Вот думаю по ноутам такое поведение это перегрев и отвал чипов. Возможно что и здесь так. Кто нибудь сталкивался с такой проблемой.Подскажите пожалуйста.
 
AlexiumДата: Среда, 12.Дек.2012, 12:52 | Сообщение # 65
Инженер медтехник
OFFлайн
Российская Федерация

Саратов
Что мешает запустить одну только материнку без дисков и всего остального, подключть монитор и клавиатуру? Фотографии материнки, мне интересна маркировка и модель. И желательно отвечать на вопросы, а то какой-то монолог получается, хотите помощи - или делайте диагностику что-бы не оставалось никаких сомнений или что-то делайте в ответ на вопросы.
 
AlersДата: Среда, 12.Дек.2012, 15:51 | Сообщение # 66
Участник
У вас сообщений: 88
Сервис-инженер
OFFлайн
Казахстан

Шымкент
Так не получается запустить мать она микро и встроенная на одной из трёх плат. Без винта запустил но пишет нет загрузочного девайса.

.
Измерил питания без винта есть все кроме 80 вольт. Возможно у него проблемы по питанию 80 вольт. Стоит не выключается. Вот фото - https://www.medteh.info/_fr/52/9047029.jpg

.
Так перегрева нет ни где на радиаторе температура норма нет ни каких перегревов чтоб срабатывала защита по температуре. Отбрасываю отключение от перегрева. а может быть такая фишка в блоке питания рассчитан на работу например на 2000 часов а потом программное отключение. Я как то ремонтировал такой же блок питания потом решили купить новый. Так вот приехали ребята привезли с собой другой поменяли а старый забрали. И этот блок появился на другом аппарате вот я и подумал а не в прошивке ли дело.
 
AlexiumДата: Среда, 12.Дек.2012, 15:51 | Сообщение # 67
Инженер медтехник
OFFлайн
Российская Федерация

Саратов
Отслеживайте откуда с БП идет питание 80 в, возможно перегорел низкоомный резистор, далее мне нужна маркировка микросхемы "бустера" - скорее всего у неё есть вход включения, посмотрите нет ли КЗ по нему. Далее смотрите на пробой обрыв элементы вокруг. Далее что покажет диагностика - по обстоятельствам.
 
AlersДата: Среда, 12.Дек.2012, 16:50 | Сообщение # 68
Участник
У вас сообщений: 88
Сервис-инженер
OFFлайн
Казахстан

Шымкент
Спасибо завтра буду смотреть но похоже тоже зря контролировал 3 приборами есть все питания кроме 80 но он выключается и до появления 80 вольт.
 
udsashaДата: Пятница, 18.Янв.2013, 06:52 | Сообщение # 69
Участник
У вас сообщений: 85
Инженер
OFFлайн
Российская Федерация

Сургут
Привет, форумчане!
Удалось ли решить проблему с выключением? Аппарат про который я писал проработал год после перестановки ПО и снова Watchdog. Разобрал как и в прошлый раз пропылесосил, но это не помогло. Подозреваю БП, но не уверен.
 
mpaserviceДата: Понедельник, 11.Фев.2013, 14:33 | Сообщение # 70
Стажер
У вас сообщений: 4
инженер
OFFлайн
Российская Федерация

Москва
Как и кто переустанавливал ПО? Надпись Watchdog на весь экран? Такого не может быть ни на одном Pro Focus. Прошу написать более подробное описание всех слов сообщения об ошибке - тогда помогу и вышли s/n аппарата - точно скажу какой XPE стоит.

.
Кстати видел твой скриншот ошибки на заводе. Первое рекомендую проверить винт и переустановить ПО. И ещё если врачи пользуются флешками могли вирус заселить.
 
shtempelДата: Понедельник, 11.Фев.2013, 15:43 | Сообщение # 71
У вас сообщений: 289
инженер
OFFлайн
Российская Федерация

medteh
Цитата (udsasha)
Аппарат про который я писал проработал год после перестановки ПО и снова Watchdog

Цитата (mpaservice)
Надпись Watchdog на весь экран? Такого не может быть ни на одном Pro Focus

Цитата (mpaservice)
Кстати видел твой скриншот ошибки на заводе. Первое рекомендую проверить винт и переустановить ПО

Есть такой трабл, кэн ю гив ас образ и сервисный мануал
 
mpaserviceДата: Понедельник, 11.Фев.2013, 16:34 | Сообщение # 72
Стажер
У вас сообщений: 4
инженер
OFFлайн
Российская Федерация

Москва
В сервис мануале нет ничего. А потом зачем оно тебе - если чё надо спрашивай. Есть ПО но только по серийному номеру аппарата. Серийный нужен номер для получения имиджа. Вот так.
 
udsashaДата: Вторник, 19.Фев.2013, 11:55 | Сообщение # 73
Участник
У вас сообщений: 85
Инженер
OFFлайн
Российская Федерация

Сургут
Вот фото ошибки
5312830.jpg (132.7 Kb)


Сообщение отредактировал udsasha - Вторник, 19.Фев.2013, 11:56
 
mpaserviceДата: Понедельник, 25.Фев.2013, 16:26 | Сообщение # 74
Стажер
У вас сообщений: 4
инженер
OFFлайн
Российская Федерация

Москва
1. Переустанови ПО - просто попробуй - без серийного номера аппарата трудно сказать какая версия необходима.
2. При такой ошибке завод рекомендует менять Coreboard. Точно сказать какая Coreboard стоит без серийного номера аппарата сказать сложно.
 
renskyДата: Пятница, 14.Июн.2013, 10:09 | Сообщение # 75
Заглянувший
У вас сообщений: 1
техник
OFFлайн
Казахстан

Караганда
Добрый день.
Имеется проблема со сканером pro focus 2202. аппарат включается только при первом запуске. второй раз при нажатии на кнопку аппарат заводится и через несколько секунд тухнет. при повторном нажатии на кнопку аппарат молчит, пока не выдернешь из розетки. в общем аппарат запускается только после длительного отключения от сети.
Грешу на блок питания к сожалению схемами не распологаю. подскажите пожалуйста с чего начать тут
 
arsenescenceДата: Вторник, 18.Июн.2013, 11:27 | Сообщение # 76
Заглянувший
У вас сообщений: 2
Инженер
OFFлайн
Казахстан

Алматы
Всем привет!
У меня полетел ПО от УЗИ Pro Focus 2202.
Где можно достать, не подскажете ли?
 
AlersДата: Среда, 19.Июн.2013, 08:13 | Сообщение # 77
Участник
У вас сообщений: 88
Сервис-инженер
OFFлайн
Казахстан

Шымкент
Цитата arsenescence ()
У меня полетел ПО от УЗИ Pro Focus 2202.
Где можно достать, не подскажете?

Есть образ рабочий пиши в личку.
 
energeticДата: Среда, 26.Июн.2013, 22:43 | Сообщение # 78
Стажер
У вас сообщений: 5
Сервис-инженер
OFFлайн
Казахстан

Усть-Каменогорск
Образ поставить непроблема. Проблема с лицензиями. Привязка по жжелезу.
 
nabiДата: Четверг, 27.Июн.2013, 10:18 | Сообщение # 79
Участник
У вас сообщений: 201
Всего по немногу
OFFлайн
Казахстан

Караганда
rensky, Ринат привет!
По твоему аппарату я Вите передавал сервис мануал, правда без схемы БП. Ищи в холодной части ...


Сообщение отредактировал nabi - Четверг, 27.Июн.2013, 13:19
 
KemelДата: Понедельник, 07.Окт.2013, 18:36 | Сообщение # 80
Участник
У вас сообщений: 67
ремонт узи, программист
OFFлайн
Казахстан

Алмата
unknown УЗИ BK Medical ProFocus 2202 Ребята нужна помощь!
Накрылся винт, и не имею ПО у кого есть помогите буду весьма признателен!!!
ОЧень нужно его сделать!!!! unknown unknown


Сообщение отредактировал Kemel - Вторник, 08.Окт.2013, 09:53
 
  • Страница 2 из 4
  • «
  • 1
  • 2
  • 3
  • 4
  • »
Поиск:



Статистика Форума
Последние обновления тем: Новые файлы хранилища: Новые участники: Top10 участников:
1. Аппараты НЧ электроте...[aleksan (28.Май.2026)]
2. При операции с примен...[susel63 (28.Май.2026)]
3. Техническая поддержка...[UPZ (25.Май.2026)]
4. MOVIPLAN (УниКоРД-МТ)...[SpirituS (24.Май.2026)]
5. Аппарат магнитотерапе...[SpirituS (24.Май.2026)]
6. Стоматустановка K3 ф....[zizeroman (24.Май.2026)]
7. Анализатор гематологи...[fred1 (22.Май.2026)]
8. ЭХВЧ-400 ск-"Ник...[Olegosh (21.Май.2026)]
9. Анализатор биохимичес...[laverse (19.Май.2026)]
1. Apollo EZ service man...[25.Дек.2025]
2. VIVIX Setup Operation...[12.Окт.2025]
3. GenwareMP[10.Сен.2025]
4. Настройка реагентов M...[20.Авг.2025]
5. Philips HD3-EXP[13.Авг.2025]
6. Рентгеновское оборудо...[08.Авг.2025]
7. VersaMed iVent201 Сер...[13.Фев.2025]
8. Гелпик КРД Ренекс РЦ ...[09.Фев.2025]
9. Офтальмологическая ус...[31.Окт.2024]
10. Cardinal-Health-VELA-...[03.Окт.2024]
1. wenderer861[28.Май.2026]
2. karabas1167[28.Май.2026]
3. Paulus[28.Май.2026]
4. hismatulinaKsenia[28.Май.2026]
5. nefrid12[28.Май.2026]
6. roser362[27.Май.2026]
7. Romany4777[27.Май.2026]
8. RVA-59[27.Май.2026]
9. Dream_29[26.Май.2026]
10. 89503843712[26.Май.2026]
МастерБаку[583]
Yulana34[177]
Serg74[160]
Dimitrius[129]
naves[122]
РОМУЛ[121]
bektyish[121]
madmac[116]
Алекс-200[114]
генаf[112]