[ Новые сообщения · Участники · Правила форума · Поиск · RSS ]



  • Страница 1 из 1
  • 1
Модератор форума: STaras, GeorgySmith  
УЗИ Voluson 730 (BT05)
pponsovДата: Вторник, 03.Июл.2012, 13:51 | Сообщение # 1
Стажер
У вас сообщений: 12
МО
OFFлайн
Российская Федерация

Москва
Товарищи коллеги!
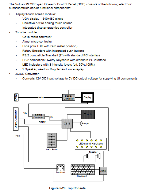
Нужна прошивка Boot и Appl для платы HardKey Board для Voluson 730. Это плата находится в консоли управления и отвечает за все кнопки и TouchScreen. В связи с тем, что прошивка слетела, аппарат перестал загружаться. В оригинале плата стояла с прошивкой 1.7
Была поставлена аналогичная плата с прошивкой 1.09. Система загрузилась штатно, но перестал работать Touch, сбились координаты, калибровка не помогает.
С большой вероятностью проблема связана с тем, что у Toucha есть своя прошивка (1.7) и она конфликтует с новой прошивкой 1.09. Судя по блок схеме из service manual за Touch отвечает именно HadrKey Board (Part A + B).

Очень прошу, у кого была подобная проблема или у кого есть доступ к телу помогите с прошивкой:
HadrKey Board part A – нужна прошивка 1.7

Или
HadrKey Board part B – нужна прошивка 1.09 (с этой намного проще, это стандартная микруха на разъеме).

Cхему из Service Manual тоже прикрепляю.
8254393.jpg (195.4 Kb) · 7734845.jpg (210.2 Kb) · 0683378.jpg (254.6 Kb) · 8619204.jpg (199.6 Kb) · 1228900.jpg (236.6 Kb) · 3744592.png (68.5 Kb)


Сообщение отредактировал pponsov - Четверг, 05.Июл.2012, 02:28
 
РОМУЛДата: Среда, 04.Июл.2012, 04:14 | Сообщение # 2
У вас сообщений: 830
Ультразвук
OFFлайн
Украина

***
Коллега, кто ж Вам даст живой аппарат барахолить, чтобы скопировать прошивку??! Врачи зачастую просто софт копирнуть не дают! И я их, в принципе, понимаю. "НЕ ТРОГАЙ ТЕХНИКУ РУКАМИ, И ОНА НЕ ПОДВЕДЕТ!" Ищите плату беушную...
 
STarasДата: Среда, 04.Июл.2012, 07:46 | Сообщение # 3
инженер-электроакустика, ультразвук
OFFлайн
Украина

Ровно
Если не работает TouchScreen, то на худой конец можно попробовать присобачить к аппарату мышь. За два дня привыкают.
 
pponsovДата: Четверг, 05.Июл.2012, 02:30 | Сообщение # 4
Стажер
У вас сообщений: 12
МО
OFFлайн
Российская Федерация

Москва
У 730ки touch весит на RS232, не USB. Мышь не спасет.
 
zx19Дата: Четверг, 05.Июл.2012, 08:23 | Сообщение # 5
Vse
OFFлайн
Российская Федерация

Саратов
есть com-мыши.
 
STarasДата: Четверг, 05.Июл.2012, 08:58 | Сообщение # 6
инженер-электроакустика, ультразвук
OFFлайн
Украина

Ровно
есть PS/2 мыши.
 
pponsovДата: Среда, 11.Июл.2012, 14:01 | Сообщение # 7
Стажер
У вас сообщений: 12
МО
OFFлайн
Российская Федерация

Москва
Мыши не спасают (не USB, ни PC/2, ни COM)! Мышь, подключенная к BEP, просто дублирует TrackBall, но ни как не распространяется на Touch, как это было бы на VolE8.
Эни айдиас?
 
zx19Дата: Среда, 11.Июл.2012, 18:49 | Сообщение # 8
Vse
OFFлайн
Российская Федерация

Саратов
А к чему подключен монитор с тачем? К стандартной видеокарте?
 
pponsovДата: Среда, 11.Июл.2012, 19:16 | Сообщение # 9
Стажер
У вас сообщений: 12
МО
OFFлайн
Российская Федерация

Москва
ДА, во встроенную в mainboard в BEPe.
 
pponsovДата: Четверг, 23.Авг.2012, 18:54 | Сообщение # 10
Стажер
У вас сообщений: 12
МО
OFFлайн
Российская Федерация

Москва
Проблему решили. Нашли Part B с прошивкой 1.09
 
SonoLifeДата: Четверг, 23.Авг.2012, 21:29 | Сообщение # 11
Завсегдатай
У вас сообщений: 295
Инженер
OFFлайн
Украина

Киев
А неисправная у Вас сразу стала неисправной или для начала выделывалась? Моя сейчас при включении отрабатывает только одно касание и зависает. Но если подождать минут пять после включения - работает...
 
udsashaДата: Четверг, 04.Окт.2012, 14:18 | Сообщение # 12
Участник
У вас сообщений: 85
Инженер
OFFлайн
Российская Федерация

Сургут
не туда запостил

Сообщение отредактировал udsasha - Четверг, 04.Окт.2012, 14:27
 
sprutvДата: Среда, 06.Июл.2016, 18:12 | Сообщение # 13
Участник
У вас сообщений: 197
узи
OFFлайн
Российская Федерация

самара
подскажите что за ошибка уже голову сломал фото прилагаю
5426621.jpg (265.3 Kb)
 
sprutvДата: Среда, 06.Июл.2016, 18:33 | Сообщение # 14
Участник
У вас сообщений: 197
узи
OFFлайн
Российская Федерация

самара
либо поделитесь образом жесткого bt05 bt08
 
shtempelДата: Среда, 06.Июл.2016, 18:35 | Сообщение # 15
У вас сообщений: 289
инженер
OFFлайн
Российская Федерация

medteh
Загуглить слабо?
https://m.dotmed.com/virtual....76
 
sprutvДата: Среда, 06.Июл.2016, 20:58 | Сообщение # 16
Участник
У вас сообщений: 197
узи
OFFлайн
Российская Федерация

самара
там показана просто замена. поэтому и спрашиваю поэлементно что менять
 
sprutvДата: Четверг, 07.Июл.2016, 02:04 | Сообщение # 17
Участник
У вас сообщений: 197
узи
OFFлайн
Российская Федерация

самара
замена не нужна. не корректно встало программа как раз этот же американец мне ответил. поэтому поделитесь образом на вт05
 
sprutvДата: Пятница, 15.Июл.2016, 10:26 | Сообщение # 18
Участник
У вас сообщений: 197
узи
OFFлайн
Российская Федерация

самара
кто может помочь в проверки плат от волюсона 730 expert смогу выслать буду отдельно благодарен. а именно нужно проверить плату консоли KTZ208262. уже нашел за 500 евро где купить надо только проверить она или нет
 
LeperДата: Среда, 23.Май.2018, 13:07 | Сообщение # 19
Стажер
У вас сообщений: 20
-
OFFлайн
Российская Федерация

Москва
Приветствую.
Персонал жаловался на переодические ошибки и зависания, но без результата. В итоге аппарат встал колом, когда рассыпался реестр.
На материнской плате 2006 года TYAN вспухли 10 емкостей(!). Заменили.
Восстановили сохраненный оригинальный образ через встроенный inux, ключики BT вытащили из реестра.
Тач не работает. На экране ошибка "Current console version is 106, while minimum required is 107. Update EEPROM ?"
Вот не понятно что ему не нравится и почему до этого аппарат все устраивало со 106 прошивкой.
Кнопки на консоли работают. Клавиатура, трэкбол работают. Бипер слышно. Не рабоатет только тач. При нажатии глухо. Калибровка не производится.
Com1 в системе есть
 
LeperДата: Четверг, 24.Май.2018, 15:03 | Сообщение # 20
Стажер
У вас сообщений: 20
-
OFFлайн
Российская Федерация

Москва
Добавлю фото
1670728.jpg (127.9 Kb) · 2512139.jpg (269.3 Kb) · 3941380.jpg (318.6 Kb)


Сообщение отредактировал Leper - Четверг, 24.Май.2018, 16:31
 
LeperДата: Вторник, 29.Май.2018, 09:34 | Сообщение # 21
Стажер
У вас сообщений: 20
-
OFFлайн
Российская Федерация

Москва
Хм. Нажал на обновить. Появляется шкала Progress и потом пропадает. Вылетает опять просьба обновить прошивку консоли. У кого были проблемы или есть у еого прошивка 107 для консоли ?
 
LeperДата: Среда, 30.Май.2018, 18:23 | Сообщение # 22
Стажер
У вас сообщений: 20
-
OFFлайн
Российская Федерация

Москва
Ну жна прошика для ControlPanel для 730 Expert. 1.7 есть. Нужна последняя.
 
LeperДата: Понедельник, 10.Сен.2018, 14:45 | Сообщение # 23
Стажер
У вас сообщений: 20
-
OFFлайн
Российская Федерация

Москва
Приветствую. Есть ли у кого прошивка Boot ?
 
  • Страница 1 из 1
  • 1
Поиск:



Статистика Форума
Последние обновления тем: Новые файлы хранилища: Новые участники: Top10 участников:
1. Замена светодиода на ...[Shturman (05.Дек.2025)]
2. Анализатор поля зрени...[SpirituS (04.Дек.2025)]
3. Программный комплекс ...[mqubali (04.Дек.2025)]
4. Кардиорегистратор «ИК...[albano18 (04.Дек.2025)]
5. Thermo Scientific gem...[viggen (03.Дек.2025)]
6. Центрифуга CM-6M ф.El...[Ningen64 (03.Дек.2025)]
7. Дефибриллятор Defi B ...[san-che30 (02.Дек.2025)]
8. Коллиматор Ralco R 22...[seeker (02.Дек.2025)]
9. КУПЛЮ/ПРИМУ в дар при...[seabee (02.Дек.2025)]
1. VIVIX Setup Operation...[12.Окт.2025]
2. GenwareMP[10.Сен.2025]
3. Настройка реагентов M...[20.Авг.2025]
4. Philips HD3-EXP[13.Авг.2025]
5. Рентгеновское оборудо...[08.Авг.2025]
6. VersaMed iVent201 Сер...[13.Фев.2025]
7. Гелпик КРД Ренекс РЦ ...[09.Фев.2025]
8. Офтальмологическая ус...[31.Окт.2024]
9. Cardinal-Health-VELA-...[03.Окт.2024]
10. Service Manual HAMILT...[02.Окт.2024]
1. zef1984[05.Дек.2025]
2. Dvish[05.Дек.2025]
3. Intellect[05.Дек.2025]
4. Romanivanov[05.Дек.2025]
5. igogoigogo[05.Дек.2025]
6. 1rishka[04.Дек.2025]
7. L_V_N[04.Дек.2025]
8. ИвановИИ[04.Дек.2025]
9. Alex_U[04.Дек.2025]
10. Yarikus03[03.Дек.2025]
МастерБаку[583]
Yulana34[177]
Serg74[160]
Dimitrius[129]
naves[122]
РОМУЛ[121]
bektyish[121]
madmac[116]
Алекс-200[114]
begun_a[112]