[ Новые сообщения · Участники · Правила форума · Поиск · RSS ]



  • Страница 1 из 1
  • 1
Модератор форума: STaras, GeorgySmith  
УЗИ SonoAce 8000
radpalДата: Пятница, 30.Авг.2013, 19:11 | Сообщение # 1
Стажер
У вас сообщений: 8
инженер
OFFлайн
Украина

Черновцы
Здраствуйте! Помогите с поломкой SonoAce 8000 . Аппарат работает 2-5мин. , после этого исчезает изображение от датчика и через 10-15с. ошибка, перегрев. Куллеры все работают , аппарат пропылесосил внутри от пыли, напряжение од блока питания в норме . Заранее благодарен!
6979518.jpg (80.3 Kb) · 1498110.jpg (69.7 Kb)
 
имтДата: Суббота, 31.Авг.2013, 17:01 | Сообщение # 2
Участник
У вас сообщений: 81
гемодиализ
OFFлайн
Российская Федерация

королев
Для начала - самое простсе: поменять т. пасту на проце, сев. мосте и чипе видеокарты...
 
aleksanДата: Суббота, 31.Авг.2013, 19:29 | Сообщение # 3
Участник
У вас сообщений: 133
инженер эл.техн.
OFFлайн
Казахстан

открывай блок питания и смотри на предмет поджаренных элементов.Было такое выгорел стабиллитрон и полевик. Аппарат работал но также отключался по перегреву.
 
radpalДата: Понедельник, 02.Сен.2013, 09:30 | Сообщение # 4
Стажер
У вас сообщений: 8
инженер
OFFлайн
Украина

Черновцы
пасту я поменял только на проце. Если датчик к аппарату не подлючать то он работает . Только датчик подключаю 2-3мин. и сразу система вырубает ево (слышен щелчок , где-то в месте подключения датчика) пишет перегрев.
 
SonografДата: Понедельник, 16.Сен.2013, 18:21 | Сообщение # 5
Стажер
У вас сообщений: 14
инженер
OFFлайн
Украина

Львов
Доброго времени суток!

Наблюдается аналогичная проблема на аппарате SA 8000LV-EXP-CW,но кроме системных ошибок 20 ,82 - иногда выдает также 23, 29.,паста по совету ув.имт заменена,проф.чистка от пыли проведена,но при включении датчика изображение через минут 10 "застывает",приходится перегружать.

заранее благодарен за советы!
 
msssДата: Вторник, 17.Сен.2013, 05:34 | Сообщение # 6
Завсегдатай
У вас сообщений: 244
ремонт узи .
OFFлайн
Украина

киев
Попадались Аппараты SA-8000 SА , SA-8000 SE , а вот SA-8000 LV пока не попадалось..........

Чего только нету у нас ..................................................................................................
 
petroveechДата: Четверг, 03.Окт.2013, 22:29 | Сообщение # 7
У вас сообщений: 1072
Иженер
OFFлайн
Российская Федерация

Ставрополь
Пропадало 12 в питания вентилятора бп. Пропаял всё пока работает.

Сообщение отредактировал petroveech - Пятница, 04.Окт.2013, 19:12
 
gordiukДата: Суббота, 11.Мар.2017, 08:44 | Сообщение # 8
Стажер
У вас сообщений: 26
инженер
OFFлайн
Казахстан

Алма-Ата
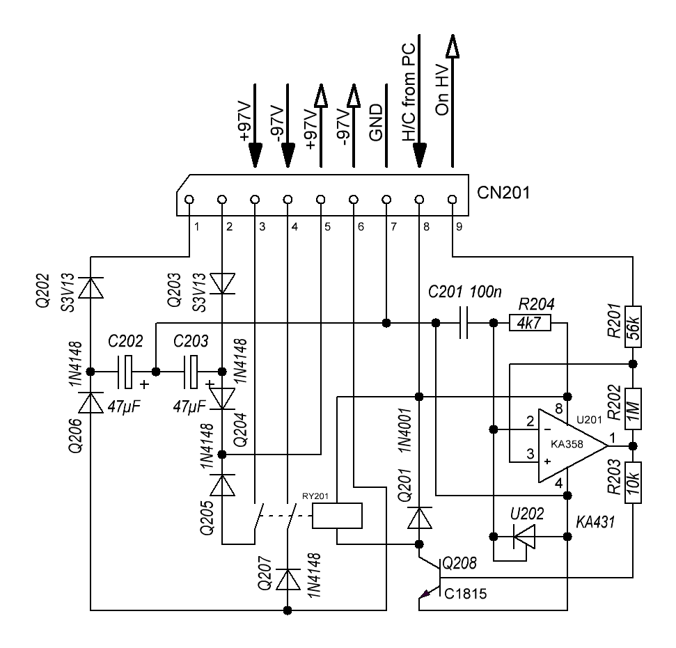
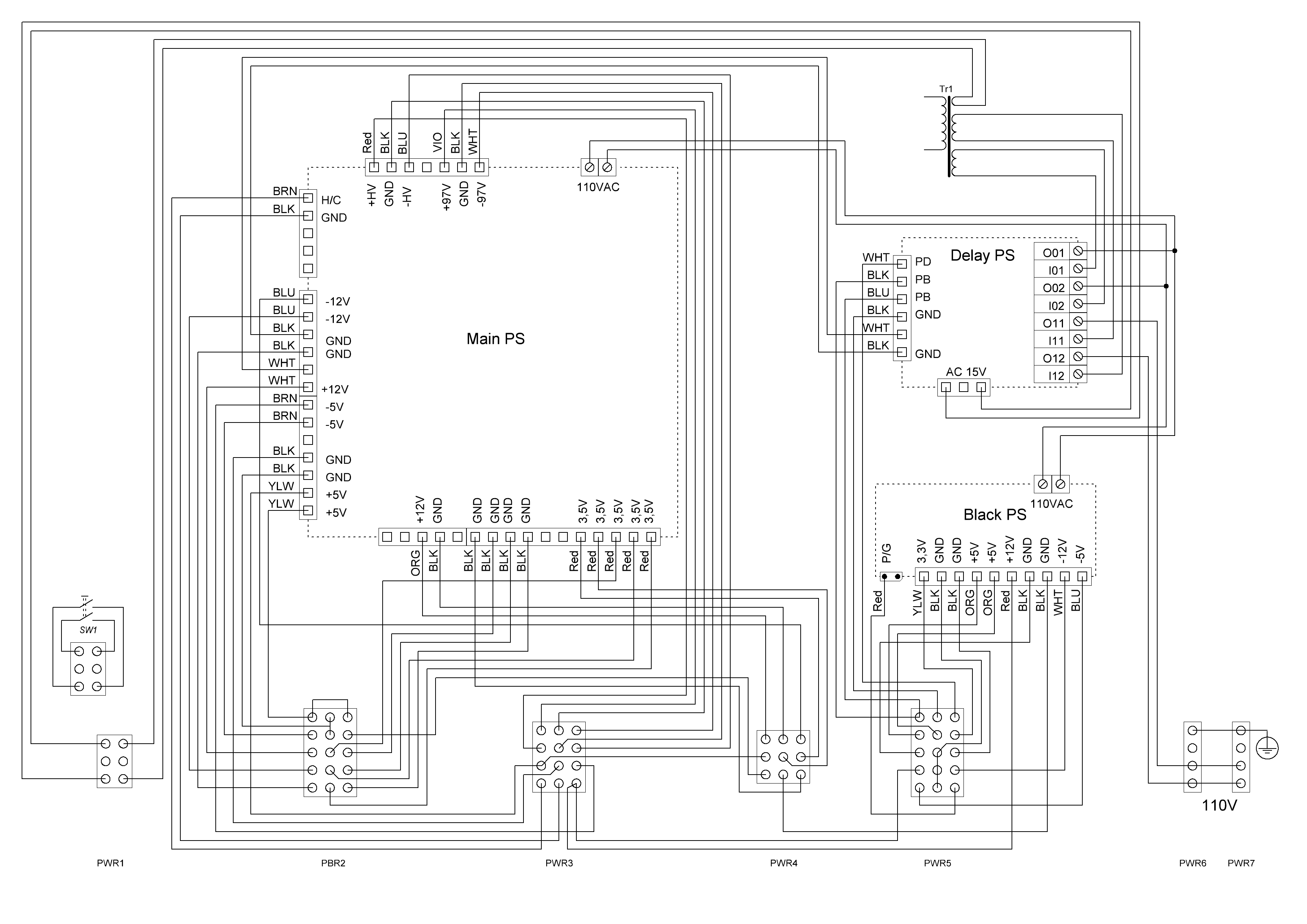
Ремонтировал блок питания к Medison SonoAce 8000. Пришлось сделать чертёж разводки сигналов. Надеюсь пригодиться.
Некоторые замечания:
Внутри БП находятся "Блок питания платы PC" и "Основная плата питания". Они питаются напряжением 110 Вольт!
Там же есть "Плата задержки включения питания" на которую подаётся 15 Вольт.
Через SW1 коммутируется 15 вольт от тороидального трансформатора. Поэтому включать включатель необходимо после подключения вилки в розетку!
Резистор VR2 +5VDC, на самом деле, регулирует 3,5V. Возможно, эту надпись на Вашей плате исправили.

О сигналах:
P/G -это сигнал об исправности "Блока питания платы PC" - Power Good
H/C - это сигнал о подключении Высокого Напряжения (-HV и +HV) - High Voltage/Connect
PD - это сигнал задержки подключения питания - Power Delay
0648213.gif (155.7 Kb) · 1140559.gif (29.0 Kb)


Как тяжело в зоопарке работать...

Сообщение отредактировал gordiuk - Суббота, 11.Мар.2017, 09:51
 
  • Страница 1 из 1
  • 1
Поиск:



Статистика Форума
Последние обновления тем: Новые файлы хранилища: Новые участники: Top10 участников:
1. УЗИ Logiq P9 ф.GE Ult...[AlexanderRu (05.Мар.2026)]
2. Радиовизиограф RSV 2[Romuald (04.Мар.2026)]
3. ЭКГ ЭК12Т-01-«Р-Д»[nikolai-m71 (03.Мар.2026)]
4. Дозатор шприцевой Аit...[ApelSin92 (02.Мар.2026)]
5. C-дуга "АРХМ-РЕН...[medplus (27.Фев.2026)]
6. Стоматустановка мод.....[vev1974 (26.Фев.2026)]
7. аппарат УЗД Samsung H...[имт (26.Фев.2026)]
8. Настройка и ремонт ми...[maik32 (25.Фев.2026)]
9. Стерилизатор паровой ...[skvorcovs77 (25.Фев.2026)]
1. Apollo EZ service man...[25.Дек.2025]
2. VIVIX Setup Operation...[12.Окт.2025]
3. GenwareMP[10.Сен.2025]
4. Настройка реагентов M...[20.Авг.2025]
5. Philips HD3-EXP[13.Авг.2025]
6. Рентгеновское оборудо...[08.Авг.2025]
7. VersaMed iVent201 Сер...[13.Фев.2025]
8. Гелпик КРД Ренекс РЦ ...[09.Фев.2025]
9. Офтальмологическая ус...[31.Окт.2024]
10. Cardinal-Health-VELA-...[03.Окт.2024]
1. ViktorT[05.Мар.2026]
2. kolia1984[05.Мар.2026]
3. EvgeniyT[05.Мар.2026]
4. Andrey124[05.Мар.2026]
5. Мари13[05.Мар.2026]
6. deroyef44[05.Мар.2026]
7. BBAASS[04.Мар.2026]
8. 89519512111[04.Мар.2026]
9. jdanoff[04.Мар.2026]
10. metagonimus[04.Мар.2026]
МастерБаку[583]
Yulana34[177]
Serg74[160]
Dimitrius[129]
naves[122]
РОМУЛ[121]
bektyish[121]
madmac[116]
Алекс-200[114]
генаf[112]