[ Новые сообщения · Участники · Правила форума · Поиск · RSS ]



  • Страница 1 из 1
  • 1
Модератор форума: GeorgySmith, KAMEROved_2  
КТ Somatom Emotion 16 ф.Siemens
yuravwДата: Понедельник, 01.Июн.2015, 19:13 | Сообщение # 1
Участник
У вас сообщений: 56
инженер
OFFлайн
Российская Федерация

Череповец
Somatom Emotion 16 не включается гентри. Нашел контактор К5, если его замкнуть руками, то гентри включается и начинает процессы самодиагностики и подготовки к работе. Измерял управляющее напряжение на контакторе(клеммы А1 и А2), вроде как должно быть 24В, но там ничего нет. Судя по проводам, за 24 В отвечает трансформатор Т2, находится как раз в правой стойке гентри.
К трансформатору не подлезть и как его от туда вытащить тоже не понятно. Отсоединил разъем Х1, как раз провода в него с разных клемм Т2 идут, там тоже нет напряжения.
Может у кого было что то подобное, куда еще копать????
 
ElyaДата: Вторник, 02.Июн.2015, 09:08 | Сообщение # 2
У вас сообщений: 395
инженер
OFFлайн
Российская Федерация

Воронеж
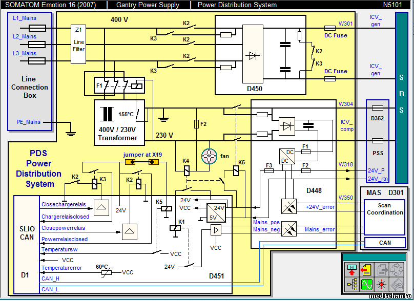
схему смотри, например, есть такой чудный предохранитель F2...
9546475.png (66.3 Kb)


Сообщение отредактировал Elya - Вторник, 02.Июн.2015, 09:16
 
yuravwДата: Вторник, 02.Июн.2015, 14:01 | Сообщение # 3
Участник
У вас сообщений: 56
инженер
OFFлайн
Российская Федерация

Череповец
а где находится этот чудный предохранитель???
Контактор гудит, вот думаю его тоже поменять, чтоб не думалось.
 
yuravwДата: Вторник, 02.Июн.2015, 16:35 | Сообщение # 4
Участник
У вас сообщений: 56
инженер
OFFлайн
Российская Федерация

Череповец
Если вы про F2, с которого питание еще и на кулер идет, то по видимому он цел, так как кулер крутиться.
Может просто что то именно с контактором случилось, так как он вибрирует и когда его силовые контакты разомкнуты и когда их в ручную включаешь. Кстати, при включении в ручную контактора К5 аппарат полностью работает.
 
ElyaДата: Среда, 03.Июн.2015, 09:52 | Сообщение # 5
У вас сообщений: 395
инженер
OFFлайн
Российская Федерация

Воронеж
я бы что сделал:
1. проверить обмотку к5
2. проверить что с 24в, которое приходит на к5
- приходит ли вообще в нужный момент
- насколько "чистое" напряжение по форме, т.е. в D448 есть диодный мост - смотреть что с ним
3. для запуска должен отработать к4 и к1 в D451. смотреть что там
ну как-то так..
 
yuravwДата: Среда, 03.Июн.2015, 21:37 | Сообщение # 6
Участник
У вас сообщений: 56
инженер
OFFлайн
Российская Федерация

Череповец
спасибо, будем смотреть.
 
yuravwДата: Пятница, 31.Июл.2015, 21:34 | Сообщение # 7
Участник
У вас сообщений: 56
инженер
OFFлайн
Российская Федерация

Череповец
доброй ночи. проблема оказалась в реле времени K4 (3R1505-1BP30), не дает управляющее напрядение 24 В на К5. Заказали новое. наличии не оказалось, сказали ждать месяц, так как завод Siemens будет его изготавливать 21 день, плюс доставка.
Ждемс, как установлю отпишусь.
 
KVIДата: Суббота, 01.Авг.2015, 08:43 | Сообщение # 8
Техник
У вас сообщений: 396
МРТ
OFFлайн
Российская Федерация

Елец
yuravw, А чем это реле времени такое эксклюзивное, что его месяц ждать надо? Неужели заменить нечем? Или починить, в конце концов. Фото выложи (желательно внутренности) - покумекаем.

-=Vladimir=-
 
yuravwДата: Суббота, 01.Авг.2015, 08:50 | Сообщение # 9
Участник
У вас сообщений: 56
инженер
OFFлайн
Российская Федерация

Череповец
я его не снял, при ручном включении К5 аппарат работает. Так что пусть работает и обслуживает пациентов.
 
KVIДата: Суббота, 01.Авг.2015, 09:00 | Сообщение # 10
Техник
У вас сообщений: 396
МРТ
OFFлайн
Российская Федерация

Елец
yuravw, К5 - понятно - вручную замкнул. А К1? - судя по схеме тоже через К4 включается. И если оно реально включается, то К4 тут не при делах.
Кстати. Если вручную замыкаешь К5 и все работает, то спокойно можно вытащить К4 и работать дальше.


-=Vladimir=-
 
HWMasterДата: Суббота, 01.Авг.2015, 09:11 | Сообщение # 11
У вас сообщений: 165
ENGINEER
OFFлайн
Российская Федерация

USSR
Да, красиво жить не запретишь....
Только чем вам не нравятся реле типа PCR-513, PCR-515 и им подобные?
Они вполне доступны в наличии и цена раза в 3 меньше.
Только разберитесь на какой режим родное настроено и задайте тот же.
 
yuravwДата: Суббота, 01.Авг.2015, 12:54 | Сообщение # 12
Участник
У вас сообщений: 56
инженер
OFFлайн
Российская Федерация

Череповец
KVI, на К1 все приходит как надо. там они от разных контактор реле подключены с К5.
Не сторонник я убирать то что поставлено разработчиками.
HWMaster, денежные затраты не на столько велики, чтобы не поставить оригинал. Время пока терпят.
 
KVIДата: Суббота, 01.Авг.2015, 13:00 | Сообщение # 13
Техник
У вас сообщений: 396
МРТ
OFFлайн
Российская Федерация

Елец
yuravw, Если у тебя К1 работает, то согласно схеме, что выложена выше, в К4 всего лишь контакты, что идут на К5 почистить надо (К1 ведь работает).

-=Vladimir=-
 
yuravwДата: Суббота, 01.Авг.2015, 13:08 | Сообщение # 14
Участник
У вас сообщений: 56
инженер
OFFлайн
Российская Федерация

Череповец
спасио. а нет ли у кого расшифровки обозначения функций по установленному реле времени, не нашел документацию по выставляемым параметрам на него.
 
KVIДата: Суббота, 01.Авг.2015, 13:27 | Сообщение # 15
Техник
У вас сообщений: 396
МРТ
OFFлайн
Российская Федерация

Елец
yuravw, Фото в студию (желательно с маркировкой). Я этот аппарат ни разу не видел. Занимаюсь МРТ. Но электроника (электрика) она и в Африке ......

-=Vladimir=-
 
yuravwДата: Суббота, 01.Авг.2015, 20:55 | Сообщение # 16
Участник
У вас сообщений: 56
инженер
OFFлайн
Российская Федерация

Череповец
фото во вложении. Буду рад любой информации по этому реле, особенно по тем функциям, а точнее их обозначениям, которые выставляются нижним вращающимся диском.
9668389.jpg (107.7 Kb)
 
YuriДата: Воскресенье, 02.Авг.2015, 04:20 | Сообщение # 17
Техник
У вас сообщений: 323
инженер
OFFлайн
Российская Федерация

Россия
Цитата yuravw ()
фото во вложении. Буду рад любой информации по этому реле, особенно по тем функциям, а точнее их обозначениям, которые выставляются нижним вращающимся диском.

http://pdf1.alldatasheet.com/datashe....30.html
Оно? Да, собственно, и сам файл есть
datasheet.pdf (203.0 Kb)


Сообщение отредактировал Yuri - Воскресенье, 02.Авг.2015, 04:25
 
yuravwДата: Воскресенье, 02.Авг.2015, 08:46 | Сообщение # 18
Участник
У вас сообщений: 56
инженер
OFFлайн
Российская Федерация

Череповец
файл pdf не на то реле что установлено, и в ссылке вместо 1BP30, написано 1BW30.
 
KVIДата: Воскресенье, 02.Авг.2015, 16:50 | Сообщение # 19
Техник
У вас сообщений: 396
МРТ
OFFлайн
Российская Федерация

Елец
yuravw, От молодежь...... Всё по полочкам разложи и букву правильную напиши.
А в гугль просто забить "3RP1505-1BP30" и почитать?

Вот потратил 15 минут:

https://www.google.ru/search?....e=UTF-8
https://support.industry.siemens.com/cs....c=en-WW
https://cache.industry.siemens.com/dl....007.pdf
https://cache.industry.siemens.com/dl....S04.pdf
https://cache.industry.siemens.com/dl...._en.pdf

Читай - обчитаешься - всё по полочкам расписано.
Кстати, судя по рекламе это реле можно и в России купить свободно.

Странная какая-то у тебя установочка на этом реле - его никто до этого не крутил? Таймер аж на 4-ро суток накручен.


-=Vladimir=-

Сообщение отредактировал KVI - Воскресенье, 02.Авг.2015, 17:13
 
KVIДата: Воскресенье, 02.Авг.2015, 19:00 | Сообщение # 20
Техник
У вас сообщений: 396
МРТ
OFFлайн
Российская Федерация

Елец
yuravw, Исправное у тебя реле. Настройки кто-то накрутил.
Функция установлена "А с точкой". Это значит, что при подаче питания контакты 21-24 замкнутся сразу и разомкнутся при отключении питания. А вот контакты 15-18 замкнутся только через время "t". А оно у тебя в 100 часов установлено. Подождал бы 4-ро суток - оно бы и включилось :) .
Спрашивай у коллег (у кого такой же аппарат есть) какие установки с завода шли.
Чьи-то шаловливые ручки поигрались. (Или очень умный недоброжелатель :) )


-=Vladimir=-
 
ElyaДата: Воскресенье, 02.Авг.2015, 22:48 | Сообщение # 21
У вас сообщений: 395
инженер
OFFлайн
Российская Федерация

Воронеж
гляну в понедельник в PDS на емоушене, какие настройки на реле задержки
 
YuriДата: Понедельник, 03.Авг.2015, 04:44 | Сообщение # 22
Техник
У вас сообщений: 323
инженер
OFFлайн
Российская Федерация

Россия
Цитата yuravw ()
файл pdf не на то реле что установлено, и в ссылке вместо 1BP30, написано 1BW30.

первая страница, последняя строка таблицы - не? Диаграмма 9.... реле задержки... Вы только заголовки читаете?
 
KVIДата: Понедельник, 10.Авг.2015, 16:38 | Сообщение # 23
Техник
У вас сообщений: 396
МРТ
OFFлайн
Российская Федерация

Елец
Elya, Не глянул настройку? Мне аж самому интересно.....

-=Vladimir=-
 
ElyaДата: Понедельник, 10.Авг.2015, 17:18 | Сообщение # 24
У вас сообщений: 395
инженер
OFFлайн
Российская Федерация

Воронеж
блин, у меня Емоушен в составе ПЭТ-КТ, я попутал, думал, что реле в силовом шкафчике... а оно в PDS, а так просто как в обычном КТ туда не влезть.. Мне придется откатить ПЭТ-часть, а потом обязательно нужно будет делать калибровку на совмещение ПЭТ и КТ изображений. Начальство попросит объяснить, че это я задумал вне графика, ведь калибровать по источнику ионизирующего излучения, а там своя бодяга. В общем, прям сейчас, никак, извиняюсь.

Сообщение отредактировал Elya - Понедельник, 10.Авг.2015, 17:18
 
YuriДата: Вторник, 11.Авг.2015, 03:39 | Сообщение # 25
Техник
У вас сообщений: 323
инженер
OFFлайн
Российская Федерация

Россия
Цитата Elya ()
ведь калибровать по источнику ионизирующего излучения, а там своя бодяга.

В чем бодяга? Периодическая процедура... blush
 
ElyaДата: Вторник, 11.Авг.2015, 10:20 | Сообщение # 26
У вас сообщений: 395
инженер
OFFлайн
Российская Федерация

Воронеж
Цитата Yuri ()
В чем бодяга?


волокита и ненужные вопросы
 
yuravwДата: Четверг, 20.Авг.2015, 15:51 | Сообщение # 27
Участник
У вас сообщений: 56
инженер
OFFлайн
Российская Федерация

Череповец
добрый день, если у кого есть схема платы D448, поделитесь пожалуйста. Походу дела проблема в ней. И это же влияет на пропадание связи с гентри, описанной в соседней теме.

Сообщение отредактировал yuravw - Четверг, 20.Авг.2015, 15:53
 
yuravwДата: Пятница, 21.Авг.2015, 19:07 | Сообщение # 28
Участник
У вас сообщений: 56
инженер
OFFлайн
Российская Федерация

Череповец
добрый вечер, коллеги.
Проблема решена. На плате D448 сгорел термистор на входе 220 В. Его замена восстановила подачу 24 в на управление К5. Плюс ко всему реле времени К4 тоже умерло.
 
ElyaДата: Суббота, 22.Авг.2015, 22:49 | Сообщение # 29
У вас сообщений: 395
инженер
OFFлайн
Российская Федерация

Воронеж
Молодцы, докопались!
 
ElyaДата: Воскресенье, 30.Авг.2015, 13:48 | Сообщение # 30
У вас сообщений: 395
инженер
OFFлайн
Российская Федерация

Воронеж
раскручивал у себя аппарат с сфотал реле.. действительно, стоит задержка в 1 сек

4073485.jpg (137.4 Kb)
 
KVIДата: Воскресенье, 30.Авг.2015, 15:28 | Сообщение # 31
Техник
У вас сообщений: 396
МРТ
OFFлайн
Российская Федерация

Елец
Цитата Elya ()
действительно, стоит задержка в 1 сек

А я чего говорил? -

Цитата KVI ()
Настройки кто-то накрутил.

Цитата KVI ()
Чьи-то шаловливые ручки поигрались. (Или очень умный недоброжелатель :) )


-=Vladimir=-
 
ivdelkingДата: Четверг, 13.Окт.2016, 23:14 | Сообщение # 32
Стажер
У вас сообщений: 19
сервисный инжинер мрт
OFFлайн
Российская Федерация

Москва
доброго времени суток!сетуёвина следующия,пробило высоким реле времени на 24 в , mad преды ,диоды стаб востановлен рел врем заменено куда дальше копать нужна детальная схема d451 мануала не было и в помине прошу любой помощи ,кроме пинка в зад!!!! blush blush

King
меж тем как сельские циклопы перед медлительным огнём,Российским лечат молотком ,изделие лёгкое Европы
 
ivdelkingДата: Пятница, 14.Окт.2016, 04:25 | Сообщение # 33
Стажер
У вас сообщений: 19
сервисный инжинер мрт
OFFлайн
Российская Федерация

Москва
нашфол biggrin завёл,работает !!прогорели межплатные проводники!!!! bye2 я смотрю тут прям помошников очередь была !!((((

King
меж тем как сельские циклопы перед медлительным огнём,Российским лечат молотком ,изделие лёгкое Европы
 
  • Страница 1 из 1
  • 1
Поиск:



Статистика Форума
Последние обновления тем: Новые файлы хранилища: Новые участники: Top10 участников:
1. Помощь в техобслужива...[dzyatel (29.Май.2026)]
2. Аппараты НЧ электроте...[aleksan (28.Май.2026)]
3. При операции с примен...[susel63 (28.Май.2026)]
4. Техническая поддержка...[UPZ (25.Май.2026)]
5. MOVIPLAN (УниКоРД-МТ)...[SpirituS (24.Май.2026)]
6. Аппарат магнитотерапе...[SpirituS (24.Май.2026)]
7. Стоматустановка K3 ф....[zizeroman (24.Май.2026)]
8. Анализатор гематологи...[fred1 (22.Май.2026)]
9. ЭХВЧ-400 ск-"Ник...[Olegosh (21.Май.2026)]
1. Apollo EZ service man...[25.Дек.2025]
2. VIVIX Setup Operation...[12.Окт.2025]
3. GenwareMP[10.Сен.2025]
4. Настройка реагентов M...[20.Авг.2025]
5. Philips HD3-EXP[13.Авг.2025]
6. Рентгеновское оборудо...[08.Авг.2025]
7. VersaMed iVent201 Сер...[13.Фев.2025]
8. Гелпик КРД Ренекс РЦ ...[09.Фев.2025]
9. Офтальмологическая ус...[31.Окт.2024]
10. Cardinal-Health-VELA-...[03.Окт.2024]
1. RomanGrek[30.Май.2026]
2. vapinic[29.Май.2026]
3. wenderer861[28.Май.2026]
4. karabas1167[28.Май.2026]
5. Paulus[28.Май.2026]
6. hismatulinaKsenia[28.Май.2026]
7. nefrid12[28.Май.2026]
8. roser362[27.Май.2026]
9. Romany4777[27.Май.2026]
10. RVA-59[27.Май.2026]
МастерБаку[583]
Yulana34[177]
Serg74[160]
Dimitrius[129]
naves[122]
РОМУЛ[121]
bektyish[121]
madmac[116]
Алекс-200[114]
генаf[112]