[ Новые сообщения · Участники · Правила форума · Поиск · RSS ]



  • Страница 1 из 1
  • 1
Модератор форума: GeorgySmith, KAMEROved_2  
МРТ Excite 1.5 T ф.GE
NeitДата: Вторник, 28.Ноя.2017, 17:39 | Сообщение # 1
Стажер
У вас сообщений: 25
Инженер
OFFлайн
Германия

Hamburg
Доброго дня коллеги! Имеется аппарат GE Excite 1.5 T.
Как водится, в один прекрасный день стали выпадать ошибки по градиентам. На блоке питания градиентов (SGA) загорались ошибки Overvoltage Y и иногда Overvoltage X. Вот такие:


Заботливые инженеры GE сделали кучу подписанных тестовых пинов на платах, за это им отдельное спасибо. На включенном блоке были замерены уровни выходного напряжения по линиям 100В и 700В на всех осях, они были в норме. Были проверены диоды высоковольтной и низковольтной части, никаких повреждений либо отличий между осями найдено не было.

В порядке эксперимента на главной плате управления были найдены и отключены триггеры защиты по перенапряжению по данным осям. Блок нормально работал с нагрузкой без ошибок, сами градиенты ошибок по перенапряжению не выдавали. Но после какого-то времени появилась ошибка перенапряжение по оставшейся защите оси X, а после блок и вовсе перестал запускаться. Причем на лицевой панели платы управления не загораются никакие ошибки кроме Fault.

Сделаю лирическое отступление и немного расскажу про топологию данного агрегата, думаю многим будет интересно. biggrin
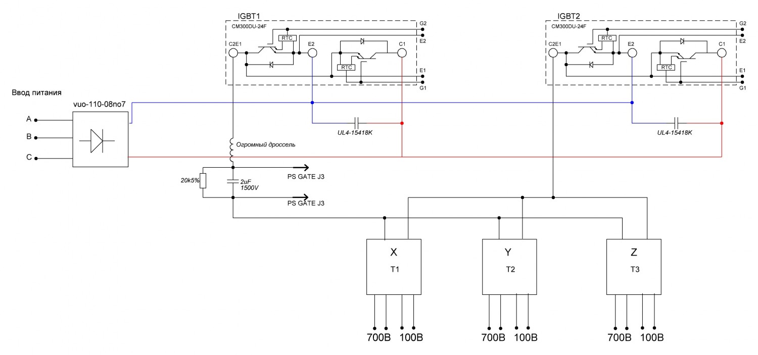
Вот схема основных узлов:

Принцип работы похож на резонансный конвертер от аппаратов Siemens. Трехфазное питание на входе выпрямляется, что доводит его примерно до уровня 420В. После чего, четыре очень мощных IGBT ключа, построенные по мостовой схеме (H-bridge) раскачивают первичные обмотки трех импульсных трансформаторов. Чтобы снизить потери на нагрев при работе на таких огромных токах, в цепи сделан резонансный контур состоящий из огромного дросселя и высоковольтного конденсатора. Такой контур позволяет максимально уменьшить потери при работе транзисторов на определенной частоте. Каждый трансформатор имеет выходные обмотки на 700В и 100В, для питания градиента соответствующей оси. На каждой линии висит датчик тока и присутствуют делители напряжения для измерения собственно, напряжения.

Но в данном случае что-то явно работает не так. Конечно все сводится к управляющей плате - там стоят компараторы и операционные усилители, отвечающие за измерение токов и напряжений силовой части, а также триггеры ошибок и даже старые добрые 555 таймеры, да). В итоге, на данной плате были найдены драйверы, с которых идет ШИМ сигнал на IGBT ключи и он был снят логическим анализатором. При запуске неисправного блока ШИМ - сигнал стартует на несколько миллисекунд, далее слышится потрескивание со стороны IGBT модулей и загорается Fault. Потом через несколько секунд процесс повторяется заново. Причем все развязывающие оптроны на плате управления транзисторами точно работают. Главную плату управления также пробовали ставить заведомо рабочую, дело не в ней. IGBT ключи по даташиту имеют встроенную защиту, как думаете, может ли описанное быть следствием ее срабатывания? И в каком случае может быть перенапряжение на выходе трансформаторов питания осей, если защита по току резонансного дросселя все это время молчит?

PS: Во время реверс инжиниринга главной платы управления на одном из тест поинтов была обнаружена надпись "Big bang window", как думаете, это шутка от инженеров GE про dead time транзисторов? biggrin
4183556.jpg (92.2 Kb) · 5238463.jpg (186.0 Kb)
 
resonansДата: Вторник, 28.Ноя.2017, 20:49 | Сообщение # 2
Участник
У вас сообщений: 147
Инженер
OFFлайн
Украина

ЮгУкраины
Цитата Neit ()
IGBT ключи по даташиту имеют встроенную защиту, как думаете, может ли описанное быть следствием ее срабатывания?

В самом деле... И как я внимания на это не обратил ?(думаю ,такие вопросы немного не для этого форума :) )
Сейчас в нем стоят другие ключи,- ведет себя точно так же. С ними он работал год, потом появился аналогичный косяк.
Дык посмотри напругу на затворе и одновременно коллектор- эммитер,- будет видно срабатывает защита или нет.

Цитата Neit ()
Конечно все сводится к управляющей плате

Там еще на одной плате есть куча операционников, в которую вставляется плата контроллера. .
Несмотря на относительную простоту питальника, чинить его ой как геморно, по 4(6 ?) слоев в платах и полное отсутсвие документации.
Неплохо бы проверить резонансный дроссель на наличие КЗ и кандер на наличие ESR и емкости , мало ли что. В моем случае все было путем- но вел себя точно так же непонятно.


Сообщение отредактировал resonans - Вторник, 28.Ноя.2017, 20:55
 
novgorodovДата: Суббота, 02.Дек.2017, 19:28 | Сообщение # 3
Заглянувший
У вас сообщений: 3
инженер АСУ ТП
OFFлайн
Казахстан

Костанай
Бодались достаточно долго с абсолютно такой-же темой, заменили часть элементов в самом БП, в том числе и 2200uF 400V электролиты, заменили плату управления блока питания на новую, заменили платы управления градиентами. DC напряжения хоть и находятся в пределах, но их болтало в диапазоне 160-180 вольт, и при даже кратковременном достижении LV значения 185 вольт, срабатывает OV градиентов и OV блока питания по одной или двум осям стабильно. Периодически система начинает работать неопределенное время, вплоть до суток, далее всё по кругу.

В итоге поменяли полностью БП. Проблема сразу отпала. Напряжения перестали колебаться в том большом диапазоне как до замены (LV 162~168 в режиме покоя), пачки ШИМ импульсов стали более мягкими, без каких-либо потрескиваний на слух.
Таким образом проблема в нашем случае так-же не была в плате управления БП, а именно в россыпи компонентов БП возможно даже силовых(промежуточную плату тоже прошерстили вдоль и поперек), IGBT оказались слишком дороги что-бы далее экспериментировать.
 
mriserviceДата: Пятница, 08.Дек.2017, 06:58 | Сообщение # 4
Стажер
У вас сообщений: 4
технический директор
OFFлайн
Российская Федерация

Новосибирск
а что нельзя просто купить блок управления и поменять модуль ? будет стоить дешевле ... чем замена всего БП

все что ни делается все к лучшему
 
NeitДата: Пятница, 08.Дек.2017, 11:24 | Сообщение # 5
Стажер
У вас сообщений: 25
Инженер
OFFлайн
Германия

Hamburg
mriservice, Проблема не в плате управления, увы. Кроме того как говорят некоторые коллеги, иногда замена платы на другую может привести к взрывным последствиям. biggrin
 
NeitДата: Суббота, 30.Дек.2017, 11:19 | Сообщение # 6
Стажер
У вас сообщений: 25
Инженер
OFFлайн
Германия

Hamburg
Блок наконец был успешно отремонтирован. Помогла замена ключей, а также одного резистора. biggrin
Всех с наступающим!
 
vlad2323Дата: Вторник, 07.Авг.2018, 20:14 | Сообщение # 7
Стажер
У вас сообщений: 45
инженер
OFFлайн
Беларусь

БЕЛАРУСЬ
Цитата Neit ()
Помогла замена ключей, а также одного резистора

на плате управления?


vlad2323
 
NeitДата: Четверг, 09.Авг.2018, 21:44 | Сообщение # 8
Стажер
У вас сообщений: 25
Инженер
OFFлайн
Германия

Hamburg
Нет, силовые сборки заменили. Рекомендую промониторить напряжения на линии питания во время ошибки, а также проверить все элементы в резонансной цепи.
 
vlad2323Дата: Пятница, 10.Авг.2018, 22:50 | Сообщение # 9
Стажер
У вас сообщений: 45
инженер
OFFлайн
Беларусь

БЕЛАРУСЬ
Цитата Neit ()
Neit
у меня похожая ошибка по питанию, только Overvoltage Z, пояляется сразу при подаче питания, прошу вашей помощи - не силен как вы. Правильно я понимаю силовые сборки это диоды или эта диодная сборка DD82SO8K ? у меня в модуле питания три одинаковых платы, элементы прозвонил, вроде все нормально... Емкости немного упали с 3300мкф до 2950мкф, у диодных сборок небольшой разброс по сопротивлению.. Конденс. в резонансной цепи норм. Транс не знаю как поверить на наличие к.з. Промониторить напряжения - это на лицевом диагностическом разъеме? питание на резонанс идет с двух ключей CM400DY-24NF
0117804.jpg (220.2 Kb) · 6718534.jpg (146.4 Kb) · 5285050.jpg (147.5 Kb) · 4791251.jpg (212.7 Kb) · 5123969.jpg (163.2 Kb) · 5422471.jpg (188.9 Kb)


vlad2323

Сообщение отредактировал vlad2323 - Пятница, 10.Авг.2018, 23:01
 
vlad2323Дата: Пятница, 10.Авг.2018, 22:51 | Сообщение # 10
Стажер
У вас сообщений: 45
инженер
OFFлайн
Беларусь

БЕЛАРУСЬ
еще пару
7004951.jpg (182.5 Kb) · 6711605.jpg (87.6 Kb) · 3088045.jpg (109.6 Kb)


vlad2323
 
NeitДата: Суббота, 11.Авг.2018, 21:03 | Сообщение # 11
Стажер
У вас сообщений: 25
Инженер
OFFлайн
Германия

Hamburg
Смотрите, блок устроен достаточно надежно и производитель снабдил его кучей индикаторов ошибок.
Тем не менее, при неисправности резонансной цепи, он может просто выдавать Fault или Overvoltage и становится трудно понять, что именно не так. Это происходит при срыве генерации, напр. когда что-то не так с IGBT транзисторами (которые кстати снабжены собственной защитой и вполне может оказаться что срабатывает она), либо элементами резонансной цепи: С дросселем, трансформатором, конденсатором и даже сопротивлением на конденсаторе. В первую очередь нужно проверять их (см. схему в начале темы). Выходные платы при подобной ошибке - это уже вторичное, на них навешана куча других защит. Небольшой разброс в емкостях и параметров диодов выходных плат допускается и не критичен для работы блока.

Мониторить напряжение можно после транзисторов, чтобы засечь просадку, но там насколько я помню в районе 600В, будьте крайне осторожны.
Все высоковольтные элементы, трансформатор, дроссель, конденсатор мультиметром проверить трудно так как они расчитаны на высокие напряжения. Для этого используется мегомметр.
 
vlad2323Дата: Вторник, 14.Авг.2018, 16:56 | Сообщение # 12
Стажер
У вас сообщений: 45
инженер
OFFлайн
Беларусь

БЕЛАРУСЬ
del

vlad2323

Сообщение отредактировал vlad2323 - Среда, 15.Авг.2018, 10:23
 
maik1235Дата: Понедельник, 22.Мар.2021, 13:51 | Сообщение # 13
Стажер
У вас сообщений: 4
инженер
OFFлайн
Российская Федерация

Новосибирск
Коллеги добрый день. Аппарат Signa HDxt1.5t по всем трем осям выдал ошибки. Z Axis gradient error detected;recovery in progress, X Axis gradient error detected;recovery in progress,Z Axis gradient error detected recovery in progress, попробовал сделать программный тест с помощью встроенного ПО, все пункты прошли кроме теста на гистерезис , кто ни будь пробовал делать данный тест на исправных градиентах, напишите.
3935566.jpg (38.6 Kb)
 
  • Страница 1 из 1
  • 1
Поиск:



Статистика Форума
Последние обновления тем: Новые файлы хранилища: Новые участники: Top10 участников:
1. Помощь в техобслужива...[dzyatel (29.Май.2026)]
2. Аппараты НЧ электроте...[aleksan (28.Май.2026)]
3. При операции с примен...[susel63 (28.Май.2026)]
4. Техническая поддержка...[UPZ (25.Май.2026)]
5. MOVIPLAN (УниКоРД-МТ)...[SpirituS (24.Май.2026)]
6. Аппарат магнитотерапе...[SpirituS (24.Май.2026)]
7. Стоматустановка K3 ф....[zizeroman (24.Май.2026)]
8. Анализатор гематологи...[fred1 (22.Май.2026)]
9. ЭХВЧ-400 ск-"Ник...[Olegosh (21.Май.2026)]
1. Apollo EZ service man...[25.Дек.2025]
2. VIVIX Setup Operation...[12.Окт.2025]
3. GenwareMP[10.Сен.2025]
4. Настройка реагентов M...[20.Авг.2025]
5. Philips HD3-EXP[13.Авг.2025]
6. Рентгеновское оборудо...[08.Авг.2025]
7. VersaMed iVent201 Сер...[13.Фев.2025]
8. Гелпик КРД Ренекс РЦ ...[09.Фев.2025]
9. Офтальмологическая ус...[31.Окт.2024]
10. Cardinal-Health-VELA-...[03.Окт.2024]
1. Julia_Howlter[30.Май.2026]
2. Medtehaktauarsen[30.Май.2026]
3. artudav[30.Май.2026]
4. Астим[30.Май.2026]
5. RomanGrek[30.Май.2026]
6. vapinic[29.Май.2026]
7. wenderer861[28.Май.2026]
8. karabas1167[28.Май.2026]
9. Paulus[28.Май.2026]
10. hismatulinaKsenia[28.Май.2026]
МастерБаку[583]
Yulana34[177]
Serg74[160]
Dimitrius[129]
naves[122]
РОМУЛ[121]
bektyish[121]
madmac[116]
Алекс-200[114]
генаf[112]