[ Новые сообщения · Участники · Правила форума · Поиск · RSS ]



  • Страница 1 из 1
  • 1
Модератор форума: GeorgySmith, KAMEROved_2  
Методы согласования Body Coil.
NeitДата: Воскресенье, 21.Янв.2018, 15:49 | Сообщение # 1
Стажер
У вас сообщений: 25
Инженер
OFFлайн
Германия

Hamburg
Всем привет, коллеги.
Затрону довольно сложную, но в тоже время интересную тему, а именно согласование основной передающей катушки томографа - Body Coil.
Надеюсь, многие уже знают что такое согласование и зачем оно нужно:


Я изучил несколько аппаратов разных производителей, и у каждого обнаружил абсолютно разный метод!
Предлагаю ознакомиться с моим небольшим обзором, подумать почему то или иное решение лучше, а также рассказать о методах, которые не попали в поле моего зрения.

Siemens
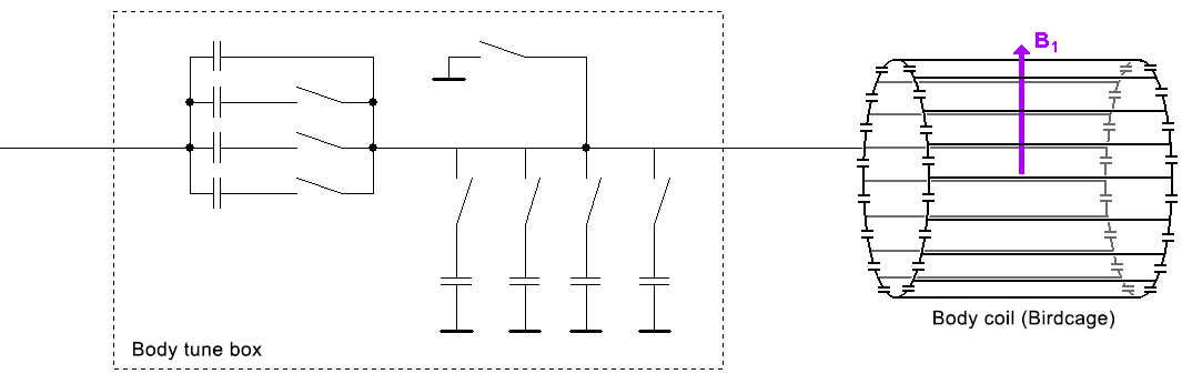
В аппаратах siemens сделано самое простое на мой взгляд решение - там за согласование отвечает блок Body Tune Box (BTB). По сути это массив, состоящий из набора конденсаторов разной емкости, переключаемых в зависимости от нагрузки, помещенной в антенну. Нарисовал примерно по памяти для случая линейно поляризованной катушки (с одним портом):

сама коробочка выглядит вот так, места много не занимает


General Electric
GE используют Quad hybrid splitter (русский аналог, который встречал в литературе - шлейфный ответвитель). Специальная конструкция, позволяющая кроме подавления отраженного сигнала, еще и делать квадратурный режим всего с одного источника (разделяет сигнал на два порта Body coil).
Схема аппарата из открытых источников:

Сама коробочка:

Принцип работы заключается в связности линий, имеющих длину в четверть длины волны. Не буду приводить математическое описание, да и не очень я в нем силен если честно (буду рад если кто разъяснит без сложных формул). Для простоты понимания - вот S-параметры такого ответвителя:

Как видно, он обеспечивает отличную передачу с порта 1 на порты 2 и 3 при полной изоляции порта 4, к которому подключен приемник сигналов с Body coil. Отраженные сигналы с портов 2 и 3 гасятся, усилитель спасен.

Philips
Если кто заморочился, то это Philips. Они вставили в свой аппарат ни много ни мало потоковый накопитель из фильма "Назад в будущее":

Шутка, на самом деле это называется циркулятор. Хитрая радиотехническая конструкция, состоящая из ферритовых колец, находящихся в постоянном магнитном поле. Имеет три порта, и позволяет передавать сигнал только с порта 1 только на порт 2, с порта 2 только на порт 3, и с порта 3 соответственно только на порт 1. То есть, подключив на порт 3 фиксированную нагрузку мы передаем сигнал с порта 1 на порт 2, в тоже время отраженный сигнал с порта 2 идет на порт 3, где рассеивается на нагрузке в виде тепла. Принцип действия заключается в особенностях распространения радиоволн в намагниченном материале (подробнее см. Эффект Фарадея)

Вот примерно что я выяснил, буду рад вашим исправлениям и дополнениям!
4564537.jpg (57.4 Kb) · 4799839.jpg (133.3 Kb) · 8961529.jpg (27.9 Kb) · 4815763.jpg (33.4 Kb) · 2787615.jpg (83.2 Kb) · 6114971.jpg (168.1 Kb)


Сообщение отредактировал Neit - Воскресенье, 21.Янв.2018, 17:36
 
NeitДата: Воскресенье, 21.Янв.2018, 16:05 | Сообщение # 2
Стажер
У вас сообщений: 25
Инженер
OFFлайн
Германия

Hamburg
Да, еще вот анимация работы циркулятора:
4350530.gif (1.08 Mb)
 
KVIДата: Воскресенье, 21.Янв.2018, 21:32 | Сообщение # 3
Техник
У вас сообщений: 396
МРТ
OFFлайн
Российская Федерация

Елец
Впервые слышу про филипсовский "циркулятор". Как правило, огромная 50Омная нагрузка с радиатором.

-=Vladimir=-
 
resonansДата: Понедельник, 22.Янв.2018, 00:53 | Сообщение # 4
Участник
У вас сообщений: 147
Инженер
OFFлайн
Украина

ЮгУкраины
Согласование- это только в первом случае, в остальных- костыли для защиты приемника и разделения мощностей.
 
  • Страница 1 из 1
  • 1
Поиск:



Статистика Форума
Последние обновления тем: Новые файлы хранилища: Новые участники: Top10 участников:
1. Помощь в техобслужива...[dzyatel (29.Май.2026)]
2. Аппараты НЧ электроте...[aleksan (28.Май.2026)]
3. При операции с примен...[susel63 (28.Май.2026)]
4. Техническая поддержка...[UPZ (25.Май.2026)]
5. MOVIPLAN (УниКоРД-МТ)...[SpirituS (24.Май.2026)]
6. Аппарат магнитотерапе...[SpirituS (24.Май.2026)]
7. Стоматустановка K3 ф....[zizeroman (24.Май.2026)]
8. Анализатор гематологи...[fred1 (22.Май.2026)]
9. ЭХВЧ-400 ск-"Ник...[Olegosh (21.Май.2026)]
1. Apollo EZ service man...[25.Дек.2025]
2. VIVIX Setup Operation...[12.Окт.2025]
3. GenwareMP[10.Сен.2025]
4. Настройка реагентов M...[20.Авг.2025]
5. Philips HD3-EXP[13.Авг.2025]
6. Рентгеновское оборудо...[08.Авг.2025]
7. VersaMed iVent201 Сер...[13.Фев.2025]
8. Гелпик КРД Ренекс РЦ ...[09.Фев.2025]
9. Офтальмологическая ус...[31.Окт.2024]
10. Cardinal-Health-VELA-...[03.Окт.2024]
1. vapinic[29.Май.2026]
2. wenderer861[28.Май.2026]
3. karabas1167[28.Май.2026]
4. Paulus[28.Май.2026]
5. hismatulinaKsenia[28.Май.2026]
6. nefrid12[28.Май.2026]
7. roser362[27.Май.2026]
8. Romany4777[27.Май.2026]
9. RVA-59[27.Май.2026]
10. Dream_29[26.Май.2026]
МастерБаку[583]
Yulana34[177]
Serg74[160]
Dimitrius[129]
naves[122]
РОМУЛ[121]
bektyish[121]
madmac[116]
Алекс-200[114]
генаf[112]