[ Новые сообщения · Участники · Правила форума · Поиск · RSS ]



  • Страница 1 из 1
  • 1
Модератор форума: GeorgySmith, KAMEROved_2  
МРТ Symphony_Water Flow Prim
renomixДата: Понедельник, 28.Янв.2019, 23:02 | Сообщение # 1
Стажер
У вас сообщений: 20
инженер
OFFлайн
Российская Федерация

Москва
Всем добрый вечер.
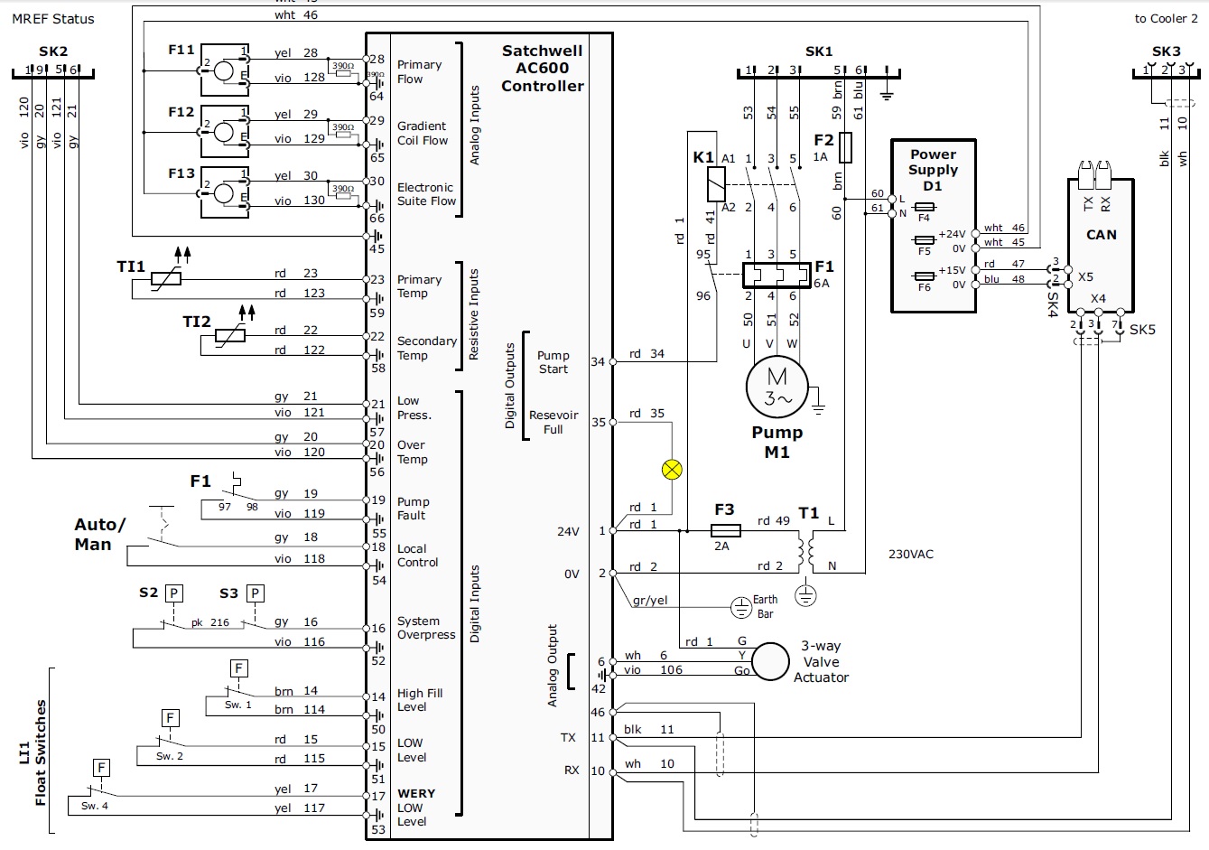
Может кто подскажет что делать, показатель Water Flow Prim в magnet&cooling горит красным и пишет 0 литров.
В шкафу RCA пробовал менять датчики местами, соответственно первый датчик не пашет заменили. Но не помогло.
Предохранители в блоке управления все целые, провода нигде не отвалились. В чем может быть причина отказа датчика или еще чего??
 
laker87Дата: Понедельник, 28.Янв.2019, 23:02 | Сообщение # 2
Стажер
У вас сообщений: 28
Программист
OFFлайн
Российская Федерация

Балаково
Раньше раз в 4-7 дней начинала моргать лампочка уровня воды. Я доливал дистиллированной воды, и она переставала моргать. Теперь вдруг я этого не наблюдаю, подозреваю, что эта лампочка могла перегореть.
1. Как еще можно проконтролировать уровень воды? Есть ли дублирующая лампочка?
2. Сервисный ключ есть, Magnet & Cooling говорит что Water Level NORMAL - или это не то?
3. Пытаюсь сейчас доливать "на глаз", но боюсь перелить, т.к. не знаю устройства системы охлаждения. Что будет если я налью много воды?
4. Мануал читал там вроде написано что при недостатке воды насос выключится. А система вырубится или сообщит как-нибудь?
5. И последнее - как эту лампочку заменить, если вдруг она сгорела?
Огромные благодарности за внимание.
 
refrenДата: Понедельник, 28.Янв.2019, 23:03 | Сообщение # 3
Техник
У вас сообщений: 317
Инженер
OFFлайн
Российская Федерация

Москва
Мультиметром промерь ее сопротивление - если в обрыве (перегорела) будет бесконечность.
Если на нее подается 24 Вольта значит лампочка должна гореть.

Как долго по времени заливали воду? Какой средний объем?
Может была утечка которая сама собой закоксовалась?

Цитата laker87 ()
Сервисный ключ есть, Magnet & Cooling говорит что Water Level NORMAL

Там три датчика уровня - по верхнему лампочка гаснет
по среднему загорается
по нижнему остановится насос (помпа) и в Magnet & Cooling будеn Water Level - LOW


Сообщение отредактировал refren - Среда, 21.Янв.2015, 16:45
 
laker87Дата: Понедельник, 28.Янв.2019, 23:03 | Сообщение # 4
Стажер
У вас сообщений: 28
Программист
OFFлайн
Российская Федерация

Балаково
C мультиметром я дружу, но вот как добраться до лампочки? можно конечно снять и разобрать саму коробульку, но там оптика и т.д. Обидно будет потом обнаружить, что она как нибудь меняется без разборки. Потом какого типа там лампа, или это светодиод? Если для замены лампы надо расковырять половину шайтан-машины, хорошо бы иметь при себе лампочку на замену...
Заливали воду туда регулярно, на протяжении как минимум двух лет. литров 40 - 60 влили.
Цитата refren ()
Может была утечка которая сама собой закоксовалась?

Может конечно, внутреннего устройства кулера не знаю, поэтому и волнуюсь по поводу перелива.
А когда насос остановится, то работать тоже будет нельзя?
 
refrenДата: Понедельник, 28.Янв.2019, 23:03 | Сообщение # 5
Техник
У вас сообщений: 317
Инженер
OFFлайн
Российская Федерация

Москва
Цитата laker87 ()
А когда насос остановится, то работать тоже будет нельзя?

Работать будет невозможно ибо томограф даже не выйдет на рабочий режим - все блоки охлаждающиеся водой даже не включатся (там блокировка, нет потока воды - нет включению)
Цитата laker87 ()
C мультиметром я дружу, но вот как добраться до лампочки?

Разбирать не обязательно.

На фото 1-35 контакт - это искомая лампочка.
6258111.jpg (267.1 Kb)


Сообщение отредактировал refren - Четверг, 22.Янв.2015, 21:30
 
laker87Дата: Понедельник, 28.Янв.2019, 23:03 | Сообщение # 6
Стажер
У вас сообщений: 28
Программист
OFFлайн
Российская Федерация

Балаково
Блокировка - это замечательно! В выходные попробую посмотреть. Потом отпишусь.
 
renomixДата: Понедельник, 28.Янв.2019, 23:03 | Сообщение # 7
Стажер
У вас сообщений: 20
инженер
OFFлайн
Российская Федерация

Москва
Почти такая же ерунда была. Через 12 дней лампочка снова загорела. Ничего не делали.
 
renomixДата: Понедельник, 28.Янв.2019, 23:03 | Сообщение # 8
Стажер
У вас сообщений: 20
инженер
OFFлайн
Российская Федерация

Москва
Почти такая же ерунда была. Через 12 дней лампочка снова загорела. Ничего не делали.
(не судите строго, добавляю ответы, чтобы мог тему создать)
 
renomixДата: Понедельник, 28.Янв.2019, 23:04 | Сообщение # 9
Стажер
У вас сообщений: 20
инженер
OFFлайн
Российская Федерация

Москва
Почти такая же ерунда была. Через 12 дней лампочка снова загорела. Ничего не делали.
(не судите строго, добавляю ответы, чтобы мог тему создать)
 
renomixДата: Понедельник, 28.Янв.2019, 23:13 | Сообщение # 10
Стажер
У вас сообщений: 20
инженер
OFFлайн
Российская Федерация

Москва
Всем добрый вечер!
В шкафу RCA на блоке управления постоянно горит лампочка уровня воды. Сколько бы я туда не заливал дистиллированной воды, она все равно горит.
В магнет и кулинг показатель уровня воды Normal.
Что может быть? Есть ли определенный порядок долива воды в воронку?? Надо ли переключать блок управления в режим manual или еще какие-то требования есть?
И как часто и сколько нужно подливать воды? (по моим наблюдениям раз в 5-7 дней грамм по 300)
Заранее спасибо всем неравнодушным(теорию честно изучаю, только начал, а проблем уже куча) прошу помощи.
 
refrenДата: Вторник, 29.Янв.2019, 21:28 | Сообщение # 11
Техник
У вас сообщений: 317
Инженер
OFFлайн
Российская Федерация

Москва
Очень большая вероятность что у вас залип датчик уровня в баке.
 
renomixДата: Вторник, 29.Янв.2019, 21:41 | Сообщение # 12
Стажер
У вас сообщений: 20
инженер
OFFлайн
Российская Федерация

Москва
refren, а как посмотреть или куда залезть? Поподробнее можно как для "блондинки" )))
 
refrenДата: Суббота, 02.Фев.2019, 06:26 | Сообщение # 13
Техник
У вас сообщений: 317
Инженер
OFFлайн
Российская Федерация

Москва
Написал в личку
 
  • Страница 1 из 1
  • 1
Поиск:



Статистика Форума
Последние обновления тем: Новые файлы хранилища: Новые участники: Top10 участников:
1. Анализатор поля зрени...[SpirituS (04.Дек.2025)]
2. Программный комплекс ...[mqubali (04.Дек.2025)]
3. Кардиорегистратор «ИК...[albano18 (04.Дек.2025)]
4. Thermo Scientific gem...[viggen (03.Дек.2025)]
5. Центрифуга CM-6M ф.El...[Ningen64 (03.Дек.2025)]
6. Дефибриллятор Defi B ...[san-che30 (02.Дек.2025)]
7. Коллиматор Ralco R 22...[seeker (02.Дек.2025)]
8. КУПЛЮ/ПРИМУ в дар при...[seabee (02.Дек.2025)]
9. Центрифуга MiniSpin P...[AntonioPetty (01.Дек.2025)]
1. VIVIX Setup Operation...[12.Окт.2025]
2. GenwareMP[10.Сен.2025]
3. Настройка реагентов M...[20.Авг.2025]
4. Philips HD3-EXP[13.Авг.2025]
5. Рентгеновское оборудо...[08.Авг.2025]
6. VersaMed iVent201 Сер...[13.Фев.2025]
7. Гелпик КРД Ренекс РЦ ...[09.Фев.2025]
8. Офтальмологическая ус...[31.Окт.2024]
9. Cardinal-Health-VELA-...[03.Окт.2024]
10. Service Manual HAMILT...[02.Окт.2024]
1. Dvish[05.Дек.2025]
2. Intellect[05.Дек.2025]
3. Romanivanov[05.Дек.2025]
4. igogoigogo[05.Дек.2025]
5. 1rishka[04.Дек.2025]
6. L_V_N[04.Дек.2025]
7. ИвановИИ[04.Дек.2025]
8. Alex_U[04.Дек.2025]
9. Yarikus03[03.Дек.2025]
10. EvaLen[03.Дек.2025]
МастерБаку[583]
Yulana34[177]
Serg74[160]
Dimitrius[129]
naves[122]
РОМУЛ[121]
bektyish[121]
madmac[116]
Алекс-200[114]
begun_a[112]