[ Новые сообщения · Участники · Правила форума · Поиск · RSS ]



  • Страница 2 из 2
  • «
  • 1
  • 2
Модератор форума: STaras  
Дефибриллятор ДКИ-Н-08 "Аксион-Х"
navДата: Понедельник, 22.Мар.2010, 13:15 | Сообщение # 1
Участник
У вас сообщений: 169
Инженер
OFFлайн
Российская Федерация

Рыбинск
Все темы про дефибриллятор ДКИ-Н-08 "Аксион-Х" объединены в одну - эту тему!

Вся информация: вопросы, просьбы и советы по всем проблемам с данным дефибриллятором должна быть в этой теме! И теперь её нужно только продолжать, не создавая новые "мусорные" темки! ... Тем самым, вы намного облегчите другим участникам и посетителям Форума поиск ответов на их вопросы. Да, и просто в получении полезной практической информации об этом аппарате, и о проблемах связанных с ним.

ЗНАЙТЕ: ваше сообщение в этой теме в текущем анонсе технического подраздела про реанимационное оборудование станет первым, также оно будет в числе первых на ленточном форуме!

А вот захотят ли Вам ответить/помочь - это, как вы и сами понимаете, не зависит от того выделились ли вы собственной темкой или по-умному и грамотно(!) присоединились к уже существующей ...

И ещё к сведению и обязательному исполнению см. по ссылке ЭТО ТРЕБОВАНИЕ (с.21) !

Для руководства и правильного поведения на Форуме и в теме обязательно прочитайте по ссылке с.255.

К сведению: есть тема про проверку работоспособности дефибрилляторов ...

................................................................................................................................................................................................

Подскажите, какой стабилитрон стоит в цепи измерения сопротивления пациента VD28(А6).

.
Есть тема: Дифибриллятор ДКИ-Н-08, у которого иные схемные решения.


Сообщение отредактировал nav - Понедельник, 22.Мар.2010, 13:16
 
DimitriusДата: Вторник, 19.Фев.2013, 20:18 | Сообщение # 41
У вас сообщений: 410
инженер
OFFлайн
Украина

Украина
Может Вы имели ввиду Дефибриллятор ДКИ-Н-08, то вот ответ http://www.medteh.info/forum/108-1008-1

а также другие темы

http://www.medteh.info/forum/30-178-1

http://www.medteh.info/forum/59-3097-1

http://www.medteh.info/forum/59-3097-1
 
lexa-xfДата: Вторник, 07.Май.2013, 13:39 | Сообщение # 42
Стажер
У вас сообщений: 12
Инженер
OFFлайн
Российская Федерация

Чебоксары
В чем может быть дело?
7359046.jpg (93.7 Kb)
 
YRA46Дата: Вторник, 07.Май.2013, 14:07 | Сообщение # 43
Стоматология, Стерилизация
OFFлайн
Российская Федерация

г. Курск
Цитата (lexa-xf)
В чем может быть дело?

контрастность покрутить на обратной стороне дисплея...или смотреть снизу\сверху
 
lexa-xfДата: Вторник, 07.Май.2013, 14:29 | Сообщение # 44
Стажер
У вас сообщений: 12
Инженер
OFFлайн
Российская Федерация

Чебоксары
Менял плату "преобразователя сетевого" все работает нормально!
 
DimitriusДата: Вторник, 07.Май.2013, 20:48 | Сообщение # 45
У вас сообщений: 410
инженер
OFFлайн
Украина

Украина
Цитата (lexa-xf)
В чем может быть дело?


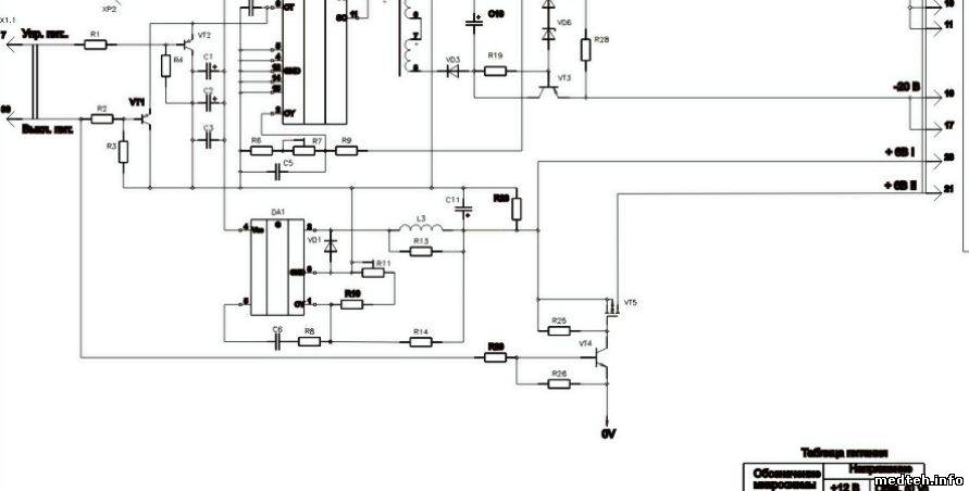
Смотрите стабилизатор +6В, от него берётся питание на преобразователь контрастности. Первая часть-стабилитрон или транзистор(напишите конкретную модель платы ПС-015 или 028). Вторая часть(скорее всего сюда нужно смотреть) - это преобразователь на МС 34167Т(+6 І) и транзисторный - на 2N3904 и MTD20P03HDL (+6 ІІ). Дело как раз в узле стабилизатора +6 ІІ - но он питается от узла +6 І. Так что в любом случае проверяйте работу МС 34167Т.
6562200.jpg (69.2 Kb) · 6208766.jpg (38.9 Kb)
 
lexa-xfДата: Среда, 08.Май.2013, 09:06 | Сообщение # 46
Стажер
У вас сообщений: 12
Инженер
OFFлайн
Российская Федерация

Чебоксары
МС 34167Т работает, даже пробовал менять, +6в есть и после транзистора тоже есть!
 
DimitriusДата: Среда, 08.Май.2013, 22:09 | Сообщение # 47
У вас сообщений: 410
инженер
OFFлайн
Украина

Украина
+12В и -24В(или -20 в 028 плате) в наличии?(МС 34163Р). Желательно эти шины питания посмотреть осциллографом

Сообщение отредактировал Dimitrius - Среда, 08.Май.2013, 22:11
 
Вячеслав-ВоронежДата: Понедельник, 27.Май.2013, 22:11 | Сообщение # 48
У вас сообщений: 122
инженер-конструктор-програмист-техн
OFFлайн
Российская Федерация

Воронеж
VitalikMED," при полной заряженной батарее при наборе энергии на дисплее из 4 полосок остаются 2, "графический вольтметр", показывает реальное падение напряжения на..!схеме! , так что увеличенное значения сопротивление проводников,соединений (тонкие перемычки аккумулятора! даже штатного, :ireful:,дохлый аккум ) проявляются в уменьшении напряжения, при значительных,до 10 ампер, токах потребления (сравните с шуруповёртом). blush
Вывод: аккумулятор(соединения....) должны обеспечить ТОКИ потребления, с минимальным падением напряжения , набор энергии 200-360 дЖ за время указанное в паспорте unknown
Блок питания, ПРЕДНАЗНАЧЕН! для ЗАРЯДКИ аккумулятора!
БП помогает в скорости набора энергии,(поверители этим успешно пользуются) , в работе бригад скорой приходят неисправные апп.
АККУМУЛЯТОР со скоростными характеристиками разряда, единственное решение проблемы, НО ДОРОГО!
 
ШвейкДата: Понедельник, 24.Мар.2014, 18:38 | Сообщение # 49
Техник
У вас сообщений: 581
Электромеханик свободного плавания
OFFлайн
Российская Федерация

Миасс
точно такой же дефибриллятор как у автора темы, только проблема в другом включается, тест проходит, но разряд делает только на 5-25 дж...если выше, то при наборе зависает и пишет: нет набора энергии...
 
DimitriusДата: Понедельник, 24.Мар.2014, 23:10 | Сообщение # 50
У вас сообщений: 410
инженер
OFFлайн
Украина

Украина
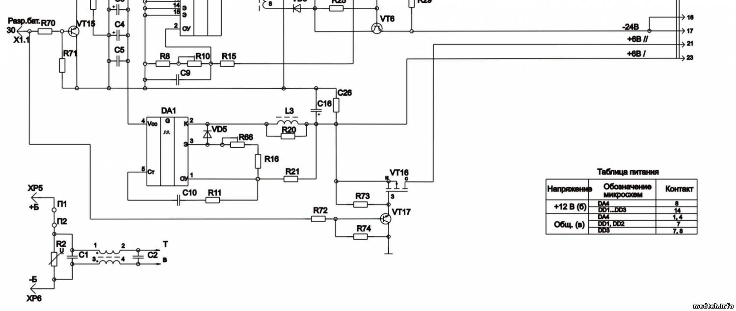
Что такое подобное было, только вис при меньше 200 дж. Смотрите на плате управления(009) АЦП MAX186DCPP, там на 5 выводе при наборе энергии 200дж напряжение должно подниматься до 6В. Обратная связь набора энергии с ,МПС именно через это АЦП.В моём случае был виноват резистор по цепи 5 вывода этого АЦП. Ну а дальше от этого смотреть что не так.
 
ШвейкДата: Воскресенье, 30.Мар.2014, 18:00 | Сообщение # 51
Техник
У вас сообщений: 581
Электромеханик свободного плавания
OFFлайн
Российская Федерация

Миасс
спасибо, а схемы почему то не очень совпадают...с теми которые выложенные тут..

Сообщение отредактировал Швейк - Воскресенье, 30.Мар.2014, 18:10
 
Iskander761Дата: Вторник, 01.Апр.2014, 21:33 | Сообщение # 52
Стажер
У вас сообщений: 17
Регулировщик РЭАиП
OFFлайн
Российская Федерация

Ижевск
Прошу пояснения .Время набора энергии на 5-25 ДЖ какое?
 
Iskander761Дата: Вторник, 01.Апр.2014, 21:35 | Сообщение # 53
Стажер
У вас сообщений: 17
Регулировщик РЭАиП
OFFлайн
Российская Федерация

Ижевск
На счет контраста - допускаю , что вышли из строя стабилитроны в плате сетевого преобразователя- в цепи - 24В.
 
ШвейкДата: Среда, 02.Апр.2014, 12:31 | Сообщение # 54
Техник
У вас сообщений: 581
Электромеханик свободного плавания
OFFлайн
Российская Федерация

Миасс
Цитата Iskander761 ()
Прошу пояснения .Время набора энергии на 5-25 ДЖ какое?

3.5 секунды, даже зарядился на 50 за 4 секунды...на 75 ползёт секунд 10 и всё: нет набора энергии...
 
ШвейкДата: Среда, 02.Апр.2014, 15:58 | Сообщение # 55
Техник
У вас сообщений: 581
Электромеханик свободного плавания
OFFлайн
Российская Федерация

Миасс
Цитата Dimitrius ()
Что такое подобное было, только вис при меньше 200 дж. Смотрите на плате управления(009) АЦП MAX186DCPP, там на 5 выводе при наборе энергии 200дж напряжение должно подниматься до 6В. Обратная связь набора энергии с ,МПС именно через это АЦП.В моём случае был виноват резистор по цепи 5 вывода этого АЦП. Ну а дальше от этого смотреть что не так.

померил...всего 2.7 вольта, но на плате усилителя ЭКГ я подкрутил R33 и заработал...хотя напряжение осталось почти прежним...подозреваю, что на 360дж далеко не 360...схема этого усилителя не резкая...
 
ШвейкДата: Среда, 02.Апр.2014, 19:14 | Сообщение # 56
Техник
У вас сообщений: 581
Электромеханик свободного плавания
OFFлайн
Российская Федерация

Миасс
как в домашних условиях замерить мощность?
 
Iskander761Дата: Среда, 09.Апр.2014, 21:09 | Сообщение # 57
Стажер
У вас сообщений: 17
Регулировщик РЭАиП
OFFлайн
Российская Федерация

Ижевск
Цитата Швейк ()
3.5 секунды, даже зарядился на 50 за 4 секунды...на 75 ползёт секунд 10 и всё: нет набора энергии...

Слишком долго. Подозреваю, что на плате сетевого преобразователя вышли из строя диоды. Прозвоните их поз. VD16-VD21.
Так же стоит посмотреть сигнал в точках КТ5 и КТ6, должна быть "пила" амплитудой не более 1В.
Если всё наблюдается, тогда лезьте в плату ЭКГ ( за платой управления). Смотрите выходное напряжение на микросхеме DA3 (6-ой вывод-точка КТ4 ) относительно КТ3.
Рост до напряжения примерно 3,6 В= 360 ДЖ. Если плохо, то в этом случае возможно вышел из строя транзистор VT1.
 
ШвейкДата: Четверг, 10.Апр.2014, 07:51 | Сообщение # 58
Техник
У вас сообщений: 581
Электромеханик свободного плавания
OFFлайн
Российская Федерация

Миасс
Цитата Iskander761 ()
тогда лезьте в плату ЭКГ

на плате ЭКГ увеличил R33, т.е. выкрутил до максимума и всё заработало, даже при 360дж набирает быстро...хотя unk не 6 вольт, может его нужно мерить не от нуля?
 
maximum-rukzak3Дата: Вторник, 15.Апр.2014, 20:34 | Сообщение # 59
Стажер
У вас сообщений: 12
инженер
OFFлайн
Российская Федерация

Белгород
Цитата Швейк ()
как в домашних условиях замерить мощность?

В домашних условиях самый простой способ - это воспользоваться тестом встроенным в крышке дефибриллятора.
Контрольная лампа должна загораться при энергии более 200 Дж.
По ссылке ниже можно скачать полное описание на ДКИ-Н-08. Описание получено от завода - изготовителя.
http://yadi.sk/d/PhMrZDz4MWWQF
 
ШвейкДата: Среда, 16.Апр.2014, 07:29 | Сообщение # 60
Техник
У вас сообщений: 581
Электромеханик свободного плавания
OFFлайн
Российская Федерация

Миасс
Цитата maximum-rukzak3 ()
Контрольная лампа должна загораться при энергии более 200 Дж
так и есть... значит всё работает, всем спасибо!
 
Stanislav_FirstДата: Понедельник, 07.Июл.2014, 11:05 | Сообщение # 61
Участник
У вас сообщений: 135
Инженер-электроник
OFFлайн
Украина

Запорожье
Добрый день. Проблема с дки-н-08 аксион. нет разряда на нагрузке. заряд и звук идет по нарастающей. писк от преобразователя есть. а неонка при разряде на нагрузке не моргает. на мониторе импульс отображается
 
aleksanДата: Понедельник, 07.Июл.2014, 11:32 | Сообщение # 62
Участник
У вас сообщений: 134
инженер эл.техн.
OFFлайн
Казахстан

проверь контакты измерителя энергии - отваливаются

Сообщение отредактировал aleksan - Понедельник, 07.Июл.2014, 11:38
 
Yorik007Дата: Четверг, 28.Авг.2014, 17:35 | Сообщение # 63
Стажер
У вас сообщений: 6
ingener
OFFлайн
Украина

Odessa
Кто-то может сказать, как работает микроконтроллер PIC16c711 на плате УУ, на базе которого работает шим, управление на ключи 6в и др.
Если его менять, то нужно ли программировать или там всё по умолчанию работает?
Спасибо.
 
creytДата: Четверг, 28.Авг.2014, 18:20 | Сообщение # 64
У вас сообщений: 546
техник
OFFлайн
Российская Федерация

Кузня
Цитата Yorik007 ()
нужно ли программировать

нужно


у меня все диоды болят
 
Yorik007Дата: Четверг, 28.Авг.2014, 20:10 | Сообщение # 65
Стажер
У вас сообщений: 6
ingener
OFFлайн
Украина

Odessa
Цитата creyt ()
нужно

тогда, может быть скажете, где взять информацию что туда залить? Буду очень признателен.
 
creytДата: Четверг, 28.Авг.2014, 20:35 | Сообщение # 66
У вас сообщений: 546
техник
OFFлайн
Российская Федерация

Кузня
Держи
PIC.txt (4.9 Kb)


у меня все диоды болят
 
Yorik007Дата: Вторник, 09.Сен.2014, 19:07 | Сообщение # 67
Стажер
У вас сообщений: 6
ingener
OFFлайн
Украина

Odessa
Упс... Сегодня попросил ребят прошить pic16c711-04\p, а они просят файл с расширением bin или hex . Можете помочь?

Сообщение отредактировал Yorik007 - Вторник, 09.Сен.2014, 19:09
 
creytДата: Вторник, 09.Сен.2014, 19:52 | Сообщение # 68
У вас сообщений: 546
техник
OFFлайн
Российская Федерация

Кузня
ingener, назови его hex и дай ребятам.
Помог?


у меня все диоды болят
 
Yorik007Дата: Вторник, 09.Сен.2014, 21:13 | Сообщение # 69
Стажер
У вас сообщений: 6
ingener
OFFлайн
Украина

Odessa
Да. Спасибо.
 
Yorik007Дата: Четверг, 11.Сен.2014, 21:31 | Сообщение # 70
Стажер
У вас сообщений: 6
ingener
OFFлайн
Украина

Odessa
Здравствуйте всем. Подскажите пожалуйста, какие напряжения должны быть на плате ПС при включённой только кнопке "сеть".? И откуда приходят управляющие сигналы на ключи, открывающие эти напряжения?
 
Yorik007Дата: Пятница, 12.Сен.2014, 13:31 | Сообщение # 71
Стажер
У вас сообщений: 6
ingener
OFFлайн
Украина

Odessa
У меня на ПС получается следующее: Есть напряжение 20 вольт с АС\ДС, есть +12 с ДА4 на разъёме Х3 1ножка. Все остальные напряжения отсутствуют. При включении кнопки ДКИ появляется напряжение +7вольт с ДА1 (это +6 I) при этом (+6 II отсутствует).
Все остальные напряжения отсутствуют.
Подскажите, на что обратить внимание.
 
Stanislav_FirstДата: Четверг, 30.Июн.2016, 11:56 | Сообщение # 72
Участник
У вас сообщений: 135
Инженер-электроник
OFFлайн
Украина

Запорожье
Аппарат работает только от АКБ, при включении от сети, сразу гаснет. Кто сталкивался с данной проблемой?
 
creytДата: Четверг, 30.Июн.2016, 12:28 | Сообщение # 73
У вас сообщений: 546
техник
OFFлайн
Российская Федерация

Кузня
Цитата Stanislav_First ()
Кто сталкивался с данной проблемой?

Кажется все.


у меня все диоды болят
 
Stanislav_FirstДата: Пятница, 01.Июл.2016, 10:18 | Сообщение # 74
Участник
У вас сообщений: 135
Инженер-электроник
OFFлайн
Украина

Запорожье
При питании от АКБ (ПС-028) присутствуют напряжения +12, -20, +6 I, +6 II. При поключенной сети и нажатии кнопки сеть, аппарат сразу гаснет, напряжение +12 и +6 I присутствуют, -20 и +6 II нет. Помогите разобраться с данной проблемой.
 
creytДата: Пятница, 01.Июл.2016, 11:43 | Сообщение # 75
У вас сообщений: 546
техник
OFFлайн
Российская Федерация

Кузня
Он от розетки не работает. Он от неё аккумулятор заряжает.
Так как то.
Может кто поправит.


у меня все диоды болят
 
Stanislav_FirstДата: Пятница, 01.Июл.2016, 12:19 | Сообщение # 76
Участник
У вас сообщений: 135
Инженер-электроник
OFFлайн
Украина

Запорожье
creyt,
Цитата creyt ()
Он от розетки не работает. Он от неё аккумулятор заряжает.
Так как то.
Может кто поправит.

А это где-то написано. Потому что я уже тоже к этому склоняюсь)
 
Stanislav_FirstДата: Пятница, 01.Июл.2016, 12:36 | Сообщение # 77
Участник
У вас сообщений: 135
Инженер-электроник
OFFлайн
Украина

Запорожье
creyt, Должен он работать от сети, я в инструкции нашел.
 
pavtriodДата: Понедельник, 04.Июл.2016, 06:32 | Сообщение # 78
Стажер
У вас сообщений: 26
инженер-метролог
OFFлайн
Российская Федерация

Кемеровская губерния
Подтверждаю. От сети работает даже при отключенной АКБ.
 
Stanislav_FirstДата: Четверг, 14.Июл.2016, 12:27 | Сообщение # 79
Участник
У вас сообщений: 135
Инженер-электроник
OFFлайн
Украина

Запорожье
Все, идеи закончились?

\
 
van37Дата: Понедельник, 27.Мар.2017, 15:08 | Сообщение # 80
Стажер
У вас сообщений: 18
инженер
OFFлайн
Российская Федерация

-
Попался в ремонт ДКИ-Н-08, который нормально работает от аккумулятора, но при питании от сети может зависнуть при включении клавиши "ДКИ": экран либо темный, либо полностью засвечен и процессор ни гугу... Дефект очень неустойчивый.

Хочется высказать кучу матов изготовителю за непродуманность схемы, уродскую компоновку, и доработки, которые, видимо, документированы, но в здешних схемах не отражены. Все это превращает ремонт в кромешный трах.

Плату ПС (ЮМГИ.758725.176.12, ЮМГИ.436244.028) уже всю изучил и перепроверил. Думается, не в ней проблема.
Сейчас уперся в плату УУ (ЮМГИ.758725.152.16, ЮМГИ.467443.009) на которой при питании аппарата от сети (опосредованно от тайваньского БП на 24В) D4 то выдает, то не выдает сигнал RES.

Поэтому вопрос, аналогичный этому:
Цитата Yorik007 ()
Кто-то может сказать, как работает микроконтроллер PIC16c711 на плате УУ, на базе которого работает шим, управление на ключи 6в и др.


Сообщение отредактировал van37 - Понедельник, 27.Мар.2017, 15:10
 
  • Страница 2 из 2
  • «
  • 1
  • 2
Поиск:



Статистика Форума
Последние обновления тем: Новые файлы хранилища: Новые участники: Top10 участников:
1. Помощь в техобслужива...[dzyatel (29.Май.2026)]
2. Аппараты НЧ электроте...[aleksan (28.Май.2026)]
3. При операции с примен...[susel63 (28.Май.2026)]
4. Техническая поддержка...[UPZ (25.Май.2026)]
5. MOVIPLAN (УниКоРД-МТ)...[SpirituS (24.Май.2026)]
6. Аппарат магнитотерапе...[SpirituS (24.Май.2026)]
7. Стоматустановка K3 ф....[zizeroman (24.Май.2026)]
8. Анализатор гематологи...[fred1 (22.Май.2026)]
9. ЭХВЧ-400 ск-"Ник...[Olegosh (21.Май.2026)]
1. Apollo EZ service man...[25.Дек.2025]
2. VIVIX Setup Operation...[12.Окт.2025]
3. GenwareMP[10.Сен.2025]
4. Настройка реагентов M...[20.Авг.2025]
5. Philips HD3-EXP[13.Авг.2025]
6. Рентгеновское оборудо...[08.Авг.2025]
7. VersaMed iVent201 Сер...[13.Фев.2025]
8. Гелпик КРД Ренекс РЦ ...[09.Фев.2025]
9. Офтальмологическая ус...[31.Окт.2024]
10. Cardinal-Health-VELA-...[03.Окт.2024]
1. defoo[31.Май.2026]
2. Gotim[30.Май.2026]
3. SEMENMS[30.Май.2026]
4. partyman1122[30.Май.2026]
5. Julia_Howlter[30.Май.2026]
6. Medtehaktauarsen[30.Май.2026]
7. artudav[30.Май.2026]
8. Астим[30.Май.2026]
9. RomanGrek[30.Май.2026]
10. vapinic[29.Май.2026]
МастерБаку[583]
Yulana34[177]
Serg74[160]
Dimitrius[129]
naves[122]
РОМУЛ[121]
bektyish[121]
madmac[116]
Алекс-200[114]
генаf[112]