[ Новые сообщения · Участники · Правила форума · Поиск · RSS ]



  • Страница 1 из 1
  • 1
Модератор форума: STaras  
Монитор МПР6/4-03
calm58Дата: Суббота, 28.Янв.2012, 18:42 | Сообщение # 1
Стажер
У вас сообщений: 6
электромеханик
OFFлайн
Российская Федерация

Петрозаводск
Аккумулятор разряжен.в цепи "-" аккум. обрыв резистора обратной связи(фильтр R,C) Нет схемы.
 
AlexiumДата: Суббота, 28.Янв.2012, 19:00 | Сообщение # 2
Инженер медтехник
OFFлайн
Российская Федерация

Саратов
Если сделаете фотографию модуля и отметите резистор в обрыве будет проще (желательно его позиционное обозначение, если оно есть).
 
calm58Дата: Понедельник, 30.Янв.2012, 16:42 | Сообщение # 3
Стажер
У вас сообщений: 6
электромеханик
OFFлайн
Российская Федерация

Петрозаводск
МПР6/4-03 Не включается.
Сетевой преобразователь без нагрузки выдаёт 15,2в,но напряжение не доходит до вторичных цепей(возможно обрыв внутренних дорожек в многослойной плате и без схемы проблемно сделать перемычки...
 
calm58Дата: Вторник, 31.Янв.2012, 11:23 | Сообщение # 4
Стажер
У вас сообщений: 6
электромеханик
OFFлайн
Российская Федерация

Петрозаводск
Alexium,
5410542.jpg (381.4 Kb)
 
calm58Дата: Вторник, 31.Янв.2012, 11:25 | Сообщение # 5
Стажер
У вас сообщений: 6
электромеханик
OFFлайн
Российская Федерация

Петрозаводск
Alexium,
9988379.jpg (375.0 Kb)
 
AlexiumДата: Вторник, 31.Янв.2012, 18:17 | Сообщение # 6
Инженер медтехник
OFFлайн
Российская Федерация

Саратов
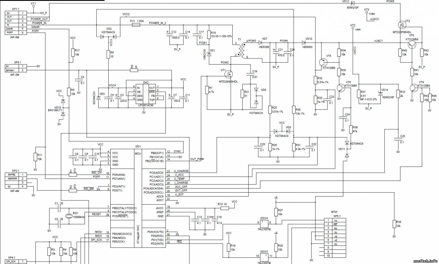
Сопротивление резистора 0.51 Ом 2 вт. Просто так не сгорает. Что с аккумулятором?
http://kramtp.info/page/67/
Что с диодом D24 (верх середина) - плохо видно.
Лучше вместе с резистором заменить и конденсатор 470 мкф 25 В
Схема напоминает эту -
0095747.jpg (145.3 Kb)
 
calm58Дата: Вторник, 31.Янв.2012, 20:49 | Сообщение # 7
Стажер
У вас сообщений: 6
электромеханик
OFFлайн
Российская Федерация

Петрозаводск
Alexium,
На vd24 следы герметика,диоды в цепи заряда со следами перегрева,но тестером звонятся и конденсатор тоже...
Все предохранители целы,но "+"питания не попадает на 2 преобразователя+-12в;+5в и отдельный+5в
Схема похожа,но не вся...Всё равно - спасибо!
 
calm58Дата: Вторник, 31.Янв.2012, 21:00 | Сообщение # 8
Стажер
У вас сообщений: 6
электромеханик
OFFлайн
Российская Федерация

Петрозаводск
Alexium,
Аккумулятор после зарядки напряжение набрал,а на ёмкость не испытывал.
 
AlexiumДата: Вторник, 31.Янв.2012, 21:12 | Сообщение # 9
Инженер медтехник
OFFлайн
Российская Федерация

Саратов
Quote (calm58)
но "+"питания не попадает на 2 преобразователя+-12в;+5в и отдельный+5в


Оно туда попадает через ключ на полевике - прозвонить не проблема. А дальше проверяйте схему включения, тем более из вышеприведенной схемы видно как это схемотехнически организовано.
Первое - обозначьте - есть ли светодиодная индикация подключения к сети, если есть - проверьте попадает ли питание на основной процессор, далее - идет ли сигнал включения на полевик.
Если на основном процессоре нет питания - киньте провод от источника питания на вход преобразователя питания процессора. Далее по алгоритму.
 
mozalДата: Среда, 19.Сен.2012, 16:28 | Сообщение # 10
У вас сообщений: 100
Рентген
OFFлайн
Российская Федерация

Дока.
http://depositfiles.com/files/x2ubugct3 Тритон МОНИТОР МПР6-03.rar


Сообщение отредактировал mozal - Среда, 19.Сен.2012, 16:29
 
u3332006Дата: Вторник, 01.Окт.2013, 15:51 | Сообщение # 11
Стажер
У вас сообщений: 39
медтехник
OFFлайн
Российская Федерация

белогорск
Монитор мпр6/4-03-"Тритон". Не создает давление в манжете при измерении давления .Простите за тавталогию.Приносят-проверяю-не надувает манжет.Думаю-трубы или клапана.Разбираю-трубы целые,клапана работают-давление меряет.Собираю,отдаю.Неделю работает,после по выше изложенному сценарию.Разбираю,собираю-работает.Отдавать боюсь.Кто сталкивался с подобным полтергейстом.
 
  • Страница 1 из 1
  • 1
Поиск:



Статистика Форума
Последние обновления тем: Новые файлы хранилища: Новые участники: Top10 участников:
1. Анализатор поля зрени...[SpirituS (04.Дек.2025)]
2. Программный комплекс ...[mqubali (04.Дек.2025)]
3. Кардиорегистратор «ИК...[albano18 (04.Дек.2025)]
4. Thermo Scientific gem...[viggen (03.Дек.2025)]
5. Центрифуга CM-6M ф.El...[Ningen64 (03.Дек.2025)]
6. Дефибриллятор Defi B ...[san-che30 (02.Дек.2025)]
7. Коллиматор Ralco R 22...[seeker (02.Дек.2025)]
8. КУПЛЮ/ПРИМУ в дар при...[seabee (02.Дек.2025)]
9. Центрифуга MiniSpin P...[AntonioPetty (01.Дек.2025)]
1. VIVIX Setup Operation...[12.Окт.2025]
2. GenwareMP[10.Сен.2025]
3. Настройка реагентов M...[20.Авг.2025]
4. Philips HD3-EXP[13.Авг.2025]
5. Рентгеновское оборудо...[08.Авг.2025]
6. VersaMed iVent201 Сер...[13.Фев.2025]
7. Гелпик КРД Ренекс РЦ ...[09.Фев.2025]
8. Офтальмологическая ус...[31.Окт.2024]
9. Cardinal-Health-VELA-...[03.Окт.2024]
10. Service Manual HAMILT...[02.Окт.2024]
1. Intellect[05.Дек.2025]
2. Romanivanov[05.Дек.2025]
3. igogoigogo[05.Дек.2025]
4. 1rishka[04.Дек.2025]
5. L_V_N[04.Дек.2025]
6. ИвановИИ[04.Дек.2025]
7. Alex_U[04.Дек.2025]
8. Yarikus03[03.Дек.2025]
9. EvaLen[03.Дек.2025]
10. dankurets[03.Дек.2025]
МастерБаку[583]
Yulana34[177]
Serg74[160]
Dimitrius[129]
naves[122]
РОМУЛ[121]
bektyish[121]
madmac[116]
Алекс-200[114]
begun_a[112]