[ Новые сообщения · Участники · Правила форума · Поиск · RSS ]



  • Страница 1 из 2
  • 1
  • 2
  • »
Аппарат ИВЛ Foton MAU-01c (Китай)
les_nik_178Дата: Среда, 20.Янв.2010, 07:06 | Сообщение # 1
У вас сообщений: 1094
Медтехник
OFFлайн
Российская Федерация

Far East
Прошу помочь с монтажем ИВЛ Foton MAU-01c
В паспотре только общее описание. Фото и рисунки отсутствуют.
Если у кого есть такая модель прошу скинуть рисунок подключения шлангов в аппарате.
Куда цеплять датчик кислорода? Как подцеплять гофрированные трубки (через какие тройники)?
Где вешать фильтры на шланг? В общем нужен подробный рисунок подключения всех шлангов и в какой последовательности (все это висит). Звонил в фирму они сказали что это просто. Ага, просто если до этого работал только на РО-6 и фаза-5. Тут одних шлангов штук десять плюс всякие непонятные переходники. До ближайшего подобного аппарата 1500 км. shok
 
DenkotДата: Четверг, 21.Янв.2010, 10:14 | Сообщение # 2
OFFлайн
Российская Федерация

.
Почему бы вам не выложить подробные фото, не забывая при этом пользоваться тегом IMAGE?
Датчик кислорода обычно цепляется поближе к инспираторному порту. Мне отсюда не видно, где он там.
Гофрированные трубки - это что у вас - контур пациента или что? Контур я надеюсь соберете сами?
Фильтры на шланг - если имеется в виду бакфильтры в контур (обычно одноразовые), то они вешаются на тройник со стороны пациента (т.е. после тройника).

Этот зверь?


в изгнании из ордена медтехников, а посему на лички и почты ответить не могу

Сообщение отредактировал Denkot - Четверг, 21.Янв.2010, 10:18
 
les_nik_178Дата: Пятница, 22.Янв.2010, 10:08 | Сообщение # 3
У вас сообщений: 1094
Медтехник
OFFлайн
Российская Федерация

Far East
Denkot, Да, зверюга эта.
У меня такая-же фотография. В паспорте на ИВЛ еще хуже.

С гофрированными трубками которые видно на фото я разобрался.
Непонятно что там за тонкая трубочка (или провод) идет от маски.

На фото непонятно куда и как цеплять трубки от колокола с мехом (сзади три выхода).
Как связаны колокол и дыхательный контур?
Как и куда устанавливаются датчики потока и давления?

На всякие Драгеры и Рафаэли все расписано от и до, а тут ничего нет.

 
DenkotДата: Пятница, 22.Янв.2010, 11:34 | Сообщение # 4
OFFлайн
Российская Федерация

.
а вы можете поделать фотки всех интересующих вас мест аппарата и сюда выложить? это раз.

тонкая трубочка от маски это два варианта:
1) отбор давления пациента (используется для вычисления комплайнса и сопротивления контура)
или
2) отбор газовой смеси пациента на монитор пациента с газовым модулем. или на газовый модуль (газоанализатор) аппарата.

то что вы называете колокол - это дыхательный мех. пространство между мехом и колбой заполнено рабочим газом (обычно это воздух). рабочий газ сжимает мех. внутри меха находится газовая смесь, идущая на пациента.

по установке датчиков - ну фотки, фотки!
если больше не у кого спросить, пофотайте всю дыхательную систему и сюда.


в изгнании из ордена медтехников, а посему на лички и почты ответить не могу
 
DenkotДата: Вторник, 26.Янв.2010, 14:05 | Сообщение # 5
OFFлайн
Российская Федерация

.
я так понимаю, вы уже справились с проблемой?

в изгнании из ордена медтехников, а посему на лички и почты ответить не могу
 
les_nik_178Дата: Среда, 27.Янв.2010, 08:03 | Сообщение # 6
У вас сообщений: 1094
Медтехник
OFFлайн
Российская Федерация

Far East
Denkot, Нет проблема осталась. В этой деревне проблемы с Интернетом.
Два вопроса

1. Как подключаются шланги на фото Foton_01 в приложении (порядок соединения 3, 4, 5, 8, 9, 10 и 11)?
2. Для чего предназначены части указанные на фото Foton_02?

В паспорте на ИВЛ данных нет

2717199.jpg (33.9 Kb) · 3197213.jpg (19.2 Kb)
 
DenkotДата: Среда, 27.Янв.2010, 10:17 | Сообщение # 7
OFFлайн
Российская Федерация

.
3,4,5 - меха, я про них уже писал - скорее всего одна дырка под рабочий газ а две другие под смесь пациента (если что, пусть крутые медтехники со стажем меня поправят), но на вашем рисунке нифигашеньки не видно куда идут эти дырки - 3,4 и 5. Я почему и говорил про фотки - если посмотреть ручками, будет понятно, какие дырки из трех идут в меха а какая в банку. Понятно, что дырка из мехов подключается к блоку клапанов вдоха-выдоха (коробка на штанге, от которой идет контур пациента, как правило, туда еще абсорбер вешается). Дырка из банки подключается к питанию рабочего газа (по-аглицки называется Drive gas). Третья дырка подключается на свежую смесь.
Так что может быть, что две трубы от мехов и идут на штуцера 10, 11 дыхательного блока.
На картинке с дырками 8,9 видно, что под ними что-то написано. Что именно?
По переходникам ничего определенного не скажу, единственное что нижний белый сильно похож на адаптер крепления мешка ручной вентиляции.

Ну вы наверное уже догадались, что я вашего зверя вижу в первый раз и то заочно, но, поскольку все молчат уже неделю, я тут это... того :)
Просто думаю что наркозники такого класса устроены ну очень похоже друг на друга, особенно в дыхательной части
Если бы видеть подробно что у вас там есть, уже подключили бы

С вас фотки всех подозрительных штуцеров аппарата, если есть маркировка около, то чтобы читабельно было, если нет цифровика используйте телефон с несильной лупой (2х)

А вы в Благе? Почти рядом :)


в изгнании из ордена медтехников, а посему на лички и почты ответить не могу

Сообщение отредактировал Denkot - Среда, 27.Янв.2010, 10:23
 
les_nik_178Дата: Среда, 27.Янв.2010, 10:56 | Сообщение # 8
У вас сообщений: 1094
Медтехник
OFFлайн
Российская Федерация

Far East
Denkot, Я оттуда уже уехал. аппарат пока стоит колом. Все дело в том что мене нужно знать точно что куда цеплять. Пытаюсь добить поставщиков из Фотона но пока по нулям. Вроде это отсюда и вроде сюда мне не подходит.
Не дай бог кто помрет и будет вроде.

На фото подцепил шланги абы как. Чтоб вислели. Подключил не верно. Сам знаю.

3356119.jpg (164.6 Kb) · 7095410.jpg (116.5 Kb) · 3201864.jpg (162.7 Kb)
 
DenkotДата: Среда, 27.Янв.2010, 13:33 | Сообщение # 9
OFFлайн
Российская Федерация

.
но у вас же штуцера все подписаны и инструкция есть

ладно, я понимаю ваши опасения, хотите - ждите, спать потом куда спокойней, по себе знаю.


в изгнании из ордена медтехников, а посему на лички и почты ответить не могу
 
les_nik_178Дата: Среда, 27.Янв.2010, 14:53 | Сообщение # 10
У вас сообщений: 1094
Медтехник
OFFлайн
Российская Федерация

Far East
Denkot,
Вот фото с подписями
4134075.jpg (52.6 Kb)
 
DenkotДата: Среда, 27.Янв.2010, 14:57 | Сообщение # 11
OFFлайн
Российская Федерация

.
откуда такие подписи?

в изгнании из ордена медтехников, а посему на лички и почты ответить не могу
 
les_nik_178Дата: Среда, 27.Янв.2010, 15:05 | Сообщение # 12
У вас сообщений: 1094
Медтехник
OFFлайн
Российская Федерация

Far East
Denkot, В инструкции на аппарат.
Там перевод с китайского. Все по минимуму.
Путевой инструкции нет.
Попытаюсь выложить в обменник завтра. У меня сейчас на Нете скорость маленькая.
А она около трех метров.
 
DenkotДата: Среда, 27.Янв.2010, 16:54 | Сообщение # 13
OFFлайн
Российская Федерация

.
Quote (les_nik_178)
На фото подцепил шланги абы как. Чтоб вислели. Подключил не верно. Сам знаю.

Посмотрел мануалы (от другого китайца), а вы уверены, что неправильно собрали трубы?
Я неправильно тут писал на тему что свежий газ идет через мех, поудалял поэтому
По мануалу свежий газ идет к порту вдоха, а мех включается в контур "тупиком",
т.е. через него не продувается ничего сквозняком, а входит и выходит, как в мультике :)

Ваше подключение выглядит правильно - свежий газ от аппарата в порт вдоха
Меха тоже подключены логично
Дырка Air Outlet на мехах (левая, свободная) тогда становится сбросом отработанного газа в атмосферу
Поскольку контур закрытый из нее может ничего не идти, только при превышении давления

Вы аппарат пробовали заводить с вашей схемой сборки? Что не так?


в изгнании из ордена медтехников, а посему на лички и почты ответить не могу

Сообщение отредактировал Denkot - Среда, 27.Янв.2010, 16:59
 
les_nik_178Дата: Среда, 27.Янв.2010, 18:22 | Сообщение # 14
У вас сообщений: 1094
Медтехник
OFFлайн
Российская Федерация

Far East
Denkot, У него мех не раздувался. Чуть поднимется и падает. Как будто у него гдето дыхалка перекрыта. Может режимы неверно поставил. Времени проверить полностью небыло. Опаздывал на поезд. Бросил все так. Через месяц поеду снова ковырять.
 
DenkotДата: Четверг, 28.Янв.2010, 12:53 | Сообщение # 15
OFFлайн
Российская Федерация

.
Quote (les_nik_178)
У него мех не раздувался. Чуть поднимется и падает. Как будто у него где-то дыхалка перекрыта.

Извините пожалуйста за глупые вопросы, но
1) не стоял ли на нуле поток свежего газа?
2) бы ли закрыт контур?
3) пробовали ли раздувать мех кнопкой O2 flush?


в изгнании из ордена медтехников, а посему на лички и почты ответить не могу
 
les_nik_178Дата: Четверг, 28.Янв.2010, 17:03 | Сообщение # 16
У вас сообщений: 1094
Медтехник
OFFлайн
Российская Федерация

Far East
Denkot, Буду пытаться ковырять его через недели две. Не раньше.

И вообще меня напрягают формулировки в паспорте типа "свежего газа".
А что есть "не свежий"? Протух что-ли? А чем пахнет?

 
DenkotДата: Четверг, 28.Янв.2010, 17:43 | Сообщение # 17
OFFлайн
Российская Федерация

.
Сейчас, насколько я знаю, в подавляющем большинстве случаев используется закрытый контур.
Это означает, что пациент дышит одной и той же смесью газов, которая гоняется по кругу "аппарат-легкие" при помощи мехов.
Выдыхаемая углекислота при этом поглощается абсорбером.
Но, поскольку пациент в анестезии скорее жив, чем эээ..., то он имеет свой метаболизм и некоторые газы из смеси расходуются (кислород и наркотик).
Поэтому в контур должен быть постоянный приток свежего газа из смесителя.
Под свежим газом подразумевается газовая смесь, которая еще не участвовала в дыхании и подается в контур со смесителя.
Таким образом поддержание постоянного газового состава смеси обеспечивается поглощением углекислоты абсорбером и подпиткой свежей смесью кислород/воздух/анестетик для компенсации расходуемых газов.

Закрытый контур удобен тем, что из него минимальный выхлоп в атмосферу и операционная бригада останется на ногах. Об этом говорит одна из заповедей анестезиолога: "Не дыши с самого начала по полуоткрытому контуру – ты же не самоубийца и это не последний наркоз в твоей жизни!"

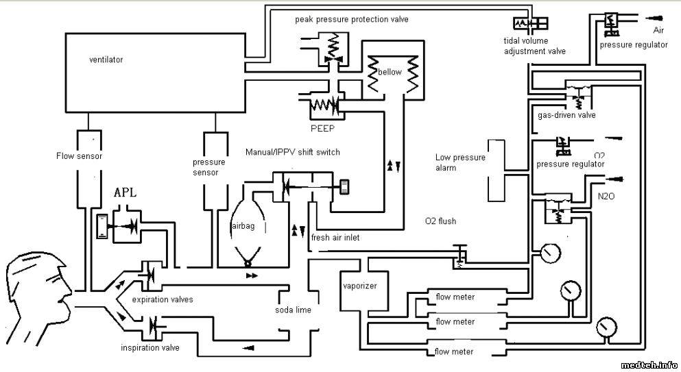
Как пример - схема китайца Bandeq (ACM813) (обрезано, синие дописки мои)

я думаю будет много общего, только у вас более современный вентилятор.

извиняюсь, если лезу с общеизвестными вещами.
излагаю своими словами, т.к. специально не учился.

4946814.jpg (29.4 Kb)


в изгнании из ордена медтехников, а посему на лички и почты ответить не могу
 
les_nik_178Дата: Пятница, 29.Янв.2010, 03:00 | Сообщение # 18
У вас сообщений: 1094
Медтехник
OFFлайн
Российская Федерация

Far East
Закрытый контур там не используют.
1. У них нет газа для наркоза.
2. Нет закиси азота.
3. Нет извести.
Короче не хватает денюжков на приобретение расходных.
Они работают на полуоткрытом и открытом. Даже датчик кислорода не подключют (стоит много).
Наркоз через шприц.
 
DenkotДата: Пятница, 29.Янв.2010, 08:42 | Сообщение # 19
OFFлайн
Российская Федерация

.
Для того, чтобы проверить аппарат, не нужны газы-анестетики и известь.
Нужен воздух и герметичность контура (не герметичен контур - не раздуется мех).
Кислород тоже нужен, но не обязательно.
Можно проверять на пустом абсорбере, главное чтобы он был подключен и если в нем есть краны для сброса влаги - чтобы были закрыты.
А дальше пусть работают как хотят, хоть на маске Эсмарха.

Я вообще не представляю, работают ли современные аппараты по полуоткрытому на механической вентиляции (на мешке - пожалуйста, но если мешком все время работать, зачем тогда вообще аппарат покупать?).
В любом случае, насколько я представляю работу наркозника, контур обязан быть герметичен, в случае полузакрытого сброс газа будет через клапан.


в изгнании из ордена медтехников, а посему на лички и почты ответить не могу

Сообщение отредактировал Denkot - Пятница, 29.Янв.2010, 08:44
 
les_nik_178Дата: Пятница, 29.Янв.2010, 10:01 | Сообщение # 20
У вас сообщений: 1094
Медтехник
OFFлайн
Российская Федерация

Far East
Ясно. С трубками вроде разобрался.
Теперь буду ждать ответ от Фотона насчет прибабах на птором фото.
Для чегото они всетаки нужны.

Инструкцию по Фотону закачал в хранилище.

 
DenkotДата: Пятница, 29.Янв.2010, 11:54 | Сообщение # 21
OFFлайн
Российская Федерация

.
Нормальная инструкция, бывало и хуже.
Главное, есть пневмосхема - уже хорошо.
Если надо, могу переписать подписи к ней по-русски, но я думаю и так понятно :)


в изгнании из ордена медтехников, а посему на лички и почты ответить не могу
 
MikДата: Воскресенье, 11.Апр.2010, 04:55 | Сообщение # 22
Стажер
У вас сообщений: 8
врач анестезиолог
OFFлайн
Российская Федерация

Новосибирск
Если возможно, то помогите разобраться в работе наркозного аппарата FOTON MAU 01C. Приобретен, видимо, около 1,5-2 лет назад, однако не эксплуатировался. Причина - очень высокий PEEP (высокое давление на выдохе). Имеется простая инструкция на русском языке. Позже могу послать отдельно фотографию блока с мехом, поглотителем CO2. Имеется ли предохранительный клапан (клапан сброса) при работе аппарата в автоматическом режиме? Может быть в нашем случае имеется не полный комплект, т.к. такого клапана нет? Имеющийся предохранительный клапан работает только при ручной вентиляции. Нет ли инструкции на английском языке?
Заранее благодарен за ответ. Новосибирск
Пока еще не научился прикреплять фото.
 
DenkotДата: Воскресенье, 11.Апр.2010, 06:43 | Сообщение # 23
OFFлайн
Российская Федерация

.
Mik, встречные вопросы:
1) какое заданное значение PEEP
2) какое фактическое значение PEEP при данном заданном
3) как проверяли
4) верно ли собран контур

клапана безопасности не может не быть, это подсудное дело. обязан быть.
если все собрано правильно, а давление все равно прет, надо смотреть клапан PEEP


в изгнании из ордена медтехников, а посему на лички и почты ответить не могу
 
MikДата: Воскресенье, 11.Апр.2010, 08:23 | Сообщение # 24
Стажер
У вас сообщений: 8
врач анестезиолог
OFFлайн
Российская Федерация

Новосибирск
Отвечаю. Заданное значение PEEP - "0", реальное значение 10-15 см.в.ст. В том случае, когда мех не упирается в пластиковый кожух PEEP может быть "0". Зто бывает быть при низком потоке газа на ротаметрах, но не всегда. Приглашал сертифицированного инженера по вентиляторам Drager, резюме: необходимо работать, так, чтобы поток газов на ротаметрах был ниже МО и мех не упирался в пластиковый кожух. В последующем, однако, попытка повторить данный режим не удалась. Предохранительный клапан есть, но работает только при ручной вентиляции. При автоматической - он вне контура. При автоматичекой ИВЛ сброс газа есть, но как он регулируется не понятно (ручка PEEP на аппарате на "0").
Контур собран правильно. Завтра смогу продемонстрировать фото, если научусь их прикреплять. Сам аппарат несколько отличается по внешнему виду от рассмотренному Вами ранее. Спасибо, MIk.
 
MikДата: Воскресенье, 11.Апр.2010, 09:01 | Сообщение # 25
Стажер
У вас сообщений: 8
врач анестезиолог
OFFлайн
Российская Федерация

Новосибирск
Mik. Скачал инструкцию, выложенную на сайте. В моем случая аппарат несколько другого внешнего вида. Скаченная инструкция более качественная, чем имеющаяся у меня. Буду разбираться. Прилагаю фото с внешним видом. Хотелось бы запустить данный агрегат в работу. Более подробные фото выложу завтра к вечеру. Спасибо.
4920518.jpg (148.3 Kb)
 
les_nik_178Дата: Воскресенье, 11.Апр.2010, 12:22 | Сообщение # 26
У вас сообщений: 1094
Медтехник
OFFлайн
Российская Федерация

Far East
Схема подключения шлангов. Прислали фирмачи. Не прошло и пол года
6590845.doc (698.5 Kb)
 
MikДата: Понедельник, 12.Апр.2010, 18:37 | Сообщение # 27
Стажер
У вас сообщений: 8
врач анестезиолог
OFFлайн
Российская Федерация

Новосибирск
Еще раз все проверил. При потоке на ротаметрах "0" PEEP - "0" и мех при этом не упирается в пластиковый кожух. При потоке 2-7 л/мин - PEEP 7-15 см.вод. ст. и мех упирается в пластиковый кожух. При этом сброс газа происходит по средней трубке серого цвета (соединение блока меха и блока клапанов пациента, выход трубки расположен вниз, на фото не видно). Имеющийся предохранительный клапан работает только при ручной вентиляции. Так работать с пациентами не хочется. Может быть не работает какой то клапан сброса расположенный или внутри аппарата или в блоке с клапанами вдоха и выдоха?
От аппарата к блоку (вдох-выдох) - один гофрированный шланг для управления мехом, тонкий прзрачный шланг - свежая смесь, трубка контроля давления. С уважением ко всем, Mik
8884909.jpg (96.2 Kb) · 7156527.jpg (130.5 Kb) · 1472911.jpg (112.5 Kb) · 7172500.jpg (118.0 Kb) · 7562923.jpg (138.1 Kb)
 
les_nik_178Дата: Понедельник, 12.Апр.2010, 18:54 | Сообщение # 28
У вас сообщений: 1094
Медтехник
OFFлайн
Российская Федерация

Far East
У него несколько клапанов расположены внутри аппарата. Открой заднюю крышку и посмотри. Может или гдето утечка или залипает. Вообще про эти аппараты сказали что у них точность подачи не очень.

Для наших врачей был шок что у него отсутствует увлажнитель. Кто что использует на нем в качестве увлажнителя?

 
DenkotДата: Вторник, 13.Апр.2010, 07:54 | Сообщение # 29
OFFлайн
Российская Федерация

.
Quote (les_nik_178)
Для наших врачей был шок что у него отсутствует увлажнитель

На наркозном аппарате отсутствие увлажнителя - обычное дело.
В замкнутом контуре особенно зачем он - натронку быстрее гасить? побыстрее убить датчик кислорода?
На аппаратах ИВЛ - да, обязательно.
Наркозник это не аппарат ИВЛ и он не рассчитан на длительную вентиляцию.
Разве что в НХО :)


в изгнании из ордена медтехников, а посему на лички и почты ответить не могу
 
DenkotДата: Вторник, 13.Апр.2010, 08:49 | Сообщение # 30
OFFлайн
Российская Федерация

.
Поехали разбираться по порядку.
Mik, в вашем случае гофрированный шланг - приводной газ, прозрачный - свежий газ, синяя трубка по ходу должна быть контролем давления.
Напомню на всякий случай, что приводной газ - это газ который сжимает мех (в дыхательные пути пациента приводной газ не должен попадать (!), это достигается герметичностью мехов). Пациент вдыхает из меха и выдыхает опять же в мех. Если меху есть куда расправляться (не упирается в колбу), то выдох соответственно идет свободно, расправляя мех. ПДКВ в этом случае будет от 0,5 до 2, в зависимости от аппарата. Если мех упирается в колбу, давление должно сбрасываться автоматом. В любом случае аппарат обязан держать режим, и такие погрешности, как 10 см, недопустимы даже для китайца, понятно что с такими ляпами работать нельзя.
Насчет расчета "поток свежего газа меньше или равен МО" - не совсем так. При замкнутом герметичном контуре газ из него будет уходить только на поглощение пациентом и абсорбером. И объем уходящего из контура в минуту газа может быть куда меньше МО. Если поток свежего будет равен потоку уходящего (поглощение+утечки), тогда мех не коснется колбы и ПДКВ не подскочит. Почему у вас при проверке на мешке ПДКВ 0 и мех не упирается при нулевом потоке свежего газа - потому что мешок не поглощает кислород. На реальном пациенте должен быть аналогичный баланс при слабом положительном потоке. Но это будет весьма низкопоточная анестезия, и вообще надеяться на то, что "не упрется", конечно опасно, желательно проверить аппарат.
Насколько я помню китайские аппараты и насколько это видно из Ваших фото, в блок управления уходят только 2 провода и одна трубка (датчик кислорода, датчик потока и давление в контуре). У вас так же? Внутри, "в башке" стоит две платы - одна с датчиками давления - это мониторинг вентиляции и другая - мозги (прошивка+экранный интерфейс).
Что вы можете сделать:
1) проверить блок мехов (герметичность, свободный ход клапанов)
2) проверить датчик потока (свободный ход, правильность включения)
3) проверить соответствие фактического и отображаемого давления в контуре (другими словами, не врет ли датчик давления).
Если что-то будете снимать, разбирать - выкладывайте фото. Если нет нормального фотоаппарата, фотайте телефоном, для разборчивого фото с близкого расстояния используйте слабую лупу (+1, +2).
Дистанционно тяжеловато разбираться :)


в изгнании из ордена медтехников, а посему на лички и почты ответить не могу
 
MikДата: Вторник, 13.Апр.2010, 19:43 | Сообщение # 31
Стажер
У вас сообщений: 8
врач анестезиолог
OFFлайн
Российская Федерация

Новосибирск
Очень благодарен за ответ. Есть ли у нас в городе китайские аппараты даже не знаю, поэтому и проконсультироваться не с кем. Да и на выставках подобных не видел. Два слова о себе: на основной работе более 12 лет работаем в условиях low flow и minimal flow, аппараты CATO (Drager) и KION (Siemens), поэтому проблему низких потоков представляю.
Для увлажнения во время операции и в п/о периоде широко используем бактериальные фильтры (до 24 часов ИВЛ, потом смена фильтра) – проблем с увлажнением, согреванием, пневмониями нет, да на этих наркозниках и нет увлажнителей.
Теперь о Fotone. Полностью с Вами согласен: «Если мех упирается в колбу, давление должно сбрасываться автоматом. В любом случае аппарат обязан держать режим, и такие погрешности, как 10 см, недопустимы». Блок управления Вы описали правильно. Теперь Ваши рекомендации
1) проверить блок мехов (герметичность, свободный ход клапанов) Как будто все исправно
2) проверить датчик потока (свободный ход, правильность включения) – Работает, проверка механическим волюметром от РО-6.
3) проверить соответствие фактического и отображаемого давления в контуре (другими словами, не врет ли датчик давления).- Данные по монитору соответствуют данным механического манометра.
Планирую: 1.Хочу проверить аппарат, убрав из контура поглотитель (сколько времени он там находится, не знаю).2. Снять заднюю панель и осмотреть внешне содержимое на наличие явных дефектов .3.Попытаться дозвонится поставщикам (Регионмедэксперт) аппарата (дата изготовлений 08.2006г., приобретен в 2008 году). Еще раз говорю, что на этом агрегате с 2008 года никто так и не смог работать.
Если буду разбирать, в т.ч. и мех- выложу фото.
Еще раз огромное спасибо, Mik
 
DenkotДата: Среда, 14.Апр.2010, 02:05 | Сообщение # 32
OFFлайн
Российская Федерация

.
Жаль, у меня нет сейчас доступа ни к одному "китайцу", так бы глянул, как там PEEP устроен.
Но здесь дело может быть, кстати, и не в самом управлении PEEP. По идее, все управление идет через приводной газ, и PEEP по сути - это остаточное давление приводного газа в конце выдоха. У вас же получается, что вы ставите РЕЕР ноль, аппарат честно сбрасывает на выдохе давление привода тоже в ноль, мех расправляется, и тут ему встречается крышка колбы. То есть с точки зрения управляющей цепочки все идет по плану, мешает только крышка. С ней ничего не поделаешь, избыток газа может выходить через клапан. Вот тут вопрос, как должен работать этот клапан. Надо посмотреть. Вообще на схеме клапан PEEP нарисован, интересно, как он выглядит в реале. Тем более что схема нарисована, эээ, как бы это сказать... неординарно :)

Да, кстати, а как ведет себя аппарат на другом режиме?

2406354.jpg (69.3 Kb)


в изгнании из ордена медтехников, а посему на лички и почты ответить не могу
 
MikДата: Понедельник, 26.Апр.2010, 19:14 | Сообщение # 33
Стажер
У вас сообщений: 8
врач анестезиолог
OFFлайн
Российская Федерация

Новосибирск
Особо писать не о чем. Без поглотителя (натронки) работа аппарата не изменилась. Изменение режимов работы эффекта не дало. Полностью разобрал блок с клапанами и мехом – никаких дефектов нет. Снял заднюю стенку аппарата – внешне все нормально. Дыхательный объём регулируется изменением потока (к регулятору подходят трубки с кислородом), PEEP аппарата регулируется через электрический резистор. Заменил датчик потока внутри аппарата – без эффекта. Отметил, что при установки PEEP регулятором аппарата, уровень PЕЕP разный и чередуется через один дыхательный цикл – то составляет 15 см.вод.ст., то 20. В целом сохраняется прежняя картина: при МОД 6л/мин при потоке на ротаметрах 0-1 л/мин PEEP около «0», при потоке 2-5 л/мин PEEP 5-7, при потоке 6-8 л/мин PEEP около 10. Видимо, проблема в блоке управления. А там мне своими силами не разобраться. Если руководители учреждения захотят, то будут связываться с продавцами аппарата. Спасибо всем. Прилагаю фото.
1734102.jpg (124.5 Kb) · 1835890.jpg (137.0 Kb) · 1804765.jpg (182.5 Kb) · 5147758.jpg (169.6 Kb) · 6521185.jpg (203.2 Kb)
 
seabeeДата: Пятница, 30.Апр.2010, 17:40 | Сообщение # 34
У вас сообщений: 1310
инженер
OFFлайн
Российская Федерация

Сибирь
Сколько ставил Китай у них у всех мех упирается в колбу когда не отрегулирован обьём.Имеется также сопротивление
выдоху.Китайца с завода спрашивали через переводчика.Не понимает.
 
seabeeДата: Пятница, 30.Апр.2010, 17:41 | Сообщение # 35
У вас сообщений: 1310
инженер
OFFлайн
Российская Федерация

Сибирь
Фото подключения.
5904269.jpg (402.2 Kb)
 
les_nik_178Дата: Суббота, 01.Май.2010, 03:49 | Сообщение # 36
У вас сообщений: 1094
Медтехник
OFFлайн
Российская Федерация

Far East
Можно попробовать фирмачам в Москву звякнуть. У них там вроде сидит сервисный инж.

http://www.fotonmed.ru/

 
Diman_fДата: Среда, 20.Окт.2010, 05:52 | Сообщение # 37
Участник
У вас сообщений: 104
Инженер
OFFлайн
Российская Федерация

Новосибирск
Тоже видел аппарат у которого PEEP лез вверх как только мех упирался в колокол. В моём случае проблема была в не качественном литье черного основания меха. Внутри меха, в центре, стоит мембрана предохранительного клапана, от неё идет друбка наружу (средняя). Так вот внутри этой трубки пластмасса не убрана после литья и мешает выходить лишнему газу. После удаления излишеств, аппарат работает нормально и с PEEPом проблем нет.
Но есть другая проблема, после замены датчика кислорода, аппарат показывает 28% на воздухе. Может кто знает как его можно откалибровать?
 
MikДата: Пятница, 22.Окт.2010, 12:42 | Сообщение # 38
Стажер
У вас сообщений: 8
врач анестезиолог
OFFлайн
Российская Федерация

Новосибирск
Спасибо, Diman f. Последние три месяца аппарат находится где то в медтехнике (где именно - не знаю). Чинят и чинят, а результатов пока не видно. Но как я помню, явного дефекта литья черного основания меха не было, хотя как правильно должен работать этот клапан - не знаю. Если аппарат починят - обязательно сообщу.
 
les_nik_178Дата: Суббота, 23.Окт.2010, 09:03 | Сообщение # 39
У вас сообщений: 1094
Медтехник
OFFлайн
Российская Федерация

Far East
Diman_f, свяжись с "Фотоном" (http://www.fotonmed.ru/ ). Они знают как калибровать. Возможно и вышлют методику. У меня была но ее утеряли (или сперли). Мне с "Фотона" присылали.
 
Diman_fДата: Среда, 08.Дек.2010, 20:06 | Сообщение # 40
Участник
У вас сообщений: 104
Инженер
OFFлайн
Российская Федерация

Новосибирск
C "Фотоном" связывался. Проблема в том, что мне попалась более старая версия аппарата и там упрощенная система меню. Пункт "Калибровка" в нем отсутствовал. Фотоновский инженер сказал, что датчик настраивается регулировкой одного из подстроечников на плате. Методом научного тыка была найдена нужная крутка. Вот уже больше месяца аппарат служит на благо людям!
 
  • Страница 1 из 2
  • 1
  • 2
  • »
Поиск:



Статистика Форума
Последние обновления тем: Новые файлы хранилища: Новые участники: Top10 участников:
1. Анализатор поля зрени...[SpirituS (04.Дек.2025)]
2. Программный комплекс ...[mqubali (04.Дек.2025)]
3. Кардиорегистратор «ИК...[albano18 (04.Дек.2025)]
4. Thermo Scientific gem...[viggen (03.Дек.2025)]
5. Центрифуга CM-6M ф.El...[Ningen64 (03.Дек.2025)]
6. Дефибриллятор Defi B ...[san-che30 (02.Дек.2025)]
7. Коллиматор Ralco R 22...[seeker (02.Дек.2025)]
8. КУПЛЮ/ПРИМУ в дар при...[seabee (02.Дек.2025)]
9. Центрифуга MiniSpin P...[AntonioPetty (01.Дек.2025)]
1. VIVIX Setup Operation...[12.Окт.2025]
2. GenwareMP[10.Сен.2025]
3. Настройка реагентов M...[20.Авг.2025]
4. Philips HD3-EXP[13.Авг.2025]
5. Рентгеновское оборудо...[08.Авг.2025]
6. VersaMed iVent201 Сер...[13.Фев.2025]
7. Гелпик КРД Ренекс РЦ ...[09.Фев.2025]
8. Офтальмологическая ус...[31.Окт.2024]
9. Cardinal-Health-VELA-...[03.Окт.2024]
10. Service Manual HAMILT...[02.Окт.2024]
1. Romanivanov[05.Дек.2025]
2. igogoigogo[05.Дек.2025]
3. 1rishka[04.Дек.2025]
4. L_V_N[04.Дек.2025]
5. ИвановИИ[04.Дек.2025]
6. Alex_U[04.Дек.2025]
7. Yarikus03[03.Дек.2025]
8. EvaLen[03.Дек.2025]
9. dankurets[03.Дек.2025]
10. Velis1566[03.Дек.2025]
МастерБаку[583]
Yulana34[177]
Serg74[160]
Dimitrius[129]
naves[122]
РОМУЛ[121]
bektyish[121]
madmac[116]
Алекс-200[114]
begun_a[112]