[ Новые сообщения · Участники · Правила форума · Поиск · RSS ]



  • Страница 1 из 2
  • 1
  • 2
  • »
Модератор форума: genvik, енот  
ЭКГ ЭК1Т-03М2
карДата: Суббота, 23.Окт.2010, 13:39 | Сообщение # 1
Стажер
У вас сообщений: 13
инженер
OFFлайн
Российская Федерация

Брянск
Здравствуйте!
В электрокардиографе ЭК1Т-03М2 при работе от аккамулятора всё нормально. При работе от сетевого блока питания помехи. Напряжения в норме.
Может кто сталкивался?


Сообщение отредактировал кар - Суббота, 23.Окт.2010, 13:40
 
карДата: Суббота, 23.Окт.2010, 19:06 | Сообщение # 2
Стажер
У вас сообщений: 13
инженер
OFFлайн
Российская Федерация

Брянск
Проинформировал вас неправильно.Стрелка начинает дергаться и с аккамулятором тоже.Вопрос должна ли дрожать стрелка если датчики не подключены и начинаем переключать режимы измерения.?
 
YurkevichДата: Суббота, 23.Окт.2010, 20:04 | Сообщение # 3
У вас сообщений: 567
инженер-наладчик
OFFлайн
Российская Федерация

выборг
При переключении режимов стрелка и должна дергаться (переходные процессы, помехи в коммутаторах) А при неподключенных датчиках (наверно электродах?) - "сам бог велел" ведь наводки ничем не шунтируются.
 
babysh-mДата: Суббота, 23.Окт.2010, 20:22 | Сообщение # 4
сервисный инженер
OFFлайн
Российская Федерация

Екатеринбург
К вопросу о дергании пера. Одним из методов проверки целостности кабеля отведений является отсутствие дергания пера при замкнутых между собой электродах. Нужно такую проверку проводить при всех положениях переключателя режимов.
 
карДата: Суббота, 23.Окт.2010, 20:30 | Сообщение # 5
Стажер
У вас сообщений: 13
инженер
OFFлайн
Российская Федерация

Брянск
Quote (Yurkevich)
При переключении режимов стрелка и должна дергаться (переходные процессы, помехи в коммутаторах) А при неподключенных датчиках (наверно электродах?) - "сам бог велел" ведь наводки ничем не шунтируются.

Я имел ввиду не момент переключения,а именно на всех режимах измерения электродов.Сейчас принесли датчики.Подключил .К сожалению нет инструкции.Но когда нажата кнопочка ноль стрелка на месте,при ее отключении светодиод гаснет-и при переводе в режимы измерений отведений ,в для различных отводов перо начинает хаотически колебаться.И так для всех электродов.Элетроды лежат на столе
 
карДата: Воскресенье, 24.Окт.2010, 12:42 | Сообщение # 6
Стажер
У вас сообщений: 13
инженер
OFFлайн
Российская Федерация

Брянск
Quote (babysh-m)
К вопросу о дергании пера. Одним из методов проверки целостности кабеля отведений является отсутствие дергания пера при замкнутых между собой электродах. Нужно такую проверку проводить при всех положениях переключателя режимов.

Кабель прозвонил,при замкнутых между собой элетродах перо не дергается.При отсоеденении начинает совершать колебательные движения.Пробовал заземлять к батарее отопления ,ничего не меняется.Вопрос:должно ли перо колебаться ,если элетроды просто лежат на столе?

 
babysh-mДата: Воскресенье, 24.Окт.2010, 13:54 | Сообщение # 7
сервисный инженер
OFFлайн
Российская Федерация

Екатеринбург
Quote (кар)
Вопрос:должно ли перо колебаться ,если элетроды просто лежат на столе?

Quote (Yurkevich)
А при неподключенных датчиках (наверно электродах?) - "сам бог велел" ведь наводки ничем не шунтируются.

Какого ответа еще требуется?
 
карДата: Воскресенье, 24.Окт.2010, 15:21 | Сообщение # 8
Стажер
У вас сообщений: 13
инженер
OFFлайн
Российская Федерация

Брянск
Хотелось бы узнать-как правильно проверить работоспособность данного уса-ва?Врач сказала что при таком включении у них ничего не дергалось раньше.
 
babysh-mДата: Воскресенье, 24.Окт.2010, 17:47 | Сообщение # 9
сервисный инженер
OFFлайн
Российская Федерация

Екатеринбург
По брльшому счету проверяются кардиографы при помощи генераторов. Посмотрите тему "Поверка ЭКГ". В принципе при просто брошенных на столе штеккерах кабеля отведений может не быть наводок (дергания пера), но это исключительный случай - это значит что в этом месте нет наводок 50Гц, а это почти невероятно.
А врачу объясните что кардиограф регистрирует сигналы величиной в мВ (предел измерения 10мВ). Можно попробовать продемонстрировать электронный мультиметр в режиме измерения мВ с разомкнутыми щупами, например.
 
СтасДата: Вторник, 26.Окт.2010, 11:27 | Сообщение # 10


---
кар, при разомкнутых концах наводки будут по любому. Сам кабель отведения лучше проверять по раздельности, каждый отвод отдельно и еще при этом желательно его всяческий шевелить. Да еще бывает на месте спайки у концов может экран замыкать с центральной жылой.
Quote (кар)
Кабель прозвонил,при замкнутых между собой элетродах перо не дергается.

так что это не всегда катит.
 
карДата: Вторник, 26.Окт.2010, 19:52 | Сообщение # 11
Стажер
У вас сообщений: 13
инженер
OFFлайн
Российская Федерация

Брянск
Вот так выглядить форма сигналов без подключения датчиков
0603337.jpg (229.0 Kb)
 
STarasДата: Вторник, 26.Окт.2010, 19:57 | Сообщение # 12
инженер-электроакустика, ультразвук
OFFлайн
Украина

Ровно
Quote (кар)
так выглядить форма сигналов
-так это не наводка. Это Юстас передает Алексу.


Чти вело свое – ибо не ты на нём едешь, но оно везёт тебя
 
naiДата: Вторник, 26.Окт.2010, 20:33 | Сообщение # 13
Стажер
У вас сообщений: 25
medteh
OFFлайн
Российская Федерация

anapa
Это шутка?
 
карДата: Вторник, 26.Окт.2010, 21:15 | Сообщение # 14
Стажер
У вас сообщений: 13
инженер
OFFлайн
Российская Федерация

Брянск
Quote (кар)
кар писал(а):
так выглядить форма сигналов
-так это не наводка. Это Юстас передает Алексу.

Я реально попросил помощи,а чего прикалываться.?
 
creytДата: Вторник, 26.Окт.2010, 21:19 | Сообщение # 15
У вас сообщений: 546
техник
OFFлайн
Российская Федерация

Кузня
это самовозбуждение где то

у меня все диоды болят
 
YRA46Дата: Вторник, 26.Окт.2010, 22:22 | Сообщение # 16
Стоматология, Стерилизация
OFFлайн
Российская Федерация

г. Курск
кар, а что записывали? или он сам так? Такое происходит при записи калибровочного импульса? попробуйте при включенном успокоении установить перо по центру, затем отклонить перо (осторожно оно горячее) к краю. будет ли оно "сопротивляться". А вообще проверить питания все, а самовозбуждение попробовать убрать подстройкой АЧХ платы усилителя гальванометра-преобразователя (третья сверху там три переменника рядом стоят-они и регулируют АЧХ).
 
STarasДата: Вторник, 26.Окт.2010, 22:45 | Сообщение # 17
инженер-электроакустика, ультразвук
OFFлайн
Украина

Ровно
Quote (STaras)
-так это не наводка.

Quote (nai)
Это шутка?
- это не шутка, и это не наводка.
Это
Quote (Юрий-46)
самовозбуждение
, причины которого надо искать внутри аппарата.


Чти вело свое – ибо не ты на нём едешь, но оно везёт тебя
 
babysh-mДата: Вторник, 26.Окт.2010, 22:50 | Сообщение # 18
сервисный инженер
OFFлайн
Российская Федерация

Екатеринбург
А как выглядит реальная кардиограмма с этого кардиографа?
 
карДата: Среда, 27.Окт.2010, 19:32 | Сообщение # 19
Стажер
У вас сообщений: 13
инженер
OFFлайн
Российская Федерация

Брянск
Quote (Юрий-46)
кар, а что записывали? или он сам так? Такое происходит при записи калибровочного импульса? попробуйте при включенном успокоении установить перо по центру, затем отклонить перо (осторожно оно горячее) к краю. будет ли оно "сопротивляться". А вообще проверить питания все, а самовозбуждение попробовать убрать подстройкой АЧХ платы усилителя гальванометра-преобразователя (третья сверху там три переменника рядом стоят-они и регулируют АЧХ).

Нет ,калибровочный импульс записывается нормально.Птание внутреннее проверю.
 
leha3103Дата: Среда, 27.Окт.2010, 20:13 | Сообщение # 20
Участник
У вас сообщений: 83
Инженер
OFFлайн
Российская Федерация

Тюмень
на нем есть успокоитель пера, вроде на боковой панели справа..
 
YRA46Дата: Среда, 27.Окт.2010, 22:21 | Сообщение # 21
Стоматология, Стерилизация
OFFлайн
Российская Федерация

г. Курск
Quote (кар)
калибровочный импульс записывается нормально.
чето я его там невижу, запишите калибровку на разных чувствительностях и выложите фото, если есть такая возможность. неплохо бы еще увидеть пишет прямоугольник. а еще вижу аппарат старенький, поробуйте ось пера не люфтит?
Quote (leha3103)
на нем есть успокоитель пера, вроде на боковой панели справа..
точнее регулятор положения пера
 
sevaДата: Четверг, 28.Окт.2010, 14:29 | Сообщение # 22
Стажер
У вас сообщений: 45
нач.сервиса
OFFлайн
Украина

Киев
И проверь провод на основание гальванометра (он вроде снизу под одним из винтов крепления)
 
енотДата: Четверг, 28.Окт.2010, 16:56 | Сообщение # 23
функциональная диагностика
OFFлайн
Российская Федерация

О каких помехах можно вообще говорить, когда кабель "висит в воздухе". Кардиограф - это СИ и проверяться, настраиваться и затем поверяться должен на соотв. генераторе. Тем более, что у данной модели очень часто приходится подстраивать чувствительность и АЧХ. Без генератора это сделать невозможно.
Если вы таки ищите причину самовозбуждения, то могу посоветовать следующее: если самовозбуждение действительно присутствует, то при замкнутых между собой электродах оно скорее всего тоже проявится, концы кабеля в воздухе висеть не должны!!!!!!
Так вот причина самовозбуждения - это скорее всего отвалившийся провод заземления гальванометра. Чтобы это выяснить надо аккуратненько снять гальванометр. На его нижней стороне должен быть провод МГТФ. Один конец этого провода припаян к плате гальванометра, а другой прикручен к оси гальванометра. Посмотрите его целостность.
Если перо совершенно не управляемо, дребезжит и скачет (при замкнутых электродах), то причиной может быть дохлая транзисторная сборка КПС(номер точно не помню, находится на плате гальванометра). Но это бывает очень редко.
Что касается этих кардиографов, то они практически не убиваемые. Через мои руки этих зверей прошли сотни и проблем с электроникой почти не было. Единственный их минус - очень часто требуют подстройки параметров
 
naiДата: Четверг, 28.Окт.2010, 20:29 | Сообщение # 24
Стажер
У вас сообщений: 25
medteh
OFFлайн
Российская Федерация

anapa
енот, полностью согласен.
 
medtehДата: Пятница, 29.Окт.2010, 03:53 | Сообщение # 25
Admin


енот, согласен что аппарат надежный, хоть и старый... так же могу сказать что за все свое время ни разу в электронку не лазил... good
 
LazyCatДата: Пятница, 29.Окт.2010, 11:34 | Сообщение # 26
Стажер
У вас сообщений: 9
инженер
OFFлайн
Российская Федерация

Ставрополь
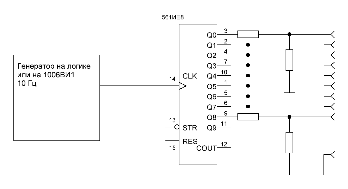
В свое время сделал приспособу для оперативной проверки кардиографов. Очень помогала, до 90% неисправностей находил с ее помощью. Схему точно не нарисую, но идею привел на рисунке. Генератор на 10 Гц на логике или лучше на таймере (стабильнее) потом счетчик 561 ИЕ8, с выходов счетчика резистивные делители. К выходам делителей подключаются все отведения. Делители на прецизионных резисторах рассчитаны на выход 1мВ при соответствующем питании. Частота импульсов на выходе 1 Гц. Можно проверить скорость, по прямоугольнику оценить АЧХ, определить обрывы. Питание от Кроны через стабилизатор на 5...6 В. Стабилизатор регулируемый для точной установки выходного напряжения. Конструктив на ваше усмотрение, у меня был собран в корпусе регистратора ЛН-3. Гнезда на выходе лучше не использовать, а применить "крокодилы" на проводах минимальной длины.
1497328.gif (13.6 Kb)
 
Вячеслав-ВоронежДата: Пятница, 29.Окт.2010, 20:52 | Сообщение # 27
У вас сообщений: 122
инженер-конструктор-програмист-техн
OFFлайн
Российская Федерация

Воронеж
1 диагностика по показанной "кардиограме" -это сетьевая наводка, в случае использования ЗАРЯДНОГО устройства , и разомкнутых электродах проявляется всегда ,в большей или меньшей мере.
2 недостаточна амплитуда (явно) указывает на высыхание электролитов в блоке управления пера , и тоже в канале прохождения сигнала!! калибровочный импульс (прописывается автоматически после смены отведения, перед записью 3 поступившего на УБП сигнала ""П"" ^"V") он продеференцирован ,то есть от него остались Фронт и спад.
3 Хаотичность перемещения линии записи ( как правильно заметили коллеги) неконтакт заземления пера и или шум резистора устаповки "0" пера.
4 Рекомендовал бы в качестве тест генератора конструкцию предложенную (прикреплении) просто и просто переключатель можно упразнить применив сдандартное поверочное расключение .
всё простое гениально! удачи!
9226669.jpg (157.5 Kb)
 
Вячеслав-ВоронежДата: Пятница, 29.Окт.2010, 21:01 | Сообщение # 28
У вас сообщений: 122
инженер-конструктор-програмист-техн
OFFлайн
Российская Федерация

Воронеж
И емкости блока питания ЗАМЕНИТЬ изначально!
 
карДата: Суббота, 30.Окт.2010, 11:27 | Сообщение # 29
Стажер
У вас сообщений: 13
инженер
OFFлайн
Российская Федерация

Брянск
Фотки калибровочного импульса.Просьба обратить внимание только на сами импульсы.У меня бумага кончилась,и записывл импульсы на старую бумагу. Провод с гальванометра проверил.Обрыва нет.Если електроды соеденяю вместе,Перо нормально ,стоит на месте.Емкости блока питания сетевого проверил,были хорошие но все равно заменил.Конденсаторы Блока питания внутреннего проверил.Все нормальные.Не знаю точно,важно ли это,вместо минус 13 вольт--11,7 вольта.?
3435404.jpg (148.2 Kb) · 1428732.jpg (254.7 Kb) · 7762073.jpg (180.8 Kb)


Сообщение отредактировал кар - Суббота, 30.Окт.2010, 16:19
 
енотДата: Воскресенье, 31.Окт.2010, 01:02 | Сообщение # 30
функциональная диагностика
OFFлайн
Российская Федерация

Сдается мне, что аппарат ваш исправен. А когда к пациенту подключают, то что? а то я так понял, что жалоба была на то, что идут шумы, когда кабель лежит на столе - так они и должны идти, и еще как должны, ибо большое входное сопротивление у УБП.
 
medtehДата: Воскресенье, 31.Окт.2010, 03:04 | Сообщение # 31
Admin


судя по фоткам аппарат и вправду исправен.... unknown
 
ВырвиглазДата: Воскресенье, 31.Окт.2010, 03:26 | Сообщение # 32
Стажер
У вас сообщений: 5
Инженер
OFFлайн
Эстония

Таллин
вот полемику устроили biggrin
взять другой кабель для проверки не судьба?
Частая проблема - инженер приходит, все работает. Только домой приехал, расслабился, лег к жене постель - звонят, не работает. Внутри кабеля обрыв, пока не потянешь, работает. Инженер не потянул и остался без секиса и ужина. Сам виноват.
 
карДата: Воскресенье, 31.Окт.2010, 15:08 | Сообщение # 33
Стажер
У вас сообщений: 13
инженер
OFFлайн
Российская Федерация

Брянск
Аппарат мне принесла знакомая врач кардиолог.Сказала ,что он стоит в ее кабинете.И раньше все было нормально.А сейчас стал вот так вести.У меня нет опыта с таким аппаратом.Я в принципе считаю,что это переносной каодиограф,и им по идее можно пользоваться даже придя в любую квартиру.Но как им можно мерить?,если он ,если это нормально реавгирует на всякую фигную.А стрелка пусть и с неподключенными дачтиками дергается как бешенная.Поэтому я просил помощи на форуме ,у тех ,кто сталкивался с этим аппаратом или у него сейчас он есть под рукой.Но все-таки даже здесь мнения раделились,одни считают что данное поведение нормальное,другие говорят ,что кардиограф исправен.Вот я и запутался.Впереди 4 дня выходных.Попробую еще раз все систематизировать.Другого кабеля нет.Да его и прозванивал.Все в норме.

Сообщение отредактировал кар - Воскресенье, 31.Окт.2010, 15:09
 
ВырвиглазДата: Воскресенье, 31.Окт.2010, 16:19 | Сообщение # 34
Стажер
У вас сообщений: 5
Инженер
OFFлайн
Эстония

Таллин
Я вам поясню, почему мнения разделились. Вам лучше найти схему своего кардиографа и самим во всем разобраться. В аппарате есть схема защиты, которая блокирует стрелку при большом входном сигнале. Если мне память не изменяет, там еще диод красный должен гореть, когда кабель отключен или концы не соединины вместе. Почему эта схема у вас не работает? Возможно, это какой-то первый вариант аппарата, в котором ее нет. А возможно аппарат и вправду неисправен. Чтобы в этом убедится, я и посоветовал вам поменять кабель. Это самый простой способ обнаружить неисправность. Дальше вам придется воевать самому.
 
babysh-mДата: Воскресенье, 31.Окт.2010, 18:24 | Сообщение # 35
сервисный инженер
OFFлайн
Российская Федерация

Екатеринбург
Quote (Вырвиглаз)
там еще диод красный должен гореть, когда кабель отключен или концы не соединины вместе.

Такого светодиода в этом кардиографе нет. Если кардиограф аккумуляторный, то правее пера стоит плата с светодиодом индикатором разрядки аккумулятора.
Повторю снова свой вопрос - кардиограммы на пациенте как выглядят? Судя по тому что вы предоставили кардиограф рабочий.
 
SeptДата: Воскресенье, 31.Окт.2010, 20:41 | Сообщение # 36
OFFлайн
Украина

Житомир
Quote (кар)
Я в принципе считаю,что это переносной каодиограф,и им по идее можно пользоваться даже придя в любую квартиру

Правильно думаешь. Только без шнура заземления, ничего не получиться.

Quote (babysh-m)
кардиограммы на пациенте как выглядят?

Это, его сначала темы просили показать.

Quote (babysh-m)
Такого светодиода в этом кардиографе нет.

Он наверное "0", имеет ввиду.
Quote (babysh-m)
кардиограф рабочий.

Согласен с предыдущими ораторами.
 
YRA46Дата: Воскресенье, 31.Окт.2010, 21:57 | Сообщение # 37
Стоматология, Стерилизация
OFFлайн
Российская Федерация

г. Курск
Quote (babysh-m)
что вы предоставили кардиограф рабочий.
не а..... рано такое заключение выдавать.... на пленках запись калибровки, вот если бы это с генератора прямоуголники были, то да. Надо крутить ачх. Опять же просто от фонаря без опыта крутить не советую, хотя-бы прямоугольник подать 5-10 гц. 1 мВ. yes где-то на бумаге была метода регулировки 03 М2, тока не помню. год выпуска (их было три разновидности-один как здесь, и два с пленочной клавиатурой) в принципе они схожи. найду выложу.
 
Вячеслав-ВоронежДата: Воскресенье, 31.Окт.2010, 22:47 | Сообщение # 38
У вас сообщений: 122
инженер-конструктор-програмист-техн
OFFлайн
Российская Федерация

Воронеж
-13 в важно , ремонтируй стабилизатор хотя могут быть варианты:по схеме данное напряжение связано с положением "0" ПЕРА (на бумаге) и при регулировке блоков сбалансировали бп под настройки выхода гальванометра преобразователя(должно быть наоборот) и или потребитель в цепи -13 имеет токи больше нормы ,что сдвигает напр. "решай по месту, и не спеши делать изменения"
для рис не указаны скорость \мв\деление-самого апп. и источника генератора....
пациэнт потенциально скорее всего жив!
 
LazyCatДата: Понедельник, 01.Ноя.2010, 14:18 | Сообщение # 39
Стажер
У вас сообщений: 9
инженер
OFFлайн
Российская Федерация

Ставрополь
Проверьте еще экранирующие оплетки кабеля. Бывает со временем они рассыпаются в труху и дают интересные эффекты.
 
babysh-mДата: Понедельник, 01.Ноя.2010, 21:05 | Сообщение # 40
сервисный инженер
OFFлайн
Российская Федерация

Екатеринбург
Ходим и ходим вокруг да около, что трудно выложить кардиограмму реального человека или, на худой конец, запись имитатора на всех отведениях. Тогда можно будет достоверно поставить диагноз аппарату!
 
  • Страница 1 из 2
  • 1
  • 2
  • »
Поиск:



Статистика Форума
Последние обновления тем: Новые файлы хранилища: Новые участники: Top10 участников:
1. Анализатор поля зрени...[SpirituS (04.Дек.2025)]
2. Программный комплекс ...[mqubali (04.Дек.2025)]
3. Кардиорегистратор «ИК...[albano18 (04.Дек.2025)]
4. Thermo Scientific gem...[viggen (03.Дек.2025)]
5. Центрифуга CM-6M ф.El...[Ningen64 (03.Дек.2025)]
6. Дефибриллятор Defi B ...[san-che30 (02.Дек.2025)]
7. Коллиматор Ralco R 22...[seeker (02.Дек.2025)]
8. КУПЛЮ/ПРИМУ в дар при...[seabee (02.Дек.2025)]
9. Центрифуга MiniSpin P...[AntonioPetty (01.Дек.2025)]
1. VIVIX Setup Operation...[12.Окт.2025]
2. GenwareMP[10.Сен.2025]
3. Настройка реагентов M...[20.Авг.2025]
4. Philips HD3-EXP[13.Авг.2025]
5. Рентгеновское оборудо...[08.Авг.2025]
6. VersaMed iVent201 Сер...[13.Фев.2025]
7. Гелпик КРД Ренекс РЦ ...[09.Фев.2025]
8. Офтальмологическая ус...[31.Окт.2024]
9. Cardinal-Health-VELA-...[03.Окт.2024]
10. Service Manual HAMILT...[02.Окт.2024]
1. Intellect[05.Дек.2025]
2. Romanivanov[05.Дек.2025]
3. igogoigogo[05.Дек.2025]
4. 1rishka[04.Дек.2025]
5. L_V_N[04.Дек.2025]
6. ИвановИИ[04.Дек.2025]
7. Alex_U[04.Дек.2025]
8. Yarikus03[03.Дек.2025]
9. EvaLen[03.Дек.2025]
10. dankurets[03.Дек.2025]
МастерБаку[583]
Yulana34[177]
Serg74[160]
Dimitrius[129]
naves[122]
РОМУЛ[121]
bektyish[121]
madmac[116]
Алекс-200[114]
begun_a[112]