[ Новые сообщения · Участники · Правила форума · Поиск · RSS ]



  • Страница 2 из 3
  • «
  • 1
  • 2
  • 3
  • »
Модератор форума: zx19  
Анализатор гематологический XP-300 ф.Sysmex (Япония)
BardeyДата: Суббота, 09.Авг.2014, 13:28 | Сообщение # 1
Участник
У вас сообщений: 190
инженер
OFFлайн
Российская Федерация

Воронеж
Регистрационное удостоверение РЗН 2013/812 от 08.07.2013 года на Анализатор гематологический ХР-300, производства японской компании Sysmex Corporation (торговый бренд - "Sysmex/b]").

. Гематологический анализатор XP-300™ японской компании Sysmex Corporation - экономичный, надежный, долговечный анализатор для автоматического дифференцированного подсчёта клеток крови с разделением по трём лейкоцитарным фракциям (3-DIFF), созданный на основе зарекомендовавшего себя анализатора [b]KX-21N
. У ХР-300 механика и гидравлика с пневматикой полностью от КХ-21, электроника и софт новые.

. Все вопросы и пояснения, тем или иным образом, касающиеся этого аппарата, на которые в теме не найдены ответы, и ответы/советы на них необходимо размещать только в этой ТЕМЕ !!! Тем самым, вы намного облегчите другим участникам и посетителям Форума поиск ответов на их вопросы. Да, и просто в получении полезной практической информации об этом аппарате, и о проблемах связанных с ним.
. ВНИМАНИЕ ! Прежде, чем изложить в этой теме своё сообщение (пост ), проследите за тем, чтобы тематика вашего сообщения соответствовала ИЗНАЧАЛЬНОЙ тематике темы (в том числе по наименованию, типу/марке, модели аппарата ), и чтобы информации, подобной вашей, в ней не было!
В противном случае –
потрудитесь найти на Форуме тему с нужной вам тематикой! И ТОЛЬКО убедившись, что на Форуме нет таковой темы, вы можете создать новую, или обратиться к модераторам за помощью!
. И ещё к сведению и обязательному исполнению см. по ссылке это ТРЕБОВАНИЕ (с.20 ) !

. Есть принципиально важная тема: "О контрольной крови и калибраторе (Практика исследований и обеспечение их достоверности ).

. Для размещения запросов на эксплуатационную и наладочно-ремонтную техническую (сервисную) документацию в разделе Форума:
"Что ищем?" есть специализированная тема: "Анализатор гематологический XP-300 ф.Sysmex (Нужна техническая документация )".


. Также есть темы:
- Анализатор гематологический KX-21N ф.Sysmex (Неполадки/проблемы, опыт и советы по их устранению );
- Анализатор гематологический KX-21N ф.Sysmex (Нужна техническая документация ).


Сообщение отредактировал Bardey - Суббота, 09.Авг.2014, 13:35
 
bonusДата: Среда, 15.Авг.2018, 20:05 | Сообщение # 41
Участник
У вас сообщений: 82
service-engeneer
OFFлайн
Узбекистан

Tashkent
Цитата rual ()
bonus, сами снимали/одевали?


когда сломал при обслуживании старую, то заказал новую и........... тоже сломал, благо через несколько дней поехал в Сисмекс, а тамошние инженера сняли со списанного уже с трубочками, там и показали инструмент. Они мне сказали, что без него одеть трубку не реально. С тех пор когда разбираю поворотный клапан, стараюсь работать аккуратно.

можно попробовать просто срезать её и соединить как предлагает useful

примерно так..
4356573.jpg (200.5 Kb)


Сообщение отредактировал bonus - Четверг, 16.Авг.2018, 07:54
 
IlyaSmolyakovДата: Четверг, 01.Ноя.2018, 08:01 | Сообщение # 42
Участник
У вас сообщений: 64
Сервис-инженер
OFFлайн
Казахстан

Павлодар
Вопрос по сисмексу 300, но не по штрих-кодам.
Кто пробовал или видел как проводится прошивка анализатора? Какими способами и устройствами!?
 
bonusДата: Четверг, 01.Ноя.2018, 13:10 | Сообщение # 43
Участник
У вас сообщений: 82
service-engeneer
OFFлайн
Узбекистан

Tashkent
Цитата IlyaSmolyakov ()
Кто пробовал или видел как проводится прошивка анализатора?


есть только инструкция обновления программы.
XP_Series_Progr.pdf (828.3 Kb)


Сообщение отредактировал bonus - Четверг, 01.Ноя.2018, 13:27
 
IlyaSmolyakovДата: Среда, 07.Ноя.2018, 10:39 | Сообщение # 44
Участник
У вас сообщений: 64
Сервис-инженер
OFFлайн
Казахстан

Павлодар
Цитата bonus ()
есть только инструкция обновления программы.
XP_Series_Progr.pdf(828.3 Kb)

СПАСИБО!
В продолжение разговора! Нет ли случайно софта и прошивок!? Для экспериментов ;)
Может на обучении что то удалось умыкнуть ;)
 
bonusДата: Среда, 07.Ноя.2018, 17:10 | Сообщение # 45
Участник
У вас сообщений: 82
service-engeneer
OFFлайн
Узбекистан

Tashkent
Цитата IlyaSmolyakov ()
Нет ли случайно софта и прошивок!


Нет, даже на сайте для скачивания нет.

BD347455 CARD_ASSY NO.25(1XP1X) ver:00-14

Заказываешь у вашего дистрибьютера эту карту с последней версией софта и экспериментируешь. yes
 
Electronic_ArtsДата: Вторник, 07.Май.2019, 21:44 | Сообщение # 46
Участник
У вас сообщений: 74
Электронщик
OFFлайн
Азербайджан

Баку
Народ всем привет
Столкнулся с такой проблемой в аппарате Sysmex xp-300
аппарат не забирает достаточного количества дилюента и выдает ошибку Replace container CELLPACK.
Если сделать замену (замера реагента в меню) то чаша дилюента наполняется каплями чего не достаточно чтоб чаша успела заполнится до определенного уровня и ошибка повторяется.
Герметика чаши в порядке да и с давлением проблем нету аппарат стабильно держит заданное давление.

В чем может быть проблема??
 
Serg74Дата: Среда, 08.Май.2019, 06:06 | Сообщение # 47
У вас сообщений: 1101
Инженер лаборатория ИВЛ
OFFлайн
Российская Федерация

Челябинск
Electronic_Arts,
Проверь состояние самого заборника дилюента(та часть на горловине канистры на которую одеты трубки), у меня на обоих приборах поломали в первый год. wink
 
Electronic_ArtsДата: Среда, 08.Май.2019, 09:32 | Сообщение # 48
Участник
У вас сообщений: 74
Электронщик
OFFлайн
Азербайджан

Баку
Цитата Serg74 ()
Electronic_Arts,
Проверь состояние самого заборника дилюента(та часть на горловине канистры на которую одеты трубки), у меня на обоих приборах поломали в первый год.

Добрый день. Эти трубки вы имеете ввиду
1591859.jpg (119.9 Kb)
 
Serg74Дата: Среда, 08.Май.2019, 09:48 | Сообщение # 49
У вас сообщений: 1101
Инженер лаборатория ИВЛ
OFFлайн
Российская Федерация

Челябинск
Electronic_Arts,
нет, тот который в самой канистре дилюента(сам реактив, снаружи), часто ломают там. Можно просто снять трубку подачи сзади аппарата и потянуть через нее шприцом для проверки, да и так при работе видно идет забор дилюента или нет. yes
 
Electronic_ArtsДата: Среда, 08.Май.2019, 10:04 | Сообщение # 50
Участник
У вас сообщений: 74
Электронщик
OFFлайн
Азербайджан

Баку
Цитата Serg74 ()
Electronic_Arts,
нет, тот который в самой канистре дилюента(сам реактив, снаружи), часто ломают там. Можно просто снять трубку подачи сзади аппарата и потянуть через нее шприцом для проверки, да и так при работе видно идет забор дилюента или нет.

Я его первым делом заменил на другой шланг чтоб исключить эту версию. Тут проблема в чем то другом. Схему подключения трубок тоже нету на сервис мануале что создает больше гемора с поиском неисправностей.
 
AlexiumДата: Среда, 08.Май.2019, 11:18 | Сообщение # 51
Инженер медтехник
OFFлайн
Российская Федерация

Саратов
Цитата Electronic_Arts ()
подключения трубок тоже нету
KX-21_7-2.pdf (185.4 Kb)
 
Electronic_ArtsДата: Среда, 08.Май.2019, 12:04 | Сообщение # 52
Участник
У вас сообщений: 74
Электронщик
OFFлайн
Азербайджан

Баку
Alexium, огромное спасибо. Сейчас попробую все проверить. В любом случае если кто то сталкивался уже с такой проблемой делитесь информацией - если смогу решить эту задачу отпишусь обязательно.
 
bonusДата: Пятница, 10.Май.2019, 17:33 | Сообщение # 53
Участник
У вас сообщений: 82
service-engeneer
OFFлайн
Узбекистан

Tashkent
Цитата Electronic_Arts ()
если смогу решить эту задачу отпишусь обязательно.


ну как дела? получилось?

обычно такая проблема бывает когда анализатор отработал более 5 лет, и решается проблема чисткой master valve 2, но судя по трубочкам с фото, у вас идеальный аппарат, и в этим клапаном скорее всего проблем нету.
 
Electronic_ArtsДата: Пятница, 10.Май.2019, 21:52 | Сообщение # 54
Участник
У вас сообщений: 74
Электронщик
OFFлайн
Азербайджан

Баку
Сегодня решил уже проблему. Проблема была в шланге который подключен снизу к фильтру влажности который стоит сзади регулятора давлении. Отрезал испорченную часть трубки и одел заново. И все решилась проблема. Но появилась другая проблема
WBC RBC Clog. Аппарат жалуется на засорение но никакого засорения нету я уже 100 раз проводил чистку по сервисному мануалу но нет ошибка по прежнему висит. В какую сторону теперь копать?
Разница этим аппаратом и КХ-21 огромная как минимум КХ-21 имеет самопроверку.
 
DikobrazДата: Воскресенье, 12.Май.2019, 17:47 | Сообщение # 55
Участник
У вас сообщений: 144
инженер
OFFлайн
Российская Федерация

Н
Цитата Electronic_Arts ()
Но появилась другая проблема
WBC RBC Clog

Заходишь в сервисное меню и правишь. Реагенты какого производителя стоят?
 
Electronic_ArtsДата: Среда, 15.Май.2019, 22:28 | Сообщение # 56
Участник
У вас сообщений: 74
Электронщик
OFFлайн
Азербайджан

Баку
Цитата Dikobraz ()
Заходишь в сервисное меню и правишь. Реагенты какого производителя стоят?

Проблему эту тоже решили - дилюент просто поменяли и все.

Теперь появилась еще одна проблема - аппарат не забирает кровь. Это уже второй такой случай с которым я сталкиваюсь в первом случае была проблема в трубке она была засорена. Но в этой все чисто - в какую сторону теперь копать?
 
Electronic_ArtsДата: Воскресенье, 19.Май.2019, 13:08 | Сообщение # 57
Участник
У вас сообщений: 74
Электронщик
OFFлайн
Азербайджан

Баку
Народ ни у кого нет идеи в чем может быть беда?
 
Serg74Дата: Воскресенье, 19.Май.2019, 13:58 | Сообщение # 58
У вас сообщений: 1101
Инженер лаборатория ИВЛ
OFFлайн
Российская Федерация

Челябинск
Electronic_Arts,
беда может быть везде, проверь состояние роторного клапана(SRV), возможно какой либо канал не проходим, или неверно поставлен после сборки. Рисунок процесса забора и роторного клапана в помощь. unknown
4736993.png (222.7 Kb) · 2799801.png (222.7 Kb)


Сообщение отредактировал Serg74 - Воскресенье, 19.Май.2019, 14:00
 
Electronic_ArtsДата: Вторник, 21.Май.2019, 18:31 | Сообщение # 59
Участник
У вас сообщений: 74
Электронщик
OFFлайн
Азербайджан

Баку
Serg74, проверил все от и до. Аппарат то забирает кровь то нет
и когда она забирает кровь то результаты такие

Тесты с номером 29 и 31 это результат когда аппарат сам забрал кровь
а вовремя теста №30 я добавил каплю крови в колбу для смешивания и сразу RBC стал нормальным а WBC все равно не читается.

Я как то не обратил внимание на то что клиент иглу помял и походу руками исправил по внешности это не отличить но стоит снять иглу и положить на ровную поверхность видно что она не ровная.
Допустим проблема недосточного забора крови заключается в игле а что стало с WBC пока не могу понять. Прозвонил выводы чаши все ОК обрывов нету.

Крови для проверки использовали новые калибровочные.
Реагенты новые аппарат тоже не старый пропработал всего 3 года.
Результаты сравниваю с MindrayBC 2800 - он полносью исправен. На нем эти же крови читаются нормально.

Аппарат никаких ошибок не выдает никаких засорений нету давление в порядке. Бланк при запуске читается без проблем. Как бы аппарат запускается как обычно без каких либо ошибок но результаты анализа долеки от реальности.
0994600.jpg (203.1 Kb)


Сообщение отредактировал Electronic_Arts - Вторник, 21.Май.2019, 18:34
 
vvpДата: Вторник, 21.Май.2019, 20:25 | Сообщение # 60
У вас сообщений: 404
инженер
OFFлайн
Российская Федерация

Уфа
Electronic_Arts, При заборе кровь проходит через роторный клапан? С клапана должна идти кровь по тонкой трубке еще сантиметра 2-3.

Сообщение отредактировал vvp - Вторник, 21.Май.2019, 20:27
 
Electronic_ArtsДата: Вторник, 21.Май.2019, 20:43 | Сообщение # 61
Участник
У вас сообщений: 74
Электронщик
OFFлайн
Азербайджан

Баку
vvp, Когда происходит сбор крови на тонких трубках крови не видно - как только аппарат пикает кровь моментально попадает в разбавительную колбу. Это заметно по смене цвета раствора на колбе она становится мутной из за крови а когда аппарат не забирает кровь то раствор в колбе остается прозрачной и так как кровь не поступил в разбавительную колбу результат по всем пунктам равняется нулю(WBC, RBC, HGB и т.д. везьде только 0).
 
vvpДата: Вторник, 21.Май.2019, 21:30 | Сообщение # 62
У вас сообщений: 404
инженер
OFFлайн
Российская Федерация

Уфа
Если крови не видно, значит она не аспирируется. Смотри весь путь забора крови по схеме который дал Serg74. Прохождение через клапан можно проверить шприцем с водой.
 
Electronic_ArtsДата: Вторник, 21.Май.2019, 22:35 | Сообщение # 63
Участник
У вас сообщений: 74
Электронщик
OFFлайн
Азербайджан

Баку
Цитата vvp ()
Прохождение через клапан можно проверить шприцем с водой.

Вот что я сделал: Подключил шприц с водой к игле - но надавить не прикаких положениях выдвижного клапана мне это не удалось. Для этого помоему клапан 21-1 должен быть открытым. А она открывается только тогда когда нажимаешь на кнобку.

Посмотрите на рисунок я с обеих сторон показал - то что слева это как движется кровь в моем случае. На павом снимке тонкая трубка - на нем при сборе крови ничего не видно.
0084035.jpg (225.4 Kb)
 
vvpДата: Среда, 22.Май.2019, 10:00 | Сообщение # 64
У вас сообщений: 404
инженер
OFFлайн
Российская Федерация

Уфа
Electronic_Arts, Кровь должна быть! Где-то засор скорее всего. Проверить магистраль можно со стороны клапана на выключенном приборе( роторный клапан в верхнем положении). Вода должна вытекать из иглы.
7686351.jpg (89.4 Kb) · 3714217.jpg (89.1 Kb) · 1557260.jpg (50.8 Kb)


Сообщение отредактировал vvp - Среда, 22.Май.2019, 10:03
 
bonusДата: Суббота, 25.Май.2019, 18:48 | Сообщение # 65
Участник
У вас сообщений: 82
service-engeneer
OFFлайн
Узбекистан

Tashkent
Цитата Bardey ()
как настроить сканер штрих кодов?


подключаешь сканер к анализатору и считываешь все штрих-коды по очереди.
Gryphon_GD_4130.pdf (283.3 Kb)
 
bonusДата: Суббота, 25.Май.2019, 19:00 | Сообщение # 66
Участник
У вас сообщений: 82
service-engeneer
OFFлайн
Узбекистан

Tashkent
Цитата Electronic_Arts ()
появилась еще одна проблема - аппарат не забирает кровь.


проверь этот путь.. ну и вакуум с давлением должны быть в пределах нормы.
6352087.jpg (93.2 Kb)


Сообщение отредактировал bonus - Суббота, 25.Май.2019, 19:01
 
Electronic_ArtsДата: Понедельник, 27.Май.2019, 22:06 | Сообщение # 67
Участник
У вас сообщений: 74
Электронщик
OFFлайн
Азербайджан

Баку
Цитата vvp ()
Electronic_Arts, Кровь должна быть! Где-то засор скорее всего. Проверить магистраль можно со стороны клапана на выключенном приборе( роторный клапан в верхнем положении). Вода должна вытекать из иглы.
Очень извиняюсь за долгий ответ - хотел иглу тоже проверить на рабочем аппарата а потом ответить.
.

Я сделал как вы сказали да магистраль чистый вода вытекает из иглы.
Иглу тоже проверил на рабочем аппарате - она тоже в норме.

А можно мне цветной сервис мануал - тот который на форуме - его как бутдо кто то скачать распечатал потом чернобелую ксерокопию снял а потом отсканировал выложил на хранилище.)))

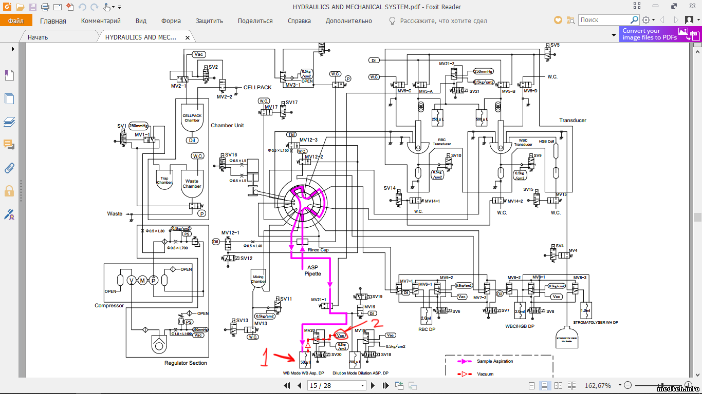
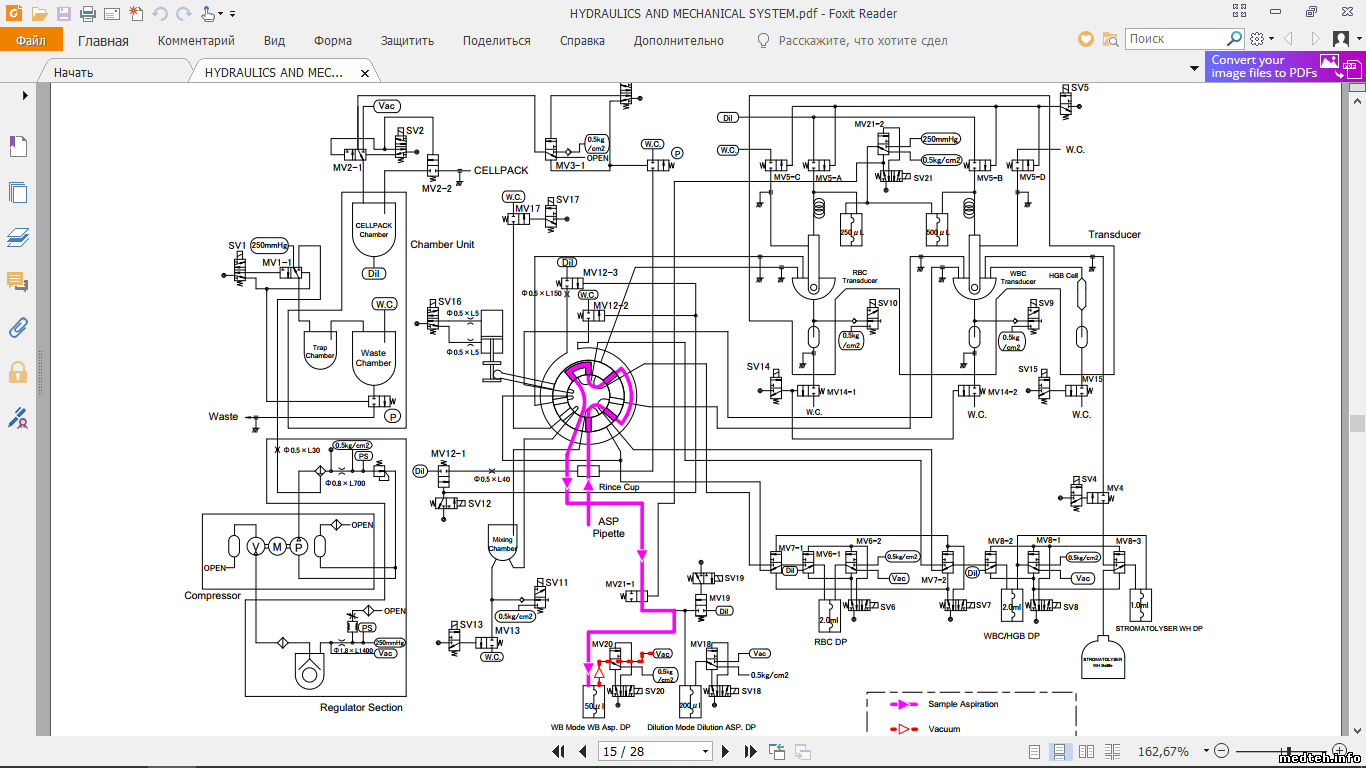
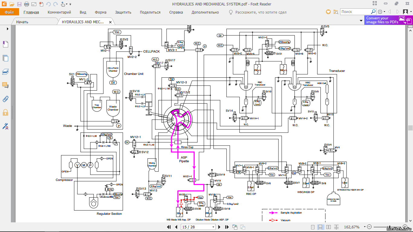
Посмотрите, пожалуйста, и подскажите, где находится точка под номером "2"? я думаю стоит туда покдчить шприц и проверить.
И что это за WB Mode WB Asp. DP я указал как номер "1"
3884337.png (226.9 Kb)


Сообщение отредактировал Electronic_Arts - Понедельник, 27.Май.2019, 22:09
 
bonusДата: Среда, 29.Май.2019, 06:36 | Сообщение # 68
Участник
У вас сообщений: 82
service-engeneer
OFFлайн
Узбекистан

Tashkent
Цитата Electronic_Arts ()
точка под номером "2"? я думаю стоит туда покдчить шприц


не советую туда подключать шприц, иначе в помпу накачаете жидкость.

Цитата Electronic_Arts ()
И что это за WB Mode WB Asp. DP


это мембранный насос (DP) который и работает на аспирацию цельной крови (WB), и управляется вакуумом и давлением через клапан 20.
 
Electronic_ArtsДата: Среда, 29.Май.2019, 14:46 | Сообщение # 69
Участник
У вас сообщений: 74
Электронщик
OFFлайн
Азербайджан

Баку
Тогда в какую сторону смотреть то вроде все уже слелал но результат ноль. Все клапаны 20, 21-1, 21-2, 18, 19 все разобрал собрал все они чистые. Путь для крови тоже чистый. Но аппарат не забирает кровь.
.

Добрые люди, поделитесь, пожалуйста, цветным сервис мануалом.
 
DimitriyДата: Четверг, 11.Июл.2019, 20:41 | Сообщение # 70
Стажер
У вас сообщений: 40
инженер
OFFлайн
Российская Федерация

ЦФО
Здравствуйте!
"Ошибка вакуума". Возникает приблизительно на 8-10 секунде цикла. Внешне, ошибка возникает при включении и работе клапана 12, при этом датчик показывает изменения от 0,0335МПа до 0,007. Клапан 12.2 и 12.3 включает промывку SRV клапана, 12.1 открывает путь от камеры делютора через промывочную чашу к камере с отходами. Если перекрыть тубинг (прям у чаши) от промывочной чаши к камере с отходами, то падения давления не происходит и цикл проходит без ошибки по вакууму.
Сделано: Замена промывочной чаши, Чистка компресора, Чистка клапанов.
Рассматривал идею затруднения прохождения дилютора, и в следствии забора лишнего воздуха в чаше и в последующем падении давления. Также рассмотрел идею нехватки давления. (проверка этих идей не решили проблему)
Странно что в начале в меню индикации состояния, аппарат позволял нажать кнопку пуск (справа в низу экрана) и наблюдать датчики и переключение клапанов, а после перезагрузке такая возможность пропала.
Не проверил реальный вакуум и давление в системе т.к. не было манометра под рукой. код С9-0 не подходит. Сомневаюсь в падении производительности компресора, да и методики проверки его мне не известна.
Прошу консультации по решении проблемы "Ошибка вакуума".
 
DimitriyДата: Среда, 17.Июл.2019, 19:43 | Сообщение # 71
Стажер
У вас сообщений: 40
инженер
OFFлайн
Российская Федерация

ЦФО
Dimitriy, Пропускала крышка камеры с поплавком.
 
TimДата: Понедельник, 29.Июл.2019, 23:00 | Сообщение # 72
Участник
У вас сообщений: 54
инженер
OFFлайн
Российская Федерация

Новороссийск
Периодически также вылезает "ошибка вакуума 0.033МПа". При визуальном осмотре не видно явных источников проблемы. Проверяю плотно ли "сидят" трубки, пересоединяю. После этого на некоторое время ошибка исчезает. Но, как уже сказал, явных проблемных мест не видел. Прошу поделиться опытом.
 
LoboffДата: Воскресенье, 08.Сен.2019, 20:59 | Сообщение # 73
Заглянувший
У вас сообщений: 1
инженер по ремонту
OFFлайн
Беларусь

Минск
Помогает чистка игольчатого клапана блока сильфона
5010872.jpg (87.5 Kb)


Сообщение отредактировал Loboff - Воскресенье, 08.Сен.2019, 21:10
 
Electronic_ArtsДата: Воскресенье, 22.Сен.2019, 13:37 | Сообщение # 74
Участник
У вас сообщений: 74
Электронщик
OFFлайн
Азербайджан

Баку
Ребята всем привет.

Привезли на ремонт сисмекс хп-300 с проблемой при запуске выдает ошибку "Ошибка пустого жначения".
Показания такие
WBC - 0.4
RBC - 4.54
HGB - 0.0
PLT - ++++

Автопромывку сделал не помогает. Очистку датчиков тоже делал результат никакой. WBC и RBC спускаются до нуля но PLT скочит то 600 - 270 или же вообще ++++ показывает.
Автопромывку и очистку проводил где то 20-25 раз но не получается получить нули по всем параметрам.

Заземление подключено. Реагенты оригинальные.
 
bonusДата: Понедельник, 23.Сен.2019, 09:43 | Сообщение # 75
Участник
У вас сообщений: 82
service-engeneer
OFFлайн
Узбекистан

Tashkent
Цитата Electronic_Arts ()
WBC и RBC спускаются до нуля но PLT скочит то 600 - 270 или же вообще ++++ показывает.

Попробуй использовать другой Cellpack. Очень часто бывает когда лаборант меняя реагент бросает трубочку на грязный пол, потом PLT не проходит фоновые значения, или реагент не свежий.
 
Electronic_ArtsДата: Понедельник, 23.Сен.2019, 17:43 | Сообщение # 76
Участник
У вас сообщений: 74
Электронщик
OFFлайн
Азербайджан

Баку
Цитата bonus ()
Попробуй использовать другой Cellpack. Очень часто бывает, когда лаборант, меняя реагент, бросает трубочку на грязный пол, потом PLT не проходит фоновые значения, или реагент не свежий.
Cellpack поменяли, проблема с PLT исчезла, по всем параметрам 0, только вот WBC сейчас показывает "WBC -----" - минусы перед значением.

.
Sysmex ХР-300 и KX-21 это два единственных прибора, с которыми я так мучаюсь всё время.
В своём опыте я чинил Райто, которая была полностью в крови, настолько, что всевозможные трубки были не прозрачными, а красными.
Тот же Миндрай, которого я смог вернуть с того света.
Мульти+, который еле-еле включался.
У всех этих приборах мне удалось вернуть аппарат к жизни и получить полный ноль по всем параметрам, и они до сих пор работают без единой проблемы.
Вот Сисмекс-ом полное Ж... Два сисмекса вернули клиенту с проблемой: аппарат просто не забирает кровь. Хотя, как уже обсуждали, я разобрал его до того состояния, что простой смертный не смог бы его обратно собрать. Всё, вроде, идеально чисто, но аппарат просто отказывался забирать кровь и при этом не выдавал никаких ошибок. И сейчас этот аппарат, параметры которого, то уходят в минус, то в плюс. Самоочистка не даёт никаких результатов. Все возможные методы чистки из сервис-мануала я провёл настолько часто, что уже второй раз ставим стомалайзер.

Я понимаю, что виноваты работники лаборатории, которые вовремя не проводили чистку. И судя по истории ошибок, я вижу, что целых 3-и месяца аппарат выдавал: "BLANK ERROR", и при этом продолжали им пользоваться пока он окончательно уже перестал выдавать какие-то результаты.
Но должно же быть решение каждой определенной проблемы. Автопромывка и другие виды чистки не справляются.
 
optimizerДата: Вторник, 24.Сен.2019, 09:09 | Сообщение # 77
Завсегдатай
У вас сообщений: 273
инженер
OFFлайн
Российская Федерация

ЦФО
Цитата Electronic_Arts ()
каждой определенной проблемы

Добрый день,

Если выскакивал BLANK ERROR/не забирал кровь проверьте еще раз:

- контакты к измерительным камерами;
- значение вакуума;
- если сохранились коды ошибок, то посмотреть на каком этапе по времени они выскакивали. В мануале указана их расшифровка.
- аккуратно почистить с разбором Waste Chamber, чтобы бяка не забила потом трубки.

3 года назад столкнулся с КХ-21, разбирал вплоть до блоков клапанов.
 
Electronic_ArtsДата: Вторник, 24.Сен.2019, 10:18 | Сообщение # 78
Участник
У вас сообщений: 74
Электронщик
OFFлайн
Азербайджан

Баку
Цитата optimizer ()
- контакты к измерительным камерами;


Можете сказать - точки A1 и B1 должны между собой прозваниваться?? A1 и А2 (это металлический леписток внутри чаши). B1 и B2 это коннектор на сером проводе.

Цитата optimizer ()
- значение вакуума;

Вакумом проблем нету так как этот аппарат кровь забирает. Она только фоновой тест не проходит.

Цитата optimizer ()
- если сохранились коды ошибок, то посмотреть на каком этапе по времени они выскакивали. В мануале указана их расшифровка.

Коды ошибок это Blank Error. При включении аппарат не проходит фоновую проверку так как результаты отклоняются от нормы. И если она проходит фоновую проверку - стоит только просто нажать на кнобку асспирации для проверки все ли в порядке получаю ошибку Ошибка RBC Smp’g (413020). И все начинается с начала.


Сообщение отредактировал Electronic_Arts - Вторник, 24.Сен.2019, 10:19
 
optimizerДата: Вторник, 24.Сен.2019, 11:12 | Сообщение # 79
Завсегдатай
У вас сообщений: 273
инженер
OFFлайн
Российская Федерация

ЦФО
Цитата Electronic_Arts ()
точки A1 и B1 должны между собой прозваниваться

Да

B1 и В2 - разъемное соединение, в моем случае окислился штырек, затем отпал, когда разъединял

Цитата Electronic_Arts ()
Ошибка RBC Smp’g (413020)
5935546.jpg (147.1 Kb) · 1050057.jpg (13.2 Kb)


Сообщение отредактировал optimizer - Вторник, 24.Сен.2019, 13:21
 
Electronic_ArtsДата: Вторник, 24.Сен.2019, 12:44 | Сообщение # 80
Участник
У вас сообщений: 74
Электронщик
OFFлайн
Азербайджан

Баку
Цитата optimizer ()
B1 и В2 - разъемное соединение, в моем случае окислился штырек, затем отпал, когда разъединял

У меня такая же беда - контакта нету. Починю проводку проверю все с начала.
 
  • Страница 2 из 3
  • «
  • 1
  • 2
  • 3
  • »
Поиск:



Статистика Форума
Последние обновления тем: Новые файлы хранилища: Новые участники: Top10 участников:
1. Анализатор поля зрени...[SpirituS (04.Дек.2025)]
2. Программный комплекс ...[mqubali (04.Дек.2025)]
3. Кардиорегистратор «ИК...[albano18 (04.Дек.2025)]
4. Thermo Scientific gem...[viggen (03.Дек.2025)]
5. Центрифуга CM-6M ф.El...[Ningen64 (03.Дек.2025)]
6. Дефибриллятор Defi B ...[san-che30 (02.Дек.2025)]
7. Коллиматор Ralco R 22...[seeker (02.Дек.2025)]
8. КУПЛЮ/ПРИМУ в дар при...[seabee (02.Дек.2025)]
9. Центрифуга MiniSpin P...[AntonioPetty (01.Дек.2025)]
1. VIVIX Setup Operation...[12.Окт.2025]
2. GenwareMP[10.Сен.2025]
3. Настройка реагентов M...[20.Авг.2025]
4. Philips HD3-EXP[13.Авг.2025]
5. Рентгеновское оборудо...[08.Авг.2025]
6. VersaMed iVent201 Сер...[13.Фев.2025]
7. Гелпик КРД Ренекс РЦ ...[09.Фев.2025]
8. Офтальмологическая ус...[31.Окт.2024]
9. Cardinal-Health-VELA-...[03.Окт.2024]
10. Service Manual HAMILT...[02.Окт.2024]
1. igogoigogo[05.Дек.2025]
2. 1rishka[04.Дек.2025]
3. L_V_N[04.Дек.2025]
4. ИвановИИ[04.Дек.2025]
5. Alex_U[04.Дек.2025]
6. Yarikus03[03.Дек.2025]
7. EvaLen[03.Дек.2025]
8. dankurets[03.Дек.2025]
9. Velis1566[03.Дек.2025]
10. xloaders[03.Дек.2025]
МастерБаку[583]
Yulana34[177]
Serg74[160]
Dimitrius[129]
naves[122]
РОМУЛ[121]
bektyish[121]
madmac[116]
Алекс-200[114]
begun_a[112]