[ Новые сообщения · Участники · Правила форума · Поиск · RSS ]



Модератор форума: zx19  
Лабораторные центрифуги из Бишкека
helgeДата: Среда, 30.Июн.2010, 10:50 | Сообщение # 1
У вас сообщений: 225
инженер
OFFлайн
Кыргызстан

Bishkek
ВНИМАНИЕ! Прежде чем писать что-то своё в этой теме обязательно прочтите её с самого начала - возможно об этом уже есть информация в теме - дважды и более мусолить одно и тоже не нужно,
и излагайте свои мысли (вопросы/ответы) сразу же полностью по существу рассматриваемой проблемы, а не нудно по каплям с цитатами, иначе полезная тема получится утомительно длинной!


Кыргызстан, г.Бишкек. Проектируем и выпускаем центрифуги лабораторные медицинские. Те самые, которые Вы ремонтируете.
Так что, если по нашим изделиям будут вопросы или предложения - всегда пожалуйста, проконсультируем и примем к сведению.
Но обязательно указывайте:
1. Полное паспортное наименование и марку/модель центрифуги;
2. Год выпуска;
3. Подробное описание неисправности.


Центрифуги (по состоянию на 30.06.2010 года):
ОС-6М - снята с производства с 01.06.10
РС-6 - снята с производства с 01.01.11
ОС-6МЦ - выпускается взамен ОС-6М. Цифровая, с процессорным управлением.
РС-6МЦ - выпускается взамен РС-6. Цифровая, с процессорным управлением, асинхронным двигателем и преобразователем частоты, новым холодильным агрегатом фирмы Danfos. Добавлены дополнительные ротора.
ОПн-8 - ввиду большой популярности, выпускается до сих пор.
ОПн-12 - выпускается с 2006 года взамен ОПн-8. Цифровая, с процессорным управлением. Частотой вращения до 12000. Используются роторы, аналогичные ОПн-8.
ОПн-3.01, ОПн-3.02 - простые трехскоростные центрифуги до 2700 оборотов. Отличаются только корпусом - пластиковый или сварной металлический соответственно.
ОПн-3М - центрифуга типа ОПн-3.01, в таком же пластиковом корпусе, только цифровая, с процессорным управлением.
ОПн-3.03, ОПн-3.04, ОПн-3.05 - центрифуги, аналогичные ОПн-3.01, 3.02, 3М, только с ротором под 24-е пробирки типа вакутайнер.
Цн-12 - выпуск планируется с 2011года. По параметрам аналогичная ОС-6МЦ, только настольный вариант, с немецким асинхронным двигателем. Улучшенный дизайн. Дополнительные функциональные возможности. До 12000 оборотов. Набор роторов аналогичный ОС-6МЦ и РС-6МЦ. Добавлены дополнительно роторы на 12000 оборотов.
ЦРн-12 - выпуск планируется с конца 2011 года. Настольная рефрижераторная версия центрифуги Цн-12.
.
Перечень центрифуг, выпускаемых на 09.09.2020 года, либо обеспечиваемых запчастями, принадлежностями или роторами.
ОС-6М, РС-6 - напольные аналоговые центрифуги с коллекторным двигателем. Сняты с производства в 2010 году. В данный момент для них возможна только поставка сменных роторов.
РС-6МЦ, ОС-6МЦ - напольные микропроцессорные центрифуги с асинхронным приводом и частотой вращения до 6000 об/мин и набором угловых и бакетных роторов объемом до 6 л.
ЦР-12, ЦН-12 - напольные микропроцессорные центрифуги с асинхронными двигателем фирмы Hanning, с частотой вращения до 12000 об/мин и набором угловых и бакетных роторов объемом до 4 л.
ОПН-3.01, ОПН-3.02, ОПН-3.03, ОПН-3.04 - простые настольные центрифуги с не сменными роторами и частотами вращения 1000, 1500, 2700 об/мин.
ОПН-3М, ОПН-3М-05 - настольные центрифуги с микропроцессорным управлением и частотами вращения от 500 до 2700 об/мин.
ОПН-8 - настольная аналоговая (TDA1085C) центрифуга с набором угловых роторов и частотами вращения до 8000 об/мин.
ОПН-12 - настольная микропроцессорная центрифуга с набором угловых роторо и частотами вращения до 12000 об/мин.
ОПН-0539 - новая настольная микропроцессорная центрифуга с частотным преобразователем и асинхронным двигателем фирмы Hanning. Набором сменных угловых и бакетных роторов и частотами вращения до 5000 об/мин.
ОПН-1626 - новая настольная микропроцессорная центрифуга с частотным преобразователем и асинхронным двигателем фирмы Hanning. Набором сменных угловых и бакетных роторов и частотами вращения до 16000 об/мин.
АС-1254 - модификация центрифуги ЦР-12 с набором роторов для нефтехимической промышленности.

Все остальные, не упомянутые в данном списке центрифуги и их прежние модификации, сняты с производства и по состоянию на 09.09.2020 года запасными частями не обеспечиваются.
.........................................................................................................................................................................

ВНИМАНИЕ !!! Представитель завода helge крайний раз был на Форуме 12 марта 2022 года, с 6 июля 2023 года завод в Бешкеке представляет Mikhail2023, к нему, участнику нашего Форума, теперь и обращайтесь.
.
 
КирычДата: Пятница, 07.Ноя.2014, 13:01 | Сообщение # 241
Стажер
У вас сообщений: 17
инженер-электромеханик
OFFлайн
Российская Федерация

Владикавказ
ОПн3-УХЛ4.2
Через 5-15 минут работы останавливается и перестает реагировать на внешние раздражители (кроме кнопки "вкл"), через 10-15 мин, опять работает.
 
helgeДата: Воскресенье, 09.Ноя.2014, 15:25 | Сообщение # 242
У вас сообщений: 225
инженер
OFFлайн
Кыргызстан

Bishkek
Слишком мало информации.
Проверьте электролитические конденсаторы. Контакты в разъемах. Переключатели П2К.


Обязательно указывайте:
1. Полное наименование центрифуги
2. Год выпуска
3. Подробное описание неисправности
 
ЮрийМДата: Воскресенье, 28.Дек.2014, 00:29 | Сообщение # 243
Стажер
У вас сообщений: 10
Инженер
OFFлайн
Украина

Харьков
Здравствуйте!
Приобрели в сентябре ОПн-3.01 2 центрифуги Зав №0107 и №0108 2013г выпуска.
За 3 месяца эксплуатации проявились деффекты. Фирма продавец -в кусты.
Проблемы: увеличивается вибрация и шум работы в одной,
в другой- скорее всего вышел из строя кпасный светодиод на индикаторе "замка". Схем нет описание очень скудное (не для обслуживания и ремонта)
Что посоветуете, разбирать и устранять , или...?
как повоевать с вибрацией.
Заранее спасибо!
 
genvikДата: Воскресенье, 28.Дек.2014, 17:50 | Сообщение # 244
электромеханик
OFFлайн
Российская Федерация

Москва
Вопрос по центрифуге ОС-6МЦ.
При включении центрифуги моментально горят сетевые предохранители. ireful
Вскрыл корпус. На плате, расположенной внизу аппарата, извлёк предохранители FU3, FU4 (на 6А).
При включении сетевые предохранители не горят.
Предполагаю, что необходимо заменить симистор ВТА26-800???, или мостик КВU8J???
Что подскажут коллеги?
 
ЮрийМДата: Понедельник, 29.Дек.2014, 03:11 | Сообщение # 245
Стажер
У вас сообщений: 10
Инженер
OFFлайн
Украина

Харьков
Мысль верная.
Только перед заменой "прозвони" и симистор и мост, что бы убедиться в правильности содеянного
 
helgeДата: Среда, 31.Дек.2014, 15:52 | Сообщение # 246
У вас сообщений: 225
инженер
OFFлайн
Кыргызстан

Bishkek
Цитата ЮрийМ ()
Приобрели в сентябре ОПн-3.01 2 центрифуги Зав №0107 и №0108 2013г выпуска.

Если центрифуги гарантийные, то обращайтесь в один из наших дилерских центров (адреса и телефоны в начале темы).
Вибрация могла увеличится, если ослабло крепление двигателя или ротора на валу. Также может увеличиться, если используются разные гильзы(в которые вставляются пробирки) в роторе или гильзы сторонних производителей. Схемы и сборки есть в хранилище.

Цитата genvik ()
Вопрос по центрифуге ОС-6МЦ.

Думаю здесь найдете все, что понадобится для ремонта. http://www.medteh.info/_fr/17/Centrifuga_OS-6.rar
Предохранители должны быть на 8, а не на 6 ампер. Проверьте исправность реле РП21 на панели.


Обязательно указывайте:
1. Полное наименование центрифуги
2. Год выпуска
3. Подробное описание неисправности
 
igor1502Дата: Пятница, 23.Янв.2015, 14:39 | Сообщение # 247
Стажер
У вас сообщений: 45
инженер по ремонту
OFFлайн
Российская Федерация

Омск
Можно ли заменить КУ208Г1 на MAC9NG в центрифуге ОПн-3УХЛ4.2 2004 года?

Если верно понимаю:

для КУ208Г1: U_DRM=400V, I_TSM=30A, I_T_RMS=5A
для MAC9NG: U_DRM=800V, I_TSM=80A, I_T_RMS=8A
2049145.jpg (68.6 Kb) · VS_MAC9.pdf (65.6 Kb)


Сообщение отредактировал igor1502 - Пятница, 23.Янв.2015, 14:52
 
helgeДата: Понедельник, 26.Янв.2015, 10:37 | Сообщение # 248
У вас сообщений: 225
инженер
OFFлайн
Кыргызстан

Bishkek
Цитата igor1502 ()
Можно ли заменить КУ208Г1 на MAC9NG в центрифуге ОПн-3УХЛ4.2 2004 года?

Да, должен подойти.


Обязательно указывайте:
1. Полное наименование центрифуги
2. Год выпуска
3. Подробное описание неисправности
 
igor1502Дата: Понедельник, 26.Янв.2015, 12:21 | Сообщение # 249
Стажер
У вас сообщений: 45
инженер по ремонту
OFFлайн
Российская Федерация

Омск
Заменил симистор. Центрифуга с делителем R12 R13 во вторичке Т1 не запускается. А когда вывод 4 трансформатора Т1 подключен непосредственно к УЭ симистора, то разгоняется на всех скоростях до 2900. Что делать?

Сообщение отредактировал igor1502 - Понедельник, 26.Янв.2015, 12:28
 
igor1502Дата: Вторник, 27.Янв.2015, 11:30 | Сообщение # 250
Стажер
У вас сообщений: 45
инженер по ремонту
OFFлайн
Российская Федерация

Омск
Обнаружил оборванный R13=5.1Ом в цепи УЭ симистора. Заменил. Теперь центрифуга запускается, как и положено по схеме. Но обороты переключением скоростей всё равно не регулируются. На всех - 2700 об/мин. В чём может быть дело?

Если мой совет помог, жми "спасибо"
Если нет -- строго не суди
Будь здоров и Счастья тебе
 
igor1502Дата: Вторник, 27.Янв.2015, 13:33 | Сообщение # 251
Стажер
У вас сообщений: 45
инженер по ремонту
OFFлайн
Российская Федерация

Омск
Всё, разобрался. Прочитал сообщение http://www.medteh.info/forum/32-1131-29641-16-1275035049.
Установил ротор с пробирками, отрегулировал подстроечники. Сейчас работает на всех скоростях, как и должна.
helge, благодарю.


Если мой совет помог, жми "спасибо"
Если нет -- строго не суди
Будь здоров и Счастья тебе


Сообщение отредактировал igor1502 - Вторник, 27.Янв.2015, 13:38
 
ololosh66Дата: Вторник, 24.Фев.2015, 15:51 | Сообщение # 252
Заглянувший
У вас сообщений: 1
Анестезиолог-лаборант
OFFлайн
Российская Федерация

Екатеринбург
helge, доброго времени суток, подскажите пожалуйста в чем может быть проблема, центрифуга опн 8, было кз с корпусом(какой-то "хороший" человек не прикрепил плату), сгорел R6, заменил теперь центрифуга при включении(сразу) делает пару оборотов и все, либо вообще тишина.
 
sanat771Дата: Понедельник, 18.Май.2015, 06:39 | Сообщение # 253
Стажер
У вас сообщений: 13
сервисный инженер
OFFлайн
Казахстан

Астана
helge, Добрый день! проблема в том что не открывает крышку да и вообщем как то не правильно работает
6308663.jpg (148.3 Kb)
 
helgeДата: Четверг, 21.Май.2015, 11:04 | Сообщение # 254
У вас сообщений: 225
инженер
OFFлайн
Кыргызстан

Bishkek
Цитата sanat771 ()
Добрый день! проблема в том что не открывает крышку да и вообщем как то не правильно работает

Не, ну ребята, имейте совесть. Я же не телепат. Подробнее можно про неисправность.
На такой описание могу ответить только словами чукчи из анекдота: "Однако чинить надо" unknown

Какая центрифуга?
Год выпуска?
С каким ротором?
Подробное описание неисправности?
Есть ли документация, схема?
Что предпринято?


Обязательно указывайте:
1. Полное наименование центрифуги
2. Год выпуска
3. Подробное описание неисправности
 
Diman_fДата: Вторник, 26.Май.2015, 08:46 | Сообщение # 255
Участник
У вас сообщений: 104
Инженер
OFFлайн
Российская Федерация

Новосибирск
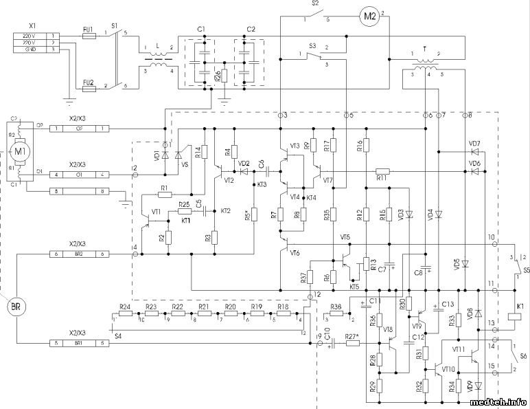
helge,добрый день!Подскажите пожалуйста:есть центрифуга ОПН-08 Ухл4.2 2011 года.при включении таймер времени идет(слышно и видно(разобрал центрифугу))а двигатель не запускается. смотрю управление на КУ208г с TDA1085c-нет сигнала.заменил TDA1085c на новую -тот же компот.двигатель целый.щетки-в отличном состоянии. КУ208г-целый. подскажите что может быть. Заранее спасибо!
 
DimitriusДата: Вторник, 26.Май.2015, 19:00 | Сообщение # 256
У вас сообщений: 410
инженер
OFFлайн
Украина

Украина
Цитата Diman_f ()
центрифуга ОПН-08 Ухл4.2 2011 года


А таймер проверяли на замыкание? А проще всего отключите таймер тумблером и попробуйте включить.


Cвет в конце туннеля бывает разный
 
Diman_fДата: Среда, 27.Май.2015, 06:42 | Сообщение # 257
Участник
У вас сообщений: 104
Инженер
OFFлайн
Российская Федерация

Новосибирск
Dimitrius,сейчас проверил.все так же.Таймер работает норм....замыкание есть....проблема не ушла
 
akinДата: Понедельник, 08.Июн.2015, 08:05 | Сообщение # 258
Стажер
У вас сообщений: 7
ученик
OFFлайн
Российская Федерация

Самара
Здравствуйте.
Вопрос по центрифуге ОПн-3УХЛ4.2. 2005г.в.
На плате установлен маленький трансформатор с 4 выводами. Согласно приведенным в данной теме схемам и перечню элементов это "TV1 Трансформатор ИЛГК.671115.003".
Помогите опознать данный трансформатор, чтобы узнать его характеристики. Либо узнать аналог.
Спасибо.
 
helgeДата: Вторник, 09.Июн.2015, 21:37 | Сообщение # 259
У вас сообщений: 225
инженер
OFFлайн
Кыргызстан

Bishkek
Цитата Diman_f ()
подскажите что может быть. Заранее спасибо!

Вот здесь я выкладывал схемы и описания на эту центрифугу http://www.medteh.info/forum/32-1758-84191-16-1333358298

Цитата akin ()
Помогите опознать данный трансформатор, чтобы узнать его характеристики. Либо узнать аналог.

А что не так с трансформатором? Он что, сгорел? Аналог долго искать будете. Проще перемотать или сделать самому. Кольцо - феррит 2000НМ, диаметром 20мм. Обмотки по 40-50 витков каждая проводом ПЭВ-2 диаметром 0,35мм. Главное не перепутайте начало-конец обмоток, иначе работать не будет.


Обязательно указывайте:
1. Полное наименование центрифуги
2. Год выпуска
3. Подробное описание неисправности
 
UmBertoДата: Четверг, 11.Июн.2015, 11:02 | Сообщение # 260
Стажер
У вас сообщений: 28
электромеханик
OFFлайн
Украина

Чернигов
Здравствуйте, helge.

Есть центрифуга ОПн-3.02 2012 г.в.
Перемотан двигатель, заменен предохранитель, заменен симистор КУ208Г1 на BTA06-600. Центрифуга на режимах 1000 и 1500 раскручивается как положено. В режиме 3000 - в момент включения делает рывок и далее не крутится, только гудит. С таймера импульсы идут.

Может ли быть проблема в симисторе?

Спасибо.
 
helgeДата: Пятница, 12.Июн.2015, 20:42 | Сообщение # 261
У вас сообщений: 225
инженер
OFFлайн
Кыргызстан

Bishkek
Цитата UmBerto ()
Может ли быть проблема в симисторе?

Думаю проблема не в симисторе, а в таймере или в цепочке VT4, R27,R6, VD15. Возможно достаточно будет немного увеличить R6.


Обязательно указывайте:
1. Полное наименование центрифуги
2. Год выпуска
3. Подробное описание неисправности
 
UmBertoДата: Воскресенье, 14.Июн.2015, 01:39 | Сообщение # 262
Стажер
У вас сообщений: 28
электромеханик
OFFлайн
Украина

Чернигов
helge, спасибо за ответ.

Вот что обнаружил: в момент нажатия кнопки пуска на ноге 3 таймера появляются широкие импульсы и в этот момент двигатель делает небольшой рывок. Потом через секунду импульсы становятся короткими и двигатель, соответственно, останавливается. Далее, в течении нескольких секунд, длительность импульсов постепенно увеличивается и таки двигатель позже раскручивается до необходимых оборотов.
Это нормальный режим работы или все таки есть проблема?

Спасибо.
 
helgeДата: Четверг, 18.Июн.2015, 18:53 | Сообщение # 263
У вас сообщений: 225
инженер
OFFлайн
Кыргызстан

Bishkek
Нет, не нормально. При включении на 3000 об/мин. в первый момент времени конденсатор С13 еще не зарядился, транзистор VT4 закрыт и разгон происходит на пониженных оборотах (это сделано, чтобы от резкого рывка не бились пробирки). Примерно через 3 секунды конденсатор C13 зарядится, транзистор откроется и своим переходом закоротит резистор R27. При этом двигатель включится на полную мощность. Еще раз повторю: проверьте исправность элементов VT4, R25, C13, VD14, R27. R6. Может плохой контакт, обрыв или замыкание. Если все исправно, попробуйте увеличить R6 на несколько килоом.

Обязательно указывайте:
1. Полное наименование центрифуги
2. Год выпуска
3. Подробное описание неисправности
 
gordiukДата: Четверг, 06.Авг.2015, 09:02 | Сообщение # 264
Стажер
У вас сообщений: 26
инженер
OFFлайн
Казахстан

Алма-Ата
Цитата Romanoffs ()
Цитата Romanoffs ()
ЕСЛИ МОЖНО, ПРОШУ ВЫСЛАТЬ СХЕМУ И ЕЁ ОПИСАНИЕ НА ЦЕНТРИФУГУ ОПн-3.02 "ДАСТАН" 2008 г выпуска.

схема есть в хранилище
http://www.medteh.info/load/95-1-0-398


Качал Ваши схемы с трёх разных мест (отсюда, например, http://archive.espec.ws/section847/file20032.html), но они плохочитаемы или совсем нечитаемы, как opn3.02.wmf А очень хотелось их прочитать. Стесняюсь спросить, может есть у Вас приемлемого качества в любом другом формате. У меня нет проблем отрисовать на компьютере даже на коленке нарисованную схему. Ветка очень информационная, приятно читать.
[p.s.]Поздравляю Кыргызстан, границу открыли!


Как тяжело в зоопарке работать...

Сообщение отредактировал gordiuk - Четверг, 06.Авг.2015, 09:14
 
helgeДата: Четверг, 06.Авг.2015, 15:28 | Сообщение # 265
У вас сообщений: 225
инженер
OFFлайн
Кыргызстан

Bishkek
Там вроде все читается, если увеличить изображение. И при печати все линии выводит. Но если так желаете, то вот эта же схема в формате pdf.
-3.01-02-03-04_.pdf (182.9 Kb)


Обязательно указывайте:
1. Полное наименование центрифуги
2. Год выпуска
3. Подробное описание неисправности


Сообщение отредактировал helge - Четверг, 06.Авг.2015, 15:30
 
gordiukДата: Пятница, 07.Авг.2015, 06:10 | Сообщение # 266
Стажер
У вас сообщений: 26
инженер
OFFлайн
Казахстан

Алма-Ата
Цитата helge ()
Там вроде все читается, если увеличить изображение.

Уважаемый helge, в формате .pdf читается прекрасно. Спасибо! Но вот этот файл opn3.02.wmf
, в кольорових красках, прочитать не возможно. Буду благодарен за публикацию более качественного изображения.
Эту схему я вижу так:
ViewError.pdf (147.9 Kb)


Как тяжело в зоопарке работать...

Сообщение отредактировал gordiuk - Пятница, 07.Авг.2015, 06:12
 
helgeДата: Воскресенье, 09.Авг.2015, 19:06 | Сообщение # 267
У вас сообщений: 225
инженер
OFFлайн
Кыргызстан

Bishkek
Зачем же wmf файл паинтом открывать? Откройте его стандартным средством просмотра изображений виндовс. Или ACDSee хотя бы.

Обязательно указывайте:
1. Полное наименование центрифуги
2. Год выпуска
3. Подробное описание неисправности
 
genriel51Дата: Понедельник, 10.Авг.2015, 17:06 | Сообщение # 268
Стажер
У вас сообщений: 23
Инженер-электронщик
OFFлайн
Российская Федерация

Брянск
helge, помогите советом. имеется ОПн-8 УХЛ4.2. проблема была в том, что у машины не было плавного запуска и она гнала на максимальных оборотах. Заменили конденсаторы С7, С8, КУ202Н. Плавный запуск появился, при выставлении 1000 и 2000 оборотов всё отлично, но при установки 3000 и более центрифуга набирает максимальные обороты. Галетный переключатель прочистил. Двигателю полное ТО произведено. Подскажите в чём может быть неисправность.

Сообщение отредактировал genriel51 - Понедельник, 10.Авг.2015, 22:52
 
ТрансфузиологДата: Четверг, 13.Авг.2015, 00:27 | Сообщение # 269
Заглянувший
У вас сообщений: 2
Трансфузиолог
OFFлайн
Российская Федерация

Москва
Уважаемый master, добрый день! Наша клиника приобрела центрифугу РС-6МЦ. Центрифуга была подготовлена к работе. Корректно, согласно инструкции активирована все настройки, но центрифуга не работает. Вращения нет. Работает только рефрижератор. Вопрос: Не могли бы Вы прилететь в Москву для осмотра и ремонта нашей центрифуги. Клиника готова взять на себя все накладные расходы (перелет, проживание, питание ). Был бы очень признателен Вам за ответ в личку. Так мы можем обсудить все условия. Заранее благодарен. Агапов К.М. Москва. Хоум Клиник. Dr.akm75@gmail.com
 
ТрансфузиологДата: Четверг, 13.Авг.2015, 11:00 | Сообщение # 270
Заглянувший
У вас сообщений: 2
Трансфузиолог
OFFлайн
Российская Федерация

Москва
Сорри, корректный адрес почты: dr.akm75@gmail.com
 
helgeДата: Четверг, 20.Авг.2015, 11:06 | Сообщение # 271
У вас сообщений: 225
инженер
OFFлайн
Кыргызстан

Bishkek
Извините, что долго не отвечал. Был в отпуске.
Цитата genriel51 ()
помогите советом. имеется ОПн-8 УХЛ4.2. проблема была в том, что у машины не было плавного запуска и она гнала на максимальных оборотах

Не указан год выпуска центрифуги, поэтому не могу точно определить ее модификацию. В любом случае, за узел стабилизации оборотов отвечает транзистор VT5 с его цепями обвязки. Возможно сильно накручен подстроечный резистор R13. А в первую очередь я проверил бы исправность и надежность пайки резисторов R19, R20. Это точные резисторы на 1,5 кОм, которые распаяны прямо на клеммах галетного переключателя.


Обязательно указывайте:
1. Полное наименование центрифуги
2. Год выпуска
3. Подробное описание неисправности
 
genriel51Дата: Четверг, 17.Сен.2015, 11:07 | Сообщение # 272
Стажер
У вас сообщений: 23
Инженер-электронщик
OFFлайн
Российская Федерация

Брянск
helge, как выяснилось тахогенератор не успевал считывать обороты на скорости более 3000, чуть пододвинули сердечник к четырех-зубчатой шестерёнке - скорости начали меняться на всех переключениях галетного переключателя. но настройки скорости сбились. настроили зазор как вы говорили раньше - 5 вольт на обмотке тахогенератора при 8000 об/мин. пока не жаловались.
 
genriel51Дата: Вторник, 22.Сен.2015, 15:54 | Сообщение # 273
Стажер
У вас сообщений: 23
Инженер-электронщик
OFFлайн
Российская Федерация

Брянск
helge, помогите советом. ОПн-3М, 2007г. аппарат работает, набирает обороты, а потом не отрабатывая время останавливается и начитает пищать. гудки средней продолжительности. помогает только перезагрузка аппарата. ещё такое поведение наблюдается если не то что бы ударить, тяжело положить руку на крышку при работе. подскажите, что может отпаяться и выдавать такую ошибку?
 
helgeДата: Пятница, 02.Окт.2015, 20:01 | Сообщение # 274
У вас сообщений: 225
инженер
OFFлайн
Кыргызстан

Bishkek
Прочистите контакты разъемов и контакты колодки микропроцессора.

Обязательно указывайте:
1. Полное наименование центрифуги
2. Год выпуска
3. Подробное описание неисправности
 
gbg-mldДата: Четверг, 08.Окт.2015, 14:58 | Сообщение # 275
Заглянувший
У вас сообщений: 1
Сервисный инжинер
OFFлайн
Молдова

Кишинёв
helge, Пожалуйста, загрузите новейшие сертификаты для Опн-3.02.
 
oleg000999Дата: Вторник, 15.Дек.2015, 01:21 | Сообщение # 276
Заглянувший
У вас сообщений: 2
в медтехнике начинающий
OFFлайн
Украина

Проскуров
Здравствуйте.
Есть центрифуга ОПн-3УХЛ4.2
Жалобы лаборантов: обороты не соответствуют заявленным.
Действительно , режим 1500 и 3000 визуально и на слух практически одинаковы. При попытке (в положении 3000) подстроечником увеличить обороты - двигатель останавливается. Если замкнуть анод катод симистора - обороты заметно увеличиваются.
Плата до меня "паханная" . Есть сомнения в правильности установленных элементов.
Ёмкости подкюченные к выводам NE555:
в.6 - 0.1 мкФ
в.5 - 0.47 мкФ
в.3 -0.1 мкФ
Из хранилища схему скачать пока не дают.
Вопрос: почему схема управления не раскручивает двигатель на полную мощность?
 
helgeДата: Вторник, 15.Дек.2015, 19:42 | Сообщение # 277
У вас сообщений: 225
инженер
OFFлайн
Кыргызстан

Bishkek
К выводу 3 микросхемы подключен резистор 10к и конденсатор 1мкф. Я не знаю какая модификация центрифуги у вас, и какой резистор вы крутили, поэтому не могу ответить.
Цитата oleg000999 ()
Из хранилища схему скачать пока не дают.

Читайте внимательно эту ветку форума. Вопросы задают одни и те же. А ссылка на схему есть даже на этой странице.
Успехов.


Обязательно указывайте:
1. Полное наименование центрифуги
2. Год выпуска
3. Подробное описание неисправности
 
Vitalka72Дата: Среда, 16.Дек.2015, 19:06 | Сообщение # 278
Стажер
У вас сообщений: 16
электромеханик
OFFлайн
Российская Федерация

Тюмень
Здравствуйте уважаемый helqe!!! Помогите чем можете,буду очень благодарен.Аппарат - центрифуга ОПН-8 2006 года выпуска. Неисправность-нет регулировки оборотов.На управление стоит тиристор BT-151. Был проверен-целый. Изначально был плавный пуск до максимальных оборотов.Были заменены все электролиты.В схеме был найден неисправный транзистор КТ502Г. Заменен на КТ3107В, соблюдена цоколевка, по параметрам вроде как подходит.После этого пуск эл.двигателя стал резким до макс.оборотов. С тахогенератора выходит не более 1,2 В, при разных его регулировках.Переключатель оборотов сопротивление меняет ,до платы приходит. Подстроечный резистор тоже целый.Схема выложенная здесь не подходит,хотя и есть сходство.

Сообщение отредактировал Vitalka72 - Среда, 16.Дек.2015, 19:08
 
oleg000999Дата: Четверг, 17.Дек.2015, 00:00 | Сообщение # 279
Заглянувший
У вас сообщений: 2
в медтехнике начинающий
OFFлайн
Украина

Проскуров
Цитата helge ()
К выводу 3 микросхемы подключен резистор 10к и конденсатор 1мкф. Я не знаю какая модификация центрифуги у вас, и какой резистор вы крутили, поэтому не могу ответить.
Цитата oleg000999 ()
Из хранилища схему скачать пока не дают.

Читайте внимательно эту ветку форума. Вопросы задают одни и те же. А ссылка на схему есть даже на этой странице.
Успехов.

Схема и плата такая http://www.medteh.info/_fr/17/Opn3_old.rar . Но файл .wmf нормально не открываетя ни блокнотом , ни просмотрщиком виндоус, ни ирфанвьювером (
Уточню по ёмкостям на обвязке таймера:
выв.3 - 0.1 мкФ
выв.5 - 0.47
выв.6 - 1 мкФ
Схема понятна.КР 1006ВИ1 в ждущем режиме. По отрицательному фронту на выв.2 на выходе (выв.3) формируется положительный импульс, длительность которого зависит от времязадающей RC-цепочки на выв.6 м/с.
По спаду импульса на выв.3, через импульсный тр-р поступает отпирающий сигнал на симистор. Чем дольше длительность выходного импульса с таймера , тем позже (в течение полупериода) откроется симистор - соответственно двигатель будет крутится медленнее.
На данный момент непонятно , почему на режиме 3000 (на выв.6 подключается только резистор 18кОм без подстроечника) на движок не идёт полная мощность ( как я говорил - при замыкании симистора двигатель заметно ускоряется )
Прошу уточнить номиналы ёмкостей на выв.6 (времязадающий) и на выходе выв.3
 
helgeДата: Воскресенье, 20.Дек.2015, 18:03 | Сообщение # 280
У вас сообщений: 225
инженер
OFFлайн
Кыргызстан

Bishkek
Цитата Vitalka72 ()
Аппарат - центрифуга ОПН-8 2006 года выпуска.

Затрудняюсь ответить, которая из модификаций была в 2006 году. Возможно эта.

А вот КТ502 нельзя менять на КТ3107, поскольку последний составной.
2621760.jpg (59.5 Kb)


Обязательно указывайте:
1. Полное наименование центрифуги
2. Год выпуска
3. Подробное описание неисправности
 
Поиск:



Статистика Форума
Последние обновления тем: Новые файлы хранилища: Новые участники: Top10 участников:
1. Анализатор поля зрени...[SpirituS (04.Дек.2025)]
2. Программный комплекс ...[mqubali (04.Дек.2025)]
3. Кардиорегистратор «ИК...[albano18 (04.Дек.2025)]
4. Thermo Scientific gem...[viggen (03.Дек.2025)]
5. Центрифуга CM-6M ф.El...[Ningen64 (03.Дек.2025)]
6. Дефибриллятор Defi B ...[san-che30 (02.Дек.2025)]
7. Коллиматор Ralco R 22...[seeker (02.Дек.2025)]
8. КУПЛЮ/ПРИМУ в дар при...[seabee (02.Дек.2025)]
9. Центрифуга MiniSpin P...[AntonioPetty (01.Дек.2025)]
1. VIVIX Setup Operation...[12.Окт.2025]
2. GenwareMP[10.Сен.2025]
3. Настройка реагентов M...[20.Авг.2025]
4. Philips HD3-EXP[13.Авг.2025]
5. Рентгеновское оборудо...[08.Авг.2025]
6. VersaMed iVent201 Сер...[13.Фев.2025]
7. Гелпик КРД Ренекс РЦ ...[09.Фев.2025]
8. Офтальмологическая ус...[31.Окт.2024]
9. Cardinal-Health-VELA-...[03.Окт.2024]
10. Service Manual HAMILT...[02.Окт.2024]
1. Intellect[05.Дек.2025]
2. Romanivanov[05.Дек.2025]
3. igogoigogo[05.Дек.2025]
4. 1rishka[04.Дек.2025]
5. L_V_N[04.Дек.2025]
6. ИвановИИ[04.Дек.2025]
7. Alex_U[04.Дек.2025]
8. Yarikus03[03.Дек.2025]
9. EvaLen[03.Дек.2025]
10. dankurets[03.Дек.2025]
МастерБаку[583]
Yulana34[177]
Serg74[160]
Dimitrius[129]
naves[122]
РОМУЛ[121]
bektyish[121]
madmac[116]
Алекс-200[114]
begun_a[112]