[ Новые сообщения · Участники · Правила форума · Поиск · RSS ]



  • Страница 4 из 4
  • «
  • 1
  • 2
  • 3
  • 4
Модератор форума: zx19  
Аквадистиллятор ДЭ-25
black_furyДата: Суббота, 06.Окт.2018, 08:34 | Сообщение # 121
Техник
У вас сообщений: 568
Инженер по ремонту мед.оборудования
OFFлайн
Российская Федерация

Челябинск
getman-2, есть дистилляторы которые годами работают без замены ТЭНов, при должном обслуживании и использовании, так что надо всего лишь толково всё объяснит... А терморегулятор думаю совсем не удачная идея.
 
getman-2Дата: Суббота, 06.Окт.2018, 19:26 | Сообщение # 122
Стажер
У вас сообщений: 10
техник по обслуживанию мед-аппарату
OFFлайн
Украина

РІВНЕ
Спасибо за отзыв. не терморегулятор, а регулятор мощности, то есть напряжения, у нас на разных фазах разные напряжения-210-220-250 и больше горит тэн где 250в, если поставить напряжение по 200в на фазу, я думаю тэны дольше прослужат, вот не знаю как с трех-фазным, а дома бойлер работает на регуляторе более 2-х лет, перед ним сгорело 3 тена...

ДОБРО, КОТОРОЕ ТЫ СДЕЛАЛ, НЕ ПРОПАДЕТ, ДАЖЕ ЕСЛИ ТЫ ЗАБУДЕШЬ О НЕМ!
 
YurkevichДата: Суббота, 06.Окт.2018, 21:04 | Сообщение # 123
У вас сообщений: 567
инженер-наладчик
OFFлайн
Российская Федерация

выборг
Простой тиристорный регулятор создаст еще больше проблем (импульсные помехи и пр), а "навороченный" - по цене "сьест" всю экономию от продления срока службы ТЭНов
 
getman-2Дата: Суббота, 06.Окт.2018, 21:37 | Сообщение # 124
Стажер
У вас сообщений: 10
техник по обслуживанию мед-аппарату
OFFлайн
Украина

РІВНЕ
Спасибо! Не думаю, что помехи будут сильные, я дома их вообще не наблюдаю, хотя рядом комп. А на работе дистиллятор в другом помещении от аппаратуры, только компьютеры. Но я не о том: просто не видел в инете подход к этой проблеме с другой стороны - я смотрел есть трехфазные автоматы, но они от перенапряжения, выбивают, а не регулируют. И цена кусается. Я по старинке ищу рацуху (как выход из положения), при нашей нищете в медицине ...

Просто спрашиваю, кто-нибудь делал подобное на 3-фазы, необязательно дистиллятор, или видели схемное решение, как это воплотить. Может подскажут инженеры ...?


ДОБРО, КОТОРОЕ ТЫ СДЕЛАЛ, НЕ ПРОПАДЕТ, ДАЖЕ ЕСЛИ ТЫ ЗАБУДЕШЬ О НЕМ!
 
bektyishДата: Воскресенье, 07.Окт.2018, 16:45 | Сообщение # 125
У вас сообщений: 1876
Электромеханик по слаботочным сетям
OFFлайн
Российская Федерация

Дистрикт 74
getman-2, а зачем? Перекос фаз - это проблема электриков, где-то очень много нагружено на одну фазу, пусть распределяют нагрузку пропорционально. А то получится ещё интереснее: - в одной СЭС так было - между металлической трубой (холодного) водопровода и заземлением для дистиллятора было напряжение, небольшое, но автомобильная лампочка ватт на 50 - 100 горела довольно ярко (а представляете, что "творилось" с другой, особенно, с чувствительной аппаратурой ..., про возможное смертоубийство говорить и не приходится ...). Персонал жаловался, что искрит в месте пересечения провода и трубы, когда открыли щитовую - большинство проводов было только на одной фазе. Так же, электрики могут снизить (повысить) напряжение в ТП. Основание для вызова: - превышение напряжения относительно паспортных данных аппаратуры (обычно: +- 10 %, то есть, 200 - 240 вольт).

Сообщение отредактировал bektyish - Воскресенье, 07.Окт.2018, 16:58
 
YurkevichДата: Воскресенье, 07.Окт.2018, 20:24 | Сообщение # 126
У вас сообщений: 567
инженер-наладчик
OFFлайн
Российская Федерация

выборг
В 6-ти ТЭНовых дистилляторах в каждой паре ТЭНы включаю последовательно а потом их - треугольником. На каждый ТЭН приходится по 190 В. Производительность немного снижается, зато меньше опасность перегрева при снижении напора воды
 
getman-2Дата: Воскресенье, 07.Окт.2018, 20:45 | Сообщение # 127
Стажер
У вас сообщений: 10
техник по обслуживанию мед-аппарату
OFFлайн
Украина

РІВНЕ
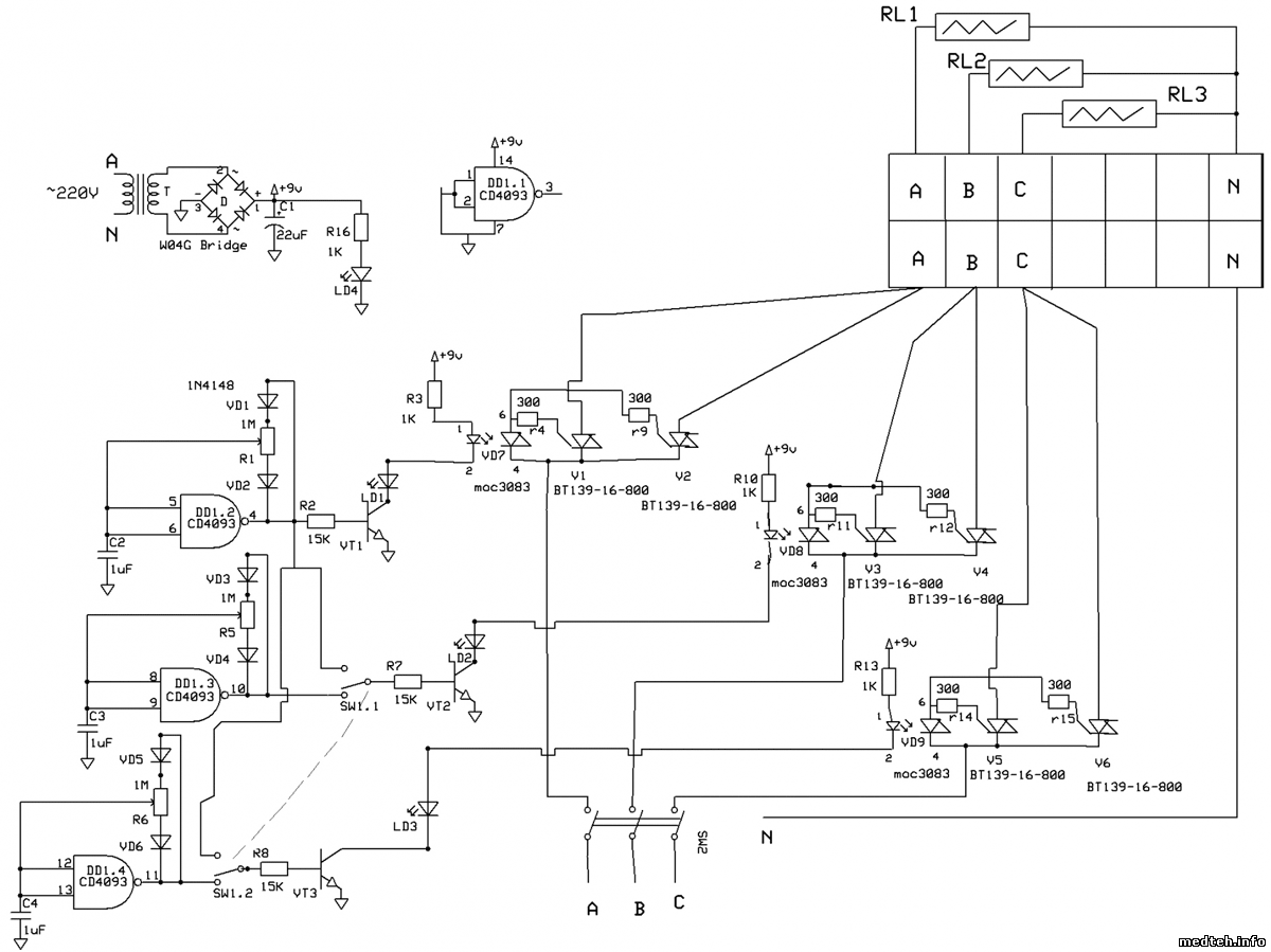
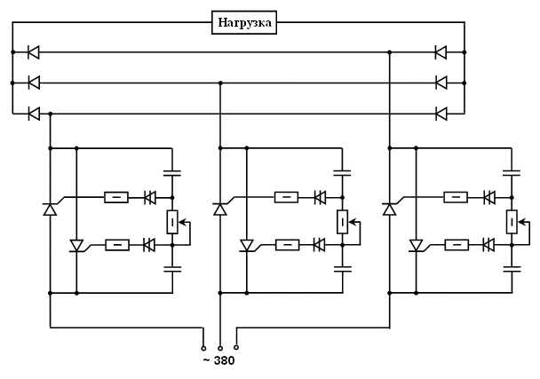
Спасибо! Электрики бессильны, ТП проверялось, никто ничего не может сделать, надежда только на себя... кто-то видел, или пробовал эти схемы...
1709462.png (200.4 Kb) · 3336847.gif (12.6 Kb)


ДОБРО, КОТОРОЕ ТЫ СДЕЛАЛ, НЕ ПРОПАДЕТ, ДАЖЕ ЕСЛИ ТЫ ЗАБУДЕШЬ О НЕМ!
 
YurkevichДата: Понедельник, 08.Окт.2018, 08:57 | Сообщение # 128
У вас сообщений: 567
инженер-наладчик
OFFлайн
Российская Федерация

выборг
По первой схеме - симисторы в паралель не самое лучшее решение. А где анодные "выравнивающие" резисторы? управление не синхронизировано с частотой сети - будет все что угодно, кроме регулирования. По второй схеме - чтобы хоть как то регулировалось необходим ,минимум, строенные переменный резистор. А зачем там выпрямитель?
 
getman-2Дата: Четверг, 18.Окт.2018, 11:49 | Сообщение # 129
Стажер
У вас сообщений: 10
техник по обслуживанию мед-аппарату
OFFлайн
Украина

РІВНЕ
Я просто спросил, могут ли эти схемы приспособлены к нашей теме, по тенам, симисторы там можно и по одному на фазу,и зачем строенные резисторы, можно один раз настроить и все....кто-нибудь пробовал подобное...?

ДОБРО, КОТОРОЕ ТЫ СДЕЛАЛ, НЕ ПРОПАДЕТ, ДАЖЕ ЕСЛИ ТЫ ЗАБУДЕШЬ О НЕМ!

Сообщение отредактировал getman-2 - Четверг, 18.Окт.2018, 11:52
 
YurkevichДата: Четверг, 18.Окт.2018, 16:57 | Сообщение # 130
У вас сообщений: 567
инженер-наладчик
OFFлайн
Российская Федерация

выборг
В этих схемах мощность (средняя) регулируется задержкой момента включения тиристора относительно начала полупериода Ну, и что получится если в трехфазной схеме фазные напряжения подавать не одновременно?
 
bektyishДата: Четверг, 18.Окт.2018, 17:01 | Сообщение # 131
У вас сообщений: 1876
Электромеханик по слаботочным сетям
OFFлайн
Российская Федерация

Дистрикт 74
getman-2, напишите докладную главному врачу о перекосе фаз , и о предстоящих внеплановых ремонта и дополнительных затрата на запасные части . Если электрики не могут равномерно распределить нагрузку по фазам , пусть тянут отдельный кабель для ДЭ-25 . Уверен , что на фазе с повышенным напряжением и лампочки освещения перегорают чаще , а возможно и ещё какая аппаратура внезапно выходит из строя . Не думаю что наши электрики отличаются от ваших - для них индикатор фазного напряжения считается прибором , а про поверенный тестер они и не слышали . В любом описании на прибор приводится допуски по питающему напряжению ,отталкивайтесь от этого . Встречал одного такого "специалиста " - дедок со стажем - индикатор показывал наличие трёх фаз , а тестер только двух ( на двух проводах была одна фаза ) - в итоге сгорел двигатель ( 3-х фазный ) охлаждения рентген аппарата . Возможно дешевле будет вызвать специалистов из энерго снабжающей организации . Хотя там кроме токоизмерительных клещей для диагностики ничего не нужно . Можно пустить 250 через диод ( будет 125 вольт ) , можно все тены распределить на две фазы , и тд . Вот только зачем брать на себя чужие обязанности , тем более бесплатно .
 
getman-2Дата: Четверг, 18.Окт.2018, 20:14 | Сообщение # 132
Стажер
У вас сообщений: 10
техник по обслуживанию мед-аппарату
OFFлайн
Украина

РІВНЕ
Спасибо за советы, фазы идут с трансформатора, и они (городские электрики уже приезжали, сказали в допустимой норме, и всё).
У меня сейчас работает два ТЭНа на две фазы, (два между двумя фазами) медленно, но все-таки работают уже долгое время, а как вы говорите три подключить?... А вариант через диод, может на все фазы, лучше чем, как сейчас ...


ДОБРО, КОТОРОЕ ТЫ СДЕЛАЛ, НЕ ПРОПАДЕТ, ДАЖЕ ЕСЛИ ТЫ ЗАБУДЕШЬ О НЕМ!
 
kipmanДата: Пятница, 19.Окт.2018, 21:40 | Сообщение # 133
Участник
У вас сообщений: 51
слесарь
OFFлайн
Российская Федерация

Тель-Авив
Самый лучший вариант как писал Yurkevich. "В каждой паре ТЭНы включаются последовательно а потом их - треугольником. На каждый ТЭН приходится по 190 В. Производительность немного снижается, зато меньше опасность перегрева при снижении напора воды". Я тоже так делаю. Только еще меняю на медные. Так еще надежнее. Через диоды снижать мощность не рационально. На таких токах диоды сильно нагреваются и их приходится ставить на радиатор а разместить его в электрощитке может не получиться. К тому же центр звезды необходимо соединить с нулевым проводом. Иначе однополупериодная схема выпрямления работать не будет. Все проверено на практике. Можно поставить симистортый регулятор мощности только на одну фазу, где повышенное напряжение, но недостатки такие же как в диодной схеме. Тиристор придется ставить на теплоотвод и соединять звезду с нулевым проводом. Собранные платы однофазных симисторных регуляторов мощности можно приобрести в радиомагазине очень дешево.
5298537.jpg (12.4 Kb)
 
bektyishДата: Пятница, 19.Окт.2018, 22:03 | Сообщение # 134
У вас сообщений: 1876
Электромеханик по слаботочным сетям
OFFлайн
Российская Федерация

Дистрикт 74
Можно и к дизель генератору подключить ДЭ-25 , а так же организовать различное резервное питание от независимы источников - а оно это надо ? Ведь есть энерго служба , и она отвечает за напряжение - завтра будет не 220 а 280 вольт и что везде медтехникам ставить регуляторы ? Всё регулируется , вот только не всем хватает ума это сделать . Причин может быть масса - вплоть до обрывов в жилах многожильного алюминиевого питающего провода подвешенного на опорах - было такое - провод качается , после нескольких десятков лет эксплуатации появляются обрывы в жилах - внешне провод целый , но из за повреждений уменьшается сечение проводящей жилы ... - не могли настроить рентген аппарат пока не разобрались и электрики не заменили провода .
 
getman-2Дата: Пятница, 19.Окт.2018, 23:39 | Сообщение # 135
Стажер
У вас сообщений: 10
техник по обслуживанию мед-аппарату
OFFлайн
Украина

РІВНЕ
Спасибо за ответы, тему закрываем, у нас ответственных не найти, пока петух не клюнет, буду пробовать, сначала с диодами, потом с тиристорами, есть несколько десятков старых мощных, у меня трех-тэновые дистиляторы, да в принципе только один проблемный...Еще раз всем спасибо!

ДОБРО, КОТОРОЕ ТЫ СДЕЛАЛ, НЕ ПРОПАДЕТ, ДАЖЕ ЕСЛИ ТЫ ЗАБУДЕШЬ О НЕМ!
 
avbroДата: Вторник, 26.Мар.2019, 09:36 | Сообщение # 136
Заглянувший
У вас сообщений: 3
отсутствует
OFFлайн
Российская Федерация

Красноярск
Доброго времени суток, форумчане!
Достался с помещением аквадистиллятор ДЭ-25. Мне он не нужен, подскажите, кто его может посмотреть в Красноярске или кому и за сколько его можно продать?
Состояние ТЭНов неизвестно.
С уважением.
8557897.jpg (128.4 Kb) · 3651591.jpg (195.8 Kb)


Сообщение отредактировал avbro - Вторник, 26.Мар.2019, 09:37
 
andrey_kaДата: Вторник, 26.Мар.2019, 13:24 | Сообщение # 137
Участник
У вас сообщений: 94
Инженер
OFFлайн
Российская Федерация

Урал
avbro, раритет достался. Меньше, чем за 200 т.р. не продавай.
 
avbroДата: Четверг, 28.Мар.2019, 10:40 | Сообщение # 138
Заглянувший
У вас сообщений: 3
отсутствует
OFFлайн
Российская Федерация

Красноярск
andrey_ka, форумы наверное последнее место, где ещё так тупо шутят.
Новый 25м стоит 45 тыс, а я спрашивал серьезно. может кому на запчасти за 5-7к и уйдёт.
Может нормальный ответ дашь?
 
black_furyДата: Четверг, 28.Мар.2019, 10:56 | Сообщение # 139
Техник
У вас сообщений: 568
Инженер по ремонту мед.оборудования
OFFлайн
Российская Федерация

Челябинск
avbro, ты не нервничай, просто не в ту ветку написал о продаже, либо на запчасти...
 
avbroДата: Четверг, 28.Мар.2019, 11:40 | Сообщение # 140
Заглянувший
У вас сообщений: 3
отсутствует
OFFлайн
Российская Федерация

Красноярск
black_fury, Я бы с удовольствием написал в тему о продаже, но я её попросту не обнаружил.
 
black_furyДата: Четверг, 28.Мар.2019, 19:06 | Сообщение # 141
Техник
У вас сообщений: 568
Инженер по ремонту мед.оборудования
OFFлайн
Российская Федерация

Челябинск
avbro, http://www.medteh.info/board/
 
  • Страница 4 из 4
  • «
  • 1
  • 2
  • 3
  • 4
Поиск:



Статистика Форума
Последние обновления тем: Новые файлы хранилища: Новые участники: Top10 участников:
1. Анализатор поля зрени...[SpirituS (04.Дек.2025)]
2. Программный комплекс ...[mqubali (04.Дек.2025)]
3. Кардиорегистратор «ИК...[albano18 (04.Дек.2025)]
4. Thermo Scientific gem...[viggen (03.Дек.2025)]
5. Центрифуга CM-6M ф.El...[Ningen64 (03.Дек.2025)]
6. Дефибриллятор Defi B ...[san-che30 (02.Дек.2025)]
7. Коллиматор Ralco R 22...[seeker (02.Дек.2025)]
8. КУПЛЮ/ПРИМУ в дар при...[seabee (02.Дек.2025)]
9. Центрифуга MiniSpin P...[AntonioPetty (01.Дек.2025)]
1. VIVIX Setup Operation...[12.Окт.2025]
2. GenwareMP[10.Сен.2025]
3. Настройка реагентов M...[20.Авг.2025]
4. Philips HD3-EXP[13.Авг.2025]
5. Рентгеновское оборудо...[08.Авг.2025]
6. VersaMed iVent201 Сер...[13.Фев.2025]
7. Гелпик КРД Ренекс РЦ ...[09.Фев.2025]
8. Офтальмологическая ус...[31.Окт.2024]
9. Cardinal-Health-VELA-...[03.Окт.2024]
10. Service Manual HAMILT...[02.Окт.2024]
1. Intellect[05.Дек.2025]
2. Romanivanov[05.Дек.2025]
3. igogoigogo[05.Дек.2025]
4. 1rishka[04.Дек.2025]
5. L_V_N[04.Дек.2025]
6. ИвановИИ[04.Дек.2025]
7. Alex_U[04.Дек.2025]
8. Yarikus03[03.Дек.2025]
9. EvaLen[03.Дек.2025]
10. dankurets[03.Дек.2025]
МастерБаку[583]
Yulana34[177]
Serg74[160]
Dimitrius[129]
naves[122]
РОМУЛ[121]
bektyish[121]
madmac[116]
Алекс-200[114]
begun_a[112]