[ Новые сообщения · Участники · Правила форума · Поиск · RSS ]



  • Страница 1 из 1
  • 1
Модератор форума: zx19  
Анализатор гематологический BCC 3000 ф.Dirui
Dan4oysДата: Пятница, 04.Июл.2014, 13:23 | Сообщение # 1
Участник
У вас сообщений: 124
инженер
OFFлайн
Российская Федерация

Москва
Добрый день, уважаемые коллеги!



Прошу поделиться мануалом на гематологический анализатор BCC 3000 компании Dirui, КНР.
Заранее премного благодарен!
Dan4oys@yandex.ru
.

Есть принципиально важная тема: "О контрольной крови и калибраторе (Практика исследований и обеспечение их достоверности).
.
 
seabeeДата: Понедельник, 18.Апр.2016, 17:46 | Сообщение # 2
У вас сообщений: 1310
инженер
OFFлайн
Российская Федерация

Сибирь
Тоже надо.
Не забирает пробу. Очистка не помогла.
 
AlexiumДата: Понедельник, 18.Апр.2016, 20:19 | Сообщение # 3
Инженер медтехник
OFFлайн
Российская Федерация

Саратов
Цитата seabee ()
Не забирает пробу. Очистка не помогла.
shok . Бубен - самый верный способ, если очистка не помогает.
0986570.jpg (77.2 Kb)
 
seabeeДата: Вторник, 19.Апр.2016, 05:42 | Сообщение # 4
У вас сообщений: 1310
инженер
OFFлайн
Российская Федерация

Сибирь
Спасибо.
 
YoungFreddyДата: Понедельник, 09.Янв.2017, 18:33 | Сообщение # 5
Стажер
У вас сообщений: 18
66
OFFлайн
Российская Федерация

Екатеринбург
Доброго времени суток, коллеги!
Имеется проблема с гематологическим анализатором DIRUI BCC-3000P. (Полный аналог BC-3000 от Мindray).
Суть проблемы в следующем, на измерении бланка выдает звезды по RBC и PLT.И , как следствие, на крови тот же результат Первым делом проверил апертуру и камеру. Апертуру посмотрел в микроскоп - в идеальном состояния, электрод в камере целый. Ни замена реактивов, ни промывка результатов не дают.
Но... Самое интересное это гистограммы.
Они не меняются, то есть на RBC всегда присутствует одиночный пик. Часть этого пика (начало) присутствует на PLT. Звезды означают зашкаливание результатов, регулировкой диапазона подсчета ( в настройках) добился уменьшения результата до отображаемых цифр. Диапазон неверный, но цель была проверка стабильности измерения. Цифры по RBC на бланке прибор выдавал одни и те же, порядка 3.8. Показания не менялись. PLT незначительно отличались раз от раза.
Были подозрения на электрод в камере, но если бы он был неисправен - результат скакал от раза к разу, не было б стабильности, да и гистограмма не была б такой красивой.
Сейчас основные подозрения на аналоговую плату ( предусилителей). Ощущение , что давит переменку в измерительный канал. Но по каналу WBC всё в порядке, а питание на плату поступает от одного источника... На всякий случай переставил местами конденсаторы ( электролиты) с одного канала на другой - эффекта нет.
Плату заказывать будем, но как бы не ошибиться в диагнозе.
Может кто то сталкивался с подобной ситуацией? какие будут советы?

2180507.jpg (69.2 Kb) · 2090220.jpg (134.8 Kb)
 
YoungFreddyДата: Понедельник, 09.Янв.2017, 18:36 | Сообщение # 6
Стажер
У вас сообщений: 18
66
OFFлайн
Российская Федерация

Екатеринбург
Было подозрение на сброс-сбой заводских настроек. Но сравнил программные сервисные настройки с таким же исправным анализатором в другом ЛПУ, отличий нет. То есть дело в железе.
 
AlexiumДата: Понедельник, 09.Янв.2017, 20:24 | Сообщение # 7
Инженер медтехник
OFFлайн
Российская Федерация

Саратов
У вас под боком ОМТ-урал, это их техника.
Способ диагностики у Вас загадочный! Можно было отсоединить кабель камеры и посмотреть результат или поменять провода от камер местами.
 
YoungFreddyДата: Понедельник, 09.Янв.2017, 21:15 | Сообщение # 8
Стажер
У вас сообщений: 18
66
OFFлайн
Российская Федерация

Екатеринбург
Про ОМТ в курсе, но это отдельные деньги, плюс везти из области. Да и интересно самому разобраться. Поэтому вопрос здесь и оказался, вдруг проблема известна. Если не ошибаюсь, при отключении камеры ошибку будет выдавать или я не прав? Там происходит самотестирование при запуске, в том числе проверка напряжений. А после запуска в запитанный аппарат лезть страшновато и неудобно в связи с плотным расположением внутренностей.
Кстати, при разборке-сборке случайно один раз недоткнул разъем соединения платы предусилителей и платы процессора. Выдал нули по всем параметрам на бланке, но полезли ошибки по температуре.
А насчет замены местами проводов камер - это попробую, что то сам не догадался. Спасибо за идейку.
 
YoungFreddyДата: Среда, 11.Янв.2017, 08:10 | Сообщение # 9
Стажер
У вас сообщений: 18
66
OFFлайн
Российская Федерация

Екатеринбург
Попробовал переставить местами провода от камер - результат тот же, звезды по RBC. То есть, дело в платах.
 
MadTechДата: Среда, 11.Янв.2017, 19:45 | Сообщение # 10
Участник
У вас сообщений: 104
Лаборатория
OFFлайн
Российская Федерация

Самара
Для YoungFreddy.
Нужно отсоединить кабель RBC и измерить холостую пробу,
Если результат прежний, то вероятно идет помеха от преобразователя
напряжения для прожига апертуры. Схемы нет, придётся пробовать самому.
Если это аналог Миндрей – 3000, то, возможно, разъём J7
Удачи!!! bye2
 
SvetlanaДата: Вторник, 07.Фев.2017, 12:33 | Сообщение # 11
Стажер
У вас сообщений: 22
зав лаб
OFFлайн
Российская Федерация

Слюдянка
Добрый день, уважаемые коллеги!
И мне, пожалуста, мануал на гематологический анализатор Dirui bcc 3000 на почту: svetashevel@mail.ru
 
YoungFreddyДата: Среда, 22.Фев.2017, 06:58 | Сообщение # 12
Стажер
У вас сообщений: 18
66
OFFлайн
Российская Федерация

Екатеринбург
Всем спасибо!
Проблема решена заменой операционного усилителя lt1037 на плате предусилителя ( bcc3000_analog)
 
JohnsonДата: Вторник, 27.Ноя.2018, 13:20 | Сообщение # 13
Заглянувший
У вас сообщений: 1
Лабораторный техник
OFFлайн
Российская Федерация

Москва
Коллеги, здравствуйте!
Не могли бы вы прислать юзер-мануал на почту: izomeraz@mail.ru
Благодарю заранее!


С уважением,
 
anatolДата: Четверг, 17.Янв.2019, 12:32 | Сообщение # 14
Участник
У вас сообщений: 64
Инженер-системотехник
OFFлайн
Российская Федерация

Новосибирск
Добрый день, коллеги!
Нужен мануал на этот анализатор. Буду благодарен, если вышлите на почту: apodykov@gmail.com
 
DigitAll_UДата: Вторник, 25.Фев.2020, 18:12 | Сообщение # 15
Заглянувший
У вас сообщений: 1
Инжинер
OFFлайн
Узбекистан

Ташкент
Кому-нибудь прислали мануал?
Пожалуйста, мне тоже отправьте на fiona923@bk.ru
 
dimon_upiДата: Среда, 10.Ноя.2021, 11:19 | Сообщение # 16
Стажер
У вас сообщений: 17
Инженер
OFFлайн
Российская Федерация

ЕКатеринбург
Добрый день.
Кто-нибудь сталкивался с ошибкой: "ошибка датчика мотора выборки"?
Сам не ловил, сколько не гонял аппарат, но врачи регулярно ловят.
Сервисного мануала нет, поэтому пока не понятно куда смотреть.
 
AlexiumДата: Среда, 10.Ноя.2021, 18:47 | Сообщение # 17
Инженер медтехник
OFFлайн
Российская Федерация

Саратов
dimon_upi, фотографию внутренностей со стороны гидравлики приложите, если не ошибаюсь, под одним названием разные анализаторы продавались.
 
dimon_upiДата: Четверг, 11.Ноя.2021, 07:47 | Сообщение # 18
Стажер
У вас сообщений: 17
Инженер
OFFлайн
Российская Федерация

ЕКатеринбург
Фото со стороны гидравлики пока нет :(В хранилище есть сервис на BC-3000 компании Мindray, но это совсем другой анализатор.
Внешний вид как на фото:
 
dimon_upiДата: Четверг, 11.Ноя.2021, 07:52 | Сообщение # 19
Стажер
У вас сообщений: 17
Инженер
OFFлайн
Российская Федерация

ЕКатеринбург
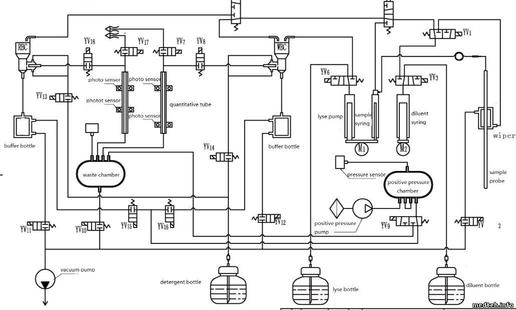
Вот есть кусочек гидравлики. Левая нижняя задняя часть анализатора, куда заходят трубки:
1784604.jpg (193.4 Kb)
 
  • Страница 1 из 1
  • 1
Поиск:



Статистика Форума
Последние обновления тем: Новые файлы хранилища: Новые участники: Top10 участников:
1. Замена светодиода на ...[Shturman (05.Дек.2025)]
2. Анализатор поля зрени...[SpirituS (04.Дек.2025)]
3. Программный комплекс ...[mqubali (04.Дек.2025)]
4. Кардиорегистратор «ИК...[albano18 (04.Дек.2025)]
5. Thermo Scientific gem...[viggen (03.Дек.2025)]
6. Центрифуга CM-6M ф.El...[Ningen64 (03.Дек.2025)]
7. Дефибриллятор Defi B ...[san-che30 (02.Дек.2025)]
8. Коллиматор Ralco R 22...[seeker (02.Дек.2025)]
9. КУПЛЮ/ПРИМУ в дар при...[seabee (02.Дек.2025)]
1. VIVIX Setup Operation...[12.Окт.2025]
2. GenwareMP[10.Сен.2025]
3. Настройка реагентов M...[20.Авг.2025]
4. Philips HD3-EXP[13.Авг.2025]
5. Рентгеновское оборудо...[08.Авг.2025]
6. VersaMed iVent201 Сер...[13.Фев.2025]
7. Гелпик КРД Ренекс РЦ ...[09.Фев.2025]
8. Офтальмологическая ус...[31.Окт.2024]
9. Cardinal-Health-VELA-...[03.Окт.2024]
10. Service Manual HAMILT...[02.Окт.2024]
1. zef1984[05.Дек.2025]
2. Dvish[05.Дек.2025]
3. Intellect[05.Дек.2025]
4. Romanivanov[05.Дек.2025]
5. igogoigogo[05.Дек.2025]
6. 1rishka[04.Дек.2025]
7. L_V_N[04.Дек.2025]
8. ИвановИИ[04.Дек.2025]
9. Alex_U[04.Дек.2025]
10. Yarikus03[03.Дек.2025]
МастерБаку[583]
Yulana34[177]
Serg74[160]
Dimitrius[129]
naves[122]
РОМУЛ[121]
bektyish[121]
madmac[116]
Алекс-200[114]
begun_a[112]