[ Новые сообщения · Участники · Правила форума · Поиск · RSS ]



Модератор форума: renmaster  
Маммограф рентгеновский «Маммо-4-«МТ» ф.АО «МТЛ» (Россия)
МВРДата: Понедельник, 05.Июл.2010, 23:48 | Сообщение # 1
Медтехник
OFFлайн
Российская Федерация

.
В этой теме собрана вся имеющаяся на R-форуме информация о рентгеновском скрининговом маммографе «Маммо-4-«МТ», изготовитель: Акционерное общество "МЕДИЦИНСКИЕ ТЕХНОЛОГИИ Лтд" (производственно торговый бренд - "МТЛ"), Россия.
Регистрационное удостоверение на медицинское изделие ФСР 2008/02328 от 17.05.2018 года.


Есть темы:
- Маммограф рентгеновский «Маммо-4-"МТ" Плюс» ф.АО «МТЛ» (Россия) (Проблемы и их решения);
- Маммограф "Маммо-4ИТ-плюс" (Проблемы и их решения).
 
Anakonda2aДата: Вторник, 12.Июл.2016, 21:32 | Сообщение # 201
Техник
У вас сообщений: 508
Инженер по Т.О. мед. техники
OFFлайн
Российская Федерация

Подольск
Слабенький протокол, ниочем.
Нужен график контроля работы РПУ. Пример прилагается. Нужен для определения правильности работы РПУ. Нужен контроль воспроизводимости. Отсутствует расчет отклонения линейной зависимости. Отсутствует контроль р/защиты излучателя. Неплохо бы посмотреть пороговый контраст.
Что-то померили, что-то написали и все. Для диагностики не хватает ключевой информации.
График (их дозиметр позволяет его получить) нужен что-бы видеть насколько линейно выдается высокое и соответственно насколько правильно оно работает.
Контроль воспроизводимости - насколько точно повторяются уставки в течение скажем десятка снимков.
А вообще создается впечатление что дозиметр не правильно настроен. Я работаю с UNFORS и если неправильно выставить фильтр маммографа то примерно такие замеры и получаются. Попросите кого нибудь проверить замеры.
 
Anakonda2aДата: Вторник, 12.Июл.2016, 21:34 | Сообщение # 202
Техник
У вас сообщений: 508
Инженер по Т.О. мед. техники
OFFлайн
Российская Федерация

Подольск
График
5864639.jpg (64.1 Kb)
 
DiK88Дата: Четверг, 14.Июл.2016, 03:38 | Сообщение # 203
Стажер
У вас сообщений: 20
инженер по медтехнике
OFFлайн
Российская Федерация

г. Владивосток
Доброго всем времени суток! Проблема с аппаратом Маммо-4-МТ 2006г выпуска: при включении высокого выдает ошибку "рано отпущена кнопка" или "слишком плотная грудь". Но не все так просто: кнопка исправна, сервисная плата исправна, сигнал доходит до CPU без каких-либо прерываний. Бывает так, что плата накала моргает всеми индикаторами, вроде как перезапускается. В аппарате поменялось практически все (подкидывалось с рабочего аппарата): плата накала, раскрутки, CPU, инвертор, генератор, рентгеновская трубка, вв кабель, сервисная плата, а проблема остается, причем аппарата может сделать снимков 10 как положено, потом выдавать ошибки. После замены трубки проработал почти месяц без проблем, но потом опять начали появляться эти ошибки, но при возвращении этой трубы на родной аппарат, она работает без проблем. В чем может быть проблема?
 
vfДата: Четверг, 14.Июл.2016, 07:43 | Сообщение # 204
У вас сообщений: 473
инженер
OFFлайн
Российская Федерация

Цитата DiK88 ()
может сделать снимков 10

А работаете в автомате или ручном?
 
terbunyДата: Четверг, 14.Июл.2016, 16:19 | Сообщение # 205
Завсегдатай
У вас сообщений: 228
рентгенотехник
OFFлайн
Российская Федерация

Россия
"рано отпущена кнопка" у меня такую ошибку выдавало, когда был обрыв кабеля на выносной кнопке.
 
DiK88Дата: Пятница, 15.Июл.2016, 06:27 | Сообщение # 206
Стажер
У вас сообщений: 20
инженер по медтехнике
OFFлайн
Российская Федерация

г. Владивосток
В ручном, когда не получаются снимки, он выдает "рано отпущена кнопка", а в автоматическом режиме он выдает и "рано отпущена кнопка" и "слишком плотная грудь", в зависимости от того: успевает ли пройти предэкспозиция или нет.
Кнопка менялась на заведомо исправную, и подпаивалась прям на плату, менуя все разъемы.
 
speshlistДата: Пятница, 15.Июл.2016, 09:16 | Сообщение # 207
Участник
У вас сообщений: 215
рентген, служба крови
OFFлайн
Российская Федерация

Вологда
калибровали экспонометр?
 
val1966Дата: Суббота, 16.Июл.2016, 08:04 | Сообщение # 208
Участник
У вас сообщений: 104
инженер тех. центра
OFFлайн
Российская Федерация

Поменяйте местоположение датчика дозиметра на столике маммографа показания KV при этом меняются.
 
val1966Дата: Суббота, 16.Июл.2016, 08:07 | Сообщение # 209
Участник
У вас сообщений: 104
инженер тех. центра
OFFлайн
Российская Федерация

Обычно KV на маммографах завышены. Не влазят в 5%. Меняешь положение датчика и показания меняются. Мерю анфорсом.
 
val1966Дата: Суббота, 16.Июл.2016, 08:13 | Сообщение # 210
Участник
У вас сообщений: 104
инженер тех. центра
OFFлайн
Российская Федерация

Протокол полная лажа.
 
Anakonda2aДата: Суббота, 16.Июл.2016, 20:53 | Сообщение # 211
Техник
У вас сообщений: 508
Инженер по Т.О. мед. техники
OFFлайн
Российская Федерация

Подольск
При замерах датчик ставится в строго определенное место.
По маммографическому фантому определяются еще несколько параметров.
Могу ошибаться, но при отклонении кВ больше 10% должна быть ошибка РПУ!
Цитата val1966 ()
Протокол полная лажа.

Согласен.
 
DiK88Дата: Среда, 20.Июл.2016, 02:17 | Сообщение # 212
Стажер
У вас сообщений: 20
инженер по медтехнике
OFFлайн
Российская Федерация

г. Владивосток
Экспонометр откалиброван и даже менялся на заведомо исправный и калибровался, проблема та же. Уже испробовано многое(( МТЛ разводит руками
 
9089283818Дата: Среда, 07.Сен.2016, 14:41 | Сообщение # 213
Заглянувший
У вас сообщений: 1
мастер
OFFлайн
Российская Федерация

Екатеринбург
Добрый день! Нужен детектор на Маммо-4Мт. Кто знает, где можно достать? Если есть, то просьба связаться со мной по телефону 89090004609. По цене договоримся.
 
kloun71Дата: Среда, 28.Сен.2016, 19:48 | Сообщение # 214
Завсегдатай
У вас сообщений: 273
инженер
OFFлайн
Российская Федерация

тула
пробовали режим STD ?
 
Alex70ttДата: Среда, 28.Сен.2016, 21:56 | Сообщение # 215
У вас сообщений: 524
рентген техник
OFFлайн
Российская Федерация

вся Россия
просто не надо отпускать кнопку после первого писка а ждать второго длинного вот и все

!
 
InelДата: Четверг, 13.Окт.2016, 15:18 | Сообщение # 216
Стажер
У вас сообщений: 32
Техник-программист
OFFлайн
Российская Федерация

Астрахань
Валик микрика должен быть выше шайбы или ниже?

Аппарат выдал ошибку "Неисправность рессоры ".
Концевик был на шайбе.
Сейчас концевик находится выше шайбы (аппарат работает).
Есть подозрение, что микрик проскочил через шайбу.
Если так, пора менять рессору?

Я предполагаю, что система работает так - пружина давит на шайбу сверху, рессора давит на ту-же шайбу снизу.
При ослаблении рессоры , пружина выдавливает шайбу вниз. Соответственно, в исправной системе, микрик должен стоять ниже шайбы.


Сообщение отредактировал Inel - Четверг, 13.Окт.2016, 15:58
 
Алекс-200Дата: Четверг, 13.Окт.2016, 15:39 | Сообщение # 217
У вас сообщений: 1197
Инженер
OFFлайн
Российская Федерация

Самара
Цитата Inel ()
Концевик был на шайбе.
Сейчас концевик находится выше шайбы
Как концевик оказался выше шайбы? Вы его переставили?

Цитата Inel ()
При ослаблении рессоры , пружина выдавливает шайбу вниз. Соответственно микрик должен стоять ниже шайбы.
После "соответственно" следует конкретизировать вывод, вставив фразу: "при исправной пружине" или "при неисправной пружине". А то получается: "казнить нельзя помиловать".
 
InelДата: Четверг, 13.Окт.2016, 15:55 | Сообщение # 218
Стажер
У вас сообщений: 32
Техник-программист
OFFлайн
Российская Федерация

Астрахань
Микрик не трогали. Просто подвигали штатив (временно замкнув контакты микрика).
Рассматривается принцип работы рабочей системы и это чисто мои домыслы. Отредактировал.


Сообщение отредактировал Inel - Четверг, 13.Окт.2016, 16:00
 
SIДата: Вторник, 07.Фев.2017, 15:22 | Сообщение # 219
Участник
У вас сообщений: 97
R-техник
OFFлайн
Российская Федерация

ЮФО
Маммограф рентгеновский «Маммо-4-«МТ» 2007 года, изготовитель Акционерное общество "МЕДИЦИНСКИЕ ТЕХНОЛОГИИ Лтд" (бренд - "МТЛ"), Россия.
Ошибка: "Зеркало не убрано".
Похоже, дело в микросхеме платы коллиматора.
Микрик на зеркале замыкал не помогло, половина аппаратов работают с задвинутыми зеркалами и зажатым концевиком, а этот нет. Вообще, есть способ обойти эту плату?
Собственно, она там почти не нужна, на Италреевких мамках её даже и нет.
Может у кого есть в этом "Опыт"? nea


Сообщение отредактировал SI - Среда, 08.Фев.2017, 12:45
 
Алекс-200Дата: Вторник, 07.Фев.2017, 17:28 | Сообщение # 220
У вас сообщений: 1197
Инженер
OFFлайн
Российская Федерация

Самара
Цитата SI ()
... есть способ обойти эту плату? ... она там почти не нужна
Вы "попали" на прихоть разработчика, который решил передавать информацию о положении зеркала в ЦПУ по последовательному каналу (в ответ на запрос ЦПУ).
В практике такое случалось - покупали плату.
 
kosyacДата: Вторник, 28.Фев.2017, 10:40 | Сообщение # 221
Стажер
У вас сообщений: 23
Инженер
OFFлайн
Российская Федерация

Мытищи
Добрый день!
Коллеги решили вопрос с светодиодом и его параметрами? Выставили счет на плату с диодом 60 т.р. Крутовато!
 
kosyacДата: Вторник, 28.Фев.2017, 13:54 | Сообщение # 222
Стажер
У вас сообщений: 23
Инженер
OFFлайн
Российская Федерация

Мытищи
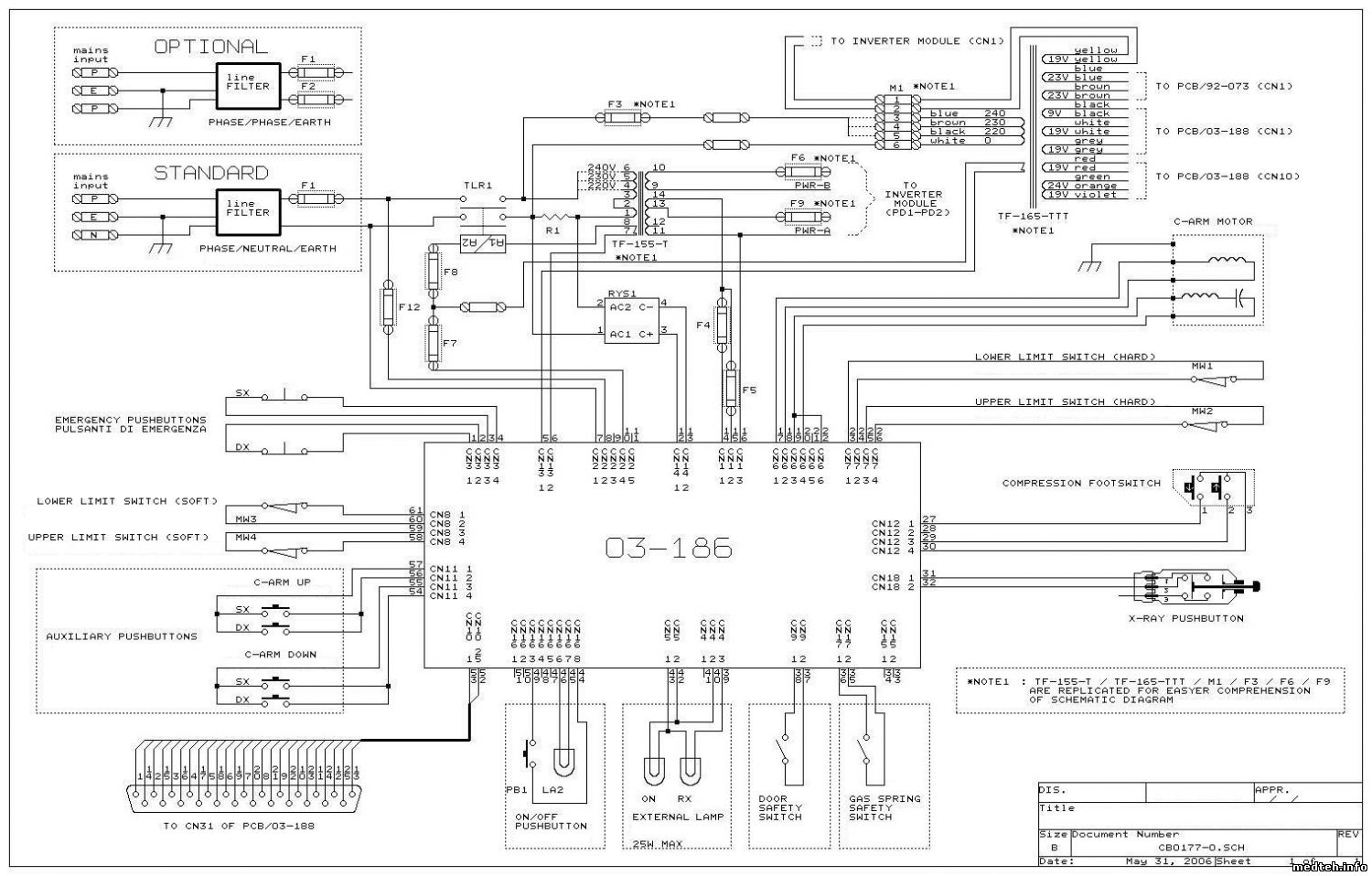
У меня такая же ерунда( Рано отпущена кнопка. Родной кнопки к сожалению нет стоит вообще от флюшки (бывшие инженеры пытались решить проблему).
Подскажите есть ли у кого схема принципа работы кнопки и какие контакты НЗ и НР должны быть.
Спасибо
 
petroveechДата: Вторник, 28.Фев.2017, 17:01 | Сообщение # 223
У вас сообщений: 1072
Иженер
OFFлайн
Российская Федерация

Ставрополь
Вот прикрепил.
1095348.jpg (229.8 Kb)


При обращении пишите мыло сразу.
 
kosyacДата: Вторник, 28.Фев.2017, 17:08 | Сообщение # 224
Стажер
У вас сообщений: 23
Инженер
OFFлайн
Российская Федерация

Мытищи
petroveech,
Спасибо огромное!
 
kosyacДата: Вторник, 28.Фев.2017, 17:11 | Сообщение # 225
Стажер
У вас сообщений: 23
Инженер
OFFлайн
Российская Федерация

Мытищи
Не понятно на что идет третья ножка(
 
Алекс-200Дата: Вторник, 28.Фев.2017, 19:05 | Сообщение # 226
У вас сообщений: 1197
Инженер
OFFлайн
Российская Федерация

Самара
Цитата kosyac ()
Выставили счет на плату с диодом 60 т.р. Крутовато!

kosyac, а Вы спросите у докторов: готовы ли они платить такие деньги за никому не нужную лампочку. Световой центратор необходим при осознанном изменении (ограничении) поля снимка. В маммографе такая возможность отсутствует, поскольку так называемый коллиматор представляет собой металлическую пластину с отверстием, соответствующим единственному формату используемых кассет. Плюс к этому - доминантная зона, даже на устройстве для увеличенных снимков, обозначена на прижимной лопатке.
А подсвечивать грудь за 60 т.р. - действительно "крутовато".
 
Алекс-200Дата: Вторник, 28.Фев.2017, 19:12 | Сообщение # 227
У вас сообщений: 1197
Инженер
OFFлайн
Российская Федерация

Самара
Цитата kosyac ()
Не понятно на что идет третья ножка
Просто, в целях унификации, используется обычная для рентгеновского аппарата кнопка снимка с двумя нажатиями.
 
kosyacДата: Среда, 01.Мар.2017, 10:37 | Сообщение # 228
Стажер
У вас сообщений: 23
Инженер
OFFлайн
Российская Федерация

Мытищи
Просто читал в тех документации что стоит в кнопке защита от неосторожного нажатия!!! На имеющейся кнопке стоит два микропереключателя и если нажимать только один из них то ничего не происходит и высокого не дает! Поэтому и пытаюсь понять где не правда на аппарате или в инструкции!
 
bocman200101Дата: Среда, 01.Мар.2017, 11:05 | Сообщение # 229
Стажер
У вас сообщений: 42
рентгентехник
OFFлайн
Российская Федерация

Россия
Может нет надежного контакта в силовых цепях (рубильник, контактор, инвертор...)? А микропереключатели в выносной двухупорной кнопке можно подключить параллельно.
 
kosyacДата: Вторник, 07.Мар.2017, 13:31 | Сообщение # 230
Стажер
У вас сообщений: 23
Инженер
OFFлайн
Российская Федерация

Мытищи
Проблему решил!
Спаял новую кнопку и вывел напрямую от платы минуя все разьемы, и о чудо ВСЕ ЗАРАБОТАЛО!
Теперь проблема в следующем через раз снимки темные!((((
 
kosyacДата: Вторник, 07.Мар.2017, 14:20 | Сообщение # 231
Стажер
У вас сообщений: 23
Инженер
OFFлайн
Российская Федерация

Мытищи
Маммограф рентгеновский «Маммо-4-«МТ» изготовитель Акционерное общество "МЕДИЦИНСКИЕ ТЕХНОЛОГИИ Лтд" (торговый бренд - "МТЛ"), Россия.

После простоя примерно 3-и месяца на маммографе после проявки тёмные снимки, но не все - через, может один, а, может, и три! Засветка исключена, с химией тоже всё в порядке!
Что может быть? ...
 
Lesley85Дата: Среда, 08.Мар.2017, 15:59 | Сообщение # 232
Участник
У вас сообщений: 124
Инженер
OFFлайн
Российская Федерация

Nameless
Может, зеркальце, которое направляет световой поток на объект (перед рентгеновским излучателем) залипает, и не всегда убирается во время экспозиции?
.

Я так понимаю, работают на режиме с экспонометром?
 
Alex70ttДата: Четверг, 09.Мар.2017, 19:38 | Сообщение # 233
У вас сообщений: 524
рентген техник
OFFлайн
Российская Федерация

вся Россия
Во первых, не надо давать советы, в которых не уверен.
.

Надо настроить MAH и MAL.
Проверить сеть.
И ДА, если зеркало не убирается во время снимка, то и снимка не будет - там концевик.
.

И ещё включите режим --экран-пленка ---"2".


!
 
kosyacДата: Пятница, 10.Мар.2017, 13:40 | Сообщение # 234
Стажер
У вас сообщений: 23
Инженер
OFFлайн
Российская Федерация

Мытищи
Зеркальце ходит без проблем! Вот только концевика не нашёл! Кладу ножницы - снимок нармальный!
Сфоткал диоды на плате, вроде, тоже нормально!
.

Сфоткал диоды на плате, вроде, тоже нормально!
.
Не то фото!
2115031.jpg (141.9 Kb)
 
Alex70ttДата: Пятница, 10.Мар.2017, 17:24 | Сообщение # 235
У вас сообщений: 524
рентген техник
OFFлайн
Российская Федерация

вся Россия
Такие вещи на автомате не снимают, если у Вас нет фантома, то налейте в перчатку литр-полтора воды и аккуратно под прижим, вот тогда информативно.

!
 
Polo11Дата: Пятница, 10.Мар.2017, 20:17 | Сообщение # 236
У вас сообщений: 582
рентген
OFFлайн
Российская Федерация

русский
Как правило, после простоя, лаборанты забывают менять поле экспонометра. Если грудь большая, а экспонометр на маленькую грудь, то будет перебивать.
1. Проверить и подстроить экспонометр (все 3-и поля).
2. Или работать на ручных уставках.


....
 
BomberbugДата: Вторник, 21.Мар.2017, 10:57 | Сообщение # 237
У вас сообщений: 713
engineer
OFFлайн
Российская Федерация

Россия
Решается заменой на "обычные" светодиоды. Только учитывая, что там питание что-то около 18 Вольт (не помню точно), то делается линейка из 3-4 штук.
Проверено - работает. Уже более года. Бари подобной же формы, что и на фото, только рублей по 250 за штуку. Итого - за 1 Крубль - решение вопроса.
 
Lesley85Дата: Понедельник, 03.Апр.2017, 10:05 | Сообщение # 238
Участник
У вас сообщений: 124
Инженер
OFFлайн
Российская Федерация

Nameless
"Бывает так, что плата накала моргает всеми индикаторами, вроде как перезапускается" - данная проблема решается регулировкой значения напряжения V safety reference на плате накала filament supply 92-073.

Если проблема в цепи кнопки, и она действительно рана отпущена, то плата накала не перезапускается. Это можно проверить, просто отпустив кнопку в начале экспозиции и посмотрев, как ведет себя аппарат.

При значении V safety ref в 3 В, аппарат, по опыту, все время будет уходить в эту ошибку при экспозиции. Если 4 В, может работать через раз. Если установить 5,4 аппарат работает идеально. Можно проверить, установив эти значения и попробовав, как при этом ведет себя аппарат.

Меряется данное напряжение на точке ТР3, а регулируется потенциометром RV3.
 
asherДата: Пятница, 28.Апр.2017, 14:14 | Сообщение # 239
Стажер
У вас сообщений: 25
инженер
OFFлайн
Российская Федерация

Тамбов
Всем добрый день!
приподниму данную тему - у нас так же случилась данная ошибка - после нескольких последовательных сбоев с электричеством появилась ошибка 01
частично удалось вернуть аппарат в работу - как выяснилось что проблема с даллосом U5 в котором хранятся логи и калибровочные данные.
видимо во время сбоев по питанию в часть адресов микросхемы были записаны нули или случайный мусор - по крайней мере у нас были обнулены данные калибровки тока анода и мусор в логах.
ток анода откалибровали - аппарат в ручном режиме работает нормально
а вот в автоматическом режиме нет - экспонометр упорно не хочет калиброваться - всегда параметр r=0000 и ошибка (слишком плотная грудь)
пробовали подстраивать резисторами и программой - результат нулевой и тд - короче всеми доступными способами
кто знает каким образом можно в аппарат загнать значения r1,2,3 (что написанные на калибровочной пластине) или по каким адресам они прописаны в далласе (пропишу их программатором тогда)?
 
Iluha92Дата: Пятница, 28.Апр.2017, 15:48 | Сообщение # 240
Участник
У вас сообщений: 59
Инженер электромеханик
OFFлайн
Российская Федерация

Оренбург
Цитата asher ()
Всем добрый день!
приподниму данную тему - у нас так же случилась данная ошибка - после нескольких последовательных сбоев с электричеством появилась ошибка 01
частично удалось вернуть аппарат в работу - как выяснилось что проблема с даллосом U5 в котором хранятся логи и калибровочные данные.
видимо во время сбоев по питанию в часть адресов микросхемы были записаны нули или случайный мусор - по крайней мере у нас были обнулены данные калибровки тока анода и мусор в логах.
ток анода откалибровали - аппарат в ручном режиме работает нормально
а вот в автоматическом режиме нет - экспонометр упорно не хочет калиброваться - всегда параметр r=0000 и ошибка (слишком плотная грудь)
пробовали подстраивать резисторами и программой - результат нулевой и тд - короче всеми доступными способами
кто знает каким образом можно в аппарат загнать значения r1,2,3 (что написанные на калибровочной пластине) или по каким адресам они прописаны в далласе (пропишу их программатором тогда)?

А какой режим экспанометра установлен в аппарате??, STD, HC, LD? По пробуй сменить режим и по снимать, так же при std характерна кривая экспонирования не помню как называется, может возникать как раз такой глюк, через ультру создаешь новую кривую, из списка кривых выбираешь cr15, режим экспанометра HC, и настраиваешь, o и r, уже как надо, должно помочь
 
Поиск:



Статистика Форума
Последние обновления тем: Новые файлы хранилища: Новые участники: Top10 участников:
1. Aution max AX-4030, т...[MasterSkif (08.Дек.2025)]
2. Замена светодиода на ...[Shturman (05.Дек.2025)]
3. Анализатор поля зрени...[SpirituS (04.Дек.2025)]
4. Программный комплекс ...[mqubali (04.Дек.2025)]
5. Кардиорегистратор «ИК...[albano18 (04.Дек.2025)]
6. Thermo Scientific gem...[viggen (03.Дек.2025)]
7. Центрифуга CM-6M ф.El...[Ningen64 (03.Дек.2025)]
8. Дефибриллятор Defi B ...[san-che30 (02.Дек.2025)]
9. Коллиматор Ralco R 22...[seeker (02.Дек.2025)]
1. VIVIX Setup Operation...[12.Окт.2025]
2. GenwareMP[10.Сен.2025]
3. Настройка реагентов M...[20.Авг.2025]
4. Philips HD3-EXP[13.Авг.2025]
5. Рентгеновское оборудо...[08.Авг.2025]
6. VersaMed iVent201 Сер...[13.Фев.2025]
7. Гелпик КРД Ренекс РЦ ...[09.Фев.2025]
8. Офтальмологическая ус...[31.Окт.2024]
9. Cardinal-Health-VELA-...[03.Окт.2024]
10. Service Manual HAMILT...[02.Окт.2024]
1. ShirokovaOV[09.Дек.2025]
2. sergey28[08.Дек.2025]
3. Envoy333[08.Дек.2025]
4. turbozohan[08.Дек.2025]
5. RaBreathI[07.Дек.2025]
6. yohosil429[07.Дек.2025]
7. umbra777[06.Дек.2025]
8. Embenz[06.Дек.2025]
9. Зеленая[06.Дек.2025]
10. zef1984[05.Дек.2025]
МастерБаку[583]
Yulana34[177]
Serg74[160]
Dimitrius[129]
naves[122]
РОМУЛ[121]
bektyish[121]
madmac[116]
Алекс-200[114]
begun_a[112]