[ Новые сообщения · Участники · Правила форума · Поиск · RSS ]



Модератор форума: renmaster  
Маммограф рентгеновский «Маммо-4-«МТ» ф.АО «МТЛ» (Россия)
МВРДата: Понедельник, 05.Июл.2010, 23:48 | Сообщение # 1
Медтехник
OFFлайн
Российская Федерация

.
В этой теме собрана вся имеющаяся на R-форуме информация о рентгеновском скрининговом маммографе «Маммо-4-«МТ», изготовитель: Акционерное общество "МЕДИЦИНСКИЕ ТЕХНОЛОГИИ Лтд" (производственно торговый бренд - "МТЛ"), Россия.
Регистрационное удостоверение на медицинское изделие ФСР 2008/02328 от 17.05.2018 года.


Есть темы:
- Маммограф рентгеновский «Маммо-4-"МТ" Плюс» ф.АО «МТЛ» (Россия) (Проблемы и их решения);
- Маммограф "Маммо-4ИТ-плюс" (Проблемы и их решения).
 
BomberbugДата: Пятница, 15.Май.2020, 20:25 | Сообщение # 321
У вас сообщений: 713
engineer
OFFлайн
Российская Федерация

Россия
Ночи доброй.

Может у кого была неисправность с сабжем следующего содержания:

после включения АНАЛОГОВОГО маммографа самопроизвольно лопатка начинает опускаться вниз. Делает это она очень медленно.
Также при этом на "крутилках" с обоих сторон (которые используются для управления компрессией) отображаются вверху и внизу цифры 0.
Педали управления движением лопаткой управляют в обе стороны, однако когда их не трогаешь - лопатка сама опять же вниз начинает опускаться.
Крутилки никак не реагируют на кручение или нажатия центральной кнопки.
Также нет реакции на нажатия кнопок управления наклоном штатива и его подъемом/опусканием (хотя щелчки при их нажатии слышны...).
Управления штативом есть при начальной инициализации до "прогрузки" управляющего софта, далее - как выше - ничего не работает.

Отключал разъем педалей от платы, что рядом с мотором привода лопатки и даже шлейф от крутилок - все равно лопатка сама вниз медленно опускается.
Самоопускание останавливается только если отключить шлейф от платы измерения компрессии - оно и логично, типа ошибка.

Вобщем, ничего нигде не нажимается - лопатка сама медленно вниз опускается - индикаторы на плате управления приводом мотора светятся - типа команда на медленное опускание идет :-(

Еще - было пару раз, что после опускания до самого низа лопатка БЫСТРО поднимается вверх, пролетает "верхнюю метку остановки", врезается в верхнюю часть штатитва и уж по ошибке на панели останавливается.

Если отключить питание от мотора привода лопатки - логично, что она стоит как вкопанная - значит "идет команда" на опускание лопатки, но почему?!
поворот и вверх-вниз не работаю видимо из-за того, что имеется блокировка по движению (может команда идет - на компрессию?)

Может, были у кого похожие симптомы? Что за х? какая плат может такую бяку давать?
 
petroveechДата: Понедельник, 18.Май.2020, 08:01 | Сообщение # 322
У вас сообщений: 1072
Иженер
OFFлайн
Российская Федерация

Ставрополь
Цитата Bomberbug ()
Может, были у кого похожие симптомы? Что за х? какая плат может такую бяку давать?

Проверьте мс питания. Было по 5 или 12 вольтам кренка глючила. То же какая то жуть творилась.


При обращении пишите мыло сразу.
 
BomberbugДата: Среда, 03.Июн.2020, 19:21 | Сообщение # 323
У вас сообщений: 713
engineer
OFFлайн
Российская Федерация

Россия
Цитата petroveech ()
Проверьте мс питания

Это которая?
Та, с которой питания на двигатель прижима лопатки идет?
 
krmtДата: Четверг, 16.Июл.2020, 15:57 | Сообщение # 324
Стажер
У вас сообщений: 23
техник по ремонту и обслуживанию
OFFлайн
Российская Федерация

Краснодар
необходимо заменить газовую пружину на маммографе Маммо МТ 4. оригинал стоит дорого. если кто то сталкивался с подбором аналогов, поделитесь информацией, что там за пружины и их характеристики
 
vvv3vvvДата: Четверг, 16.Июл.2020, 18:21 | Сообщение # 325
Участник
У вас сообщений: 103
электромеханик по рентг.
OFFлайн
Российская Федерация

приморск
если она плохая..снимите разберите и посмотрите, она сдвоенная , работать будет , я так делал, могут быть разные по длине амортизаторы
 
krmtДата: Воскресенье, 19.Июл.2020, 15:15 | Сообщение # 326
Стажер
У вас сообщений: 23
техник по ремонту и обслуживанию
OFFлайн
Российская Федерация

Краснодар
Когда Вы её снимали Вы не делали замеры пружины? Какой ход штока, какая резьба на наконечнике штока, общая длина с штоком, длина баллона без штока? Аппарат разобрать просто для посмотреть нет возможности, он в работе.
И что значит разберите? кого? пружину? кто работать будет? аппарат без пружины?
 
petroveechДата: Понедельник, 20.Июл.2020, 07:41 | Сообщение # 327
У вас сообщений: 1072
Иженер
OFFлайн
Российская Федерация

Ставрополь
Цитата vvv3vvv ()
снимите разберите и посмотрите

Сразу место в больнице забейте себе. Разбирать газовый амортизатор нельзя! Покупайте у изготовителей. Не так он и дорог.


При обращении пишите мыло сразу.
 
alberthertzДата: Понедельник, 20.Июл.2020, 09:43 | Сообщение # 328
Заглянувший
У вас сообщений: 2
Начинающий специалист
OFFлайн
Российская Федерация

Тюмень
Приветствую всех.
Такая проблема с Маммо: включаю аппарат все ОК. В автоматическом режиме при нажатии кнопки нет раскрутки трубы. После отпускания кнопки ошибка 01.
Далее: ставлю ручной режим с эксп. жму кнопку, происходит раскрутка трубы и все. высокого нет. Отпускаю кнопку ошибка 01.
Далее: полностью ручной режим, жму, идет раскрутка, высокое значек загорается. Но пишет низкий анодный ток, снимок пустой!
Со слов техников, менялись платы питания, инвертора.
Люди добрые, подскажите с чего начать?
Сервисники МЛТ говорят на всё это: вызывайте инженера. Консультаций не дают.
 
BagsДата: Четверг, 20.Авг.2020, 13:59 | Сообщение # 329
Стажер
У вас сообщений: 12
Сервисный инженер
OFFлайн
Российская Федерация

Ростов-на-Дону
Добрый день!
МАММО-4-МТ. При запуске не светится дисплей. После вскрытия обнаружено отсутствие свечения контрольных светодиодов на центральной плате ЦПУ 170-10. При этом на материнке 03-188 светятся DL6 -15v и DL7+5v.
Прошу помощи в диагностике платы 170-10. МЛТ на контакт не идут. Сказали открытым текстом, помогать в диагнозе не будем так как нам интересно приехать и заработать денег. Ценник на новую плату более чем серьёзный, плюс время поставки 20 дней. Не очень хочется получить новую плату и понять что проблема в другом. Хотелось бы проверить наличие питания на 170-10. По сечению понимаю что это разъемы СN11 и CN12, но на схемах не нахожу какие там напряжения.
 
BagsДата: Четверг, 20.Авг.2020, 15:41 | Сообщение # 330
Стажер
У вас сообщений: 12
Сервисный инженер
OFFлайн
Российская Федерация

Ростов-на-Дону
Прошу прощения на 03-188 светятся только DL1 -15v и DL3+24v. Нашел недостающие схемы на 170-10. на CN11 в место 5в фактически 19.2 (1-4 контакт).
 
KlinserДата: Понедельник, 16.Ноя.2020, 13:48 | Сообщение # 331
Стажер
У вас сообщений: 23
техник
OFFлайн
Российская Федерация

Клин
Доброго времени суток.
Маммо-4-МТ: меню загружается, голосовое сообщение выдаёт: "техническая ошибка". И появляется надпись: "ошибка аппарата 13". Стол не поднимается и не опускается, на частотном преобразователе часто моргает синий светодид. И где цифровые входы, на преобразователе частоты написано 24v, прибор показывает 21. Отключал входы и питание на ПЧ, всё равно ошибка 13.
Коллеги, может имеете расшифровку ошибки?


Валерий
 
petroveechДата: Вторник, 17.Ноя.2020, 07:20 | Сообщение # 332
У вас сообщений: 1072
Иженер
OFFлайн
Российская Федерация

Ставрополь
Цитата Bags ()
Нашел недостающие схемы на 170-10. на CN11 в место 5в фактически 19.2 (1-4 контакт).

Разъёмы перепутали.


При обращении пишите мыло сразу.
 
petroveechДата: Вторник, 17.Ноя.2020, 07:22 | Сообщение # 333
У вас сообщений: 1072
Иженер
OFFлайн
Российская Федерация

Ставрополь
Цитата Klinser ()
Маммо-4-МТ: меню загружается
Войди в сервисное меню, посмотри чего нет.
__.doc (993.5 Kb)


При обращении пишите мыло сразу.
 
KlinserДата: Вторник, 17.Ноя.2020, 08:12 | Сообщение # 334
Стажер
У вас сообщений: 23
техник
OFFлайн
Российская Федерация

Клин
Добрый день.
Аппаратная ошибка 13 не даёт войти в сервис. Лог-файл скачать не могу, отсутствует программа ULTRA.


Валерий
 
KlinserДата: Вторник, 17.Ноя.2020, 16:01 | Сообщение # 335
Стажер
У вас сообщений: 23
техник
OFFлайн
Российская Федерация

Клин
Спасибо petroveech.
Ошибка "13" - на маммографе неисправность коллиматора. Плата под замену.


Валерий
 
DimitriyДата: Среда, 07.Апр.2021, 22:19 | Сообщение # 336
Стажер
У вас сообщений: 40
инженер
OFFлайн
Российская Федерация

ЦФО
Маммо-4-МТ.
Неисправность плохие снимки. То есть поле чёрное, вместо исследуемого объектов белое пятно. Работают в автоматическом режиме. При съёмке 1 пластины толщиной 20мм и мультиметр на ней параметры 29кв и 10мас, если поставит плёнку другой стороной то 20мас.

Напряжение замерено в контрольной точке и соответствует.

Ток трубки измерен но т.к. Аппарат выдаёт "мас" не могу определит соотносится измереное и задонное или нет.

В комплекте 4 пластины общей толщиной 5,5 см. При этом r=340 а q=8. На пластина r=120-140. В мануале сказано что толщина пластин должна быть 7 см.
Проявка снимка была сделана в 2 местах. Результат индеетичный. Предположительно реагенты не причём.
Плёнка срок годностью до 2023г.

Вопрос: прошу консультации по решению проблемы, что стоит проверить.
А также: должно ли быть 7см пластин для калибровки?
Как определить соотносится измеренный и заданный ток.
 
LongДата: Четверг, 08.Апр.2021, 06:58 | Сообщение # 337
Участник
У вас сообщений: 155
сервисный инженер
OFFлайн
Российская Федерация

Ульяновск
Судя по описанию - недобитый снимок (на будущее - лучше в таких случаях выкладывать картинку). У меня было нечто подобное, оказалось сломался привод решётки, в результате экспозиция прерывалась раньше времени. Возможно - экспонометр. Чтобы правильно откалибровать, пластины нужно 7 см, но это можно добрать обычным оргстеклом.
 
terbunyДата: Четверг, 08.Апр.2021, 12:27 | Сообщение # 338
Завсегдатай
У вас сообщений: 228
рентгенотехник
OFFлайн
Российская Федерация

Россия
А вы в ручном режиме делали снимок?
 
DimitriyДата: Четверг, 08.Апр.2021, 13:40 | Сообщение # 339
Стажер
У вас сообщений: 40
инженер
OFFлайн
Российская Федерация

ЦФО
В ручном режиме делал когда проверял напряжение на трубке. Объекты не иследавал в ручном режиме. Вот снимок получаемый на 29 кв и 10 мас
 
DimitriyДата: Четверг, 08.Апр.2021, 13:43 | Сообщение # 340
Стажер
У вас сообщений: 40
инженер
OFFлайн
Российская Федерация

ЦФО
Снимок. Тут на 5 мас снимок. т.к. Смесил фантом дальше от края столика. Но на 10 мас(когда фантом в край столика) получается тоже самое. Отличий нет.
0847981.jpg (79.6 Kb)


Сообщение отредактировал Dimitriy - Четверг, 08.Апр.2021, 13:45
 
DimitriyДата: Воскресенье, 09.Май.2021, 09:26 | Сообщение # 341
Стажер
У вас сообщений: 40
инженер
OFFлайн
Российская Федерация

ЦФО
Разобрал столик. Дал высокое,движение решетки есть. Набрал пластин, проверил q и r. Соответствует(тонкая пластина с значениями была в наличии). Также для проверки с этими же пластинами съездил к другому аппарату, значения практически идентичны. Изменил плотность почернения с 0 до +3 и снимки стали отличными. Дозы сравнил с другими апаратами, тоже один в один.
Что было, не знаю. Работает уже 2 недели. Может плавающая неисправность,буду наблюдать.
 
zxc2007zxcДата: Воскресенье, 09.Май.2021, 11:17 | Сообщение # 342
Участник
У вас сообщений: 150
инженер
OFFлайн
Российская Федерация

Вологда
Dimitriy, если снимают на пленку могут быть растворы хреновые
 
Anatoly73Дата: Четверг, 15.Июл.2021, 20:08 | Сообщение # 343
Заглянувший
У вас сообщений: 1
инженер
OFFлайн
Российская Федерация

ульяновск
Здравствуйте.
Маммограф снимает, но после снимка прижимной уезжает до самого верха.
Подскажите, пожалуйста, в чём причина?


беденко
 
zxc2007zxcДата: Понедельник, 19.Июл.2021, 08:34 | Сообщение # 344
Участник
У вас сообщений: 150
инженер
OFFлайн
Российская Федерация

Вологда
Anatoly73, в том, что аппарат работает как и должен, если не хотите, чтоб ездил - отключите прижим.

Сообщение отредактировал zxc2007zxc - Понедельник, 19.Июл.2021, 08:34
 
petroveechДата: Четверг, 22.Июл.2021, 06:51 | Сообщение # 345
У вас сообщений: 1072
Иженер
OFFлайн
Российская Федерация

Ставрополь
Цитата Anatoly73 ()
Подскажите, пожалуйста, в чём причина?
Причина в том, что всё больше и больше не совсем компетентных в нашей профессии людей лезут чинить то, в чём вообще не разбираются.
Дайте почту, пришлю техническое руководство.


При обращении пишите мыло сразу.
 
GallДата: Суббота, 24.Июл.2021, 13:15 | Сообщение # 346
Участник
У вас сообщений: 81
Инженер КДЛ
OFFлайн
Российская Федерация

Пятигорск
Здравствуйте.
У кого-нибудь была неисправность на МАММО-4-МТ: объект весь в полоску, фото прикладываю.
Так как маммограф находится далеко, был вытащен полностью столик с растровой решёткой и проверен на заведомо исправном аппарате - там всё нормально.
Что интересно, когда вставляешь чипованную кассету (там у них оцифровщик) в кассетоприемник, а другую, также чипованную, сверху, на фантом, например, которая в кассетоприемнике полосатая, а которая сверху - норм., идеальный снимок?
9938585.jpg (99.9 Kb)
 
pajerikДата: Суббота, 24.Июл.2021, 20:26 | Сообщение # 347
Участник
У вас сообщений: 84
рентген
OFFлайн
Российская Федерация

Москва
Послушать во время снимка есть ли движение растра в букки ...
 
zxc2007zxcДата: Понедельник, 26.Июл.2021, 15:16 | Сообщение # 348
Участник
У вас сообщений: 150
инженер
OFFлайн
Российская Федерация

Вологда
Очень похоже на работу растра.
 
terbunyДата: Понедельник, 26.Июл.2021, 15:54 | Сообщение # 349
Завсегдатай
У вас сообщений: 228
рентгенотехник
OFFлайн
Российская Федерация

Россия
Похоже на засветку экрана кассеты.
 
zxc2007zxcДата: Вторник, 27.Июл.2021, 19:42 | Сообщение # 350
Участник
У вас сообщений: 150
инженер
OFFлайн
Российская Федерация

Вологда
terbuny, снимают на CR какой экран
 
GallДата: Среда, 28.Июл.2021, 17:48 | Сообщение # 351
Участник
У вас сообщений: 81
Инженер КДЛ
OFFлайн
Российская Федерация

Пятигорск
Спасибо всем, всё исправилось.
Кстати, работу решётки не только слышно, но и видно, если снять верхнюю крышку.
А заработало после того, как поставил столик обратно, на аппарате то ли разъём (там 8-пиновый) не контачил,
то ли сдвинул с места растровую решетку, когда пробовал двигается она или нет, но в результате разъём промыл, оську от движка
решётки смазал. После этого долго гонял, всё нормально, снимки чистые.
 
terbunyДата: Среда, 11.Авг.2021, 16:24 | Сообщение # 352
Завсегдатай
У вас сообщений: 228
рентгенотехник
OFFлайн
Российская Федерация

Россия
Добрый день!
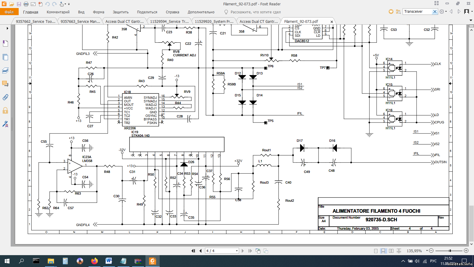
При включении аппарата выходили из строя предохранители F1 и F2. Были пробиты два полевых транзистора на плате STK404-140, заменил их, плата заработала, напряжения +13, -13 и +32 и -32 есть, горит только один светодиод LD4, и нет накала.
Что ещё нужно посмотреть?
У кого есть схема платы STK404-140, которая находится на плате накала 92-073-5, или кто скажет номинал резистора R16.
1150725.jpg (207.3 Kb)
 
Freedom7775777Дата: Среда, 11.Авг.2021, 21:55 | Сообщение # 353
Стажер
У вас сообщений: 43
Инженер
OFFлайн
Российская Федерация

Тимашевск
Цитата terbuny ()
При включении аппарата выходили из строя предохранители F1 и F2. Были пробиты два полевых транзистора на плате STK404-140, заменил их, плата заработала, напряжения +13, -13 и +32 и -32 есть, горит только один светодиод LD4 и нет накала. Что ещё нужно посмотреть?
У кого есть схема платы STK404-140 которая находиться на плате накала 92-073-5 или кто скажет номинал резистора R16.
Здравствуйте.
Обратите внимание на плате на конденсаторы электролитические внизу платы чуть правее от центра, поз.номер C49 C48, они были у меня вздуты ёмкость сильно занижена и плата накала не стартовала диод LD1 не горел, после замены конденсаторов всё заработало. Старая и новая плата на этих апппаратах совместимы. Кусок схемы с этими кондёрами прилагаю на схеме они справа внизу.
3243266.png (226.9 Kb)


Сообщение отредактировал Freedom7775777 - Среда, 11.Авг.2021, 21:56
 
terbunyДата: Четверг, 12.Авг.2021, 08:27 | Сообщение # 354
Завсегдатай
У вас сообщений: 228
рентгенотехник
OFFлайн
Российская Федерация

Россия
Freedom7775777, спасибо.
Но эти конденсаторы в порядке. А у Вас нет возможности посмотреть номинал резистора R16 на плате STK404-140?
 
Freedom7775777Дата: Четверг, 12.Авг.2021, 11:38 | Сообщение # 355
Стажер
У вас сообщений: 43
Инженер
OFFлайн
Российская Федерация

Тимашевск
Дело в том, что пока не собираюсь туда, где стоит такой новый маммограф. Но буду иметь ввиду, и если в друг будет оказия - посмотрю.
 
terbunyДата: Четверг, 12.Авг.2021, 12:48 | Сообщение # 356
Завсегдатай
У вас сообщений: 228
рентгенотехник
OFFлайн
Российская Федерация

Россия
Freedom7775777, спасибо!

.
См. 2.11 ....
 
polovnikovdenisДата: Вторник, 17.Авг.2021, 14:57 | Сообщение # 357
Участник
У вас сообщений: 63
Инженер
OFFлайн
Российская Федерация

Пермь
Коллеги, подскажите, как можно очистить очередь отправки к ПК лаборанта, и как можно почистить базу в ПК врача. Ни там, ни там недостаточно прав.
МТЛ запаролили всё и не очень хотят помогать. У аппарата закончилась недавно гарантия. Софт на ПК лаборанта - FujiFilm CR Console. Софт на ПК врача – ИнтегРИС.
На данный момент проблема с отправкой исследований на ПК врача (можем только в ручном режиме с помощью флешки), мне кажется, что проблема кроется в битой базе, методом перебора исследований выявили исследования с ошибкой - возможно поэтому и не уходят, и последующие исследования накопились - на счётчике 999 шт.


Viber & WhatsApp: 89226477916
 
terbunyДата: Четверг, 19.Авг.2021, 11:43 | Сообщение # 358
Завсегдатай
У вас сообщений: 228
рентгенотехник
OFFлайн
Российская Федерация

Россия
Здравствуйте!
Может ли кто-нибудь посмотреть номинал резистора R16 на субплате STK404-140 платы накала 92-073-5 маммографа "Маммо-4-"МТ"? ...
5032964.jpg (207.3 Kb) · 5068440.jpg (288.0 Kb)
 
terbunyДата: Вторник, 14.Сен.2021, 12:33 | Сообщение # 359
Завсегдатай
У вас сообщений: 228
рентгенотехник
OFFлайн
Российская Федерация

Россия
Аппарат заработал. Были заменены два полевых транзистора и драйвер на субплате. Резистор R16 - 1 Ом.
 
Degtyarev_aeДата: Четверг, 27.Янв.2022, 05:32 | Сообщение # 360
Стажер
У вас сообщений: 22
Инженер
OFFлайн
Российская Федерация

Сибирь
Добрый день, коллеги!
Не работает световой центратор, реле щелкает а света нет. Расскажите как добраться до этой лампочки, а то никаких винтов не нашел чтобы снять пластик, а ломать экспериментировать не хочется
 
Поиск:



Статистика Форума
Последние обновления тем: Новые файлы хранилища: Новые участники: Top10 участников:
1. Механическая пипетка ...[vladi (10.Ноя.2025)]
2. Стерилизатор паровой ...[Ан2рей (10.Ноя.2025)]
3. Дозатор шприцевой Аit...[Feniks (10.Ноя.2025)]
4. УЗИ Logiq C5 ф.GE Med...[saddam-095 (09.Ноя.2025)]
5. КУПЛЮ/ПРИМУ в дар зап...[arslan (09.Ноя.2025)]
6. Центрифуга CM-6M ф.El...[vladi (08.Ноя.2025)]
7. Биохимический анализа...[Nadebor (08.Ноя.2025)]
8. УЗИ SonoAce Pico ф.Sa...[arslan (05.Ноя.2025)]
9. Система автомат. капи...[AntonioPetty (05.Ноя.2025)]
1. VIVIX Setup Operation...[12.Окт.2025]
2. GenwareMP[10.Сен.2025]
3. Настройка реагентов M...[20.Авг.2025]
4. Philips HD3-EXP[13.Авг.2025]
5. Рентгеновское оборудо...[08.Авг.2025]
6. VersaMed iVent201 Сер...[13.Фев.2025]
7. Гелпик КРД Ренекс РЦ ...[09.Фев.2025]
8. Офтальмологическая ус...[31.Окт.2024]
9. Cardinal-Health-VELA-...[03.Окт.2024]
10. Service Manual HAMILT...[02.Окт.2024]
1. Djegocg[11.Ноя.2025]
2. ewgen[11.Ноя.2025]
3. Pechernyy[10.Ноя.2025]
4. OSV_9838149[10.Ноя.2025]
5. Alexy02[10.Ноя.2025]
6. Konstantin777[09.Ноя.2025]
7. Nurmuhammad261[09.Ноя.2025]
8. sergei72[07.Ноя.2025]
9. AlekseyVladimirovich[07.Ноя.2025]
10. dvl76[07.Ноя.2025]
МастерБаку[583]
Yulana34[177]
Serg74[160]
Dimitrius[129]
naves[122]
РОМУЛ[121]
bektyish[121]
madmac[116]
Алекс-200[114]
begun_a[112]