[ Новые сообщения · Участники · Правила форума · Поиск · RSS ]



  • Страница 1 из 2
  • 1
  • 2
  • »
Модератор форума: genvik, енот, evven, babysh-m  
Аппараты НЧ электротерапии серии "Радиус-01" (Беларусь)
vovik181083Дата: Четверг, 21.Май.2015, 13:26 | Сообщение # 1
Стажер
У вас сообщений: 12
сервис-инженер
OFFлайн
Казахстан

усть-каменогорск
Регистрационное удостоверение ФСЗ 2012/12537 от 25.07.2012 (ранее от 23.11.2006) года на Прибор низкочастотной электротерапии "Радиус", модели: "Радиус-01"; "Радиус-01 Интер СМ"; "Радиус-01ФТ"; "Радиус-01 Интер", производства ООО "КЛЭР", Беларусь.

Подскажите, пожалуйста, что может быть с "Радиусом-01"?
При настройке выходного тока бывают скачки выходного тока, при этом пациентов слегка "подтряхивает".
Процессор менял, при работе с нагрузкой в виде резистора всё нормально, ни каких отклонений нет.
.

Цитата Dimitrius ()
Все "Радиусы" своей основной платой конструктивно одинаковы, блок же питания могут модифицировать.
Разница "ФТ", "Интер", "Кранио" только в передней панели (то есть, клавиатуре) и "МК" (прошивка). Всё остальное - ЦАП, защита, усилитель, измеритель тока - одинаковы у всех.


На Форуме есть темы про проблемы с аппаратами серии "Радиус-01" по адресу - https://www.medteh.info/forum/34-0-1-0-10-1-[Радиус]
В этих темах надлежит размещать сообщения-посты строго в соответствии с их тематикой и ничего иного или лишнего.
 
DimitriusДата: Четверг, 21.Май.2015, 18:17 | Сообщение # 2
У вас сообщений: 410
инженер
OFFлайн
Украина

Украина
Сфотографируйте железные площадки с двух сторон для начала, и укажите точную марку и год выпуска аппарата.

.


Cвет в конце туннеля бывает разный
 
vovik181083Дата: Пятница, 22.Май.2015, 05:55 | Сообщение # 3
Стажер
У вас сообщений: 12
сервис-инженер
OFFлайн
Казахстан

усть-каменогорск
Какие именно площадки, выпуск 2013 г. модель Радиус-01
 
DimitriusДата: Суббота, 23.Май.2015, 08:22 | Сообщение # 4
У вас сообщений: 410
инженер
OFFлайн
Украина

Украина
Площадки кабеля пациента.

.


Cвет в конце туннеля бывает разный
 
MunlikДата: Суббота, 23.Май.2015, 16:20 | Сообщение # 5
Завсегдатай
У вас сообщений: 250
сервис-инженер
OFFлайн
Казахстан

Петропавловск
Всем привет!
Есть тоже проблема только аппарат НЧ терапии "Радиус-01ФТ", что происходит:
при вкл и запуска СТАРТА греется тороидальный входной сетевой трансформатор, при этом присутствует вых ток и регулируется. При осмотре обнаружилось: полетел один из двух транзисторов (КSE350) похоже генератор, заменил.
но что толку транс так же греется, но уже не так и из всех напряжений отсутствует только 110 вольт в место этого примерно
30-40 вольт, что делать без схемы тупик
фото аппарата прилагаю если можно схему высылайте, можно на личку
5350450.jpg (119.0 Kb)


Сообщение отредактировал Munlik - Суббота, 23.Май.2015, 16:23
 
DimitriusДата: Суббота, 23.Май.2015, 16:36 | Сообщение # 6
У вас сообщений: 410
инженер
OFFлайн
Украина

Украина
Если выбивает транзисторы типа КSE350(и парный ему) то смотрите их окружение(их там не так уж много 3 маленьких и 3 больших), для начала все диоды(тоже около 4 штук) и транзисторы(целых 6 штук) прозвоните. Дальше отсоедините БП и проверьте напряжения, где то была документация на эти аппараты, но много не обещаю.
8211984.jpg (141.3 Kb)


Cвет в конце туннеля бывает разный

Сообщение отредактировал Dimitrius - Суббота, 23.Май.2015, 16:41
 
DimitriusДата: Суббота, 23.Май.2015, 16:38 | Сообщение # 7
У вас сообщений: 410
инженер
OFFлайн
Украина

Украина
И ещё: для упрощения понимания и угадывания, делайте фотографии не только аппарата в общем, но и его внутренностей (у кого БП трансформатор, у кого ИБП).
Завод не стоит на месте, а модифицирует свою продукцию, а медтехник должен хоть делать первичную диагностику и думать!


Cвет в конце туннеля бывает разный

Сообщение отредактировал Dimitrius - Суббота, 23.Май.2015, 16:47
 
MunlikДата: Суббота, 23.Май.2015, 20:48 | Сообщение # 8
Завсегдатай
У вас сообщений: 250
сервис-инженер
OFFлайн
Казахстан

Петропавловск
Согласен не спорю Dimitrius, хотя был пробит один заменил сразу два т.е пару второй KSE550
диоды прозвонили, транзисторы не все, питания проверили и с нагрузкой и без 5V. 12V. 26V все в порядке.
спасибо за схему но у меня РАДИУС-01ФТ
обязательно сделаю фото блоков (плат)


Сообщение отредактировал Munlik - Суббота, 23.Май.2015, 20:54
 
DimitriusДата: Суббота, 23.Май.2015, 22:36 | Сообщение # 9
У вас сообщений: 410
инженер
OFFлайн
Украина

Украина
Радиусы все одинаковы конструктивно основной платой, блок питания могут модифицировать. Разница "ФТ", "Интер", "Кранио" только в передней панели (то есть, клавиатуре) и "МК" (прошивка). Всё остальное - ЦАП, защита, усилитель, измеритель тока - одинаковы у всех. Только что-то на память 26В ни у одной модели не было, или Вы не там меряете или что-то новое.

.


Cвет в конце туннеля бывает разный
 
MunlikДата: Воскресенье, 24.Май.2015, 15:27 | Сообщение # 10
Завсегдатай
У вас сообщений: 250
сервис-инженер
OFFлайн
Казахстан

Петропавловск
Привет Dimitrius! Вот фото
Может и не там мерил хотя на разъёмах БП в роде бы, сейчас тупо отдыхаю drinks завтра если что
6500823.jpg (174.5 Kb) · 2798437.jpg (202.9 Kb) · 8547856.jpg (106.4 Kb) · 0582930.jpg (127.1 Kb)


Сообщение отредактировал Munlik - Воскресенье, 24.Май.2015, 15:30
 
DimitriusДата: Воскресенье, 24.Май.2015, 17:08 | Сообщение # 11
У вас сообщений: 410
инженер
OFFлайн
Украина

Украина
Ну, всё стандартно, схема БП выше. Отсоединяешь это всё дело - плату БП включаешь и измеряешь, единственное для включения HV 110В подаёшь согласно схемы от +5В через 1кОм резистор. Разбираешься с блоком -потом приступим к основной плате.

.


Cвет в конце туннеля бывает разный
 
MunlikДата: Понедельник, 25.Май.2015, 09:26 | Сообщение # 12
Завсегдатай
У вас сообщений: 250
сервис-инженер
OFFлайн
Казахстан

Петропавловск
Спасибо Dimitrus, а что за абвеатура HV-номин. напряжения или что-то еще......
 
vovik181083Дата: Понедельник, 25.Май.2015, 11:24 | Сообщение # 13
Стажер
У вас сообщений: 12
сервис-инженер
OFFлайн
Казахстан

усть-каменогорск
кабель пациента новый, из коробки
 
DimitriusДата: Понедельник, 25.Май.2015, 12:15 | Сообщение # 14
У вас сообщений: 410
инженер
OFFлайн
Украина

Украина
Munlik, HV 110В - высокое напряжение + - 110В(+-20%)

Cвет в конце туннеля бывает разный
 
MunlikДата: Понедельник, 25.Май.2015, 16:09 | Сообщение # 15
Завсегдатай
У вас сообщений: 250
сервис-инженер
OFFлайн
Казахстан

Петропавловск
High voltagei, так и быть до стукал - высокое напряжения
кабель пациента отличном состоянии vovik181083 и даже загрузил на эквивалент нагрузки (сопротивления)
порядка 1КОм, бестолку.


Сообщение отредактировал Munlik - Понедельник, 25.Май.2015, 16:33
 
DimitriusДата: Понедельник, 25.Май.2015, 19:43 | Сообщение # 16
У вас сообщений: 410
инженер
OFFлайн
Украина

Украина
Подождите, по порядку. Отключите блок питания от основной схемы, и согласно выше прикреплённой схеме проверьте на разъёмах напряжения. О результате отпишитесь. Поправка-высокое включается либо потенциалом через резистор(писал выше) либо замыканием соответствующего транзистора(смотрите схему). О результатах отпишитесь. Для Вас нужно на начальном этапе отсеять БП или основная плата. Моё мнение основная плата, но пробой транзисторах усилителя сигнала мог привести к проблемам в БП. Всё в Ваших руках - без общего взаимодействия с обеих сторон результат сам по себе не придёт.

.


Cвет в конце туннеля бывает разный
 
MunlikДата: Вторник, 26.Май.2015, 16:38 | Сообщение # 17
Завсегдатай
У вас сообщений: 250
сервис-инженер
OFFлайн
Казахстан

Петропавловск
Спасибо еще раз Dimitrius! как только, отпишусь O"Key
 
vovik181083Дата: Понедельник, 08.Июн.2015, 14:00 | Сообщение # 18
Стажер
У вас сообщений: 12
сервис-инженер
OFFлайн
Казахстан

усть-каменогорск
Заменил регулятор, 2 недели пока работает ни кого не бил током.
 
DimitriusДата: Понедельник, 08.Июн.2015, 21:20 | Сообщение # 19
У вас сообщений: 410
инженер
OFFлайн
Украина

Украина
В смысле регулятор - там же, вроде, энкодер, или что-то уже новое?

.


Cвет в конце туннеля бывает разный
 
vovik181083Дата: Вторник, 09.Июн.2015, 08:29 | Сообщение # 20
Стажер
У вас сообщений: 12
сервис-инженер
OFFлайн
Казахстан

усть-каменогорск
Да-да, он самый.
 
genis40Дата: Вторник, 13.Окт.2015, 10:06 | Сообщение # 21
Участник
У вас сообщений: 66
Электромеханик
OFFлайн
Казахстан

*******
Кто-нибудь сталкивался: аппарат не регулирует выходной ток, сразу выдает максимум. Транзисторы при прозвонке все целые, энкодер работает. Идет ли управляющий сигнал с контроллера?
 
DimitriusДата: Вторник, 13.Окт.2015, 21:27 | Сообщение # 22
У вас сообщений: 410
инженер
OFFлайн
Украина

Украина
genis40, Сразу выдаёт макисмум- а защита потом срабатывает?(перегрузка), блок питания проверялся на все напряжения ?(выше сообщения). Проверить LM324 и ЦАП, предварительно откинув измерительные низкоомные резисторы. В общем от Вас больше информации нужно и фото платы и модель аппарата.

Cвет в конце туннеля бывает разный
 
genis40Дата: Среда, 14.Окт.2015, 06:36 | Сообщение # 23
Участник
У вас сообщений: 66
Электромеханик
OFFлайн
Казахстан

*******
1. Да, выдает максимум и срабатывает защита (перегрузка), если поставить нагрузкой около 100к, то работает - ток не регулируется
2. В блоке питания все напряжения присутствуют, в том числе и высокое
3. Как проверить LM324 и ЦАП? на кз?
4. Есть ли схема для платы с усилителями, ЦАП?

https://www.medteh.info/_fr/116/3684726.jpg
3015578.jpg (239.7 Kb)
 
DimitriusДата: Среда, 14.Окт.2015, 09:18 | Сообщение # 24
У вас сообщений: 410
инженер
OFFлайн
Украина

Украина
genis40, перегрузку показывает с нагрузкой или без?
И какую нагрузку используете?
100 кОм это не нагрузка, берётся в среднем от 500 Ом до 1 кОм, нормальная нагрузка для большинства аппаратов.

.


Cвет в конце туннеля бывает разный
 
genis40Дата: Среда, 14.Окт.2015, 10:21 | Сообщение # 25
Участник
У вас сообщений: 66
Электромеханик
OFFлайн
Казахстан

*******
Перегрузка только с нагрузкой, при 1 кОм уходит в защиту.
 
DimitriusДата: Среда, 14.Окт.2015, 12:18 | Сообщение # 26
У вас сообщений: 410
инженер
OFFлайн
Украина

Украина
В данном случае возможны два явных варианта:
1) ЦАП-ОУ - усилительный каскад;
2) Защита на ОУ + проблемы в усилительном каскаде.
Отпаяете два низкоомных резистора выходного каскада (они перпендикулярны диоду и реле), и включите.
Ищем LM324 и два 8-ми выводных ОУ, смотрим на входе выходе что вторится.
Для более точных разъяснений нужно подымать записи, а это только как появится время.

.
Рядом с диодом есть ещё постоянный резистор (15 Ом) и подстроечный R35. Это измеритель тока, построенный на OP213 (детектор), далее с 7 вывода OP213 сигнал идёт на LM311 (масштабирующий), с вывода 7 LM311 на 8 вывод контроллера Атмеги 128. Усилитель - входной каскад на КТ6116А (2N5401), выходной на KSE340-350.
Проверьте все резисторы, в первую очередь особенно по 15 Ом в базах выходных транзисторах.
Ищем AD7628 и смотрим что творится на 20 и 2 выводах, также находим TLC7524CN, и смотрим выводы 1, 15 и 16. Качаем датащит на LM324 (в аппарате их две), и проверяем входы-выходу ОУ. Через LM324 по сути аппарат и выдаёт сигнал и на неё же повязана защита.
Более детально в ЛС.

.


Cвет в конце туннеля бывает разный

Сообщение отредактировал Dimitrius - Среда, 14.Окт.2015, 12:35
 
euralskДата: Среда, 23.Дек.2015, 17:13 | Сообщение # 27
Заглянувший
У вас сообщений: 1
оператор
OFFлайн
Казахстан

Уральск
День добрый, уважаемые форумчане.
У кого есть паспорт с характеристиками и принципиальная схема аппаратов "Радиус 01".
В инете гуглил ниче путёвого не нашёл, хочу дилом написать и этот аппарат мне подходит для сравнения с аппаратом "Поток 1".
Помогите кто чем может!

.
 
veveeleДата: Четверг, 04.Фев.2016, 12:10 | Сообщение # 28
Участник
У вас сообщений: 123
инженер
OFFлайн
Украина

Луцк
"Радиус-01ФТ" 2006 год.
Не регулирует выходной ток (нет, даже, звукового сигнала при повороте ручки), енкодер менял, усилительный каскад (согласно сообщению №27) проверял, вроде, рабочий.
Выходной ток показывает 2 мА, измеренный тестером, приблизительно такой же.
Подскажите, в чём может быть проблема?
 
VitalikMEDДата: Суббота, 06.Фев.2016, 16:02 | Сообщение # 29
Участник
У вас сообщений: 67
электромеханик
OFFлайн
Украина

Ахтырка
ЦАП ?
 
ОстМедДата: Пятница, 19.Фев.2016, 12:05 | Сообщение # 30
Стажер
У вас сообщений: 13
Инженер по мед оборудованию
OFFлайн
Казахстан

Усть-Каменогорск
Здравствуйте.
Возникла проблема с "Радиусом-01ФТ" 2014г. При попытке запустить какой либо режим кнопкой "Старт" автоматически включается режим ДДТ, при попытке запуска программы режима ДДТ кнопка "Старт" начинает работать как кнопка "Влево". Я думаю, что проблема с прошивкой. Битых элементов на плате не нашёл.
В поиске видел прошивку на "Радиус", но в хранилище её не нашёл.
Есть ли у кого-то прошивка и кратенький мануал как это делается?
 
svromДата: Понедельник, 27.Июн.2016, 22:37 | Сообщение # 31
Стажер
У вас сообщений: 43
инженер
OFFлайн
Украина

Одесса
Коллеги, может кто сможет поделится схемой основной платы аппарата "Радиус 01М" ver 1.1 2006 года и назначением подстроечников R1, R5, R6, R30 и R35.
Фото - такой же как и в сообщении № 23 - http://www.medteh.info/_fr/116/3015578.jpg


Сообщение отредактировал svrom - Понедельник, 27.Июн.2016, 22:52
 
Андрей_АлтайДата: Вторник, 18.Окт.2016, 02:09 | Сообщение # 32
Стажер
У вас сообщений: 47
набрали по объявлению
OFFлайн
Российская Федерация

Барнаул
Добавил схемы в хранилище: http://www.medteh.info/load/64-1-0-3473
 
luganskiyДата: Понедельник, 30.Окт.2017, 20:56 | Сообщение # 33
Стажер
У вас сообщений: 15
Инженер
OFFлайн
Украина

Луганск
Всем привет.
Ребят, подскажите, пожалуйста, выходной ток прыгает постоянно, в чём может быть проблема?
 
gordiukДата: Суббота, 07.Апр.2018, 19:29 | Сообщение # 34
Стажер
У вас сообщений: 26
инженер
OFFлайн
Казахстан

Алма-Ата
Цитата Munlik ()
Дальше отсоедините БП и проверьте напряжения, где то была документация на эти аппараты, но много не обещаю.
8211984.jpg(141.3 Kb)

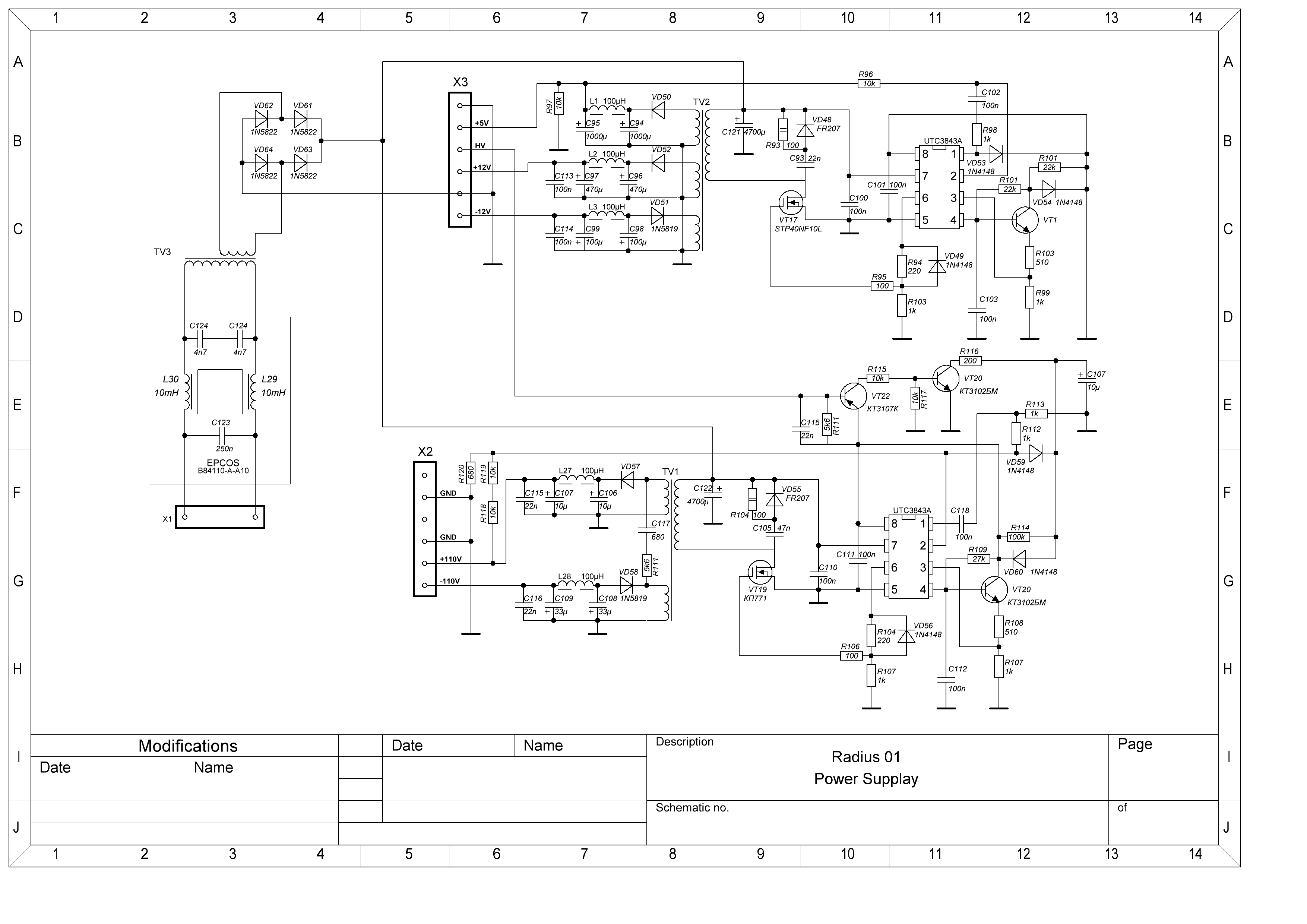
Я перерисовал Вашу схему и исправил ошибку в районе транзистора VT22. Походу изменил топографию, удобную для радиолюбителей.
8182226.gif (153.7 Kb)


Как тяжело в зоопарке работать...
 
gordiukДата: Воскресенье, 13.Май.2018, 10:30 | Сообщение # 35
Стажер
У вас сообщений: 26
инженер
OFFлайн
Казахстан

Алма-Ата
Это исправленная схема, которую я постарался отрисовать без ошибок. В схеме могут бить не точные номиналы SMD-конденсаторов и индуктивностей. Предыдущая, с ошибками, схема опубликована здесь: http://www.medteh.info/forum/34-11605-1
Здесь выкладываю схему в двух вариантах. Производителям электронного оборудования советую выкладывать свои схемы.
.

Уважаемые коллеги!
Я опубликовал новую схему блока питания. Смотреть здесь: - http://www.medteh.info/forum/34-16733-1
.
6643919.gif (61.6 Kb) · Radius01_PS_.spl7 (101.9 Kb)


Как тяжело в зоопарке работать...
 
МВРДата: Воскресенье, 13.Май.2018, 14:42 | Сообщение # 36
Медтехник
OFFлайн
Российская Федерация

.
gordiuk, Сергей, Ваше сообщение №35, а ранее №1 в той Вашей личной теме, которая присоединена к этой специализированной, обращено в будущее, к коллегам, которым Ваша информация может пригодиться.

На Форуме Вы позиционировали себя как "инженер" ... Однако, работник в должности инженера-медтехника, если он с инженерным сознанием, то понимает, что не надо плодить на Форуме много тем об одной и той же единице медицинской техники (МТ), т.к. со временем другим коллегам-медтехникам будет крайне затруднительно "рыться" на Форуме, ища сначала на нём темы про интересуемую МТ, а затем в каждой из этого вариантного множества тем о ней, ответ на свой вопрос, связанный с этой МТ ...
А ведь можно, не мудря с созданием личной, параллельной по своей сути, темки, ВСЁ про конкретный аппарат/установку писать в одной теме ... И это будет по-инженерному ...

Вы уже, после этой Вашей темы (в 10-30 ), разместили (в 10-34 ) сообщение-ссылку в уже имеющуюся тему (нужную) про аппараты серии "Радиус" ... За Вашу полезную для многих информацию Вам спасибо! ... Но надо было сразу же Вашу информацию и размещать в ней, а так (видимо, не подумав) наплодилась параллельная по своему существу темка …
Надеюсь, Вам понятно, о чём я?! ...

К Вашему, gordiuk, сведению и сведению других участников: Ваше сообщение/пост в любой выбранной Вами нужной/подходящей по виду/типу оборудования и/или тематике теме любого раздела/подраздела Форума в любом случае будет первым в анонсе этого подраздела и на ленточном форуме! ... И это будет новая в уже существующую тему информация (информация, вопрос, просьба) от вас для всех!!! ...

 
RomualdДата: Вторник, 15.Май.2018, 15:44 | Сообщение # 37
Техник
У вас сообщений: 440
ремонт медоборудования
OFFлайн
Российская Федерация

Липецк
Очень к стати, как раз на ремонте такой БП - нет 110 вольт, транзистор живой, ШИМ работает, вроде, шоттки в утечке ... Буду рыть дальше!

.


...пусть спасёт лишь того, кого можно спасти...
 
_Dik_Дата: Понедельник, 15.Апр.2019, 17:30 | Сообщение # 38
Стажер
У вас сообщений: 34
КИП
OFFлайн
Украина

Черновцы
Подскажите, пожалуйста, в выходном каскаде данного аппарата стоят все одинаковые мелкие транзисторы КТ6116, принесли рытый.
Может есть схемка выходного каскада?
Схему из хранилища достать не получилось.
 
magicfire1984Дата: Вторник, 16.Апр.2019, 22:32 | Сообщение # 39
Стажер
У вас сообщений: 21
Специалист по ремонту
OFFлайн
Российская Федерация

Москва
Munlik, проверь конденсаторы в обвязке транзисторов. Обычно если есть пробой конденсатор то греться транс и транзисторы
 
_Dik_Дата: Вторник, 23.Апр.2019, 08:43 | Сообщение # 40
Стажер
У вас сообщений: 34
КИП
OFFлайн
Украина

Черновцы
С транзисторами разобрался - КТ3102+3107.
 
  • Страница 1 из 2
  • 1
  • 2
  • »
Поиск:



Статистика Форума
Последние обновления тем: Новые файлы хранилища: Новые участники: Top10 участников:
1. Механическая пипетка ...[vladi (10.Ноя.2025)]
2. Стерилизатор паровой ...[Ан2рей (10.Ноя.2025)]
3. Дозатор шприцевой Аit...[Feniks (10.Ноя.2025)]
4. УЗИ Logiq C5 ф.GE Med...[saddam-095 (09.Ноя.2025)]
5. КУПЛЮ/ПРИМУ в дар зап...[arslan (09.Ноя.2025)]
6. Центрифуга CM-6M ф.El...[vladi (08.Ноя.2025)]
7. Биохимический анализа...[Nadebor (08.Ноя.2025)]
8. УЗИ SonoAce Pico ф.Sa...[arslan (05.Ноя.2025)]
9. Система автомат. капи...[AntonioPetty (05.Ноя.2025)]
1. VIVIX Setup Operation...[12.Окт.2025]
2. GenwareMP[10.Сен.2025]
3. Настройка реагентов M...[20.Авг.2025]
4. Philips HD3-EXP[13.Авг.2025]
5. Рентгеновское оборудо...[08.Авг.2025]
6. VersaMed iVent201 Сер...[13.Фев.2025]
7. Гелпик КРД Ренекс РЦ ...[09.Фев.2025]
8. Офтальмологическая ус...[31.Окт.2024]
9. Cardinal-Health-VELA-...[03.Окт.2024]
10. Service Manual HAMILT...[02.Окт.2024]
1. miguelsiloven1979[12.Ноя.2025]
2. Reninmarket[11.Ноя.2025]
3. ChainScroll[11.Ноя.2025]
4. Wasted87[11.Ноя.2025]
5. Djegocg[11.Ноя.2025]
6. ewgen[11.Ноя.2025]
7. Pechernyy[10.Ноя.2025]
8. OSV_9838149[10.Ноя.2025]
9. Alexy02[10.Ноя.2025]
10. Konstantin777[09.Ноя.2025]
МастерБаку[583]
Yulana34[177]
Serg74[160]
Dimitrius[129]
naves[122]
РОМУЛ[121]
bektyish[121]
madmac[116]
Алекс-200[114]
begun_a[112]