[ Новые сообщения · Участники · Правила форума · Поиск · RSS ]



  • Страница 3 из 5
  • «
  • 1
  • 2
  • 3
  • 4
  • 5
  • »
Модератор форума: genvik, енот, evven, babysh-m  
Аппарат магнитотерапии "Алмаг-01"
МВРДата: Вторник, 24.Май.2011, 12:29 | Сообщение # 1
Медтехник
OFFлайн
Российская Федерация

.
Эта тема является результатом объединения многочисленных личных эгоистичных тем авторов, созданных с 2011 года, объединённых в эту тему для того, чтобы в будущем облегчить участникам Форума медтехников поиск ответов на их текущие вопросы.
Одно дело, рыскать по всему форуму с бесчисленным в нём количеством тем о разнообразном оборудовании различных тематик в поисках тем об искомом аппарате (а их насоздано множество), найдя которые, ещё и каждую прочитать. Другое дело, прочитать только одну тему про нужный аппарат, и уже только в ней искать ответ на свой вопрос ...

В этой теме собрана вся найденная на Форуме информация об аппарате магнитотерапии "Алмаг-01".

Все вопросы, тем или иным образом, касающиеся аппарата, на которые в теме не найдены ответы, и ответы на них необходимо размещать только в этой ТЕМЕ !!! Тем самым, вы намного облегчите другим участникам и посетителям Форума поиск ответов на их вопросы. Да, и просто в получении полезной практической информации об этом аппарате, и о проблемах связанных с ним.


Не мусорьте на Форуме своими личными темками!

И не плодите посты-хвосты через каждые 5-20 минут, удлиняя своими монологами тему. Если надо исправить что-то в сообщении или дополнить в тему новую информацию, и ваше сообщение крайнее - пользуйтесь редактированием этого крайнего сообщения, для этого есть кнопка: "Изменить" под вашим сообщением (постом).

К сведению: при размещении Вашего сообщения (вопроса/просьбы) в этой теме о проблемах в вашем "Алмаг-01", или с ним связанных, оно становится первым в текущем анонсе подраздела, и также автоматически размещается на текущей странице ленточного форума ... Поэтому все участники, открыв анонс, видят Ваше сообщение (вопрос/просьбу)! ...
А вот захотят ли за Вас поработать - и, в том числе, "порыться" на Форуме и в Интернете? ...

На будущее: и по другим видам/типам МТ старайтесь меньше плодить тем - ищите ту, в которой уместно поместить своё сообщение (пост). Ведь в последующем, другие участники в поисках ответов на свои вопросы (прежде чем, не подумав, "гордо" откроют свою темку) "зароются" во множестве вариантных тем про один и тот же аппарат/установку ...
А ведь можно ВСЁ про конкретный аппарат/установку писать в ОДНОЙ теме ... И это будет по инженерному ...

Форум в целом не должен быть свалкой непродуманных и/или безграмотно изложенных вопросов и сиюминутных мыслей, укороченных и/или примитивно изложенных до непонимания другими, в том числе, и в виде междометий и смайликов, со множеством тем в разных вариантах об одних и тех же аппаратах! ... Что не достойно медтехников при их техническом общении на нашем Форуме, а особенно ПОЗОРНО для медтехников на инженерных должностях ...
.

Есть темы:
- Алмаг-01Н;
- Алмаг-02;
- Алмаг-2.
 
serg_42Дата: Пятница, 05.Июн.2015, 07:13 | Сообщение # 81
Стажер
У вас сообщений: 16
ЦПШ
OFFлайн
Российская Федерация

Новокузнецк
Цитата yblod5 ()


...умнейший дядька,...

Дык, и на старуху бывает проруха...
Щас ещё раз посмотрел даташиты на pic12 - по сбросу подтягивающие резисторы отключены, железобетонно.
Предохранители в стоковом варианте будут гореть, шансов нет.
Надо навешивать дополнительные резисторы.
 
yblod5Дата: Пятница, 05.Июн.2015, 08:58 | Сообщение # 82
У вас сообщений: 788
Сервис-инженер
OFFлайн
Российская Федерация

Владивосток
только что принесли из той-же партии. На выходе МК высокие уровни стоят. Пр-ль цел. Импульсов нет. На 4 ноге(GP3) что-то мне не нравится импульс
1761644.jpg (175.3 Kb)


Сообщение отредактировал yblod5 - Пятница, 05.Июн.2015, 08:59
 
serg_42Дата: Пятница, 05.Июн.2015, 09:11 | Сообщение # 83
Стажер
У вас сообщений: 16
ЦПШ
OFFлайн
Российская Федерация

Новокузнецк
Цитата yblod5 ()


Импульсов нет.


Если я правильно разобрался в осциллограмме, нижний уровень синхронизации 50 Гц высоковат.
R6 не в обрыве?
Pic12 выставил высокие уровни на выходах и теперь ждет синхронизации, но не находит её, поэтому и молчит.
 
yblod5Дата: Пятница, 05.Июн.2015, 09:26 | Сообщение # 84
У вас сообщений: 788
Сервис-инженер
OFFлайн
Российская Федерация

Владивосток
ха, я то-же так сперва подумал, когда предыдущий Алмаг ковырял, у которого низкие уровни были на выходе а на 4 ноге что-то похожее. Когда откинул саму ножку МК -импульс стал как надо. Так что дело не в обвязке. Пока на всякий случай ещё раз проверю R6,С5. Не хочется лишний раз пояльником тыкаться. Тут явная закономерность. Все Алмаги за 09.14г.
Цитата
то я бы однозначно вколхозил бы туда 4 резистора

мешаться будут, скорее они прошивают МК уже на плате через XP1


Сообщение отредактировал yblod5 - Пятница, 05.Июн.2015, 09:45
 
serg_42Дата: Пятница, 05.Июн.2015, 09:45 | Сообщение # 85
Стажер
У вас сообщений: 16
ЦПШ
OFFлайн
Российская Федерация

Новокузнецк
Корявая схема.
По сути, в момент включения и постепенного заряда С4, импульсы синхронизации будут восприниматься как попытка перевода контроллера в режим программирования по режиму "сначала Vpp, потом Vdd".
Это не есть айс.

Ибо:



Сообщение отредактировал serg_42 - Пятница, 05.Июн.2015, 09:55
 
yblod5Дата: Пятница, 05.Июн.2015, 09:56 | Сообщение # 86
У вас сообщений: 788
Сервис-инженер
OFFлайн
Российская Федерация

Владивосток
что гадать, было у меня множество в ремонте Алмагов на МК с такой-же схематикой (более десятка разных годов), и ни в одном МК не ломался. А тут 3шт. гарантийных подряд.
 
serg_42Дата: Пятница, 05.Июн.2015, 10:00 | Сообщение # 87
Стажер
У вас сообщений: 16
ЦПШ
OFFлайн
Российская Федерация

Новокузнецк
Цитата yblod5 ()


мешаться будут, скорее они прошивают МК уже на плате через XP1


Не, не будут.
Эти резисторы для программатора - что слону дробина biggrin
 
yblod5Дата: Пятница, 05.Июн.2015, 10:09 | Сообщение # 88
У вас сообщений: 788
Сервис-инженер
OFFлайн
Российская Федерация

Владивосток
пятница, шестой час, я домой, и её на х , в понедельник продолжу
 
gvДата: Воскресенье, 07.Июн.2015, 14:27 | Сообщение # 89
Стажер
У вас сообщений: 19
нет
OFFлайн
Российская Федерация

Новокузнецк
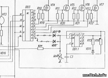
странно, по схеме R14 а на печатной плате R24

у меня на плате нет R14 а есть R24 но удя по схеме это тоже сопротивление, ситуация такая я выпаиваю его ничего не работает, горит зеленый диод питания а желтый сразу тухнет, как только впаиваю обратно система пару раз отрабатывает нормально и потом та-же ерунда

фото платы
4919420.jpg (170.9 Kb)
 
gvДата: Воскресенье, 07.Июн.2015, 14:28 | Сообщение # 90
Стажер
У вас сообщений: 19
нет
OFFлайн
Российская Федерация

Новокузнецк
еще
4634733.jpg (222.3 Kb)
 
serg_42Дата: Воскресенье, 07.Июн.2015, 15:11 | Сообщение # 91
Стажер
У вас сообщений: 16
ЦПШ
OFFлайн
Российская Федерация

Новокузнецк
Цитата gv ()
фото платы
Тут только верхи. Нижнюю сторону тоже надо.
 
yblod5Дата: Воскресенье, 07.Июн.2015, 15:37 | Сообщение # 92
У вас сообщений: 788
Сервис-инженер
OFFлайн
Российская Федерация

Владивосток
Цитата gv ()
ситуация такая я выпаиваю его ничего не работает, горит зеленый диод питания а желтый сразу тухнет, как только впаиваю обратно система пару раз отрабатывает нормально и потом та-же ерунда

Поясните: с какой целью вы проводили эту манипуляцию (выпаивание R24)?
Цитата
странно, по схеме R14 а на печатной плате R24

ничего странного, просто схема не к этой плате.


Сообщение отредактировал yblod5 - Воскресенье, 07.Июн.2015, 15:41
 
serg_42Дата: Воскресенье, 07.Июн.2015, 15:46 | Сообщение # 93
Стажер
У вас сообщений: 16
ЦПШ
OFFлайн
Российская Федерация

Новокузнецк
Цитата yblod5 ()


...(выпаивание R24)?


Автор решил, что это лишний (рудиментарный) резистор R14 (см. мой пост на 1-й странице).
А по факту это и есть перемычка между 11-й ногой DD3 и 2-й ногой DD1.1.

Но я на этих фото пока не вижу футпринта того самого R14... А он, судя по разводке, таки должен быть...


Сообщение отредактировал serg_42 - Воскресенье, 07.Июн.2015, 15:53
 
yblod5Дата: Воскресенье, 07.Июн.2015, 16:12 | Сообщение # 94
У вас сообщений: 788
Сервис-инженер
OFFлайн
Российская Федерация

Владивосток
Цитата serg_42 ()
пока не вижу футпринта

кто такой футпринт? My WebPage
были некоторые изменения:
3161673.png (90.1 Kb)


Сообщение отредактировал yblod5 - Воскресенье, 07.Июн.2015, 16:24
 
serg_42Дата: Воскресенье, 07.Июн.2015, 16:31 | Сообщение # 95
Стажер
У вас сообщений: 16
ЦПШ
OFFлайн
Российская Федерация

Новокузнецк
Цитата yblod5 ()
кто такой футпринт?
Сорри за сленг! Отпечаток ног, след, место куда он должен быть припаян.
Контактные площадки для пайки:

 
gvДата: Воскресенье, 07.Июн.2015, 17:51 | Сообщение # 96
Стажер
У вас сообщений: 19
нет
OFFлайн
Российская Федерация

Новокузнецк
yblod5, вы можете разместить схему со всеми поправками к этой плате
 
gvДата: Воскресенье, 07.Июн.2015, 18:20 | Сообщение # 97
Стажер
У вас сообщений: 19
нет
OFFлайн
Российская Федерация

Новокузнецк
2 фотки платы но там нет сопротивления R14
1929571.jpg (158.3 Kb) · 6416268.jpg (115.7 Kb)
 
serg_42Дата: Воскресенье, 07.Июн.2015, 18:48 | Сообщение # 98
Стажер
У вас сообщений: 16
ЦПШ
OFFлайн
Российская Федерация

Новокузнецк
Цитата gv ()
...там нет сопротивления R14
Да, сопротивления нет, но место под него таки есть! Вот оно:



Надо по любому осциллограммы снимать, где-то косяк, ибо чудес не бывает...
 
gvДата: Воскресенье, 07.Июн.2015, 18:57 | Сообщение # 99
Стажер
У вас сообщений: 19
нет
OFFлайн
Российская Федерация

Новокузнецк
а гипотезы о нахождения косяка есть ??? biggrin
 
yblod5Дата: Понедельник, 08.Июн.2015, 00:40 | Сообщение # 100
У вас сообщений: 788
Сервис-инженер
OFFлайн
Российская Федерация

Владивосток
Нужен осциллоскоп My WebPage
5892730.jpg (222.9 Kb)
 
serg_42Дата: Понедельник, 08.Июн.2015, 03:13 | Сообщение # 101
Стажер
У вас сообщений: 16
ЦПШ
OFFлайн
Российская Федерация

Новокузнецк
Цитата gv ()

а гипотезы о нахождения косяка есть ???

Ну, начинать надо с питания, ибо если схему плохо кормить, то она и работать будет аналогично.
Надо последить за напряжением на С2. Должно быть примерно 12.6 В, причем оно не должно менять на всем протяжении этого глюка:

Цитата gv ()
система пару раз отрабатывает нормально и потом та-же ерунда

Если там не 12,6 В, или напряжение уплывает, то искать косяк в районе VT2
А также очень внимательно посмотреть на C1, ибо R1 просто так сгорать не должно.
 
serg_42Дата: Понедельник, 08.Июн.2015, 08:23 | Сообщение # 102
Стажер
У вас сообщений: 16
ЦПШ
OFFлайн
Российская Федерация

Новокузнецк
creyt, полностью с Вами согласен!
В посту N54 я автору это уже предложил.
200 МГц-овый USB осциллограф у меня есть, сетевая развязка тоже есть.
 
yblod5Дата: Понедельник, 08.Июн.2015, 08:39 | Сообщение # 103
У вас сообщений: 788
Сервис-инженер
OFFлайн
Российская Федерация

Владивосток
Порядок известен, инфы достаточно, gv нужны творческие муки и радость озарения!
Цитата creyt ()
на этой перепаханой плате

да она ещё свежая!
 
creytДата: Понедельник, 08.Июн.2015, 11:40 | Сообщение # 104
У вас сообщений: 546
техник
OFFлайн
Российская Федерация

Кузня
Цитата yblod5 ()
да она ещё свежая

ненадолго biggrin


у меня все диоды болят
 
serg_42Дата: Понедельник, 08.Июн.2015, 12:10 | Сообщение # 105
Стажер
У вас сообщений: 16
ЦПШ
OFFлайн
Российская Федерация

Новокузнецк
Цитата creyt ()


ненадолго biggrin


creyt, да ладно! Хорош троллить парня!
Давай вспомним своё детство золотое


Сообщение отредактировал serg_42 - Понедельник, 08.Июн.2015, 12:11
 
gvДата: Среда, 17.Июн.2015, 19:46 | Сообщение # 106
Стажер
У вас сообщений: 19
нет
OFFлайн
Российская Федерация

Новокузнецк
serg_42 спасибо что помогли и подправили мои косяки biggrin и вселили надежды что руки мои выпрямятся blush
всем спасибо
 
serg_42Дата: Четверг, 18.Июн.2015, 05:06 | Сообщение # 107
Стажер
У вас сообщений: 16
ЦПШ
OFFлайн
Российская Федерация

Новокузнецк
gv, машинка перестал подвисать?

Кстати, кто будет включать Алмаги через разделительный трансформатор для проверки осциллографом, то имеет смысл временно откинуть 5-й (общий) провод на катушки.
Ибо работа прибора на положительной полуволне нехило намагничивает разделительный трансформатор.
Из-за этого осцилограммы очень серьёзно плывут + не моргают светодиоды в катушках + магнитятся сами катушки.

P.S.
дело не в руках, а в инструментах для SMD. Без оного тяжко.
Звони, если что.
 
black_furyДата: Вторник, 23.Июн.2015, 09:58 | Сообщение # 108
Техник
У вас сообщений: 568
Инженер по ремонту мед.оборудования
OFFлайн
Российская Федерация

Челябинск
Вышел из строя диод VD2?, сопротивление 1-2 катушек 130 Ом, 3-4 45 Ом, думаю что замена диода на долго не спасёт, предохранитель живой, ещё последний резистор в датчике выдаёт 1,3 вместо 2,2 Ом критично? Что посоветуете?
 
yblod5Дата: Вторник, 23.Июн.2015, 10:44 | Сообщение # 109
У вас сообщений: 788
Сервис-инженер
OFFлайн
Российская Федерация

Владивосток
Цитата black_fury ()
сопротивление 1-2 катушек 130 Ом, 3-4 45 Ом

а почему так? не настораживает?
 
black_furyДата: Вторник, 23.Июн.2015, 11:13 | Сообщение # 110
Техник
У вас сообщений: 568
Инженер по ремонту мед.оборудования
OFFлайн
Российская Федерация

Челябинск
yblod5, настораживает, но суть проблемы забыл описать, аппарат работает 2 минуты и выключается, то есть индикаторы на датчиках. Какой-то мастер замутил переделку, 2 доп. провода пустил, возможно обрыв в старых был и он решил так выкрутится, но провода все норм!
 
yblod5Дата: Вторник, 23.Июн.2015, 11:21 | Сообщение # 111
У вас сообщений: 788
Сервис-инженер
OFFлайн
Российская Федерация

Владивосток
Цитата black_fury ()
аппарат работает 2 минуты и выключается

устраните сперва эту :
Цитата black_fury ()
сопротивление 1-2 катушек 130 Ом, 3-4 45 Ом
 
black_furyДата: Вторник, 23.Июн.2015, 13:11 | Сообщение # 112
Техник
У вас сообщений: 568
Инженер по ремонту мед.оборудования
OFFлайн
Российская Федерация

Челябинск
yblod5, хорошо, ещё бы кто подсказал с чего начинать, не судите строго, просто сейчас болею, температура за 38 и башка варит на 50%... ireful
 
yblod5Дата: Вторник, 23.Июн.2015, 13:54 | Сообщение # 113
У вас сообщений: 788
Сервис-инженер
OFFлайн
Российская Федерация

Владивосток
как инженер "иженеру" устраните сперва эту проблему:
Цитата black_fury ()
сопротивление 1-2 катушек 130 Ом, 3-4 45 Ом
если это точно катушки поплавились и коротят(а это проверяется проверкой с отпаиванием от внешней схемы и не только на сопротивление но и на индуктивность путём сравнения, чтоб были индентичны), то это может вызывать завышение потребляемого тока и как следствие срабатывание самовосстанавливающегося предохранителя. Поменяйте гибкий кабель идуктора в нём 90% всех проблем, даже если он звонится как надо и внешне цел. Под оболочкой в месте излома происходит разогрев, обугливание проводников, вызывая замыкание с соседними жилами при изгибах и кручении.
 
rodnmuzvnДата: Четверг, 25.Июн.2015, 12:34 | Сообщение # 114
Участник
У вас сообщений: 216
инженер по медоборудованию
OFFлайн
Российская Федерация

Ростов-на-Дону
Добрый день, коллеги! Не было поля в первом электроде. Прочитал Ваш FAQ, спасибо. В моем — обрыв провода (не звонится в блоке). 1. Согласно FAQ, обязательно ли выходят из строя транзисторы, сравниваю выходные цепи, все одинаковы. 2. Как выходят из положения, если требуется замена кабеля? Спасибо.
 
yblod5Дата: Четверг, 25.Июн.2015, 13:32 | Сообщение # 115
У вас сообщений: 788
Сервис-инженер
OFFлайн
Российская Федерация

Владивосток
Цитата rodnmuzvn ()
обязательно ли выходят из строя транзисторы

1.при обрыве никогда, при неполном обрыве(когда бывает касание и искрение в месте излома) то иногда, при межпроводном замыкании в месте прогара почти всегда а следом предохранитель.
2.
6156351.png (95.6 Kb)
 
serg_42Дата: Суббота, 27.Июн.2015, 15:01 | Сообщение # 116
Стажер
У вас сообщений: 16
ЦПШ
OFFлайн
Российская Федерация

Новокузнецк
Ну, получил от автора СМС-ку, что прибор работает.
Как бы тут всё понятно.
Интерес вызывает другое - почему сгорел R1?
Автор говорит, что взорвался сетевой фильтр TV1 и рассыпался феррит.
Я так думаю (чисто ИМХО) что ситуация развивалась следующим образом:
1) Рассыпался кЕтайский феррит фильтра TV1.
2) Стягивающая этот феррит металлическая планка удачно замкнула C1
3) Через R1 потек пиковый ток порядка 300 мА, который естественно спалил диод VD3, стабилитрон VD4 и переход база-эмиттер VT2.

Ну а дальше мы знаем.

Кстати, сейчас схема прекрасно работает без этого феррита, тупо на двух оставшихся от TV1 катушках.


Сообщение отредактировал serg_42 - Суббота, 27.Июн.2015, 15:03
 
yblod5Дата: Суббота, 27.Июн.2015, 17:08 | Сообщение # 117
У вас сообщений: 788
Сервис-инженер
OFFлайн
Российская Федерация

Владивосток
Цитата serg_42 ()
Рассыпался кЕтайский феррит фильтра TV1.

легко! Положите фильтр на катушку индуктора, будет прыгать и греться. Не уверен, но если включить так как он лежит в упаковке минут на 20.


Сообщение отредактировал yblod5 - Суббота, 27.Июн.2015, 17:13
 
romavntsДата: Четверг, 09.Июл.2015, 14:05 | Сообщение # 118
Заглянувший
У вас сообщений: 1
Ремонт компьютеров и эл-ки
OFFлайн
Российская Федерация

Новосибирск
Спасибо за FAQ и список деталей.
Рекомендую также проверять и пропаивать соединения на монтажных платах всех четырёх катушек. В моём случае в двух случаях был непропай (провод фактически болтался в отверстии) концов, которые идут из катушек.
Я не нашёл ПМТП-5, вышел из положения тем, что укоротил существующий. В моём случае частичные разрывы провода наблюдались в 9 местах, причём не только рядом с входом в катушки/блок, а и в 15 см от них.

P.S. Качество изготовления и беззащитность схемы/пользователя при такой стоимости самого прибора запредельно низкие.
 
YRA46Дата: Пятница, 10.Июл.2015, 07:57 | Сообщение # 119
Стоматология, Стерилизация
OFFлайн
Российская Федерация

г. Курск
Цитата romavnts ()
Я не нашёл ПМТП-5, вышел из положения тем, что укоротил существующий

Как правило ненадолго помагает. Много зависит от того как эксплуатируют-складывают после процедур.
Раз принесли ремонтировать с установленным ПВС 5х1,0 кв.мм. biggrin навека так сказать.
 
black_furyДата: Пятница, 10.Июл.2015, 20:00 | Сообщение # 120
Техник
У вас сообщений: 568
Инженер по ремонту мед.оборудования
OFFлайн
Российская Федерация

Челябинск
YRA46, так что это получается, надо всю проводку менять между индукторами?!
 
  • Страница 3 из 5
  • «
  • 1
  • 2
  • 3
  • 4
  • 5
  • »
Поиск:



Статистика Форума
Последние обновления тем: Новые файлы хранилища: Новые участники: Top10 участников:
1. Анализатор поля зрени...[SpirituS (04.Дек.2025)]
2. Программный комплекс ...[mqubali (04.Дек.2025)]
3. Кардиорегистратор «ИК...[albano18 (04.Дек.2025)]
4. Thermo Scientific gem...[viggen (03.Дек.2025)]
5. Центрифуга CM-6M ф.El...[Ningen64 (03.Дек.2025)]
6. Дефибриллятор Defi B ...[san-che30 (02.Дек.2025)]
7. Коллиматор Ralco R 22...[seeker (02.Дек.2025)]
8. КУПЛЮ/ПРИМУ в дар при...[seabee (02.Дек.2025)]
9. Центрифуга MiniSpin P...[AntonioPetty (01.Дек.2025)]
1. VIVIX Setup Operation...[12.Окт.2025]
2. GenwareMP[10.Сен.2025]
3. Настройка реагентов M...[20.Авг.2025]
4. Philips HD3-EXP[13.Авг.2025]
5. Рентгеновское оборудо...[08.Авг.2025]
6. VersaMed iVent201 Сер...[13.Фев.2025]
7. Гелпик КРД Ренекс РЦ ...[09.Фев.2025]
8. Офтальмологическая ус...[31.Окт.2024]
9. Cardinal-Health-VELA-...[03.Окт.2024]
10. Service Manual HAMILT...[02.Окт.2024]
1. Intellect[05.Дек.2025]
2. Romanivanov[05.Дек.2025]
3. igogoigogo[05.Дек.2025]
4. 1rishka[04.Дек.2025]
5. L_V_N[04.Дек.2025]
6. ИвановИИ[04.Дек.2025]
7. Alex_U[04.Дек.2025]
8. Yarikus03[03.Дек.2025]
9. EvaLen[03.Дек.2025]
10. dankurets[03.Дек.2025]
МастерБаку[583]
Yulana34[177]
Serg74[160]
Dimitrius[129]
naves[122]
РОМУЛ[121]
bektyish[121]
madmac[116]
Алекс-200[114]
begun_a[112]