[ Новые сообщения · Участники · Правила форума · Поиск · RSS ]



  • Страница 1 из 3
  • 1
  • 2
  • 3
  • »
Модератор форума: dima_perikov, YRA46  
Стоматустановка Satva T5
NovalДата: Пятница, 21.Сен.2018, 18:07 | Сообщение # 1
Стажер
У вас сообщений: 47
средняя
OFFлайн
Украина

Николаев
Здравствуйте!
Я врач-стоматолог.

После того как я перестаю нажимать на ножную педаль управления микромотором, он по инерции, ещё несколько секунд вращается, пока не остановится полностью.
Это не очень хорошо, так как в экстренных случаях (не дай Бог) необходима моментальная остановка микромотора сразу после прекращения нажатия на педаль.
В данный момент хочу заменить свой инерционный микромотор российского производства, на более качественный, безинерционный.

Нигде в описании этой опции не обнаружил на сайтах указания на безинерционность.
Получается, что все микромоторы безинерционные, или наоборот имеют остаточное вращение, поэтому и не указаны в описании товара.

У меня к уважаемому сообществу медтехников несколько вопросов:

1)Есть ли в природе безинерционные микромоторы?
Комплект микромотор, рукав, плата стоит от 1000$ и выше. Не хочется покупать ту проблему, что уже имею.

2)Как, при покупке определить, что это именно тот микромотор, который я ищу? Безинерционный.

3)Достаточно ли, при замене микромотора на стомат. установке поменять лишь сам микромотор и гибкий рукав (шланг) и подсоединить его к старой плате управления, или оригинальная плата для нового микромотора обязательна?
Прошу Вашей помощи.


Сообщение отредактировал Noval - Пятница, 21.Сен.2018, 18:12
 
Yulana34Дата: Пятница, 21.Сен.2018, 19:22 | Сообщение # 2
У вас сообщений: 2580
Электро-сантехник
OFFлайн
Российская Федерация

Волгоград
Noval,
Ни один производитель не озаботился этой проблемой.
Может у вас проблемы не с мотором, а с педалью? Какая у вас установка?
Мотор должен соответствовать как минимум плате управления. (желательна пара, плата-мотор)
 
NovalДата: Пятница, 21.Сен.2018, 20:19 | Сообщение # 3
Стажер
У вас сообщений: 47
средняя
OFFлайн
Украина

Николаев
Уважаемый Yulana34, благодарю Вас за ответ!
Цитата Yulana34 ()
Может у вас проблемы не с мотором, а с педалью? Какая у вас установка?

"Satva" T5. Педаль "лягушка" (круглая).
Кажется она пневматическая.
Может пневматический клапан педали медленно срабатывает?
На прикреплённом фото видна и педаль и микромоторы ДПР.
Установка такая, но опции панели врача другие:
https://satva.com.ua/catalog/satva-kombi-t5/

Цитата Yulana34 ()
Ни один производитель не озаботился этой проблемой.

Получается, что такой опции как безинерционность в микромоторе, по умолчанию, нет?

Говорил с нашим электриком. он сказал, что проблема не в плате, а в микромоторе.
У меня инерционный, а надо безинерционный.
Я в этих делах не разбираюсь.
Решил спросить у Вас.
1665253.png (937.7 Kb) · 9019373.png (848.2 Kb)


Сообщение отредактировал Noval - Пятница, 21.Сен.2018, 21:46
 
МастерБакуДата: Пятница, 21.Сен.2018, 22:04 | Сообщение # 4
У вас сообщений: 11269
инженер
OFFлайн
Российская Федерация

Нижний Новгород
дайте фото внутренностей стола врача ,- есть мысль
 
NovalДата: Пятница, 21.Сен.2018, 22:21 | Сообщение # 5
Стажер
У вас сообщений: 47
средняя
OFFлайн
Украина

Николаев
Цитата МастерБаку ()
дайте фото внутренностей стола врача ,- есть мысль

Поднять крышку блока врача и сделать фото?
Завтра буду на работе и сфотографирую.
Только Ваш форум не позволяет загружать большие фото.


Сообщение отредактировал Noval - Пятница, 21.Сен.2018, 22:22
 
МастерБакуДата: Пятница, 21.Сен.2018, 23:21 | Сообщение # 6
У вас сообщений: 11269
инженер
OFFлайн
Российская Федерация

Нижний Новгород
Цитата Noval ()
Поднять крышку блока врача и сделать фото?
- да
Цитата Noval ()
форум не позволяет загружать большие фото.
уменьшите вес фото
 
NovalДата: Суббота, 22.Сен.2018, 00:08 | Сообщение # 7
Стажер
У вас сообщений: 47
средняя
OFFлайн
Украина

Николаев
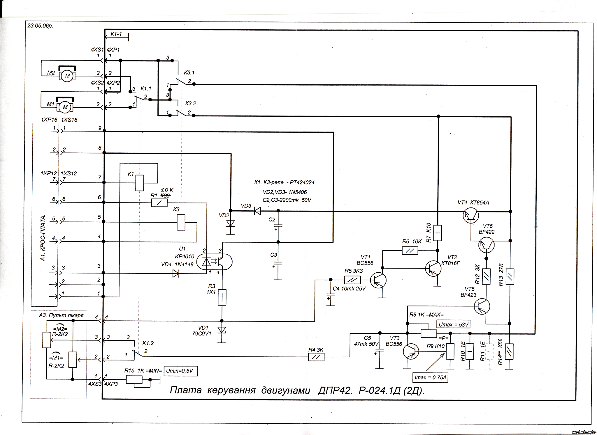
На компьютере нашел схемы установки Satva:
6188221.png (1.03 Mb) · 5873831.png (1.06 Mb)


Сообщение отредактировал Noval - Суббота, 22.Сен.2018, 00:10
 
NovalДата: Суббота, 22.Сен.2018, 00:11 | Сообщение # 8
Стажер
У вас сообщений: 47
средняя
OFFлайн
Украина

Николаев
Ещё одна схема:

Фото завтра.
2609094.png (1.88 Mb)


Сообщение отредактировал Noval - Суббота, 22.Сен.2018, 00:12
 
bektyishДата: Суббота, 22.Сен.2018, 07:18 | Сообщение # 9
У вас сообщений: 1876
Электромеханик по слаботочным сетям
OFFлайн
Российская Федерация

Дистрикт 74
https://satva.com.ua/ru/catalog/satva-kombi-t5/ - ДОПОЛНИТЕЛЬНЫЕ ОПЦИИ К УСТАНОВКАМ: «МС2» со спреем (40000 об/мин., «Bien Air») ,«МС2 LED» со спреем и подсветкой (40000 об/мин., «Bien Air») и «МС3 LK» со спреем и подсветкой (40000 об/мин., «Bien Air») - всё уже предусмотрено заводом изготовителем , как и многое другое - Китай или Италия . Noval, вызывайте медтеника , раньше ведь работали на ДПР и никто из врачей не жаловался , по всей видимости у вас что то в схеме . Всё равно , если надумаете менять мотор на «Bien Air» вам придётся с ним иметь дело - у этих моторов есть охлаждение мотора , которого нет на ДПР , да и у большинства корейских моторов .
 
bektyishДата: Суббота, 22.Сен.2018, 07:22 | Сообщение # 10
У вас сообщений: 1876
Электромеханик по слаботочным сетям
OFFлайн
Российская Федерация

Дистрикт 74
"форум не позволяет загружать большие фото." - вы можете разместить его на стороннем ресурсе , а здесь дать ссылку .
 
goscha-belДата: Суббота, 22.Сен.2018, 08:13 | Сообщение # 11
У вас сообщений: 2303
Инженер сервисной службы
OFFлайн
Российская Федерация

Белгород
Цитата МастерБаку ()
дайте фото внутренностей стола врача ,- есть мысль

Игла от шприца? У меня она тоже появилась, когда узнал, что управление пневматической педалью. А ещё желательно узнать плавно ли падают обороты после отпускания педали.
Кстати, моторы ДПР-42, по-моему, ещё советского производства, (такие старые). blush
 
art-i-kДата: Суббота, 22.Сен.2018, 08:26 | Сообщение # 12
У вас сообщений: 1306
стоматология во всех её проявлениях
OFFлайн
Украина

Полтава
Цитата Noval ()
Есть ли в природе безинерционные микромоторы?

Априори не существует unknown
Цитата Noval ()
Может пневматический клапан педали медленно срабатывает?

А может ещё и пнемо/электропереключатель подтормаживает..... yes
Цитата Noval ()
Говорил с нашим электриком. он сказал, что проблема не в плате, а в микромоторе.

В бан его ireful , тем более если не покажет на схеме транзистор отвечающий за скорейшую остановку микромотора после его деактивации.
Цитата Noval ()
при замене микромотора

Цитата Noval ()
ДПР.

Цитата Noval ()
на стомат. установке поменять лишь сам микромотор и гибкий рукав (шланг) и подсоединить его к старой плате управления

Да не дай Бог и ни в коем случае ireful , если не хотите увидеть дымок .
Цитата Noval ()
Комплект микромотор, рукав, плата стоит от 1000$ и выше.

Ну тут Вы загнули- можно вкрутиться в гораздо меньшие деньги, да ещё и приобретя бесколлекторный мотор , да ещё и с внутренним спреем, да ещё и с ЛЕД подсветкой yes
 
goscha-belДата: Суббота, 22.Сен.2018, 08:49 | Сообщение # 13
У вас сообщений: 2303
Инженер сервисной службы
OFFлайн
Российская Федерация

Белгород
Цитата art-i-k ()
А может ещё и пнемо/электропереключатель подтормаживает..... yes

Вот для этого и нужна игла yes , а не для того, что ты подумал blush . Каждый понимает по-своему. biggrin
 
art-i-kДата: Суббота, 22.Сен.2018, 09:17 | Сообщение # 14
У вас сообщений: 1306
стоматология во всех её проявлениях
OFFлайн
Украина

Полтава
Цитата goscha-bel ()
Вот для этого и нужна игла

Думаю, она в этом случае особо не поможет- там недурственный сброс и с педали.
У меня ведь таки от "Сатвы" сертификат под номером 1, прикинь.
 
goscha-belДата: Суббота, 22.Сен.2018, 11:00 | Сообщение # 15
У вас сообщений: 2303
Инженер сервисной службы
OFFлайн
Российская Федерация

Белгород
Цитата art-i-k ()
от "Сатвы" сертификат под номером 1,

Поделись доками, мою почту ты знаешь! blush
 
NovalДата: Суббота, 22.Сен.2018, 15:09 | Сообщение # 16
Стажер
У вас сообщений: 47
средняя
OFFлайн
Украина

Николаев
Всё, фото готовы.
6651396.png (1.29 Mb) · 7491394.png (1.11 Mb)
 
NovalДата: Суббота, 22.Сен.2018, 15:11 | Сообщение # 17
Стажер
У вас сообщений: 47
средняя
OFFлайн
Украина

Николаев
Сфотографировал отдельно схемы.
Чем они управляют, не знаю.
2507631.png (1.32 Mb) · 3163857.png (1.27 Mb)


Сообщение отредактировал Noval - Суббота, 22.Сен.2018, 15:12
 
NovalДата: Суббота, 22.Сен.2018, 15:19 | Сообщение # 18
Стажер
У вас сообщений: 47
средняя
OFFлайн
Украина

Николаев
Последнее фото: три электромагнитных клапана.
Живу в маленьком городке.
Мед.техников специализирующихся на стомат.оборудовании в городе нет.
Поэтому и не покупаю установку с более сложной "начинкой".
Зову своего друга.
Он электрик, правда в автомобильной сфере деятельности.
Блок на два электромотора менял именно он.
Возможно немножко напартачил.
0981574.png (1.07 Mb)
 
NovalДата: Суббота, 22.Сен.2018, 15:36 | Сообщение # 19
Стажер
У вас сообщений: 47
средняя
OFFлайн
Украина

Николаев
Цитата art-i-k ()
В бан его , тем более если не покажет на схеме транзистор отвечающий за скорейшую остановку микромотора после его деактивации.

А может того транзистора и нет вовсе.

Цитата art-i-k ()
Ну тут Вы загнули- можно вкрутиться в гораздо меньшие деньги, да ещё и приобретя бесколлекторный мотор , да ещё и с внутренним спреем, да ещё и с ЛЕД подсветкой


Медицинские сутенёры пытались гнусно поживиться на моем незнании.
Цитата goscha-bel ()
Кстати, моторы ДПР-42, по-моему, ещё советского производства, (такие старые).

Работают пока. Возникало неодолимое желание убрать один из двух микромоторов и поставить дополнительный пневматический шланг для "Sonic Air" и новый микромотор более качественный.
Но... так как помочь мне может лишь друг, электрик по автомобилям, решение задачи оказалась маловыполнимым.
Боязно как-то.
Поэтому и решил обратиться к Вам, профессионалам, дабы помогли в решении сей задачи, а я ему(другу) потом всё покажу.
Или кабинет спалим, или всё получится.


Сообщение отредактировал Noval - Суббота, 22.Сен.2018, 15:46
 
МастерБакуДата: Суббота, 22.Сен.2018, 19:13 | Сообщение # 20
У вас сообщений: 11269
инженер
OFFлайн
Российская Федерация

Нижний Новгород
Цитата Noval ()
Медицинские сутенёры пытались гнусно поживиться на моем незнании
good rofl
док на себя со стороны посмотрите . biggrin

самого главного не вижу . должна быть хрень с одной трубкой и двумя проводами . в трубку вставьте иглу от 5ти гр шприца , ближе к хреновине .


Сообщение отредактировал МастерБаку - Суббота, 22.Сен.2018, 19:14
 
goscha-belДата: Суббота, 22.Сен.2018, 19:37 | Сообщение # 21
У вас сообщений: 2303
Инженер сервисной службы
OFFлайн
Российская Федерация

Белгород
Цитата Noval ()
Возникало неодолимое желание убрать один из двух микромоторов и поставить дополнительный пневматический шланг для "Sonic Air" и новый микромотор более качественный.

Это Ваше желание понятно и в принципе выполнимо, но требует вмешательства специалиста, причём на месте, а не "дистанционно". Попробуйте обратиться к art-i-k, тем более у него
Цитата art-i-k ()
от "Сатвы" сертификат под номером 1
, а может и посоветует
кого-нибудь поближе к Николаеву, (кстати , а Вы где)
 
goscha-belДата: Суббота, 22.Сен.2018, 19:40 | Сообщение # 22
У вас сообщений: 2303
Инженер сервисной службы
OFFлайн
Российская Федерация

Белгород
МастерБаку похоже эта
Цитата МастерБаку ()
хрень с одной трубкой и двумя проводами

находится в гидроблоке. unknown blush
 
NovalДата: Воскресенье, 23.Сен.2018, 01:35 | Сообщение # 23
Стажер
У вас сообщений: 47
средняя
OFFлайн
Украина

Николаев
Благодарю уважаемых форумчан за помощь!

Прошу прощения за столь долгое молчание.
Ездил на подводную охоту.
Обсох немножко и сразу отвечаю.

goscha-bel
Цитата goscha-bel ()
, а может и посоветует
кого-нибудь поближе к Николаеву, (кстати , а Вы где)

Я нахожусь за 200км. от Николаева. Место глубоко секретное. Но Вам, по секрету, скажу. Город Первомайск. Пока название города под декоммунизацию не попало. Для России 200 км, это как к соседу в гости сходить. Для Украины 200км., то сильно далеко.

МастерБаку
Цитата МастерБаку ()
док на себя со стороны посмотрите .

Смотрел уже. И остался сильно доволен и глубоко удовлетворен.

МастерБаку
Цитата МастерБаку ()
самого главного не вижу . должна быть хрень с одной трубкой и двумя проводами . в трубку вставьте иглу от 5ти гр шприца , ближе к хреновине .

goscha-bel
Цитата goscha-bel ()
находится в гидроблоке.

Острым концом в какую степь направлять иголку?
Канюлю иглы срезать, или попытаться впихнуть всё разом? unknown

Я передам Ваши рекомендации своему другу - электрику.
Может он поймет что и куда приспособить. drinks

Если серьёзно.
Какую функцию выполняет игла помещенная в трубку с двумя проводами, в гидроблоке?
И на каком фото, выставленном мною, этот гидроблок показан?


Сообщение отредактировал Noval - Воскресенье, 23.Сен.2018, 01:47
 
МастерБакуДата: Воскресенье, 23.Сен.2018, 07:28 | Сообщение # 24
У вас сообщений: 11269
инженер
OFFлайн
Российская Федерация

Нижний Новгород
всё , я - пас. bye2
 
NovalДата: Воскресенье, 23.Сен.2018, 10:33 | Сообщение # 25
Стажер
У вас сообщений: 47
средняя
OFFлайн
Украина

Николаев
goscha-bel
Цитата goscha-bel ()
Игла от шприца? У меня она тоже появилась, когда узнал, что управление пневматической педалью. А ещё желательно узнать плавно ли падают обороты после отпускания педали.

Обороты падают плавно.
Микромотор продолжает работать после прекращения нажатия на ножную педаль секунд 4-6. Вчера проверял.
Довольно долго.

art-i-k
Цитата art-i-k ()
если не покажет на схеме транзистор отвечающий за скорейшую остановку микромотора после его деактивации.

На моих фото этот транзистор присутствует?

art-i-k
Цитата art-i-k ()
Думаю, она в этом случае особо не поможет- там недурственный сброс и с педали.

Если не поможет манипуляция с иглой?
На что тогда следует обратить внимание?


Сообщение отредактировал Noval - Воскресенье, 23.Сен.2018, 10:50
 
goscha-belДата: Воскресенье, 23.Сен.2018, 10:50 | Сообщение # 26
У вас сообщений: 2303
Инженер сервисной службы
OFFлайн
Российская Федерация

Белгород
Цитата Noval ()
Но Вам, по секрету, скажу. Город Первомайск.

Я спросил не из любопытства, а для того, чтобы art-i-k,
Цитата goscha-bel ()
может и посоветует
кого-нибудь поближе

думал Вы в его сторону.
Фото внутренностей гидроблока Вы конечно не размещали. Что же касается иглы, то обычно её просто втыкают в трубку пневмовыключателя для более быстрого сброса управляющего воздуха. Фото выключателя прикрепил. И ещё пусть Ваш друг проверит как себя ведёт напряжение на моторе при отпускании педали. Удачи , земляк! bye2
2395544.gif (22.8 Kb)
 
NovalДата: Воскресенье, 23.Сен.2018, 10:59 | Сообщение # 27
Стажер
У вас сообщений: 47
средняя
OFFлайн
Украина

Николаев
Цитата goscha-bel ()
думал Вы в его сторону.
Фото внутренностей гидроблока Вы конечно не размещали. Что же касается иглы, то обычно её просто втыкают в трубку пневмовыключателя для более быстрого сброса управляющего воздуха. Фото выключателя прикрепил. И ещё пусть Ваш друг проверит как себя ведёт напряжение на моторе при отпускании педали. Удачи , земляк!

Огромное спасибо Вам и Вашим коллегам за помощь!
Договорился с другом, что сегодня сходим на работу и используем Ваши советы по устранению проблемы.
Посмотрим, что получится.
Он настаивает на том, что все беды заключены в древности микромоторов ДПР.
Пройдем по цепочке.
Может проблема устранится.
 
goscha-belДата: Воскресенье, 23.Сен.2018, 11:08 | Сообщение # 28
У вас сообщений: 2303
Инженер сервисной службы
OFFлайн
Российская Федерация

Белгород
Noval И всё же я бы советовал Вам обратиться к art-i-k, напишите ему ЛС, (здесь на форуме под его постом есть такие буквы).
 
NovalДата: Воскресенье, 23.Сен.2018, 11:20 | Сообщение # 29
Стажер
У вас сообщений: 47
средняя
OFFлайн
Украина

Николаев
Цитата goscha-bel ()
Noval И всё же я бы советовал Вам обратиться к art-i-k, напишите ему ЛС, (здесь на форуме под его постом есть такие буквы).

Сегодня попытаемся сами поколдовать над проблемой.
Коль не получится, обязательно свяжусь с уважаемым art-i-k.
 
goscha-belДата: Воскресенье, 23.Сен.2018, 11:27 | Сообщение # 30
У вас сообщений: 2303
Инженер сервисной службы
OFFлайн
Российская Федерация

Белгород
Цитата Noval ()
свяжусь с уважаемым art-i-k.

Вы правы на 200%, ведь у него сертификат №1 от завода.
 
NovalДата: Воскресенье, 23.Сен.2018, 15:54 | Сообщение # 31
Стажер
У вас сообщений: 47
средняя
OFFлайн
Украина

Николаев
Сходили.
Мастер сказал, что во всём виновата заводская плата "Satva". Мол она не отсекает электричество при прекращении нажатия на пневмопедаль.
Никаких аппаратных замеров не делал.
Потыкал отвёрткой в электромагнитный клапан гидроблока. Сказал, что работает отлично.
Я ему говою:
Давай снимем шланг после клапана и визуально увидим есть ли остаточное травление воздуха.
Даже пёрышко можно приложить, или услышать звук выходящего воздуха, если иных технических средств нет под рукой.
Он сказал, что с клапаном всё в норме.
Я снял турбинный наконечник. Включил на него подачу воздуха и приложил к уху.
После снятия давления на педаль, воздух несколько секунд (2-3сек.) тихо свистел из шланга турбины.
Предполагаю, что проблема не в плате электромоторов, если после остановки нажатия на педаль, продолжается инерционное вращение электромоторов и травление воздуха из шланга турбины.
Мастер взял старую плату от микромоторов домой.
Сказал, что попробует разобраться.
3041720.png (1.11 Mb)


Сообщение отредактировал Noval - Воскресенье, 23.Сен.2018, 17:33
 
Yulana34Дата: Воскресенье, 23.Сен.2018, 18:00 | Сообщение # 32
У вас сообщений: 2580
Электро-сантехник
OFFлайн
Российская Федерация

Волгоград
Noval,
Мой совет своего друга (мастера) от установки гоните, пока не сломали, чего ни будь.
И дождитесь Артура.
 
МастерБакуДата: Воскресенье, 23.Сен.2018, 18:11 | Сообщение # 33
У вас сообщений: 11269
инженер
OFFлайн
Российская Федерация

Нижний Новгород
Цитата Noval ()
Мастер взял старую плату от микромоторов домой.
Сказал, что попробует разобраться.
- пи__ец вашей плате ! shok
при припакованных шлангах нажмите на педаль , при отпускании есть звук пыш ? если нету , - должен быть .
найдите по любому эту хрень и воткните иглу .
 
art-i-kДата: Воскресенье, 23.Сен.2018, 18:25 | Сообщение # 34
У вас сообщений: 1306
стоматология во всех её проявлениях
OFFлайн
Украина

Полтава
Цитата Noval ()
она не отсекает электричество при прекращении нажатия на пневмопедаль.

а эти функции выполняют всего лишь: пневмопедаль и пневмо/электрический преобразователь !!!
Цитата Noval ()
воздух несколько секунд (2-3сек.) тихо свистел из шланга турбины.

Некорректная работа педали-разобрать, промыть , смазать.
Цитата Noval ()
На что тогда следует обратить внимание?
 
goscha-belДата: Воскресенье, 23.Сен.2018, 19:00 | Сообщение # 35
У вас сообщений: 2303
Инженер сервисной службы
OFFлайн
Российская Федерация

Белгород
Noval,, земляк, ради бога НЕ ТРОГАЙТЕ ПЛАТУ ! ! ! diablo
Цитата art-i-k ()
Некорректная работа педали-разобрать, промыть , смазать.

Т. е. добиться, чтобы СРАЗУ после отпускания педали пропадал воздух из турбинного шланга.
 
bektyishДата: Воскресенье, 23.Сен.2018, 19:56 | Сообщение # 36
У вас сообщений: 1876
Электромеханик по слаботочным сетям
OFFлайн
Российская Федерация

Дистрикт 74
Noval, там больше пневматики , возможно какой нибудь КИПовец с котельной или газовой службы будет более полезен . Не обязательно медтехник должен заниматься только стоматологией - полно схожих технологий , к примеру ИВЛ , гидромассаж , ингаляция и тд . Ведь кто то обслуживает муниципальных стоматологов и больницы .
 
NovalДата: Воскресенье, 23.Сен.2018, 20:53 | Сообщение # 37
Стажер
У вас сообщений: 47
средняя
OFFлайн
Украина

Николаев
bektyish
Цитата bektyish ()
Ведь кто то обслуживает муниципальных стоматологов и больницы .

Нет в городе медицинских техников. Эту структуру уже давно упразднили.
Ходит один из старых техников на приватные вызовы врачей. Был однажды и у меня.
После того как он пару раз стукнул молотком по установке, таким образом пытаясь её отремонтировать и вместо замены нового предохранителя начал крутить проволочку вокруг сгоревшего старого, вежливо с ним расстался.

В данный момент работаю на пол ставки в качестве гос.стоматолога, а остальное время арендую кабинет.
Из государственного оборудования в поликлинике нет ничего, кроме стен. Всё купили врачи.

На данный момент идёт процесс полной ликвидации государственной стоматологии в городе.
Сначала была поликлиника, потом отделение при гор.больнице (все врачи на 0.5 ставки). А к концу года планируется полная зачистка остатков гос.стоматологии.Не знаю как обстоят дела в других городах. Надеюсь лучше.
Надоел весь этот бардак.
Я и ещё четыре коллеги купили двухэтажное здание 420м.кв.
Затраты на покупку здания, на реконструкцию,на переоформления.
Согласования, разрешения, одобрения, утверждения...
За каждую бумажку требуют мзду.
За перевод дома из жилого фонда в нежилой скромно попросили 5.000$
Только купил систему для горячей конденсации гуттаперчи за 1.000 евро и тут с микромоторами полный гембель.
Опять платить.

МастерБаку
Цитата МастерБаку ()
пи__ец вашей плате !

Она старая, уже сгоревшая. yes

art-i-k
Цитата art-i-k ()
Некорректная работа педали-разобрать, промыть , смазать.

goscha-bel
Цитата goscha-bel ()
Т. е. добиться, чтобы СРАЗУ после отпускания педали пропадал воздух из турбинного шланга.


Есть ещё один техник. Из Вознесенска, что за 80км. от Первомайска.
Он торговый представитель. Возит стомат.материалы по окрестностям.
Говорил, что мед.техник. Спрошу у него.


Сообщение отредактировал Noval - Воскресенье, 23.Сен.2018, 21:02
 
bektyishДата: Воскресенье, 23.Сен.2018, 21:24 | Сообщение # 38
У вас сообщений: 1876
Электромеханик по слаботочным сетям
OFFлайн
Российская Федерация

Дистрикт 74
Noval, если уж вкладывать деньги в установку , то делать так чтобы с год в неё не заглядывать , а это капремонт . Судя по сайту производителя они уже давно ушли от ДПР . Возможно необходимо прикупить внешний микромотор , как вариант временной замены у тех же китайцев ( бюджетный вариант ) - в резерв на случай остановки мотора , хватит одного на несколько врачей . Судя по Википедии у вас вполне могут оказаться квалифицированные специалисты в городе .
 
NovalДата: Воскресенье, 23.Сен.2018, 22:08 | Сообщение # 39
Стажер
У вас сообщений: 47
средняя
OFFлайн
Украина

Николаев
bektyish
Цитата bektyish ()
Возможно необходимо прикупить внешний микромотор , как вариант временной замены у тех же китайцев ( бюджетный вариант ) - в резерв на случай остановки мотора
Микромотором я пользуюсь больше для полировки реставраций.
Для эндодонтии есть эндомотор "Dentsply".
То, что установка нуждается в обслуживании согласен с Вами на 100%.
Буду думать.
1152742.png (971.7 Kb) · 6683124.png (1.06 Mb)
 
bektyishДата: Понедельник, 24.Сен.2018, 03:33 | Сообщение # 40
У вас сообщений: 1876
Электромеханик по слаботочным сетям
OFFлайн
Российская Федерация

Дистрикт 74
Переговорите с коллегами , возможно для мастера есть фронт работ поболее чем только одна ваша установка
 
  • Страница 1 из 3
  • 1
  • 2
  • 3
  • »
Поиск:



Статистика Форума
Последние обновления тем: Новые файлы хранилища: Новые участники: Top10 участников:
1. Помощь в техобслужива...[dzyatel (29.Май.2026)]
2. Аппараты НЧ электроте...[aleksan (28.Май.2026)]
3. При операции с примен...[susel63 (28.Май.2026)]
4. Техническая поддержка...[UPZ (25.Май.2026)]
5. MOVIPLAN (УниКоРД-МТ)...[SpirituS (24.Май.2026)]
6. Аппарат магнитотерапе...[SpirituS (24.Май.2026)]
7. Стоматустановка K3 ф....[zizeroman (24.Май.2026)]
8. Анализатор гематологи...[fred1 (22.Май.2026)]
9. ЭХВЧ-400 ск-"Ник...[Olegosh (21.Май.2026)]
1. Apollo EZ service man...[25.Дек.2025]
2. VIVIX Setup Operation...[12.Окт.2025]
3. GenwareMP[10.Сен.2025]
4. Настройка реагентов M...[20.Авг.2025]
5. Philips HD3-EXP[13.Авг.2025]
6. Рентгеновское оборудо...[08.Авг.2025]
7. VersaMed iVent201 Сер...[13.Фев.2025]
8. Гелпик КРД Ренекс РЦ ...[09.Фев.2025]
9. Офтальмологическая ус...[31.Окт.2024]
10. Cardinal-Health-VELA-...[03.Окт.2024]
1. RomanGrek[30.Май.2026]
2. vapinic[29.Май.2026]
3. wenderer861[28.Май.2026]
4. karabas1167[28.Май.2026]
5. Paulus[28.Май.2026]
6. hismatulinaKsenia[28.Май.2026]
7. nefrid12[28.Май.2026]
8. roser362[27.Май.2026]
9. Romany4777[27.Май.2026]
10. RVA-59[27.Май.2026]
МастерБаку[583]
Yulana34[177]
Serg74[160]
Dimitrius[129]
naves[122]
РОМУЛ[121]
bektyish[121]
madmac[116]
Алекс-200[114]
генаf[112]