[ Новые сообщения · Участники · Правила форума · Поиск · RSS ]



  • Страница 2 из 2
  • «
  • 1
  • 2
Модератор форума: dima_perikov, YRA46  
Стоматустановка Neomed Aria Excell
МастерБакуДата: Пятница, 03.Мар.2017, 22:33 | Сообщение # 41
У вас сообщений: 11269
инженер
OFFлайн
Российская Федерация

Нижний Новгород
Цитата Yulana34 ()
РУХНУЛ на кресло
Виноват врач! При посадке надо поднять сидушку до уровня колен пациента.
 
art-i-kДата: Суббота, 04.Мар.2017, 09:42 | Сообщение # 42
У вас сообщений: 1306
стоматология во всех её проявлениях
OFFлайн
Украина

Полтава
Цитата vev1974 ()
эти запчасти отдельно не купить?
Совершенно верно.

Цитата vev1974 ()
Все продается в сборе?
Да.

Цитата vev1974 ()
В Беларуси, не могу найти фирмы, что ими торгуют.
Может у вас в стране посерьезнее представительство Хираны - словаки в своих креслах тоже эти самые датские двигатели используют.
 
vev1974Дата: Суббота, 04.Мар.2017, 18:07 | Сообщение # 43
Техник
У вас сообщений: 314
Техник по эксплуатации и ремонту
OFFлайн
Беларусь

Витебск
Цитата Yulana34 ()
Пациент массой килограмм 100 с лишним РУХНУЛ на кресло.
Да наврядли, так как поликлиника детская, но может быть взрослого посадили! blush
.

Цитата Yulana34 ()
http://www.linak.ru/products/linear-actuators.aspx?product=LA31+CARELINE
Попробую. Ещё бы у них был диллер в РБ - вообще хорошо.
.

Цитата rinzhak ()
интересно, а как производили разбор?

Снял его с кресла и разобрал, открутив много много винтиков, ну, и далее интуитивно всё остальное.
Может Вас что конкретно интересует?
.

Цитата vlad-ghost ()
на кастелини похоже актуаторы используются и также фирмы линак

В обоих поликлиниках, что за мной закреплены таких установок нет, не с чем сравнить. Возможно такие. У нас вообще для информации, установки образца самые молодые 2006 года, ну есть ещё из отечественных белорусского производства, те молодые. blush
.

Цитата art-i-k ()
Может у вас в стране посерьезнее представительство Хираны - словаки в своих креслах тоже эти самые датские двигатели используют.
По-моему, такие фирмы есть, что банкуют установками Chirana.
Спасибо, попробую выйти на них, может что и получится!


Учиться никогда не поздно!!
 
Yulana34Дата: Суббота, 04.Мар.2017, 19:19 | Сообщение # 44
У вас сообщений: 2578
Электро-сантехник
OFFлайн
Российская Федерация

Волгоград
Цитата vev1974 ()
так как поликлиника детская
А Вы думаете, Вам про это скажут? Поломка винта как у Вас, 100% ударная нагрузка, дешевле чем у производителя, скорее всего, ни у кого не будет.


Сообщение отредактировал Yulana34 - Суббота, 04.Мар.2017, 19:20
 
vev1974Дата: Воскресенье, 05.Мар.2017, 20:01 | Сообщение # 45
Техник
У вас сообщений: 314
Техник по эксплуатации и ремонту
OFFлайн
Беларусь

Витебск
Цитата Yulana34 ()
производителя, скорее всего, ни у кого не будет.
Хотя бы найти вообще кто в РБ ими торгует, а там главврач пусть сам решает, восстанавливать установку либо нет!

Цитата Yulana34 ()
Поломка винта как у Вас, 100% ударная нагрузка
Где ж они такого ребёнка нашли. Мне кажется, причина поломки в пружине, та, что на пластиковой шестерне, её видно на фото, у неё с одной стороны отломан загнутый конец и поэтому при движении в одну сторону пружина как бы расжимается и шестерня крутится легко, а когда в другую сторону, то пружина затягивается и шестерня стопориться, а червяк продолжаете её крутить и срывать зубья. НО это моё предположение, так как какая пружина изначально была не знаю.


Учиться никогда не поздно!!
 
Yulana34Дата: Воскресенье, 05.Мар.2017, 20:18 | Сообщение # 46
У вас сообщений: 2578
Электро-сантехник
OFFлайн
Российская Федерация

Волгоград
Цитата vev1974 ()
Где ж они такого ребёнка нашли.
У меня племянник в Минске живёт 15 лет рост 180 см, до 100 кг не долго осталось.
biggrin biggrin biggrin drinks drinks drinks
 
vev1974Дата: Понедельник, 06.Мар.2017, 18:18 | Сообщение # 47
Техник
У вас сообщений: 314
Техник по эксплуатации и ремонту
OFFлайн
Беларусь

Витебск
Yulana34, возможно Вы и правы!
Ну уже ничего не поделаешь и крайних искать нет смысла. Нужно искать запчасть! unknown


Учиться никогда не поздно!!
 
Yulana34Дата: Понедельник, 06.Мар.2017, 19:10 | Сообщение # 48
У вас сообщений: 2578
Электро-сантехник
OFFлайн
Российская Федерация

Волгоград
vev1974,
А разве нельзя купить в России? Мы же можем купить в Беларуси.
unknown unknown unknown
 
madmacДата: Понедельник, 06.Мар.2017, 21:01 | Сообщение # 49
У вас сообщений: 1293
стоматология и связанное с ней
OFFлайн
Российская Федерация

СПб
Цитата Yulana34 ()
А разве нельзя купить в России?
Если госполиклиника, сложновато. Официальным путём.


Сообщение отредактировал madmac - Понедельник, 06.Мар.2017, 21:02
 
vev1974Дата: Вторник, 07.Мар.2017, 14:37 | Сообщение # 50
Техник
У вас сообщений: 314
Техник по эксплуатации и ремонту
OFFлайн
Беларусь

Витебск
Если госполиклиника, сложновато. Официальным путём.
Совершенно с Вами согласен, проблема такая существует. Нашёл дилера в Минске, торгует продукцией Хирана и как ранее мне подсказали, что Хирана в своих установках использует такие же линейные приводы.
После праздника свяжусь с ними, надеюсь, что они смогут поставить такую запчасть.
 
МастерБакуДата: Вторник, 07.Мар.2017, 16:17 | Сообщение # 51
У вас сообщений: 11269
инженер
OFFлайн
Российская Федерация

Нижний Новгород
Цитата vev1974 ()
надеюсь, что они смогут поставить такую запчасть
Запчасть отдельно поставить не смогут - узел покупной, только подъёмник в сборе.
 
vev1974Дата: Среда, 08.Мар.2017, 11:56 | Сообщение # 52
Техник
У вас сообщений: 314
Техник по эксплуатации и ремонту
OFFлайн
Беларусь

Витебск
Цитата МастерБаку ()
Запчасть отдельно поставить не смогут - узел покупной, только подъёмник в сборе.
Да, я уже понял, что привод придётся покупать полностью.
.

Уважаемые мастера!
Ещё один вопросик по этой установке. Не могу добраться до пружины регулировки светильника, плечо под весом лампы опускается, труба цельная, спереди и сзади, где должен быть регулировочный болт (гайка) не могу снять заглушки металлические. Видно и до меня их кто-то пытался снять, так и не вышло. Может где-то они стопорятся? mail1
3792698.jpg (59.4 Kb)


Учиться никогда не поздно!!
 
Alex_UssRДата: Четверг, 06.Апр.2017, 11:52 | Сообщение # 53
У вас сообщений: 524
Электромеханик
OFFлайн
Беларусь

Барановичи
У меня такая установка стоит в одной деревенской УБ.
Как с цепи сорвалась - то одно, то другое ... Платы паяю регулярно, видимо, припой какой-то убогий, тупо крошиться и начинают глючить силовуха).
Реле ДВА сгорело. Катушки в обрыве - без какого либо шоколада ... Видимо, из-за низкого качества оных, где-то сгнил провод в обмотке.
Шланги трескаются, выключатели перестают работать ...
Добивает то, что она в 60 км от меня, а пока доедешь туда, обязательно кто-то да сунет свои золотые руки ...
.

Цитата vev1974 ()
Не могу добраться до пружины регулировки светильника
Сфотографируйте ...
У меня был Хиродент с такой проблемой - там пришлось снимать кожух (трубу). Под ней пружина)
Работы было на 1.5 часа rofl
 
vev1974Дата: Четверг, 06.Апр.2017, 19:07 | Сообщение # 54
Техник
У вас сообщений: 314
Техник по эксплуатации и ремонту
OFFлайн
Беларусь

Витебск
Цитата Alex_UssR ()
Сфотографируйте...

Спасибо, разобрался.
Там металлические заглушки плотно насажены на трубу их просто через деревянную колодку с молотком они и потихоньку слазит, там в глубине тоже пружина с болтом под шестигранник, но болт так далеко от торца трубы около 15 см нужно шестигранник было с удлененной ручкой. Плюс подтянул гайку соединения вертикальной трубы с горизонтальной, на той что светильник держится и все стало гуд, врачи довольны. Таким образом прошел по всем установкам этой модели. yes


Учиться никогда не поздно!!
 
rinzhakДата: Вторник, 25.Апр.2017, 19:10 | Сообщение # 55
Участник
У вас сообщений: 186
инженер
OFFлайн
Казахстан

Петропавловск
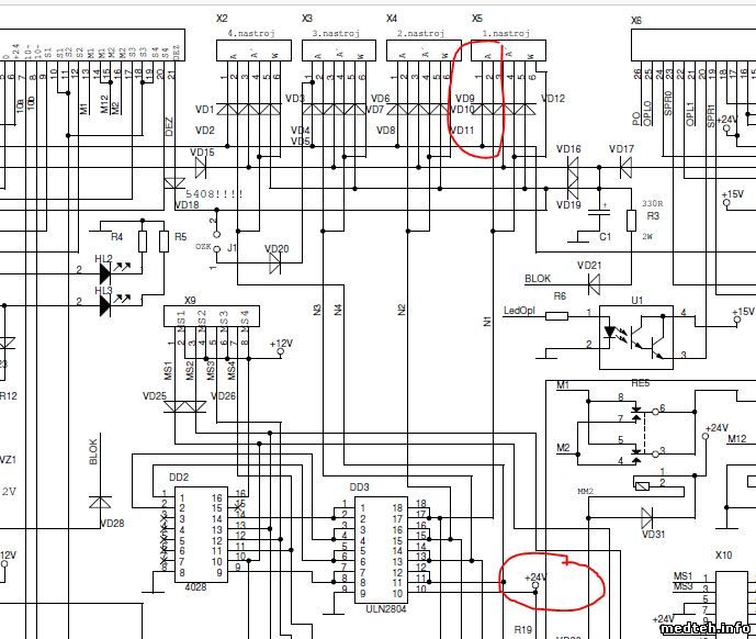
Помогите разобраться:
- периодически возникает проблема с подачей воды на турбинный наконечник (1-е место), водяная линия на первом клапане, если смотреть сверху на плату - справа. Питание соленоида клапана с разъёма Х5 (см. схему) на контактах бывает так: 18,9В; 19,5В; 20,4В; 21 и 22В. При этом в клинике напряжение может просаживаться соответственно до 215В и подниматься до 238В.
На соседних соленоидах напряжение на 1 и 1,5В всегда выше, при этом два соседних соединены параллельно. Если напряжение в пределах 18 -19В, вода не идёт, если 21 - 22 слабо, и с пропусками ... Думаю так: либо, относительно низкое давление воды в контуре не позволяет выдавить плунжер клапана, в отличии от давления воздуха; либо, мощность клапан/соленоид подобраны не совсем удачно для воды, напряжение на соленоиде 24В мощность 5,6 Вт. В любом случае кажется, что это конструктивная особенность. Измерил индукцию соленоидов - 220 Гн на частоте измерения 100 Гц.
У кого какие мнения?!
6110328.jpg (91.2 Kb)
 
vev1974Дата: Пятница, 28.Апр.2017, 19:24 | Сообщение # 56
Техник
У вас сообщений: 314
Техник по эксплуатации и ремонту
OFFлайн
Беларусь

Витебск
Доброе время суток!
Тоже проблема с подачей воды на инструменты, но суть другая, а именно при снятии инструмента, с наконечника сразу идет вода без нажатия на педаль. При постановки на место вода не идет как и положено. Завтра еду в поликлинику, планирую глянуть выключатель дезинфекции шлангов в первую очередь.
А если проблема не в нем, куда в первую очередь капать?
Замена педали результатов не дало.
Заранее спасибо! shok


Учиться никогда не поздно!!
 
rinzhakДата: Пятница, 28.Апр.2017, 20:20 | Сообщение # 57
Участник
У вас сообщений: 186
инженер
OFFлайн
Казахстан

Петропавловск
При снятии инструмента реле клацает? Пробовали отключить подачу воды на пульте, и снять инструмент, - вода и в этом случае идёт?
 
vev1974Дата: Суббота, 29.Апр.2017, 07:20 | Сообщение # 58
Техник
У вас сообщений: 314
Техник по эксплуатации и ремонту
OFFлайн
Беларусь

Витебск
Цитата rinzhak ()
При снятии инструмента реле клацает? Пробовали отключить подачу воды на пульте, и снять инструмент - вода и в этом случае идёт?
При снятии реле клацает. На пульте тоже отключаешь и при снятии инструмента вода всё равно идёт. Перестает только при постановке инструмента в инструментодержатель.


Учиться никогда не поздно!!
 
rinzhakДата: Суббота, 29.Апр.2017, 07:59 | Сообщение # 59
Участник
У вас сообщений: 186
инженер
OFFлайн
Казахстан

Петропавловск
Проверьте микросхему DD3.
 
МастерБакуДата: Суббота, 29.Апр.2017, 08:14 | Сообщение # 60
У вас сообщений: 11269
инженер
OFFлайн
Российская Федерация

Нижний Новгород
rinzhak, вы бы пояснили как можно проверить микросхему ?
 
rinzhakДата: Суббота, 29.Апр.2017, 08:30 | Сообщение # 61
Участник
У вас сообщений: 186
инженер
OFFлайн
Казахстан

Петропавловск
1. Питание, желательно по всем контрольным точкам согласно схемы,
2. Не замкнуты ли выходы, на ней (речь идёт от выводах пытающих разъём Х5.
Так же надо проверить, напряжение на соленойде воды есть, когда снимаете инструмент, или может механический дефект самого клапана
 
bektyishДата: Суббота, 29.Апр.2017, 09:08 | Сообщение # 62
У вас сообщений: 1876
Электромеханик по слаботочным сетям
OFFлайн
Российская Федерация

Дистрикт 74
Какой наконечник - микромотор, скалер или турбинка? Или всё вместе?
Есть клапан по входу воды, дальше на каждый инструмент в отдельности.
Была подобная проблема с подачей воздуха на турбинный наконечник на "Дипломат" - тоже словацкая.
Что там внутри (снимок)?
Не думаю, что сильно отличаются ...


Сообщение отредактировал bektyish - Суббота, 29.Апр.2017, 09:15
 
vev1974Дата: Суббота, 29.Апр.2017, 11:04 | Сообщение # 63
Техник
У вас сообщений: 314
Техник по эксплуатации и ремонту
OFFлайн
Беларусь

Витебск
Всем спасибо, кто откликнулся!
Всё было банально просто: кто-то из персонала включил тумблер "дезинфекции инструмента", поэтому при снятии последнего (всех трёх рукавов) с инструмента держателей сразу шла вода. Тумблер выключил и всё стало на свои места!;-);-);-)


Учиться никогда не поздно!!
 
rinzhakДата: Суббота, 29.Апр.2017, 12:18 | Сообщение # 64
Участник
У вас сообщений: 186
инженер
OFFлайн
Казахстан

Петропавловск
biggrin )))) самая последняя мера - читать инструкцию пользователя!
 
goscha-belДата: Воскресенье, 30.Апр.2017, 13:14 | Сообщение # 65
У вас сообщений: 2303
Инженер сервисной службы
OFFлайн
Российская Федерация

Белгород
Цитата rinzhak ()
) самая последняя мера - читать инструкцию пользователя!
good good good drinks
Уж сколько раз твердили миру ...


Сообщение отредактировал goscha-bel - Воскресенье, 30.Апр.2017, 13:15
 
vev1974Дата: Понедельник, 01.Май.2017, 13:12 | Сообщение # 66
Техник
У вас сообщений: 314
Техник по эксплуатации и ремонту
OFFлайн
Беларусь

Витебск
Цитата rinzhak ()
читать инструкцию пользователя!
Это точно!
Кто бы им прочитал её вслух под запись?! biggrin


Учиться никогда не поздно!!
 
ZelrusДата: Вторник, 17.Ноя.2020, 20:36 | Сообщение # 67
Стажер
У вас сообщений: 10
Инженер ДЦ
OFFлайн
Российская Федерация

Ставрополь
Доброго времени суток.
Сегодня столкнулся с такой стоматологической установкой - Neomed Aria.
В ней проблема со сгоревшей линией 12 вольт. Причина - не включалась педаль, возможно в ней обрыв. Айболит купил VGA провод от монитора и воткнула в разъём, из-за особенности провода, произошло КЗ. Взорвался диодный мост и сгорел предохранитель.
Блок питания восстановил. Все напряжения есть. Но вопрос: какая распиновка кабели в соединения педали? 1 к 1 провод?
Разбирал саму педаль. На ней плата, на плате датчики магнитного поля 3-х ногие. Ещё есть в начале диод и на другой стороне фотоприёмник. От датчиков идёт опторазвязка на оптопарах. На магнит реагирует только крайний датчик. Срабатывает реле, на материнской плате загорается hl3, рядом ещё горит hl1. hl2 не горит.
Как я понимаю, чтобы запустить бор насадку, нужно, чтобы все сигналы пришли на материнскую плату. Так? ...
Двигатель там постоянного тока? ...
Просто при потуге на себя бора - срабатывает реле и есть небольшой продув воздуха лишь, сам бор стоит.
Что дальше делать?
Паять кабель 1 к 1 VGA папа-мама?
Может ли сгореть оптопара в педали?
Помогите, пожалуйста! ...


Дмитрий
 
bektyishДата: Пятница, 20.Ноя.2020, 03:57 | Сообщение # 68
У вас сообщений: 1876
Электромеханик по слаботочным сетям
OFFлайн
Российская Федерация

Дистрикт 74
Zelrus, к земляку dima_perikov-у не пробовал обращаться? ...
 
litvinovvvДата: Среда, 06.Окт.2021, 23:20 | Сообщение # 69
Заглянувший
У вас сообщений: 1
нет
OFFлайн
Российская Федерация

Апатиты Мурманской области
Здравствуйте!
Извините, что Вас беспокою ... Может сможете мне подсказать куда можно обратиться, чтобы приобрести БУ или НОВУЮ чашу плевательницы для стоматологической установки ARIA Excel SR?
Ещё раз извините за беспокойство.
Заранее спасибо.
С уважением, Владимир.
 
МастерБакуДата: Пятница, 08.Окт.2021, 19:58 | Сообщение # 70
У вас сообщений: 11269
инженер
OFFлайн
Российская Федерация

Нижний Новгород
Цитата litvinovvv ()
куда можно обратиться
К тому, кто продал установку.
 
SSUДата: Суббота, 09.Окт.2021, 07:02 | Сообщение # 71
Техник
У вас сообщений: 373
сервисный инженер
OFFлайн
Украина

ужгород
Цитата МастерБаку ()
К тому, кто продал установку.
Тяжелый случай.
Хоть завод и находится в 40 км от меня, в этом городке три завода - Хиромега, Словадент (Зевадент) и Неомед, я сам там был.
Знаком с их продукцией, но ни разу не видел Neomed вживую в кабинете - они хоть и утверждают, что производят до 400 установок в год. Куда они уходят - тайна великая, как и поставка комплектующих.
Положительным считаю то, что, в общем-то, все трое используют общую компоновочную и схемотехническую концепцию, являющуюся развитием ещё Хирадентов 654С и Практиков.
А чашка плевательницы там не эксклюзивная ни по размерам, ни по посадочному месту - подойдёт практически любая.
 
bektyishДата: Суббота, 09.Окт.2021, 08:31 | Сообщение # 72
У вас сообщений: 1876
Электромеханик по слаботочным сетям
OFFлайн
Российская Федерация

Дистрикт 74
Однажды видел стеклянную чашу плевательницы, склеенную самими медиками, использовали пломбировочный материал химического отверждения. Женщины , клей её на ровной поверхности даже шва бы никто не заметил . litvinovvv, снимок чаши на опознание?
 
МВРДата: Суббота, 09.Окт.2021, 09:59 | Сообщение # 73
Медтехник
OFFлайн
Российская Федерация

.
Цитата bektyish ()
Женщины , клей её на ровной поверхности даже шва бы никто не заметил .
bektyish, как понять смысл заложенного Вами в этой Вашей фразе? ...
 
dima190390Дата: Суббота, 22.Окт.2022, 19:26 | Сообщение # 74
Заглянувший
У вас сообщений: 2
Начинающий
OFFлайн
Казахстан

Житикара
Здравствуйте.
Столкнулся со стоматологической установкой Neomed Aria Excell S (No. F 006).
Сталкиваюсь с медтехникой впервые. Проводил небольшой ремонт, не работает один клапан при снятии одной из бор-машин ...
Были, а может ещё будут проблемы с креслом (сегодня пошевелил разъём с ножного пульта, подходящий к плате в установке и помогло, возможно, непропай или окисление контактов, пока оставил так).
Если кто может дайте, пожалуйста, схему к данной стоматологической установке (Neomed Aria Excell S (No. F 006)), выше была схема с платой (плата у меня другая) ...
Подскажите по пульту, который приводится в действие ногой, есть рычажок в центре для регулировки кресла, есть лапка привода бор-машины (работает одно положение, второе положение для чего? Для реверса бор-машины? Ещё на этом пульте есть по периметру 4-е кнопки, от них от всех оборваны провода. Что это за кнопки и для чего они нужны?


Сообщение отредактировал dima190390 - Суббота, 22.Окт.2022, 19:38
 
  • Страница 2 из 2
  • «
  • 1
  • 2
Поиск:



Статистика Форума
Последние обновления тем: Новые файлы хранилища: Новые участники: Top10 участников:
1. Замена светодиода на ...[Shturman (05.Дек.2025)]
2. Анализатор поля зрени...[SpirituS (04.Дек.2025)]
3. Программный комплекс ...[mqubali (04.Дек.2025)]
4. Кардиорегистратор «ИК...[albano18 (04.Дек.2025)]
5. Thermo Scientific gem...[viggen (03.Дек.2025)]
6. Центрифуга CM-6M ф.El...[Ningen64 (03.Дек.2025)]
7. Дефибриллятор Defi B ...[san-che30 (02.Дек.2025)]
8. Коллиматор Ralco R 22...[seeker (02.Дек.2025)]
9. КУПЛЮ/ПРИМУ в дар при...[seabee (02.Дек.2025)]
1. VIVIX Setup Operation...[12.Окт.2025]
2. GenwareMP[10.Сен.2025]
3. Настройка реагентов M...[20.Авг.2025]
4. Philips HD3-EXP[13.Авг.2025]
5. Рентгеновское оборудо...[08.Авг.2025]
6. VersaMed iVent201 Сер...[13.Фев.2025]
7. Гелпик КРД Ренекс РЦ ...[09.Фев.2025]
8. Офтальмологическая ус...[31.Окт.2024]
9. Cardinal-Health-VELA-...[03.Окт.2024]
10. Service Manual HAMILT...[02.Окт.2024]
1. zef1984[05.Дек.2025]
2. Dvish[05.Дек.2025]
3. Intellect[05.Дек.2025]
4. Romanivanov[05.Дек.2025]
5. igogoigogo[05.Дек.2025]
6. 1rishka[04.Дек.2025]
7. L_V_N[04.Дек.2025]
8. ИвановИИ[04.Дек.2025]
9. Alex_U[04.Дек.2025]
10. Yarikus03[03.Дек.2025]
МастерБаку[583]
Yulana34[177]
Serg74[160]
Dimitrius[129]
naves[122]
РОМУЛ[121]
bektyish[121]
madmac[116]
Алекс-200[114]
begun_a[112]