[ Новые сообщения · Участники · Правила форума · Поиск · RSS ]



  • Страница 1 из 2
  • 1
  • 2
  • »
Модератор форума: YRA46  
Стерилизатор воздушный ГП-40-СПУ, Смоленск
LabДата: Пятница, 23.Апр.2010, 14:24 | Сообщение # 1
У вас сообщений: 148
инженер
OFFлайн
Российская Федерация

Владивосток
Воздушный стерилизатор при включении показывает температуру более 200 градусов. unknown
Проверил датчик - показывает около 100 ом (при комнатной температуре) - вроде, нормально.
Заподозрил неисправный операционник DA4 (OP-07DP) - поменял. unknown Результата нет.
Поменял Стабилизатор тока DA1 (LM317LZ) unknown Ничего не изменилось.
Проверил номиналы всех резисторов - всё в норме.
Может всё-таки датчик должен быть не 100 ом при комнатной температуре?
Либо что-то не доглядел. blush
Требуется режимы работы с рабочего стерилизатора, но другого такого в округе не наблюдалось.
Может кто уже сталкивался и законспектировал, либо в ближайшей перспективе столкнётся ...
Буду признателен.
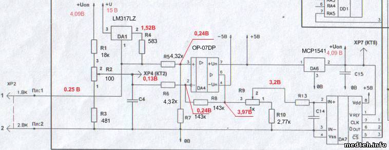
Особо интересно напряжение в контрольной точке КТ2 и на выводах 2,3,6 микросхемы DA4.
Прилагаю кусочек схемы с измеренными режимами и номиналами для удобства, измерял при средних положениях подстроечных сопротивлений R2 и R9. При этом, на индикаторе показывает температуру 320 градусов.
В хранилище есть полная схема с перечнем элементов на ГП-80 СПУ, пульт такой же.
8272206.jpg (31.0 Kb) · 3442358.jpg (38.2 Kb)


LAB
 
NAVAHДата: Суббота, 24.Апр.2010, 02:20 | Сообщение # 2
Участник
У вас сообщений: 84
элекромеханик
OFFлайн
Российская Федерация

Мурманск
И как меняется при нагреве?Мож просто калибровка нужна?
 
LabДата: Суббота, 24.Апр.2010, 15:23 | Сообщение # 3
У вас сообщений: 148
инженер
OFFлайн
Российская Федерация

Владивосток
На температуру реагирует , на первый взгляд адэкватно, но +200 примерно градусов к температуре датчика на табло (нагрев естественно не включается, я просто нагревал датчик от паяльника). Возможно, можно подобрать R1,R3 или изменить ток стабилизации DA1 резистором R4, но хотелось бы найти истинную причину такого состояния. Может АЦП - DA7 глючит, но не похоже.

LAB
 
YRA46Дата: Понедельник, 26.Апр.2010, 00:10 | Сообщение # 4
Стоматология, Стерилизация
OFFлайн
Российская Федерация

г. Курск
Цитата Lab ()
Проверил датчик - показывает около 100 ом (при комнатной температуре)
Паспорт внимательно смотрим и видим там "ВК1-Элемент чувствительный бла-бла-бла-ЧЭПТ-21-50П ... Что означает, что датчик 50-тиомный, т.е. при 0 градусов цельсия - сопротивление 50 Ом ... Провода отгорели, скорее всего.

Кстати, на Витязях тоже 50-тиомные стоят!
Кроме того, есть 50П и 50Pt, Аналогично 100П и 100 Pt. Отличаются немного характеристиками, в принципе взаимозаменяемые. Ещё позже загружу программу для вычисления соотношения Температура-Сопротивление.
.

Вот в догонку программа
VichislTemp.zip (121.5 Kb)
 
NAVAHДата: Понедельник, 26.Апр.2010, 00:52 | Сообщение # 5
Участник
У вас сообщений: 84
элекромеханик
OFFлайн
Российская Федерация

Мурманск
небыло както на 50, 2 по 100 и нормально на всех режимах. wink
 
LabДата: Понедельник, 26.Апр.2010, 02:46 | Сообщение # 6
У вас сообщений: 148
инженер
OFFлайн
Российская Федерация

Владивосток
Подозрение , что на 50ом было, но найти расшифровку маркировки не смог, спасибо, буду проверять.

LAB
 
LabДата: Вторник, 27.Апр.2010, 16:42 | Сообщение # 7
У вас сообщений: 148
инженер
OFFлайн
Российская Федерация

Владивосток
Проверил, действительно при подсоединении вместо датчика резистора на 51ом блок управления показал 25 градусов. Заказал датчик. Спаибо за дельные советы, проблему можно сказать решили.

LAB
 
creytДата: Среда, 07.Июл.2010, 18:54 | Сообщение # 8
У вас сообщений: 546
техник
OFFлайн
Российская Федерация

Кузня
Помогите опознать железку


ну и как её откалибровать, врёт температуру безбожно.


у меня все диоды болят

Сообщение отредактировал creyt - Среда, 07.Июл.2010, 18:55
 
rtv-masterДата: Четверг, 08.Июл.2010, 14:18 | Сообщение # 9
Заглянувший
У вас сообщений: 2
инженер по ремонту
OFFлайн
Российская Федерация

Это касимовский
 
СержДата: Четверг, 08.Июл.2010, 16:13 | Сообщение # 10
Стажер
У вас сообщений: 14
Инженер
OFFлайн
Российская Федерация

Тюмень
попробуй замерить сопротивление датчика на неисправном и на исправном, и последовательно прицепи резистор к датчику
можно прицепить потенциометр. измерять температуру в камере термопарой и калибровать потенциометром
пробовал так с ГК-100-5 и с термостатом ТС-1/80
 
sibaritДата: Четверг, 08.Июл.2010, 17:16 | Сообщение # 11
Стажер
У вас сообщений: 33
сервисный инженер
OFFлайн
Российская Федерация

г. Новосибирск
Так и на смоленский похож, калибровку я выкладывал год назад
 
creytДата: Четверг, 08.Июл.2010, 22:52 | Сообщение # 12
У вас сообщений: 546
техник
OFFлайн
Российская Федерация

Кузня
Цитата rtv-master ()
Это касимовский
не похож, собрано на пике 16F876, причём открытом shok

Цитата sibarit ()
калибровку я выкладывал год назад
Не находится ничего на эту тему ...

.

sibarit, спасибо, действительно смоленский.


у меня все диоды болят
 
sibaritДата: Пятница, 09.Июл.2010, 22:32 | Сообщение # 13
Стажер
У вас сообщений: 33
сервисный инженер
OFFлайн
Российская Федерация

г. Новосибирск
Так ты решил проблему? Калибровку нашел?
 
creytДата: Понедельник, 19.Июл.2010, 12:50 | Сообщение # 14
У вас сообщений: 546
техник
OFFлайн
Российская Федерация

Кузня
Да, всё пучком.
Наши умельцы воткнули датчик 50М вместо родного 50П.
Отсюда и вся проблемма с температурой.


у меня все диоды болят
 
AndreyrusichДата: Среда, 11.Авг.2010, 12:07 | Сообщение # 15
Заглянувший
У вас сообщений: 1
техник
OFFлайн
Российская Федерация

нет управления на семистор вкл тена.Датчик температуры рабочий.Нужна полная электросхема.
Если у кого есть дайте пожалуйста.
 
АГИДата: Среда, 11.Авг.2010, 13:37 | Сообщение # 16
Техник
У вас сообщений: 382
Инженер
OFFлайн
Российская Федерация

Ставрополь
Вообще то в хранилище есть документация на ГП-80-СПУ.
Блок управления у них одинаковый.
 
medtehДата: Среда, 11.Авг.2010, 15:10 | Сообщение # 17
Admin


АГИ, Для того чтобы участник Andreyrusich, мог скачать с Хранилища ему надо набрать определенное количество сообщений. Все это сделано для того чтобы тупо не скачивали и потом не пропадали получив инфу. Есть так же деятели кто потом продает данную информацию получив с сайта, хочу заметить что наш сайт бесплатный. Правда есть кто хочет тупыми сообщениями получить допуск к скачиванию, такие попытки пресекаются. Надеюсь что каждому будет понятен человек оставивший своё сообщение, который просто зашел и не имеет никакого понятия к медтехники.
С Уважением.,Администрация.
 
АГИДата: Среда, 11.Авг.2010, 15:12 | Сообщение # 18
Техник
У вас сообщений: 382
Инженер
OFFлайн
Российская Федерация

Ставрополь
Учту замечание.
 
gizat123Дата: Понедельник, 23.Авг.2010, 18:09 | Сообщение # 19
Стажер
У вас сообщений: 35
техник по мед. оборудованию
OFFлайн
Российская Федерация

И что только не встретиш в аппаратуре.
 
saddam-095Дата: Вторник, 30.Окт.2012, 14:29 | Сообщение # 20
Завсегдатай
У вас сообщений: 269
электромеханик
OFFлайн
Российская Федерация

гудермес
Уважаемые коллеги, проблема с воздушным стерилизатором ГП-40-СПУ 2008 г/в - нет нагрева. Можно выбрать режим нагрева, но после нажатия кнопки "Старт" не набирает температуру, лампа "Нагрев" не горит. Прозвонил ТЭН - исправен, термореле тоже. С силовым симистором mac16nc не очень понятно, проверял на блоке питания (из подручных средств самое подходящее), открывается вроде нормально, на мультиметре нет, не могу найти напряжение на уэ симистора, то ли его нет, то ли я что-то не так делаю. Усли подать напряжение на уэ, то лампа "Нагрев" загорается, температура начинает рости. Уважаемые коллеги, я новичок в этой профессии и буду благодарен за любой совет и помощь
 
vadmorozДата: Вторник, 30.Окт.2012, 16:13 | Сообщение # 21
Участник
У вас сообщений: 217
медтехник
OFFлайн
Российская Федерация

Скорее всего нет управления работой симистора,смотри схему,проверь рамоту оптосиммистора мос3063

Сообщение отредактировал vadmoroz - Вторник, 30.Окт.2012, 16:40
 
saddam-095Дата: Четверг, 20.Дек.2012, 15:50 | Сообщение # 22
Завсегдатай
У вас сообщений: 269
электромеханик
OFFлайн
Российская Федерация

гудермес
ПОМЕНЯЛ МОС 3036 РЕЗУЛЬТАТ НОЛЬ ПРОВЕРИЛ СИМИСТОР MAC9MG ТОЖЕ В НОРМЕ ПОМЕНЯЛ ВТОРУЮ ОПТОПАРУ. НЕТ СХЕМЫ А БЕЗ НЕЕ КАК БЕЗ СВЕТА... РЕБЯТА МОЖЕТ У КОГО ЕСТЬ СХЕМА ПОМОГИТЕ МЕНЯ РВУТ ВРАЧИКИ.
 
YRA46Дата: Четверг, 20.Дек.2012, 16:33 | Сообщение # 23
Стоматология, Стерилизация
OFFлайн
Российская Федерация

г. Курск
saddam-095, http://www.medteh.info/load/66-1-0-424
там правда старый, но может поможет
 
saddam-095Дата: Пятница, 21.Дек.2012, 14:01 | Сообщение # 24
Завсегдатай
У вас сообщений: 269
электромеханик
OFFлайн
Российская Федерация

гудермес
СХЕМУ КОТОРУЮ МНЕ СКИНУЛИ НА ПОЧТУ ПОХОЖА НО ЭТО НЕ ТО И ВСЕ РАВНО СПАСИБО. ПО ПОДСКАЗКАМ КОЛЛЕГ С МОИМ БЕЗГРАНИЧНЫМ ТЕРПЕНИЕМ ОБНАРУЖИЛ ЧТО МКУ ПРИ СТАРТЕ НЕ ДАЕТ НАПРЯЖЕНИЕ ОТКРЫТИЯ НА ОПТРОН КОТОР В СВОЮ ОЧЕРЕДЬ ОТКРЫВАЕТ СИМИСТР И ЦЕПЬ ТЭН ЗАМЫКАЕТСЯ. ПОДКИНУТЬ МКУ ,НЕТ В НАЛИЧИИ. ДРУЗЬЯ КАКИЕ ЕСТЬ СООБРАЖЕНИЯ ПОМОГИТЕ ireful
 
zx19Дата: Пятница, 21.Дек.2012, 14:32 | Сообщение # 25
Vse
OFFлайн
Российская Федерация

Саратов
может сначала нужно кнопки проверить?
 
vadmorozДата: Пятница, 21.Дек.2012, 16:42 | Сообщение # 26
Участник
У вас сообщений: 217
медтехник
OFFлайн
Российская Федерация

Можно поставить термоконтактный термометр в цепь управления открытием симмистора и как-то закрыть проблему
 
veveeleДата: Пятница, 21.Дек.2012, 19:56 | Сообщение # 27
Участник
У вас сообщений: 123
инженер
OFFлайн
Украина

Луцк
Конкретно такого шкафа не видел, но может, стоит, датчик температуры проверить.
 
babysh-mДата: Пятница, 21.Дек.2012, 21:06 | Сообщение # 28
сервисный инженер
OFFлайн
Российская Федерация

Екатеринбург
В хранилище есть схема ГП80-СПУ.
Когда нажимаешь Старт на индикаторе должна загореться последняя точка, это означает что электроника платы выдает сигнал Нагрев.
 
creytДата: Суббота, 22.Дек.2012, 12:58 | Сообщение # 29
У вас сообщений: 546
техник
OFFлайн
Российская Федерация

Кузня
Цитата (babysh-m)
должна загореться последняя точка

Гы, а было что сегмент индикатора коротил shok
 
alex219Дата: Суббота, 22.Дек.2012, 14:49 | Сообщение # 30
Участник
У вас сообщений: 115
инженер по обслуживанию медтехники
OFFлайн
Российская Федерация

Хабаровск
около разъема термо датчика есть место под перемычку, имитируешь датчик если нагрев пошёл, то меняй термодатчик
 
babysh-mДата: Воскресенье, 23.Дек.2012, 18:40 | Сообщение # 31
сервисный инженер
OFFлайн
Российская Федерация

Екатеринбург
Цитата (creyt)
а было что сегмент индикатора коротил

что у всех шкафов?
 
creytДата: Воскресенье, 23.Дек.2012, 22:24 | Сообщение # 32
У вас сообщений: 546
техник
OFFлайн
Российская Федерация

Кузня
Цитата (babysh-m)
что у всех шкафов?

это к тому что всё проверять надо а то ТС не озвучил что там на управляющей ноге контролера,
появляется что или вообще тишина.
 
13stromba13Дата: Четверг, 28.Фев.2013, 09:38 | Сообщение # 33
Стажер
У вас сообщений: 15
инженер
OFFлайн
Российская Федерация

Хабаровск
Здравствуйте. Помогите разобраться. Проблема со стерилизатором ГП-40 СПУ. После выбора режима стерилизации, аппарат начинает набирать температуру до срабатывания защиты. Менял симистор как вариант но ничего не изменилось. Может кто сталкивался с подобной проблемой? Сейчас оптроны ищу, думаю может сигнал не доходит до симистора unknown . За ранее, спасибо. P.S. схема прибора есть у меня.
 
zx19Дата: Четверг, 28.Фев.2013, 13:06 | Сообщение # 34
Vse
OFFлайн
Российская Федерация

Саратов
Цитата (13stromba13)
Менял симистор как вариант
не, ну а что, там еще не много деталей осталось. меняй по очереди и отремонтируешь. инженер.....
 
creytДата: Четверг, 28.Фев.2013, 13:40 | Сообщение # 35
У вас сообщений: 546
техник
OFFлайн
Российская Федерация

Кузня
Цитата (13stromba13)
Сейчас оптроны ищу

Они рядом с тиристорами.
 
13stromba13Дата: Пятница, 01.Мар.2013, 02:48 | Сообщение # 36
Стажер
У вас сообщений: 15
инженер
OFFлайн
Российская Федерация

Хабаровск
коры мочите. я в магазине их ищу. да ну вас. удачи в л.ж.. ......

Сообщение отредактировал Alexium - Пятница, 01.Мар.2013, 07:31
 
creytДата: Пятница, 01.Мар.2013, 05:00 | Сообщение # 37
У вас сообщений: 546
техник
OFFлайн
Российская Федерация

Кузня
Цитата (13stromba13)
может сигнал не доходит до симистора

Я так понимаю что Вы
Цитата (13stromba13)
13stromba13
не понимаете как это всё работает и просто тупо меняете всё подряд.
 
13stromba13Дата: Среда, 06.Мар.2013, 04:43 | Сообщение # 38
Стажер
У вас сообщений: 15
инженер
OFFлайн
Российская Федерация

Хабаровск
Принцип знаю. В схеме, конечно, путаюсь, но в итоге всё равно нахожу что нужно. Понимаю, что с контроллера должен сигнал выходить на оптопару, а его нет. Если принудительно оптопару открыть, то всё работатет. Я думаю, если бы все понимали всё, то сюда бы не писали.
За оскорбление извиняюсь.
Просто без стёба хватает траблалв.
.

P.S. Нагревать перестал вообще.
 
13stromba13Дата: Среда, 06.Мар.2013, 04:45 | Сообщение # 39
Стажер
У вас сообщений: 15
инженер
OFFлайн
Российская Федерация

Хабаровск
P.S. нагревать перестал вообще.
 
creytДата: Среда, 06.Мар.2013, 05:17 | Сообщение # 40
У вас сообщений: 546
техник
OFFлайн
Российская Федерация

Кузня
Цитата (13stromba13)
должен сигнал выходить на опто пару, а его нет

Значит пику кранты.
А на новых ящиках они залочены, значит к производителю.
 
  • Страница 1 из 2
  • 1
  • 2
  • »
Поиск:



Статистика Форума
Последние обновления тем: Новые файлы хранилища: Новые участники: Top10 участников:
1. УВЧ-80 НОВОАН - ЭМА[Parkincjn (11.Апр.2026)]
2. УЗИ MyLab 25 ф.Esaote...[sun_man (11.Апр.2026)]
3. Маммограф Giotto Imag...[lavista (10.Апр.2026)]
4. ТУРБИННЫЕ НАКОНЕЧНИКИ[georgiykaz (09.Апр.2026)]
5. Эмблема (логотип) мед...[medteh (08.Апр.2026)]
6. УЗИ Logiq E ф.GE[tomios (08.Апр.2026)]
7. Стоматустановка Azimu...[Yulana34 (08.Апр.2026)]
8. Выпариватель воска Ka...[Yulana34 (08.Апр.2026)]
9. Формулировки ТЕХНИЧЕС...[Юрьич (08.Апр.2026)]
1. Apollo EZ service man...[25.Дек.2025]
2. VIVIX Setup Operation...[12.Окт.2025]
3. GenwareMP[10.Сен.2025]
4. Настройка реагентов M...[20.Авг.2025]
5. Philips HD3-EXP[13.Авг.2025]
6. Рентгеновское оборудо...[08.Авг.2025]
7. VersaMed iVent201 Сер...[13.Фев.2025]
8. Гелпик КРД Ренекс РЦ ...[09.Фев.2025]
9. Офтальмологическая ус...[31.Окт.2024]
10. Cardinal-Health-VELA-...[03.Окт.2024]
1. germes-054[10.Апр.2026]
2. работник_какой-то_базы[10.Апр.2026]
3. Twiqer[10.Апр.2026]
4. zzzaMiGozzz[10.Апр.2026]
5. dreamsflow[09.Апр.2026]
6. tanga_b[09.Апр.2026]
7. Vladislav_SA[09.Апр.2026]
8. Daria_tehMT[09.Апр.2026]
9. TaxupEmil[08.Апр.2026]
10. kozorez1[08.Апр.2026]
МастерБаку[583]
Yulana34[177]
Serg74[160]
Dimitrius[129]
naves[122]
РОМУЛ[121]
bektyish[121]
madmac[116]
Алекс-200[114]
генаf[112]