[ Новые сообщения · Участники · Правила форума · Поиск · RSS ]



  • Страница 4 из 4
  • «
  • 1
  • 2
  • 3
  • 4
Модератор форума: renmaster  
Коды ошибок рентгеноборудования и их расшифровка
medtechnik66Дата: Вторник, 14.Сен.2010, 14:50 | Сообщение # 1
У вас сообщений: 238
инженер
OFFлайн
Российская Федерация

Екатеринбург
Интересуют расшифровки кодов ошибок по работоспособности и неисправностям R-ап-та "Аполло".
Да и по другим аппаратам не мешало бы их знать ...
Предлагаю выкладывать в этой теме коды ошибок и их расшифровки по любым аппаратам (лишь бы по рентгеновским).
.

Есть (к сожалению) также тема: "R-техника ф.Sedecal (Испания) (Коды ошибок и их расшифровки )"
.........

К величайшему сожалению, хорошая по задумке тема стараниями крайне БЕСТОЛКОВЫХ превратилась в "мусоросборник" из нетематических для неё постов ...
 
bespalnik72Дата: Понедельник, 07.Сен.2020, 15:39 | Сообщение # 121
Техник
У вас сообщений: 319
инженер
OFFлайн
Российская Федерация

Красноярск
Угол >44° стойки

586
 
sekosДата: Понедельник, 07.Сен.2020, 17:06 | Сообщение # 122
Участник
У вас сообщений: 194
инженер
OFFлайн
Российская Федерация

Пенза
Петров, обратите внимание на: All events that may cause errors 021-031 (problems with potentiometers and related circuits). В Вашем случае - это, возможно, потенциометры кассетоприемника и соответствующие цепи.
 
Иннокентий86Дата: Среда, 09.Дек.2020, 11:19 | Сообщение # 123
Заглянувший
У вас сообщений: 1
специолист
OFFлайн
Российская Федерация

Якутск
Добрый день!

Подскажите, пожалуйста, что за ошибка инициализации детектора NIK4343G аппарат рентгеновский цифровой для иссл. грудной клетки ФЦ-"ОКО" Электрон.
 
arabazДата: Суббота, 27.Фев.2021, 15:01 | Сообщение # 124
Заглянувший
У вас сообщений: 1
Киевская
OFFлайн
Украина

Киев
Добрый день!
Может есть у кого коды ошибок trophy ccx digital irix70.
 
serglapДата: Вторник, 13.Апр.2021, 12:52 | Сообщение # 125
Стажер
У вас сообщений: 8
техник
OFFлайн
Российская Федерация

Брянск
Аппарат SEARCHER 70 DX-073. Ошибка во время воздействия ток в трубе становится менее 1 ма, подскажите что-нибудь.
 
zxc2007zxcДата: Среда, 14.Апр.2021, 16:50 | Сообщение # 126
Участник
У вас сообщений: 150
инженер
OFFлайн
Российская Федерация

Вологда
serglap, пробой трубы, неисправен инвертор, обрыв проводов надо смотреть.
 
serglapДата: Четверг, 15.Апр.2021, 10:17 | Сообщение # 127
Стажер
У вас сообщений: 8
техник
OFFлайн
Российская Федерация

Брянск
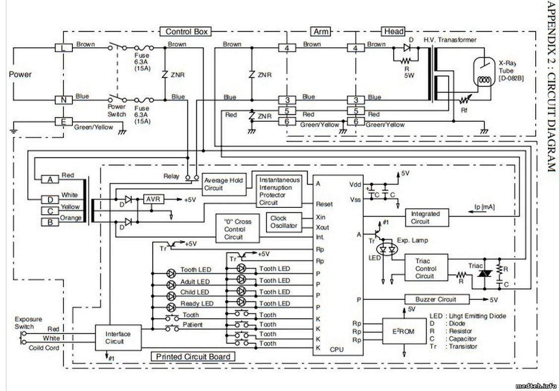
Думаю, труба, т.к. провода прозвонил до головы, напряжение на "3" и "4" подаётся, ошибка, мигает Т4, на ихнем не помню, а гугл перевод - "во время воздействия ток в трубе становиться менее 1 ма", эксплуатировали установку на максимальном режиме уже давно, т.к. на других режимах нет снимка, белый, совсем белый :) снимок, вот и сейчас и на этом режиме такой, нить накала прозвонить никак, измерения на "5" не производил, т.к. это сделал контролер и выдал ошибку, что описана выше, да и что там должно, нет инфы,
вот откопал как бы схему.
т.к. рентген увидел позовчера первый раз, техником взяли прямо с улице - по объявлению :), третий месяц всего там, и тему открыть тут не можно - молодой ещё :), написал здесь.
Есть ли у кого более правильные мысли?
zxc2007zxc, спасибо.

Откыл тему http://www.medteh.info/forum/33-19089-1
6852498.jpg (141.8 Kb)


Сообщение отредактировал serglap - Пятница, 16.Апр.2021, 10:48
 
walkman8196Дата: Понедельник, 24.Май.2021, 06:59 | Сообщение # 128
Стажер
У вас сообщений: 42
Инженер
OFFлайн
Российская Федерация

Нягань
Р-комплекс на 3 раб места УниКоРД. При включении выдал ошибку Е903 (замкнут пер. Подготовки)
Подскажите пожалуйста кто знает в чем проблема.

Update: описание проблемы не нашел но победил по наитию. Прошёлся по всем поворотным и ходящим узлам/плоскостям (стол,голова,основание) и где то тут и победил. Все должно ходить как положено.


Сообщение отредактировал walkman8196 - Понедельник, 24.Май.2021, 07:24
 
WolfhardДата: Вторник, 22.Июн.2021, 15:01 | Сообщение # 129
Стажер
У вас сообщений: 8
Рентгенолаборант
OFFлайн
Украина

Луцк
Привет.
Такая ситуация. Аппарат Browiner mobile Cooper, при попытке зарадить, пищит с интервалом. При запуске на табло состояния пишет charge error (ошибка зарядки). В чём может быть дело?
Аппарат совсем новый, техник сказал, что может быть нехватка тока в розетке.
 
1965njkzДата: Вторник, 22.Июн.2021, 15:04 | Сообщение # 130
Участник
У вас сообщений: 105
инженер по ремонту медоборудования
OFFлайн
Российская Федерация

Великий Новгород
Тестером промерьте напряжение в сети ... А также во время зарядки ... И ещё одно ... Может он новый ... Но в складе где-то валялся ... До продажи ... Тогда может быть с батареей проблема.
 
WolfhardДата: Вторник, 22.Июн.2021, 15:14 | Сообщение # 131
Стажер
У вас сообщений: 8
Рентгенолаборант
OFFлайн
Украина

Луцк
02.21 года производства, в медучреждение поступил 26.04 21 г.
Завтра электрики должны заехать ...
 
1965njkzДата: Вторник, 22.Июн.2021, 15:30 | Сообщение # 132
Участник
У вас сообщений: 105
инженер по ремонту медоборудования
OFFлайн
Российская Федерация

Великий Новгород
... такой аппарат? ...
0093458.jpg (19.1 Kb)
 
WolfhardДата: Вторник, 22.Июн.2021, 15:36 | Сообщение # 133
Стажер
У вас сообщений: 8
Рентгенолаборант
OFFлайн
Украина

Луцк
Да. Запускается, работает, но при попытке зарядить сигналит, и надпись: "charge error".
Заряжаю, как мастер учил, врубаю вилку в розетку и снизу главный рубильник автомат, без поворота ключа для запуска самой станции.
 
galatov-stasДата: Среда, 01.Дек.2021, 09:47 | Сообщение # 134
Заглянувший
У вас сообщений: 1
инженер
OFFлайн
Российская Федерация

шахты
Извиняюсь, если не по теме пишу, но не знаю куда уже обратиться.
Рентген аппарат ООО "Севкаврентген-1" / Диаком"", к которому подключено рабочее место лаборанта. Перестало запускаться ПО infimed i5 rf (версия 1.3). Пишет: не удалось зарегестрировать программное устройство. Перезапустите приложение.
Может кто знает как решить эту проблему?
Связывался с заводом, они ни чем не помогли.
 
md416Дата: Понедельник, 13.Дек.2021, 12:15 | Сообщение # 135
Заглянувший
У вас сообщений: 1
Нет
OFFлайн
Российская Федерация

Москва
Добрый день, господа.
Есть ли техническая возможность замены масла в рентгеновской трубке ангиографа GE Innova 2100 (при нагревании возникают пробои)?
P.S. извиняюсь, форум не дает создавать новые темы
 
LampampidusДата: Четверг, 17.Фев.2022, 08:18 | Сообщение # 136
Заглянувший
У вас сообщений: 2
Инженер
OFFлайн
Российская Федерация

Тюмень
Добрый день!
АРЦ-01-"ОКО". При входе в сервисный режим пульта управления=>сервисный режим генератора, в строке "состояние генератора" - "Опция не совместима". В самой инструкции по монтажу есть эта ошибка в перечне, но не её расшифровка. Экспозиция не срабатывает при нажатии.
Подскажите, пожалуйста, может кто сталкивался с подобным. По форуму искала, но либо не там, либо не то.
.

См. http://www.medteh.info/forum/33-0-1-0-10-1-[арц-01] или http://www.medteh.info/forum/33-0-1-0-10-1-[арц] .
 
black475Дата: Четверг, 13.Окт.2022, 13:38 | Сообщение # 137
Стажер
У вас сообщений: 6
Инженер
OFFлайн
Российская Федерация

Нижневартовск
Добрый день!
На КРД-СМ 50/125-1 «СПЕКТРАП» появляется ошибка Е134 (фото во вложение) и загорается красным на изображение трубки на пульте (также фото во вложение).
Подскажите, пожалуйста, не знаем что делать. В мануале, что шёл с аппаратом, этой ошибки нет,. Официалы уже месяц молчат, ничего из них не вытянешь ...
3706196.jpg (129.8 Kb) · 2502773.jpg (124.8 Kb)
 
mozalДата: Четверг, 13.Окт.2022, 16:25 | Сообщение # 138
У вас сообщений: 100
Рентген
OFFлайн
Российская Федерация

Цитата black475 ()
загорается красным на изображение трубки

ЧТО ЖАРИТЕ ПОД СКОПИЕЙ БОЛЕЕ 5 МИНУТ ?!
(официалы или охренели, или со смеху помёрли ...)
https://gurmanin.ru/stati....-steyka


Сообщение отредактировал mozal - Четверг, 13.Окт.2022, 17:20
 
  • Страница 4 из 4
  • «
  • 1
  • 2
  • 3
  • 4
Поиск:



Статистика Форума
Последние обновления тем: Новые файлы хранилища: Новые участники: Top10 участников:
1. Aution max AX-4030, т...[MasterSkif (08.Дек.2025)]
2. Замена светодиода на ...[Shturman (05.Дек.2025)]
3. Анализатор поля зрени...[SpirituS (04.Дек.2025)]
4. Программный комплекс ...[mqubali (04.Дек.2025)]
5. Кардиорегистратор «ИК...[albano18 (04.Дек.2025)]
6. Thermo Scientific gem...[viggen (03.Дек.2025)]
7. Центрифуга CM-6M ф.El...[Ningen64 (03.Дек.2025)]
8. Дефибриллятор Defi B ...[san-che30 (02.Дек.2025)]
9. Коллиматор Ralco R 22...[seeker (02.Дек.2025)]
1. VIVIX Setup Operation...[12.Окт.2025]
2. GenwareMP[10.Сен.2025]
3. Настройка реагентов M...[20.Авг.2025]
4. Philips HD3-EXP[13.Авг.2025]
5. Рентгеновское оборудо...[08.Авг.2025]
6. VersaMed iVent201 Сер...[13.Фев.2025]
7. Гелпик КРД Ренекс РЦ ...[09.Фев.2025]
8. Офтальмологическая ус...[31.Окт.2024]
9. Cardinal-Health-VELA-...[03.Окт.2024]
10. Service Manual HAMILT...[02.Окт.2024]
1. Nurgazy[12.Дек.2025]
2. alviola[12.Дек.2025]
3. ServicTeh[12.Дек.2025]
4. Maks_M[12.Дек.2025]
5. barguz94[11.Дек.2025]
6. tasin[11.Дек.2025]
7. alabay[11.Дек.2025]
8. tolikhelp[11.Дек.2025]
9. Daswer[10.Дек.2025]
10. Zhenysoglasis[10.Дек.2025]
МастерБаку[583]
Yulana34[177]
Serg74[160]
Dimitrius[129]
naves[122]
РОМУЛ[121]
bektyish[121]
madmac[116]
Алекс-200[114]
begun_a[112]