[ Новые сообщения · Участники · Правила форума · Поиск · RSS ]



Модератор форума: dima_perikov, YRA46  
Информация по стоматустановкам ф.Sirona
DreemerДата: Пятница, 01.Июн.2012, 06:56 | Сообщение # 41
Стажер
У вас сообщений: 7
инженер
OFFлайн
Российская Федерация

томск
выложите пожалуста еще раз.
 
DreemerДата: Пятница, 01.Июн.2012, 06:58 | Сообщение # 42
Стажер
У вас сообщений: 7
инженер
OFFлайн
Российская Федерация

томск
нужен каталог запчастей сирона с номерами
 
титовДата: Пятница, 01.Июн.2012, 10:12 | Сообщение # 43
Участник
У вас сообщений: 186
инженер по МО
OFFлайн
Российская Федерация

Санкт-Петербург
Как такового каталога нет unknown . На какую установку нужны артикулы? Установка состоит из огромного числа узлов и деталей
Чем больше конкретики тем проще и быстрее найти
 
DreemerДата: Суббота, 02.Июн.2012, 06:34 | Сообщение # 44
Стажер
У вас сообщений: 7
инженер
OFFлайн
Российская Федерация

томск
надо на сирону с8
 
титовДата: Понедельник, 04.Июн.2012, 11:36 | Сообщение # 45
Участник
У вас сообщений: 186
инженер по МО
OFFлайн
Российская Федерация

Санкт-Петербург
обведите нужную установку и уточните на какую часть нужны артиклы
1814407.jpg (131.7 Kb)
 
proff1279omegaДата: Пятница, 14.Сен.2012, 10:01 | Сообщение # 46
У вас сообщений: 217
инженер
OFFлайн
Российская Федерация

Белгород
Может быть ранее и говорилось , но анализ ссылок через поисковики может привести к интересным результатам .
Например Sirona - есть две хорошие ссылки с технической документацией :
-http://td.sirona.com/-однако здесь не полный набор ,
-http://www.sironasupport.com/webdocs/ - а вот тут очень много чего есть ,например в подразделе "Doku" (http://www.sironasupport.com/webdocs/Sirona%20Document%20Management/Doku/)
лежит сервис мануал на ORTHOPHOS 3 по номером 5835744.
Таким методом ранее нашел сервис мануал на рентгенаппарат Apollo ,хорошо то что все доки скачиваются бесплатно,без регистрации ,необходимо только тщательно анализировать ссылки.Разумеется доступ к зтим ссылкам через некоторое время блокируется.
Таких ресурсов к сожалению немного.Так было скачана документация на некоторые CR-системы(CR-30,CR-75-85,...) , на Drystar (5302,...),FTP-ресурсы.
Хорошо бы создать отдельную тему для подобных ссылок ,общую для всех видов аппаратуры.
 
МастерБакуДата: Понедельник, 08.Окт.2012, 15:32 | Сообщение # 47
У вас сообщений: 11269
инженер
OFFлайн
Российская Федерация

Нижний Новгород
Quote (proff1279omega , 14.Сен.2012))
Хорошо бы создать отдельную тему для подобных ссылок ,общую для всех видов аппаратуры.

MEDTEH просим содействовать в решении вышеизложенных проблем.
 
makarogДата: Среда, 10.Окт.2012, 22:47 | Сообщение # 48
Заглянувший
У вас сообщений: 1
радиоинженер
OFFлайн
Беларусь

Полоцк
ftp://cltfiles.sirona.com/pub/dpt/cadcam/technical/Manuals/Tech%20Doc%20Spare%20parts%20catalog/Version%2012.0%2004.zip
3.6Гб инфы
 
bigДата: Четверг, 18.Окт.2012, 01:05 | Сообщение # 49
Техник
У вас сообщений: 1155
инженер
OFFлайн
Российская Федерация

Москва
титов, не сочти за труд просветить коллег, чем Sirona объясняет ограниченный срок службы их бутылки автономной воды ?
5824070.jpg (110.4 Kb)
 
egor55Дата: Четверг, 18.Окт.2012, 02:31 | Сообщение # 50
У вас сообщений: 76
ИНЖЕНЕР
OFFлайн
Российская Федерация

RASHA
big, Ресурс есть у всего даже и у бутылок, при мне одну разорвало в клочья, поэтому Sirona объясняет ограниченный срок службы их бутылки, не ждет когда их разорвет и натворит каких нибудь неприятностей.

Сообщение отредактировал egor55 - Четверг, 18.Окт.2012, 02:33
 
титовДата: Четверг, 18.Окт.2012, 11:36 | Сообщение # 51
Участник
У вас сообщений: 186
инженер по МО
OFFлайн
Российская Федерация

Санкт-Петербург
Если бутылку разорвет это уже криминал. Пластмасса имеет свой срок службы не только из расчета механического разрушения но и санитарных требований. По инструкции бутылка должна обрабатываться один раз в месяц сироновскими моющими средствами. Вот они и расчитывают кол-во циклов обработки + бактерицидные лампы и т.д., до момента когда пластмасса начнет менять свои св-ва (меняет цвет, мутнеет и т.д.)
Ну и соответственно бутылки покупать только у sirona

Вот выдержка из инструкции:

Для обеспечения эксплуатационной надежности и безопасности
данное изделие разрешается эксплуатировать только
с оригинальными принадлежностями производства фирмы Sirona
или с принадлежностями иных изготовителей, допущенных
фирмой Sirona. Пользователь несет ответственность за риск
использования недопущенных принадлежностей.
 
МастерБакуДата: Четверг, 18.Окт.2012, 11:57 | Сообщение # 52
У вас сообщений: 11269
инженер
OFFлайн
Российская Федерация

Нижний Новгород
Quote (титов)
Ну и соответственно бутылки покупать только у sirona
- не критично , можно использовать любую из под сильногазированной минеральной воды ,убрав поясок ,который остаётся под крышкой после открывания ,резьба стандартная .(Sirona знала что врачи покупать у неё не будут.) и менять её раз в месяц. трубку внутри лучше укоротить чтобы не доставала до дна 1-2см.


Сообщение отредактировал мастерБаку - Пятница, 19.Окт.2012, 09:58
 
bigДата: Четверг, 18.Окт.2012, 13:50 | Сообщение # 53
Техник
У вас сообщений: 1155
инженер
OFFлайн
Российская Федерация

Москва
титов, спасибо !
Quote (титов)
сироновскими моющими средствами

А состав средства известен ?
 
титовДата: Четверг, 18.Окт.2012, 15:59 | Сообщение # 54
Участник
У вас сообщений: 186
инженер по МО
OFFлайн
Российская Федерация

Санкт-Петербург
Средство для дезинфекции водопроводящих каналов Dentosept P. Что входит в состав данного "супер средства" не знаю, как-то в голову не приходило почитать. Но в принципе если погуглить то можно накопать.
5970905.pdf (1.52 Mb)
 
МастерБакуДата: Четверг, 10.Янв.2013, 10:23 | Сообщение # 55
У вас сообщений: 11269
инженер
OFFлайн
Российская Федерация

Нижний Новгород
очередная ситуация. shok С8+ с сепаратором ( он мне не нравится! ) при работе с китайской вакуумной помпой мощностью 340 вт врача мощность отсоса устраивает, но после отсоса 200 гр воды - останавливается отсос на 1.5 минуты, потом опять начинает. подключил эком - всё нормально. unknown . какое отношение имеет сила вакуума к скорости эвакуации жидкости ?- там ведь мотор стоит?! кстати там коммуникации не правильные, но вопрос не об этом( хотя они и исключили китайца).
титов, отзовись!
0092645.jpg (5.6 Kb)


Сообщение отредактировал МастерБаку - Четверг, 10.Янв.2013, 10:25
 
титовДата: Четверг, 10.Янв.2013, 14:59 | Сообщение # 56
Участник
У вас сообщений: 186
инженер по МО
OFFлайн
Российская Федерация

Санкт-Петербург
немного муторно написано unknown . я так понимаю, что Вы подключили доп. вакумный насос? shok
Вакумный насос, на картинке, примерной производительностью 60-65 л/мин и расчитана на одну установку.
В случаи если у Вас в установке есть родная аспирационная система то мне непонятно зачем ставить доп. насос? Либо то, либо другое + сепаратор для отделения жидкости

Выложи фото как что подключено.
 
МастерБакуДата: Четверг, 10.Янв.2013, 15:52 | Сообщение # 57
У вас сообщений: 11269
инженер
OFFлайн
Российская Федерация

Нижний Новгород
Цитата (титов)
аспирационная система
состоит из сепаратора и воздушного насоса . вот о нём и разговор.
Цитата (МастерБаку)
какое отношение имеет сила вакуума к скорости эвакуации жидкости ?
9239209.jpg (11.1 Kb) · 7880769.jpg (7.5 Kb)
 
МастерБакуДата: Четверг, 10.Янв.2013, 15:58 | Сообщение # 58
У вас сообщений: 11269
инженер
OFFлайн
Российская Федерация

Нижний Новгород
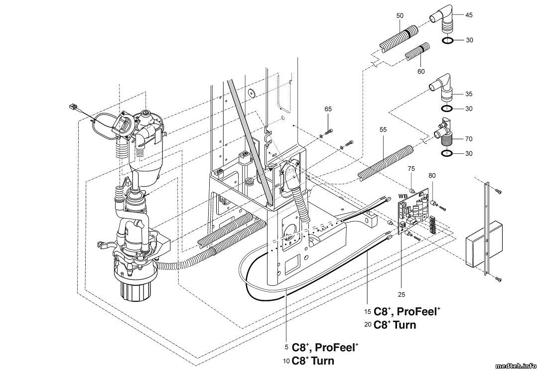
Система мокрой аспирации – для подключения к центральным клиническим системам

Автоматический сепаратор – для подключения к системам сухой аспирации .

Отделитель амальгамы – для отделения амальгамы в соответствии с DIN EN ISO 11143. Не требующая технического обслуживания система за исключением замены ротора (с индикатором требующейся замены или с заменяемым минимум один раз в год ротором).

wink [p.s.] картинки 2 и 4 в тексте - наоборот blush [/p.s.]
2173709.jpg (10.2 Kb) · 8240515.jpg (11.2 Kb) · 3257550.jpg (11.1 Kb) · 1657187.jpg (7.5 Kb)


Сообщение отредактировал МастерБаку - Четверг, 10.Янв.2013, 16:06
 
титовДата: Четверг, 10.Янв.2013, 17:43 | Сообщение # 59
Участник
У вас сообщений: 186
инженер по МО
OFFлайн
Российская Федерация

Санкт-Петербург
И так давайте разбираться:
1. скорость аспирации напрямую зависит от мощности вакумного насоса т.е. чем мощнее насос тем больше воздуха и соответственно жидкости он "выплюнет" (это если напрямую)
Максимальное выпускное давление, т е. предельное давление на стороне выпускного патрубка вакуумного насоса, превышение которого приводит к возрастанию давления на стороне впускного патрубка.
2. У Вас стоит сепоратор который "условно" регулирует скорость аспирации (не более -0,98 атм) и отделяет жидкость от воздуха т.е. сильнее чем заложенно в конструкции (сечение шлангов и переходных отверстий) он тянуть не позволит, иначе человека можно "засосать в пылесос" biggrin

В Вашей ситуации скорее всего несправляется сепоратор (захлебнулся) и с большой вероятностью часть жидкости попадает в сам насос, что в свою очередь может привести к выходу потшипников из стороя.

у меня была такая ситуация: вакуумный насос рачитан на 4 установки, а работала только одна, в сепораторе забилось одно из отверстий и насос "наглотался" асперматика и соответственно потшипники крякнули.
При централизованной аспирации очень важно следить за чистотой сепоратора. Очень часто на стенки налипает порошок от профифлекса и забивается слив.

7382995.jpg (184.1 Kb)
 
МастерБакуДата: Четверг, 10.Янв.2013, 18:34 | Сообщение # 60
У вас сообщений: 11269
инженер
OFFлайн
Российская Федерация

Нижний Новгород
Цитата (МастерБаку)
какое отношение имеет сила вакуума к скорости эвакуации жидкости ?-

Думаю надо было добавить "из сепаратора в канализацию" чтобы не было 1и 2.
повторяю - почему при использовании более слабого насоса сепаратор захлëбывается?
 
титовДата: Четверг, 10.Янв.2013, 22:34 | Сообщение # 61
Участник
У вас сообщений: 186
инженер по МО
OFFлайн
Российская Федерация

Санкт-Петербург
У-Ф-Ф наконец-то добрался до дома drinks . Чето сайт тормозит diablo ????

Прошу прощения за орфографию в прошлом посте, писал на ходу mail1 (у меня стоматология не приоритетное направление (хирургия, эндоскопия, офтальмология, ЛОР, УЗД, Рентген и др).
Проверяйте уплотнения, напор воды, и др., не мне Вас учить. Я думаю дело в какой-нибудь мелочи.
Но, на мой взгляд, сравнивать ECOM с «галимым» КИТАЕМ не правильно. ireful
Немцы делают качественный продукт и никак не рассчитывают на то, что к их установкам приладят непредсказуемое оборудование unknown
К примеру (из практики): беру я два вакуумных насоса качественного «немца» и «китаезу» и при максимальном наборе оборотов (плавный пуск) затыкаю входное отверстие (было-же время на эксперементы).
«Немец» останавливает мотор через 2,00-4,5сек. «Китаеза» работает примерно 10-25 сек. после этого делает «ППР-ПУУФ-ПЁЁР» и начинает набирать обороты.
Разбираю и вижу пиз…….ц какую разницу:
У «немца» стоит сальник +сальник + «герметичный» подшипник (закрыт с двух сторон)
У «китаезы» один сальник (одна сажа, а не резина) подшипник (закрытый с одной стороны).

Вот и в Вашем случаи дело, скорее всего в насосе т.к. при наборе максимальной нагрузки «китаеза» начинает «просирать» между сальниками и подшипниками, а ECOM держит отрицательное давление, даже если забит сепаратор. В этом и есть различие между качественным оборудованием и др.
Но в любом случаи я сначала проверил бы все соединения, после-насос.
 
YRA46Дата: Четверг, 10.Янв.2013, 22:45 | Сообщение # 62
Стоматология, Стерилизация
OFFлайн
Российская Федерация

г. Курск
Эком это Словакия...
 
МастерБакуДата: Четверг, 10.Янв.2013, 23:31 | Сообщение # 63
У вас сообщений: 11269
инженер
OFFлайн
Российская Федерация

Нижний Новгород
Какой напор воды? ireful чем забит сепаратор? shok новая машина,чистая вода в стакане. вопрос прочтите ещë раз.вопрос не в том чем китаец хуже экома, и какая разница сироне чем из неë сосëт ?
 
титовДата: Пятница, 11.Янв.2013, 12:28 | Сообщение # 64
Участник
У вас сообщений: 186
инженер по МО
OFFлайн
Российская Федерация

Санкт-Петербург
Вообще-то странно, я с таким не сталкивался unknown А вакуумники одинаковые по мощности? Хотя я видел установку подключенную к "китайцу" с производительностью 65 лит.мин и никаких проблем не было. Может сепаратор не правильно подключен? Но я думаю с Вашим опытом это маловероятно biggrin
 
МастерБакуДата: Пятница, 11.Янв.2013, 12:35 | Сообщение # 65
У вас сообщений: 11269
инженер
OFFлайн
Российская Федерация

Нижний Новгород
машина не моя ,разбирать не могу, моё только
Цитата (титов)
вакуумники
, китаец был чуть слабее экома по силе , а по производительности превышал , но производительность съели трубы mad , biggrin

Цитата (титов)
Вообще-то странно
потому и написал.
 
титовДата: Пятница, 11.Янв.2013, 12:49 | Сообщение # 66
Участник
У вас сообщений: 186
инженер по МО
OFFлайн
Российская Федерация

Санкт-Петербург
А зачем разбирать? Открыть две крышки (сбоку под плевашкой и основную под креслом ) и посмотреть, может чьи-то "шаловливые" ручки там поковырялись и тогда всем сделать
 
МастерБакуДата: Пятница, 11.Янв.2013, 13:04 | Сообщение # 67
У вас сообщений: 11269
инженер
OFFлайн
Российская Федерация

Нижний Новгород
Цитата (титов)
Открыть две крышки (сбоку под плевашкой и основную под креслом )
nea получается четыре. чужое добро не трогаю, - на гарантии nea
 
Vlad66rusДата: Пятница, 11.Янв.2013, 13:49 | Сообщение # 68
Заглянувший
У вас сообщений: 1
Сервисный инженер
OFFлайн
Российская Федерация

Челябинск
Была подобная проблема у товарищей. Два новых одинаковых сепаратора абсолютно по разному себя вели. Попробуй подать на входе помпы немного дополнительного воздуха в магистраль.
 
МастерБакуДата: Пятница, 11.Янв.2013, 13:52 | Сообщение # 69
У вас сообщений: 11269
инженер
OFFлайн
Российская Федерация

Нижний Новгород
Цитата (Vlad66rus)
Попробуй подать на входе помпы немного дополнительного воздуха в магистраль.
это уже интересно ... и есть логика, проверю завтра.
 
bigДата: Суббота, 12.Янв.2013, 00:43 | Сообщение # 70
Техник
У вас сообщений: 1155
инженер
OFFлайн
Российская Федерация

Москва
МастерБаку, если вместо "веселых картинок"- принципиальных схем представите на публику фото ( хотя бы внешне ) сепаратора, думаю, версий будет больше.
Возможно, этот сепаратор имеет клапан ( конструктивно: мембрана, прогибающаяся от вакуума ). В этом случае глубина вакуума и производительность помпы имеет значение.
 
TexnikimsДата: Суббота, 12.Янв.2013, 10:01 | Сообщение # 71
У вас сообщений: 549
Сервисный Инженер
OFFлайн
Российская Федерация

МО Люберцы
Возможно, этот сепаратор имеет клапан ( конструктивно: мембрана, прогибающаяся от вакуума )

В сепараторе поплавковый клапан в виде шарика от пинпонга!

Мембранный клапан установлен на самой дренажной помпе

http://www.medteh.info/_fr/63/4368994.jpg


Сообщение отредактировал Texnikims - Воскресенье, 13.Янв.2013, 20:53
 
art-i-kДата: Суббота, 12.Янв.2013, 10:38 | Сообщение # 72
У вас сообщений: 1306
стоматология во всех её проявлениях
OFFлайн
Украина

Полтава
Цитата (Texnikims)
Мембранный клапан установлен на самой денежной помпе

Для нас она действительно денежная,в некоторых случаях геморройная,но в миру наверное все-таки дренажная. biggrin
 
МастерБакуДата: Суббота, 12.Янв.2013, 12:16 | Сообщение # 73
У вас сообщений: 11269
инженер
OFFлайн
Российская Федерация

Нижний Новгород
для кого
Цитата (Texnikims)
денежная
, а для других
Цитата (art-i-k)
геморройная
rofl
 
МастерБакуДата: Суббота, 12.Янв.2013, 12:18 | Сообщение # 74
У вас сообщений: 11269
инженер
OFFлайн
Российская Федерация

Нижний Новгород
Цитата (big)
представите на публику фото ( хотя бы внешне ) сепаратора

он под кожухом
Цитата (МастерБаку)
машина не моя ,разбирать не могу

Цитата (МастерБаку)
чужое добро не трогаю, - на гарантии

blush


Сообщение отредактировал МастерБаку - Суббота, 12.Янв.2013, 19:53
 
TexnikimsДата: Воскресенье, 13.Янв.2013, 20:56 | Сообщение # 75
У вас сообщений: 549
Сервисный Инженер
OFFлайн
Российская Федерация

МО Люберцы
МастерБаку, У меня никаких кожухов прекрывающих сепаратор - не было! может ВЫ что то напутали? у вас С8+ ???
 
МастерБакуДата: Воскресенье, 13.Янв.2013, 21:08 | Сообщение # 76
У вас сообщений: 11269
инженер
OFFлайн
Российская Федерация

Нижний Новгород
Цитата (Texnikims)
никаких кожухов
- крышки на гидроблоке
 
TexnikimsДата: Воскресенье, 13.Янв.2013, 21:21 | Сообщение # 77
У вас сообщений: 549
Сервисный Инженер
OFFлайн
Российская Федерация

МО Люберцы
Вы пытаетесь решить проблему неоткрывая крышек гидроблока???
 
МастерБакуДата: Воскресенье, 13.Янв.2013, 23:08 | Сообщение # 78
У вас сообщений: 11269
инженер
OFFлайн
Российская Федерация

Нижний Новгород
проблему я решил. но мне не понятна причина.
 
madmacДата: Понедельник, 25.Мар.2013, 19:51 | Сообщение # 79
У вас сообщений: 1293
стоматология и связанное с ней
OFFлайн
Российская Федерация

СПб
Цитата (МастерБаку)
не понятна причина

какие сечения труб для вакуума под установкой? какое сечение основной магистрали вакуума?
качество канализации?
как отрабатывает клапан сепаратора установки? вопросов море.
несколько случаев было из-за неработающего толком отсечного(обратного) клапана. он не закрывался, и при включении пылесоса жижа из сепаратора амальгамы засасывалась в сепаратор.
из-за хренового слива-много случаев.
если клапан отсечки вакуума недозакрывается, тоже бывает. мембрана встает наперекос слегка и идет подсос непрерывный, пока работает помпа.


Сообщение отредактировал madmac - Понедельник, 25.Мар.2013, 19:52
 
МастерБакуДата: Среда, 27.Мар.2013, 22:56 | Сообщение # 80
У вас сообщений: 11269
инженер
OFFлайн
Российская Федерация

Нижний Новгород
Если не трудно прочтите с поста 56.слив в норме.
 
Поиск:



Статистика Форума
Последние обновления тем: Новые файлы хранилища: Новые участники: Top10 участников:
1. Центрифуга CM-6M ф.El...[vladi (08.Ноя.2025)]
2. Биохимический анализа...[Nadebor (08.Ноя.2025)]
3. Стерилизатор паровой ...[Ан2рей (07.Ноя.2025)]
4. УЗИ SonoAce Pico ф.Sa...[arslan (05.Ноя.2025)]
5. Система автомат. капи...[AntonioPetty (05.Ноя.2025)]
6. Dixion Овертон 6000[Нифигатор (05.Ноя.2025)]
7. Шланг для микроэлектр...[vev1974 (03.Ноя.2025)]
8. Стоматустановка Estet...[Shturman (31.Окт.2025)]
9. УЗИ DP-50 ф.Mindray (...[yzist (31.Окт.2025)]
1. VIVIX Setup Operation...[12.Окт.2025]
2. GenwareMP[10.Сен.2025]
3. Настройка реагентов M...[20.Авг.2025]
4. Philips HD3-EXP[13.Авг.2025]
5. Рентгеновское оборудо...[08.Авг.2025]
6. VersaMed iVent201 Сер...[13.Фев.2025]
7. Гелпик КРД Ренекс РЦ ...[09.Фев.2025]
8. Офтальмологическая ус...[31.Окт.2024]
9. Cardinal-Health-VELA-...[03.Окт.2024]
10. Service Manual HAMILT...[02.Окт.2024]
1. sergei72[07.Ноя.2025]
2. AlekseyVladimirovich[07.Ноя.2025]
3. dvl76[07.Ноя.2025]
4. DeepFarUser[07.Ноя.2025]
5. igabuga[06.Ноя.2025]
6. denistor_man[06.Ноя.2025]
7. gaboyan[05.Ноя.2025]
8. coover66[05.Ноя.2025]
9. Lukccc[05.Ноя.2025]
10. AnisjaOvsjannikova[05.Ноя.2025]
МастерБаку[583]
Yulana34[177]
Serg74[160]
Dimitrius[129]
naves[122]
РОМУЛ[121]
bektyish[121]
madmac[116]
Алекс-200[114]
begun_a[112]