[ Новые сообщения · Участники · Правила форума · Поиск · RSS ]



  • Страница 2 из 3
  • «
  • 1
  • 2
  • 3
  • »
Модератор форума: YRA46  
Стерилизаторы паровые серии BES от бренда "YouJoy" (Китай)
МВРДата: Вторник, 17.Сен.2013, 14:46 | Сообщение # 1
Медтехник
OFFлайн
Российская Федерация

.
Регистрационное удостоверение ФСЗ 2010/06272 от 02.03.2010 года на Стерилизатор паровой BES YOUJOY, варианты исполнения (модели):
- BES-12L-N-LED;
- BES-12L-B-LED;
- BES-15L-N-LED;
- BES-15L-B-LED;
- BES-17L-B-LCD;-
- BES-22L-B-LCD.
Производство китайской компании Ningbo Youjoy Dental Equipment Co., Ltd. (торговый бренд - "YOUJOY").

Паровые стерилизаторы китайской компании Ningbo Youjoy Dental Equipment Co., Ltd. Китай, серии BES, класса В, используется для стерилизации инструментов, приборов и аппаратов в клиниках, больницах и лабораториях.

Цитата - комментарий к ПРАВИЛАМ Форума ()
Участникам Форума (если они считают себя специалистами ) остаётся только инженерно-технически и по русски грамотно, логично и достоверно
(без неинженерной, порой даже примитивной, ОТСЕБЯТИНЫ ) излагать свои мысли и указывать наименование оборудования, и то, что с ним связано!

В тексте темы следите за тем о какой модели парового стерилизатора ведётся речь (правда, о некоторых надо догадываться ), при написании же поста полностью указывайте фактическую модель стерилизатора, чтобы не путать других сейчас и потом, и тем не получать ответ/совет, не относящийся к вашей конкретной проблеме!

На Форуме по адресу - https://www.medteh.info/forum/55-0-1-0-10-1-[BES] есть темы про проблемы с паровыми стерилизаторами серии BES.

Тема начинается с модели:
Модель BES-15L-B-LED - объём 15 л, 5 программ, класс B c вакуумной сушкой и тройным циклом предвакуума.
Данный стерилизатор компьютеризирован, легко управляем. Компьютерная программа снабжена самодиагностикой, защитой от перегрева или превышения давления.
.
ИнженерА (если, конечно, есть таковые), как Вы считаете, что в медицине всё-таки делают - автоклавируют или стерилизуют? ... Если автоклавируют в автоклавах, то какими нормативными документами это определяется и регулируется? ... И тогда, всё-таки, какое и когда применяется оборудование? ... Как оно по-инженерному именуется, а не от недопонимания, по причине невысокого уровня профессионального БАЗИСА МЫШЛЕНИЯ, кличится (жаргонируется)?

Для уточнения своей профессиональной квалификации, а главное, для повышения уровня своего профессионального БАЗИСА МЫШЛЕНИЯ (см. в с.90 - абзац "О ВОДЕ ..."), прочтите по ссылке ТЕМУ, особо обратив внимание на с.13, 17 и 6.
.
 
andaf1Дата: Понедельник, 24.Окт.2016, 15:16 | Сообщение # 41
Стажер
У вас сообщений: 41
Инженер-наладчик
OFFлайн
Российская Федерация

Россия
Решено, была забита магистраль сброса пара под крышку стерилизатора.
 
evil_moderateДата: Пятница, 25.Ноя.2016, 09:43 | Сообщение # 42
Заглянувший
У вас сообщений: 3
техник
OFFлайн
Российская Федерация

Владивосток
Модель BES-15L-B-LED выдаёт ошибку Е7.
Пробовал заменить термостат и помпу (замена термостата помогла на 1 запуск в режиме теста). Температура, при которой возникает ошибка Е7 от 80 до 120 (парогенератор).
Подскажите, сколько должно быть выставлено на термостате градусов. И в какой стороне рыть неисправность. Парогенератор или же основная плата?
 
ad822Дата: Пятница, 25.Ноя.2016, 10:50 | Сообщение # 43
Стажер
У вас сообщений: 32
техник
OFFлайн
Российская Федерация

N
термостат на 250 град. может плохо обжаты провода термопары? был такой случай у меня, стерилизатор докучи "парил"
3924170.jpg (18.3 Kb)


Сообщение отредактировал ad822 - Пятница, 25.Ноя.2016, 10:51
 
art-i-kДата: Суббота, 26.Ноя.2016, 18:56 | Сообщение # 44
У вас сообщений: 1306
стоматология во всех её проявлениях
OFFлайн
Украина

Полтава
Цитата evil_moderate ()
Парогенератор
 
NokierДата: Воскресенье, 27.Ноя.2016, 19:02 | Сообщение # 45
Стажер
У вас сообщений: 48
Инженер
OFFлайн
Российская Федерация

Санкт-Петербург
...и к нам это "веселье" прикатило! ("Твоё счастье" , в смысле "YOJOY") biggrin
Вроде как работает, но набирает температуру долговато.
Сначала нормально набор идёт, а при подходе к давлению примерно 1.7 , ну о-очень долго.
Виноват оказался тоже обратный клапан водянной помпы!
Какой-то умник там уже был... И поставил вместо пластикового, тупо-железный шарик, который естественно соржавел.(под микроскопом напоминал Луну с её кратерами) ireful
Заменили шарик, всё стало нормуль!
 
evil_moderateДата: Понедельник, 28.Ноя.2016, 03:50 | Сообщение # 46
Заглянувший
У вас сообщений: 3
техник
OFFлайн
Российская Федерация

Владивосток
Если переобжатие термопары и обслуживание парогенератора не поможет. Где искать термопары на замену?Пробовал аналоги (от -50 до 400 градусов) - не помогли.

Сообщение отредактировал evil_moderate - Понедельник, 28.Ноя.2016, 04:47
 
ad822Дата: Понедельник, 28.Ноя.2016, 11:21 | Сообщение # 47
Стажер
У вас сообщений: 32
техник
OFFлайн
Российская Федерация

N
лучше пропаять концы. датчики температуры есть у полиденты например

Сообщение отредактировал ad822 - Понедельник, 28.Ноя.2016, 11:30
 
evil_moderateДата: Среда, 07.Дек.2016, 04:35 | Сообщение # 48
Заглянувший
У вас сообщений: 3
техник
OFFлайн
Российская Федерация

Владивосток
Пропайка концов, положительных результатов не дало. Буду заказывать термопару.
9684757.jpg (64.9 Kb)
 
serg006Дата: Вторник, 03.Окт.2017, 20:40 | Сообщение # 49
Техник
У вас сообщений: 394
стомтология
OFFлайн
Российская Федерация

сургут
Чтоб не плодить тем, чиркну тут.
Проблема такая: - приволокли с неисправностью - хлещет вода.
Разобрал - порвалась мембрана в одном поршне насоса. Поставил, запустил - что-то звук не понравился. Посмотрел куда идёт сброс, и обнаружил странную железную фиговину в дополнительном отсеке в баке чистой воды ...
Вопрос - что это такое?! Кто-нибудь знает? ...
 
МастерБакуДата: Вторник, 03.Окт.2017, 22:50 | Сообщение # 50
У вас сообщений: 11269
инженер
OFFлайн
Российская Федерация

Нижний Новгород
А где фото?
 
serpackДата: Среда, 01.Ноя.2017, 07:20 | Сообщение # 51
Заглянувший
У вас сообщений: 2
мед.техник
OFFлайн
Российская Федерация

Барнеапль
Ошибка Е9, остаток воды в камере, зависание на 0,5-0,6 бар и 60-110 гр. РЕШАЕТСЯ ремонтом клапана, трубка к которому идёт от фильтра воды, установленного в камере. Полный разбор клапана и отрезание кусков развалившейся от температуры резинки освободит Вас от проблем. wink
 
техник-44Дата: Суббота, 02.Дек.2017, 17:42 | Сообщение # 52
Стажер
У вас сообщений: 14
инженер по ремонту медоборудования
OFFлайн
Российская Федерация

Краснодар
При включении стерилизатора идет нагрев камеры, а на парогенератор нет, на плате управления видно, что диод нагрева камеры горит, а парогенератора нет, проверил сопутствующие детали, все исправны, не идет сигнал с контролера, может кто знает в чем причина
 
МастерБакуДата: Суббота, 02.Дек.2017, 22:18 | Сообщение # 53
У вас сообщений: 11269
инженер
OFFлайн
Российская Федерация

Нижний Новгород
парогенератор включается тогда когда ему положено . на этапе поднятия давления и температуры до момента начала стерилизации . это время наступило ?
 
техник-44Дата: Воскресенье, 03.Дек.2017, 14:03 | Сообщение # 54
Стажер
У вас сообщений: 14
инженер по ремонту медоборудования
OFFлайн
Российская Федерация

Краснодар
Но парогенератор не включается, срабатывает ошибка, что время нагрева вышло и все, до включения старт, видно как на плате поочередно включаются светодиоды нагрева камеры и парогенератора, при включении старт горит только нагрев камеры, потом ошибка время нагрева истекло
 
техник-44Дата: Четверг, 14.Дек.2017, 22:10 | Сообщение # 55
Стажер
У вас сообщений: 14
инженер по ремонту медоборудования
OFFлайн
Российская Федерация

Краснодар
Люди, у кого есть рабочая плата управления для парового стерилизатора Youjoy (модель какая?).
2592141.jpg (201.0 Kb)
 
МастерБакуДата: Четверг, 14.Дек.2017, 22:38 | Сообщение # 56
У вас сообщений: 11269
инженер
OFFлайн
Российская Федерация

Нижний Новгород
Цитата техник-44 ()
время нагрева
т.е. температура преднагрева за отведённое время не было достигнуто - повреждение нагревателя камеры, не достаточное подаваемое напряжение , не комнатная температура ( biggrin )


Сообщение отредактировал МастерБаку - Четверг, 14.Дек.2017, 22:40
 
А96Дата: Воскресенье, 14.Янв.2018, 12:56 | Сообщение # 57
Стажер
У вас сообщений: 25
техник
OFFлайн
Российская Федерация

Арзамас
Цитата serpack ()
Ошибка Е9, остаток воды в камере, зависание на 0,5-0,6 бар и 60-110 гр. РЕШАЕТСЯ ремонтом клапана, трубка к которому идёт от фильтра воды, установленного в камере. Полный разбор клапана и отрезание кусков развалившейся от температуры резинки освободит Вас от проблем.

А что это за клапан? Который после помпы стоит?У меня сразу от резервуара трубка идет в помпу, затем клапан, а затем парогенератор.Может быть его неправильно собрали?До меня его кто то ковырял...
Ошибка та же -Е9. В начале жидкость не циркулировала по контуру вообще-заменил помпу, стала бегать вода по трубкам, но на цикл не выходит. Греется долго не более 80 градусов и выдает ошибку Е9.
 
tiratron-tДата: Вторник, 23.Янв.2018, 01:18 | Сообщение # 58
Заглянувший
У вас сообщений: 2
электромеханик
OFFлайн
Российская Федерация

Южно-Сахалинск
Здравствуйте!
Проблема стандартная-цикл виснет на 0.7 при температуре 70 80℃,определил что это из отсутствия сброса пара,прочистил клапан на выходе камеры,продул конденсатор,с него трубка идет под верхнюю крышку в железную штуковину,что это за чудо кто подскажет?и вот через нее то воздух и не идёт..что это.за железка и должна ли она вырускать пар?
8315218.jpg (137.1 Kb)


Сообщение отредактировал tiratron-t - Вторник, 23.Янв.2018, 01:27
 
ad822Дата: Вторник, 23.Янв.2018, 08:24 | Сообщение # 59
Стажер
У вас сообщений: 32
техник
OFFлайн
Российская Федерация

N
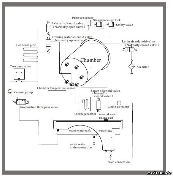
сепаратор. устроен также как выглядит на схеме
9722793.jpg (47.8 Kb)
 
tiratron-tДата: Вторник, 23.Янв.2018, 08:25 | Сообщение # 60
Заглянувший
У вас сообщений: 2
электромеханик
OFFлайн
Российская Федерация

Южно-Сахалинск
Цитата tiratron-t ()
Проблема стандартная-цикл виснет на 0.7 при температуре 70 80℃,определил что это из отсутствия сброса пара,прочистил клапан на выходе камеры,продул конденсатор,с него трубка идет под верхнюю крышку в железную штуковину,что это за чудо кто подскажет?и вот через нее то воздух и не идёт..что это.за железка и должна ли она вырускать пар?
8315218.jpg(137Kb)

проблема решена, был неисправен переключающий электромагнитный клапан деформация резинки,которая держала его постоянно закрытым. Паровой стерилизатор работает, я за пивом!
 
revgen39Дата: Пятница, 18.Май.2018, 16:39 | Сообщение # 61
Стажер
У вас сообщений: 27
сервис инженер
OFFлайн
Российская Федерация

Калининград
Добрый день.
Помогите разобраться. Есть два одинаковых паровых стерилизатора (модель какая?).
Первый работает без проблем, а второй каждое утро (на холодную) выдаёт ошибку. При повторном включении (на горячую) отрабатывает нормально.
За это время на нём было сделано:
1. Замена насоса;
2. Замена сгоревшего ТЭНа в парогенераторе;
3. Поменяны между собой мозги (обе платы);
4. Поменяны между собой датчики температур.
Результата нет. Первый отрабатывает за 40 минут. А второй не успевает за час.
Что может быть?
0610578.jpg (134.1 Kb) · 5349998.jpg (133.8 Kb)
 
МастерБакуДата: Суббота, 19.Май.2018, 06:46 | Сообщение # 62
У вас сообщений: 11269
инженер
OFFлайн
Российская Федерация

Нижний Новгород
набор температуры в режиме ожидания . проверить нагреватель на камере . и включают цикл через 20 минут после включения
 
revgen39Дата: Суббота, 19.Май.2018, 10:52 | Сообщение # 63
Стажер
У вас сообщений: 27
сервис инженер
OFFлайн
Российская Федерация

Калининград
Первый (который работает) начинает вакум через 8 минут.
.
Второй (косячный) начинает вакуумировать только через 12 минут. Все циклы начинаются с задержкой по времени. В результате ошибка.
Нагреватель камеры проверили.
3782348.jpg (141.3 Kb)
 
МастерБакуДата: Суббота, 19.Май.2018, 21:18 | Сообщение # 64
У вас сообщений: 11269
инженер
OFFлайн
Российская Федерация

Нижний Новгород
Цитата МастерБаку ()
набор температуры в режиме ожидания
скорость сравните .
 
revgen39Дата: Понедельник, 21.Май.2018, 09:28 | Сообщение # 65
Стажер
У вас сообщений: 27
сервис инженер
OFFлайн
Российская Федерация

Калининград
сравнил.косячный все делает быстрей(набор температуры и давление).просто все циклы начинает позже.
2635370.jpg (141.3 Kb)


Сообщение отредактировал revgen39 - Понедельник, 21.Май.2018, 09:44
 
revgen39Дата: Понедельник, 21.Май.2018, 09:47 | Сообщение # 66
Стажер
У вас сообщений: 27
сервис инженер
OFFлайн
Российская Федерация

Калининград
включение первого цикла после предварительного нагрева
6661597.jpg (182.2 Kb)


Сообщение отредактировал revgen39 - Понедельник, 21.Май.2018, 10:00
 
atoll80Дата: Среда, 23.Янв.2019, 13:09 | Сообщение # 67
Стажер
У вас сообщений: 12
Медтехник
OFFлайн
Российская Федерация

Челябинск
Добрый вечер!
Может, кто-нибудь подскажет, что за ошибка Е08? Появляется после предварительного прогрева 20 мин. Цикл останавливается. Никаких звуков во время преднагрева стерилизатор не издает (не щелкают клапана, не работает водяной насос и т.д.). Камера нагревается где-то град. до 70.
 
DmitriyMirДата: Понедельник, 28.Янв.2019, 11:06 | Сообщение # 68
Заглянувший
У вас сообщений: 2
Инженер по медицинскому оборудовани
OFFлайн
Украина

Харьков
Здравствуйте.
Очень нужна помощь! Стерилизатор паровой Youjoy Bes 17L , через 10-15 минут после включения выдаёт ошибку Е8! Водяной насос рабочий , ТЭН вокруг камеры целый (включал на прямую, греет), термореле рабочие! Стоит без каких либо действий, потом Е8! Подскажите, что смотреть, что может быть?
1244534.jpg (219.3 Kb)
 
DmitriyMirДата: Понедельник, 28.Янв.2019, 11:10 | Сообщение # 69
Заглянувший
У вас сообщений: 2
Инженер по медицинскому оборудовани
OFFлайн
Украина

Харьков
Ошибка Е8!!!
9241462.jpg (85.0 Kb) · 0554767.jpg (138.2 Kb)
 
atoll80Дата: Среда, 30.Янв.2019, 14:44 | Сообщение # 70
Стажер
У вас сообщений: 12
Медтехник
OFFлайн
Российская Федерация

Челябинск
Клапан на помпу без шарика, по логике должен быть, поскольку вакуум создается, а давление не нагнетается.
Никто не подскажет верны ли мои предположения, и какой шарик подойдет? есть от пневмата 2-3мм.
 
atoll80Дата: Пятница, 01.Фев.2019, 06:13 | Сообщение # 71
Стажер
У вас сообщений: 12
Медтехник
OFFлайн
Российская Федерация

Челябинск
Разобрался, делал до меня мед. техник, перепутал шланги паропровода идущие на радиатор охлаждения.
сейчас работает как часики. помогла полная схема соединения шлангов. насос так же пришлось заменить,
взял от кофе машины - меньше чем за 1450р не нашел.
 
art-i-kДата: Пятница, 01.Фев.2019, 09:37 | Сообщение # 72
У вас сообщений: 1306
стоматология во всех её проявлениях
OFFлайн
Украина

Полтава
Цитата atoll80 ()
взял от кофе машины

Я бы об этом вслух не распространялся nea
 
andaf1Дата: Четверг, 14.Фев.2019, 05:44 | Сообщение # 73
Стажер
У вас сообщений: 41
Инженер-наладчик
OFFлайн
Российская Федерация

Россия
основные и часто встречающиеся неисправности данных стерилизаторов.
Клапана- обмотки и прокладки, засорение парогенератора( в случае, если использовали недистиллированную воду)- чистится лимонной кислотой, если разбирать, то стягивать нужно калёнными болтами и гайками. Если некалённые, то раскручиваются от перепадов температур. Часто сгорают ТЭНы.
 
sovaДата: Понедельник, 18.Мар.2019, 14:48 | Сообщение # 74
Стажер
У вас сообщений: 9
техник
OFFлайн
Российская Федерация

Вязьма
Может кому пригодиться (о какой модели речь?).
Попал тоже на ошибку E8 - не происходит предварительный нагрев в начале цикла.
Проблема оказалась в колодке, подгорел контакт на крайнем зеленом проводе.(нижняя правая колодка)
3817938.jpg (289.1 Kb) · 9708961.jpg (207.3 Kb)
 
UmaSvДата: Среда, 26.Авг.2020, 07:03 | Сообщение # 75
Заглянувший
У вас сообщений: 3
Биомедицинские технические системы
OFFлайн
Российская Федерация

Москва
Добрый день!
Такая же проблема, как у Romah1386 с паровым стерилизатором (с.24) BES-12L- фирмы Youjoy? ...
Не помните, какое решение у Вас было?
Мигает индикатор "water", хотя вода необходимого объёма залита. Через несколько минут обычно индикация пропадает и можно запускать цикл. Иногда включаем стерилизатор и "water" не горит, можно сразу работать.
Датчик уровня дистиллированной воды нормально замкнутый. При поднятии его не всегда размыкается, поэтому и возникает ошибка по воде. Отключать пробовали все датчики, не помогло.
На плате есть батарейка 3.6V в цепи датчика уровня, у нас на ней 0.6V. Но вряд ли дело в ней ...
 
ОстМедДата: Среда, 07.Окт.2020, 06:07 | Сообщение # 76
Стажер
У вас сообщений: 13
Инженер по мед оборудованию
OFFлайн
Казахстан

Усть-Каменогорск
Здравствуйте.
Стерилизатор ES-12L от Youjoy.
Ошибка Е5. Возникает на стадии "Продувки" после нагнетания давления в камеру.
Медленно падает давление, что и приводит к ошибке. В аппарат заливается дистиллят. Все клапана как новые.
Кто-нибудь сталкивался с такой проблемой?
 
GGV49Дата: Вторник, 27.Апр.2021, 09:07 | Сообщение # 77
Участник
У вас сообщений: 53
начинающий инженер
OFFлайн
Российская Федерация

Петрозаводск
Здравствуйте.
Кто-нибудь знает, какая батарейка (в виде таблетки) должна стоять на основной плате для данного стерилизатора (BES-15L-B-LED)?
0620989.jpg (339.4 Kb)


Сообщение отредактировал GGV49 - Вторник, 27.Апр.2021, 09:08
 
1965njkzДата: Суббота, 08.Май.2021, 14:51 | Сообщение # 78
Участник
У вас сообщений: 105
инженер по ремонту медоборудования
OFFлайн
Российская Федерация

Великий Новгород
Такая же как и на BIOS любого компа ...
 
AlexcomkoДата: Воскресенье, 20.Фев.2022, 11:48 | Сообщение # 79
Заглянувший
У вас сообщений: 1
ИД
OFFлайн
Российская Федерация

Чита
День добрый, граждане.
Кто-либо разбирался с ошибкой "E05"?
Клапана, вроде, в норме все, не знаю на что и грешить.


Сообщение отредактировал Alexcomko - Понедельник, 21.Фев.2022, 06:36
 
Grayson1Дата: Пятница, 08.Апр.2022, 18:36 | Сообщение # 80
Заглянувший
У вас сообщений: 2
медтехник
OFFлайн
Российская Федерация

Апатиты
Добрый день.
Стерилизатор паровой BES-15L-B-LED класса B китайской компании YouJoy (бренд: "YOUJOY"). Объём стерилизационной камеры – 15 литров.
Стерилизатор с технологией трехфазного пульсирующего вакуума и вакуумной сушки (вакуумная сушка, три программы стерилизации и тройной цикл предвакуума). Подходит для инструментов с полостями сложных форм. Используется в стоматологии, хирургии, офтальмологии для стерилизации инструментов и материалов.
Вопрос по этому паровому стерилизатору. Цикл стерилизации вместо 30-60 минут составляет 1,5 часа, либо не доходит до конца и выдаёт ошибку "Е9".
Заранее спасибо.
 
  • Страница 2 из 3
  • «
  • 1
  • 2
  • 3
  • »
Поиск:



Статистика Форума
Последние обновления тем: Новые файлы хранилища: Новые участники: Top10 участников:
1. УВЧ-80 НОВОАН - ЭМА[Parkincjn (11.Апр.2026)]
2. УЗИ MyLab 25 ф.Esaote...[sun_man (11.Апр.2026)]
3. Маммограф Giotto Imag...[lavista (10.Апр.2026)]
4. ТУРБИННЫЕ НАКОНЕЧНИКИ[georgiykaz (09.Апр.2026)]
5. Эмблема (логотип) мед...[medteh (08.Апр.2026)]
6. УЗИ Logiq E ф.GE[tomios (08.Апр.2026)]
7. Стоматустановка Azimu...[Yulana34 (08.Апр.2026)]
8. Выпариватель воска Ka...[Yulana34 (08.Апр.2026)]
9. Формулировки ТЕХНИЧЕС...[Юрьич (08.Апр.2026)]
1. Apollo EZ service man...[25.Дек.2025]
2. VIVIX Setup Operation...[12.Окт.2025]
3. GenwareMP[10.Сен.2025]
4. Настройка реагентов M...[20.Авг.2025]
5. Philips HD3-EXP[13.Авг.2025]
6. Рентгеновское оборудо...[08.Авг.2025]
7. VersaMed iVent201 Сер...[13.Фев.2025]
8. Гелпик КРД Ренекс РЦ ...[09.Фев.2025]
9. Офтальмологическая ус...[31.Окт.2024]
10. Cardinal-Health-VELA-...[03.Окт.2024]
1. germes-054[10.Апр.2026]
2. работник_какой-то_базы[10.Апр.2026]
3. Twiqer[10.Апр.2026]
4. zzzaMiGozzz[10.Апр.2026]
5. dreamsflow[09.Апр.2026]
6. tanga_b[09.Апр.2026]
7. Vladislav_SA[09.Апр.2026]
8. Daria_tehMT[09.Апр.2026]
9. TaxupEmil[08.Апр.2026]
10. kozorez1[08.Апр.2026]
МастерБаку[583]
Yulana34[177]
Serg74[160]
Dimitrius[129]
naves[122]
РОМУЛ[121]
bektyish[121]
madmac[116]
Алекс-200[114]
генаf[112]