[ Новые сообщения · Участники · Правила форума · Поиск · RSS ]



  • Страница 3 из 5
  • «
  • 1
  • 2
  • 3
  • 4
  • 5
  • »
Модератор форума: STaras, GeorgySmith  
УЗИ Acuson Sequoia 512 ф.Siemens
Marko08Дата: Пятница, 07.Ноя.2014, 01:38 | Сообщение # 81
Участник
У вас сообщений: 77
service engineer
OFFлайн
Украина

Kyiv
alekspopov161, имеется информация, что ошибка 0-0-2 связана со снятием боковых крышек.
Если Вы их не снимали, предлагается запасной вариант расшифровки ошибок.
Первая цифра 0 связана с платой Reconstruction Display Processor (RDP),
а если ошибка 0-0-2 привязана к тесту 002 - то это тоже плата RDP.
Но гарантии нет, так как имеется оговорка - как правило...
 
ShadowcarДата: Понедельник, 10.Ноя.2014, 21:35 | Сообщение # 82
Участник
У вас сообщений: 82
ученик
OFFлайн
Российская Федерация

Северный Кавказ
Добрый день! Помогите, пожалуйста, разобраться!
Проблема с датчиками на аппарате - 9L4, 4V1, 6C2. Когда подключены все три датчика одновременно, то на мониторе появляется сообщение - "No transducer is allowed in the middle port when a high density transducer is in the left port. Please remove one of them.". Если же вытащить датчик 4V1 (Порт 2), то датчики 9L4 (Порт1) и датчик 6C2 (Порт 3) работают. Также работает комбинация из датчиков 4V1 (Порт 2) и датчик 6C2 (Порт 3) или 4V1 (Порт 2) и датчик 9L4 (Порт3). Врачи говорят, что раньше все работало, но несколько дней назад перестало. Что это может быть?
6583715.jpg (148.1 Kb) · 0556684.jpg (178.5 Kb)
 
Marko08Дата: Среда, 12.Ноя.2014, 09:43 | Сообщение # 83
Участник
У вас сообщений: 77
service engineer
OFFлайн
Украина

Kyiv
Shadowcar, возможно, кто-то поменял датчики местами - желательно проверить.
Имеется два типа датчиков и, соответственно, портов по геометрии -
прямоугольник и трапецеидальный.

Или по свойствам = высокоплотный и невысокоплотный.
Ниже возможные комбинации:
ЛЕВЫЙ ПОРТ СРЕДНИЙ ПОРТ ПРАВЫЙ ПОРТ
Невысокоплотный Невысокоплотный Любой
Высокоплотный Ни один Любой

С этого нужно начинать - успехов!
 
alekspopov161Дата: Понедельник, 17.Ноя.2014, 14:46 | Сообщение # 84
Стажер
У вас сообщений: 7
Программист
OFFлайн
Российская Федерация

Гуково
Так дело в том что монитор не рабочий его не смогли починить. Вместо него подключили простой монитор, может не проходит тест монитора, а за лог спасибо проверим.
 
alekspopov161Дата: Четверг, 11.Дек.2014, 09:57 | Сообщение # 85
Стажер
У вас сообщений: 7
Программист
OFFлайн
Российская Федерация

Гуково
Спасибо еще раз за лог. Вот так он загружается качество не очень.
0587172.jpg (104.3 Kb)
 
alekspopov161Дата: Четверг, 11.Дек.2014, 10:08 | Сообщение # 86
Стажер
У вас сообщений: 7
Программист
OFFлайн
Российская Федерация

Гуково
Добавил еще видео https://www.dropbox.com/sh....pa?dl=0
 
tirДата: Четверг, 25.Дек.2014, 07:24 | Сообщение # 87
Стажер
У вас сообщений: 22
Инженер ИМТ
OFFлайн
Российская Федерация

Барнаул
Уважаемые форумчане, ищу ПО версии на ниже 12й на данный аппарат. В идеале слитый образ SCSI диска.
 
РОМУЛДата: Пятница, 26.Дек.2014, 19:04 | Сообщение # 88
У вас сообщений: 830
Ультразвук
OFFлайн
Украина

***
Думаю, нужно не образ искать, а магнитооптику соответствующей версии. И новый хард, чтобы не ставить эксперименты на оригинальном...
 
SibulbaДата: Четверг, 15.Янв.2015, 12:20 | Сообщение # 89
Участник
У вас сообщений: 124
Инженер
OFFлайн
Украина

Киев
Цитата Meditel ()
Цитата (msss)
Как снять крышки без пароля , долго разберался ,оказывается елементарно....

Цитата (olko13)
Почти не реально.


Так и всё-таки, после таких противоположных мнений, сможет ли кто-нибудь здесь доступно описать методику отключения защиты от снятия крышки?
Я так понимаю лепить магниты нужно в какое-то конкретное место перед снятием крышки?

Относительно динамического пароля, который привязывается к серийнику и меняется раз в месяц. Это я так понимаю пароль разблокировки системы после того как она уже заблокировалась? А как же тогда пароль на вход в сервис, где можно отключить защиту поставив галочку в Third Party Service? Он тоже динамический или всё-же какой-то стандартный? Или может это вообще один и тот же пароль?
 
РОМУЛДата: Четверг, 15.Янв.2015, 13:37 | Сообщение # 90
У вас сообщений: 830
Ультразвук
OFFлайн
Украина

***
Пароль не на месяц, а на ДЕНЬ!!! А защиту можно отключить не вообще навсегда, а только на время проведения сервисно-ремонтных работ, причем указывается время проведения данных работ, например, три часа...
 
SibulbaДата: Четверг, 15.Янв.2015, 14:31 | Сообщение # 91
Участник
У вас сообщений: 124
Инженер
OFFлайн
Украина

Киев
Нашел в сети фото корзины с платами. На первый взгляд не видно датчиков.
9803841.jpg (290.1 Kb)
 
olko13Дата: Четверг, 15.Янв.2015, 19:46 | Сообщение # 92
У вас сообщений: 825
инженер
OFFлайн
Украина

Львов
Цитата drinks Sibulba ()
На первый взгляд не видно датчиков.

На плате PIC ,крайняя справа,на уровне белой этикетки, черный пластмасовый цилиндр.
 
SibulbaДата: Пятница, 16.Янв.2015, 10:42 | Сообщение # 93
Участник
У вас сообщений: 124
Инженер
OFFлайн
Украина

Киев
Цитата olko13 ()
На плате PIC ,крайняя справа,на уровне белой этикетки, черный пластмасовый цилиндр.


Спасибо за подсказку. Первоначально подумал, что это колодка предохранителя.

В таком случае, учитывая расстояние до боковой стенки и тот факт, что боковая стенка из металла, думаю, что вариант с дополнительным мощным магнитом отпадает unknown
 
SenergyДата: Среда, 21.Янв.2015, 10:44 | Сообщение # 94
Участник
У вас сообщений: 196
Инженер по сервису
OFFлайн
Российская Федерация

Казань
Господа инженеры!
Ситуация такая с монитором Sequoia 512! При включении, изображение полосит и пестрит цветными полосами и после прогрузки в рабочий режим- изображение колокола Ч/Б а всё остальное, то фиолетовое, то синие, то зелёное... и т.д. (после каждого вкл/выкл аппарата, цвета меняются)...
Монитор исключаю полностью, т.к. на видео BNC выходе B/W Out и Color/Chroma Out изображение на внешнем подключенном мониторе такое же, как и на штатном мониторе (пузатике).
На плате коммутации (куда подключены все периферийные устройства) я так думаю стоит видео чип (микросхема), а вот где она???? Вычислить не получается. Каждую микросхему смотрел в инете http://www.alldatasheetru.com/ думал может по описанию на видео чипсет будет что то похоже, но нет... Хочу её прожарить (как этот номер проходит с видео картой от обычных компов). Есть у кого мысли по этому поводу?????
Вопрос крайне горящий, т.к. более 2х месяцев УЗИ у меня стоит в сервисе, а сдвигов нет....... Плиззззз...
6972516.jpg (152.8 Kb) · 0749654.jpg (167.0 Kb) · 7366142.jpg (134.0 Kb)
 
SenergyДата: Среда, 21.Янв.2015, 10:50 | Сообщение # 95
Участник
У вас сообщений: 196
Инженер по сервису
OFFлайн
Российская Федерация

Казань
Далее фото платы материнской: Может там кто подскажет, где видео чипсет находится?
И вообще, на правильном ли я пути? Что хочу прогреть микросхему???
1112167.jpg (222.1 Kb) · 0040458.jpg (221.0 Kb) · 1208890.jpg (314.8 Kb) · 7205374.jpg (300.0 Kb)
 
SenergyДата: Среда, 21.Янв.2015, 11:42 | Сообщение # 96
Участник
У вас сообщений: 196
Инженер по сервису
OFFлайн
Российская Федерация

Казань
RDP IOV PIC что это за плата??? Там на фото есть вид сбоку (где все платы стоят) и отдельно 2 платы с права (т.е. материнка и коммутационная).
КАКАЯ из них???

Но пока суть не ясна с ремонтом какой именно платы? Разъясните пожалуйста!!! good
 
SenergyДата: Среда, 21.Янв.2015, 12:07 | Сообщение # 97
Участник
У вас сообщений: 196
Инженер по сервису
OFFлайн
Российская Федерация

Казань
RDP IOV PIC - это 3 плата справа, нашёл.
По ходу я тута один сам с собой отписываюсь... )) Это уже подозрительно...)))
 
SenergyДата: Пятница, 23.Янв.2015, 08:48 | Сообщение # 98
Участник
У вас сообщений: 196
Инженер по сервису
OFFлайн
Российская Федерация

Казань
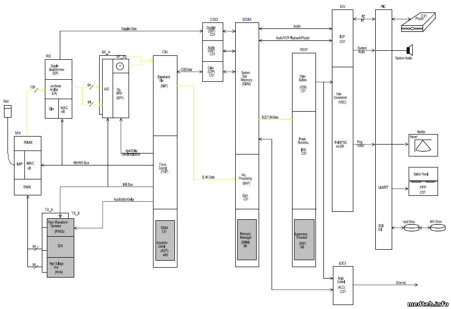
RDP5 Board, rev:XD
IOV2 Board, rev:XD
PIC2 Board, rev:C
Из схематики видно: что эти 3 платы отвечают и за ВИДЕО сигнал!!!
А нет ли схемы каждой платы в отдельности, чтобы проследить сигнал??? ))
7525105.jpg (62.9 Kb) · 0674304.jpg (61.3 Kb) · 7597195.jpg (73.7 Kb) · 3602496.jpg (90.6 Kb)


Сообщение отредактировал Senergy - Пятница, 23.Янв.2015, 08:51
 
SenergyДата: Среда, 28.Янв.2015, 14:47 | Сообщение # 99
Участник
У вас сообщений: 196
Инженер по сервису
OFFлайн
Российская Федерация

Казань
Гильдия инженерной наружности!!!))
Поможите, кто чем може...
Мой сот.тел: +79377782134, Сергей
Пробовал прогреть чипы, микросхемы без результативно (т.к. вариантов сейчас мало и в первый раз (пол года назад) -ЭТО ПОМОГЛО)!
Какие советы- в студию!!!
 
zaharzuckДата: Понедельник, 16.Фев.2015, 00:09 | Сообщение # 100
Стажер
У вас сообщений: 16
нет
OFFлайн
Украина

Кировоград
Просветите новичка, если поставить новый винт, то с бэкап диска можно всю систему восстановить полностью? Просто у меня проблема, сиквоя при загрузке пишет System starting и больше ничего, ползунок доходит до конца и так и стоит, ничего не происходит, в сервис меню заходить не хочет могу только увидеть не большой лог загрузки. Такое впечатление, что загрузка прекращается на каком то этапе и далее не происходит, помогите разобраться, я совсем не давно начал заниматься ремонтами аппаратов узи.
 
РОМУЛДата: Понедельник, 16.Фев.2015, 01:50 | Сообщение # 101
У вас сообщений: 830
Ультразвук
OFFлайн
Украина

***
zaharzuck, конкретно у Секвойи в бэкапе нет копии основного софта, поэтому он Вам для восстановления системы с нуля не поможет. Нужны инсталляционная магнитооптика, чистый харддиск подходящего типа и размера, пароль на актуальную дату, терминальный доступ к системе. Какой у Вас результат после PUTa ? Я склонен думать, что у Вас либо с БП проблемы, либо с одной из плат
 
zaharzuckДата: Понедельник, 16.Фев.2015, 02:01 | Сообщение # 102
Стажер
У вас сообщений: 16
нет
OFFлайн
Украина

Кировоград
Просветите немножко, что такое put? Магнитооптический диск от этого аппарата имеется, он не поможет? А почему с бп думаете проблема, ведь он же пытается грузиться, заставка сиквои есть?
 
zaharzuckДата: Понедельник, 16.Фев.2015, 08:50 | Сообщение # 103
Стажер
У вас сообщений: 16
нет
OFFлайн
Украина

Кировоград
РОМУЛ, Просветите немножко, что такое put? Магнитооптический диск от этого аппарата имеется, он не поможет? А почему с бп думаете проблема, ведь он же пытается грузиться, заставка сиквои есть?
 
zaharzuckДата: Понедельник, 16.Фев.2015, 08:55 | Сообщение # 104
Стажер
У вас сообщений: 16
нет
OFFлайн
Украина

Кировоград
РОМУЛ, вот что на экране
4652110.jpg (79.0 Kb)
 
tirДата: Понедельник, 16.Фев.2015, 11:12 | Сообщение # 105
Стажер
У вас сообщений: 22
Инженер ИМТ
OFFлайн
Российская Федерация

Барнаул
zaharzuck, А в логах что? (multihz+V)
 
olko13Дата: Понедельник, 16.Фев.2015, 12:32 | Сообщение # 106
У вас сообщений: 825
инженер
OFFлайн
Украина

Львов
А подключить нотбук через гипертерминал и посмотреть что делается при загрузке не пробовали?
 
zaharzuckДата: Понедельник, 16.Фев.2015, 13:11 | Сообщение # 107
Стажер
У вас сообщений: 16
нет
OFFлайн
Украина

Кировоград
Через два часа буду возле апарата и сфоткаю лог загрузки, больше, пока, не до чего не могу достучаться.
 
РОМУЛДата: Понедельник, 16.Фев.2015, 14:34 | Сообщение # 108
У вас сообщений: 830
Ультразвук
OFFлайн
Украина

***
zaharzuck, PUT - Power-Up Test. Если тут проблемы, загрузка идти не будет. Смотрите внимательно логи. Очень даже возможно, что до HDD дело вообще не доходит...
Что написано на магнотооптике? Если надпись от руки - не интересно. Это скорее всего бэкап настроек. Если что-то другое - давайте фото...


Сообщение отредактировал РОМУЛ - Понедельник, 16.Фев.2015, 14:37
 
zaharzuckДата: Понедельник, 16.Фев.2015, 14:57 | Сообщение # 109
Стажер
У вас сообщений: 16
нет
OFFлайн
Украина

Кировоград
РОМУЛ, Вот лог загрузки и фото магнитооптики, дальше не грузится, рядом стоит аппарат полностью рабочий, то там лог был очень длинный, мне тоже кажется, что что то с винтом
 
zaharzuckДата: Понедельник, 16.Фев.2015, 15:03 | Сообщение # 110
Стажер
У вас сообщений: 16
нет
OFFлайн
Украина

Кировоград
РОМУЛ,
7865652.jpg (81.4 Kb)
 
zaharzuckДата: Понедельник, 16.Фев.2015, 15:06 | Сообщение # 111
Стажер
У вас сообщений: 16
нет
OFFлайн
Украина

Кировоград
РОМУЛ,
1040590.jpg (111.0 Kb)
 
РОМУЛДата: Понедельник, 16.Фев.2015, 15:30 | Сообщение # 112
У вас сообщений: 830
Ультразвук
OFFлайн
Украина

***
Ну, МО точно только с бэкапом. По поводу лога - мне лично не нравится "Resetting ACP..." в PUT, не видел такого ни разу... Хотя мне ни разу не попадались Секвойи с похожими логами. Но до НЖМД дело не доходит точно... Вряд ли с ним проблема.
 
zaharzuckДата: Понедельник, 16.Фев.2015, 15:42 | Сообщение # 113
Стажер
У вас сообщений: 16
нет
OFFлайн
Украина

Кировоград
РОМУЛ, что еще может лететь, контроллер scsi? Разбирать, я так понимаю, не стоит его, на блок станет.
 
РОМУЛДата: Понедельник, 16.Фев.2015, 16:22 | Сообщение # 114
У вас сообщений: 830
Ультразвук
OFFлайн
Украина

***
Там нет как такового отдельного контроллера, он интегрирован в одной из плат, даже не скажу, на какой именно. Если нет кода доступа в сервис, корзину не вскрывайте, будет блокировка системы. Сия ситуация уже многократно обсуждалась...
 
zaharzuckДата: Понедельник, 16.Фев.2015, 16:42 | Сообщение # 115
Стажер
У вас сообщений: 16
нет
OFFлайн
Украина

Кировоград
РОМУЛ, кода нет, значит этого красавца поднять и не получится?
 
omt-74Дата: Понедельник, 16.Фев.2015, 17:18 | Сообщение # 116
Завсегдатай
У вас сообщений: 257
инженер
OFFлайн
Российская Федерация

???
Если было бы ПО и подходящий хард, то можно было бы снять родной хард, вставить другой, на него поставить по и распаковать бекап, но мне кажется дело не в харде.
 
zaharzuckДата: Понедельник, 16.Фев.2015, 18:06 | Сообщение # 117
Стажер
У вас сообщений: 16
нет
OFFлайн
Украина

Кировоград
РОМУЛ, кода нет, значит этого красавца поднять и не получится?
 
РОМУЛДата: Понедельник, 16.Фев.2015, 19:49 | Сообщение # 118
У вас сообщений: 830
Ультразвук
OFFлайн
Украина

***
А как иначе Вы планировали попасть в корзину с платами ?
 
zaharzuckДата: Понедельник, 16.Фев.2015, 19:53 | Сообщение # 119
Стажер
У вас сообщений: 16
нет
OFFлайн
Украина

Кировоград
А где же код найти? Тем более его и вводить не куда, аппарат не догружается до этого места и не входит в MultiHz + S
 
zaharzuckДата: Вторник, 17.Фев.2015, 16:09 | Сообщение # 120
Стажер
У вас сообщений: 16
нет
OFFлайн
Украина

Кировоград
РОМУЛ, Нашел винт (HDD) слева от магнитооптики, отлючил ему питание и при мульти хз и v увидел такое
3751633.jpg (128.7 Kb)
 
  • Страница 3 из 5
  • «
  • 1
  • 2
  • 3
  • 4
  • 5
  • »
Поиск:



Статистика Форума
Последние обновления тем: Новые файлы хранилища: Новые участники: Top10 участников:
1. Замена светодиода на ...[Shturman (05.Дек.2025)]
2. Анализатор поля зрени...[SpirituS (04.Дек.2025)]
3. Программный комплекс ...[mqubali (04.Дек.2025)]
4. Кардиорегистратор «ИК...[albano18 (04.Дек.2025)]
5. Thermo Scientific gem...[viggen (03.Дек.2025)]
6. Центрифуга CM-6M ф.El...[Ningen64 (03.Дек.2025)]
7. Дефибриллятор Defi B ...[san-che30 (02.Дек.2025)]
8. Коллиматор Ralco R 22...[seeker (02.Дек.2025)]
9. КУПЛЮ/ПРИМУ в дар при...[seabee (02.Дек.2025)]
1. VIVIX Setup Operation...[12.Окт.2025]
2. GenwareMP[10.Сен.2025]
3. Настройка реагентов M...[20.Авг.2025]
4. Philips HD3-EXP[13.Авг.2025]
5. Рентгеновское оборудо...[08.Авг.2025]
6. VersaMed iVent201 Сер...[13.Фев.2025]
7. Гелпик КРД Ренекс РЦ ...[09.Фев.2025]
8. Офтальмологическая ус...[31.Окт.2024]
9. Cardinal-Health-VELA-...[03.Окт.2024]
10. Service Manual HAMILT...[02.Окт.2024]
1. zef1984[05.Дек.2025]
2. Dvish[05.Дек.2025]
3. Intellect[05.Дек.2025]
4. Romanivanov[05.Дек.2025]
5. igogoigogo[05.Дек.2025]
6. 1rishka[04.Дек.2025]
7. L_V_N[04.Дек.2025]
8. ИвановИИ[04.Дек.2025]
9. Alex_U[04.Дек.2025]
10. Yarikus03[03.Дек.2025]
МастерБаку[583]
Yulana34[177]
Serg74[160]
Dimitrius[129]
naves[122]
РОМУЛ[121]
bektyish[121]
madmac[116]
Алекс-200[114]
begun_a[112]