[ Новые сообщения · Участники · Правила форума · Поиск · RSS ]



  • Страница 3 из 9
  • «
  • 1
  • 2
  • 3
  • 4
  • 5
  • 8
  • 9
  • »
Модератор форума: STaras  
Дозатор шприцевой Perfusor Compact S ф.B.Braun (Германия)
МВРДата: Среда, 14.Окт.2009, 14:54 | Сообщение # 1
Медтехник
OFFлайн
Российская Федерация

.
. Регистрационное удостоверение ФСЗ 2012/12986 от 28.09.2012 года на Насосы инфузионные шприцевые Perfusor compact и Perfusor compact S, производства немецкой компании B. Braun Melsungen AG (бренд - "B. Braun").

. В этой специализированной теме собрана вся ранее размещённая в личных темах на форуме информация о шприцевом дозаторе Perfusor Compact S.
. Все вопросы и пояснения, тем или иным образом, касающиеся этого аппарата, на которые в теме не найдены ответы, и ответы/советы на них необходимо размещать только в этой ТЕМЕ !!! Тем самым, вы намного облегчите другим участникам и посетителям Форума поиск ответов на их вопросы. Да, и просто в получении полезной практической информации об этом аппарате, и о проблемах связанных с ним.
. ВНИМАНИЕ ! Прежде, чем изложить в этой теме своё сообщение (пост ), проследите за тем, чтобы тематика вашего сообщения соответствовала ИЗНАЧАЛЬНОЙ тематике темы (в том числе по наименованию, типу/марке, модели аппарата ), и чтобы информации, подобной вашей, в ней не было!
. В противном случае –
потрудитесь найти на Форуме тему с нужной вам тематикой! И ТОЛЬКО убедившись, что на Форуме нет таковой темы, вы можете создать новую, или обратиться к модераторам за помощью!

. Не пишите сообщения попусту и от эмоциональных перевозбуждений, не плодите посты-хвосты (вместо редактирования поста для добавления в него новой информации следующая прямо за ним череда только своих новых постов с этой информацией) - это всё удлиняет тему!
В будущем другим её будет
нудно читать ...

. И ещё к сведению и обязательному исполнению см. по ссылке это ТРЕБОВАНИЕ (с.20 )!
А также, не увлекайтесь излишним, необдуманным цитированием, и если вы специалист, то подумайте прежде: нужна ли цитата (а особенно длинная/нудная, да ещё и хуже того - цепочка из цитат ) – поэтому излагайте свои мысли!


ЗДЕСЬ по ссылке познавательная информация.

Темы о проблемах со шприцевыми дозаторами (насос шприцевой) серии Perfusor - http://www.medteh.info/forum/59-0-1-0-10-1-[Perfusor]
.
 
SeniorJuniorДата: Пятница, 03.Июн.2011, 15:20 | Сообщение # 81
У вас сообщений: 243
ремесленник
OFFлайн
Латвия

Рига
День добрый коллеги!
В нашей клинике прям какое-то обострение с браунами :)

Сломан осевой позиционер(axial positioner), в сервисе написано, что если подающий узел вытаскивается , то требуется программная калибровка.
Вопрос следующий , а оно действительно надо, есть кто менял и как после этого работал перфузор ?!

Еще один вопрос , сломан фиксатор(clamp) в головке держателя шприца, в сервиснике нет даже номера этой детали, хотя процедура разборки подробно, с картинками расписана.
Там же , заглушки четырех винтов фиксирующих крышку этого самого держателя тоже одноразовые(если вытаскивать так чтобы не повредить края канала, в который они утоплены ), номера для заказа опять отсутствуют.

Вот так однако:)
 
ForgivenДата: Среда, 22.Июн.2011, 08:22 | Сообщение # 82
Заглянувший
У вас сообщений: 2
Инженер по ремонту и обслуживанию
OFFлайн
Российская Федерация

Иркутск
Не мог бы кто нибудь выложить сервисник на файлообменник? По ссылке пусто
 
SeniorJuniorДата: Вторник, 28.Июн.2011, 12:03 | Сообщение # 83
У вас сообщений: 243
ремесленник
OFFлайн
Латвия

Рига
Forgiven, Добавил в хранилище инструкцию на Compact S
 
rrssazДата: Вторник, 28.Июн.2011, 22:15 | Сообщение # 84
Стажер
У вас сообщений: 49
Инженер
OFFлайн
Российская Федерация

Люберцы
Здравствуйте!!! Насос шприцевой B|Braun perfusor compact s. Кто подскажет, как их пере прошивать и как убрать ошибку 046?
1064984.jpg (174.7 Kb) · 9968601.jpg (191.8 Kb)
 
AlexiumДата: Вторник, 28.Июн.2011, 22:47 | Сообщение # 85
Инженер медтехник
OFFлайн
Российская Федерация

Саратов
Читайте http://www.medteh.info/forum/59-575-1
 
rrssazДата: Среда, 29.Июн.2011, 08:44 | Сообщение # 86
Стажер
У вас сообщений: 49
Инженер
OFFлайн
Российская Федерация

Люберцы
Спасибо!!! Правда про перепрошивки я там ничего не нашел. nea
 
AlexiumДата: Среда, 29.Июн.2011, 10:06 | Сообщение # 87
Инженер медтехник
OFFлайн
Российская Федерация

Саратов
А что вы хотите перепрошить?
 
rrssazДата: Среда, 29.Июн.2011, 14:17 | Сообщение # 88
Стажер
У вас сообщений: 49
Инженер
OFFлайн
Российская Федерация

Люберцы
http://www.medteh.info/forum/59-1618-1
Читал на форуме что как-то можно менять дамп. А как? Как это делается? И что за Файл "BIN"?
 
AlexiumДата: Среда, 29.Июн.2011, 15:23 | Сообщение # 89
Инженер медтехник
OFFлайн
Российская Федерация

Саратов
А смысл?
 
almusicДата: Среда, 29.Июн.2011, 15:29 | Сообщение # 90
Стажер
У вас сообщений: 15
Ведущий инженер ремонта медтехники
OFFлайн
Российская Федерация

Н.Новгород
Может кто сталкивался с такой неисправностью: при подачи питания на аппарат (вставляю аккумуляторы или подключаю сеть) сразу начинает непрерывно пищать, на экране загорается цифры "022" и колокольчик. Ни на какие кнопки не реагирует. Аппарат гарантийный, но может как-то можно его восстановить, не привлекая фирмачей?
 
rrssazДата: Среда, 29.Июн.2011, 21:07 | Сообщение # 91
Стажер
У вас сообщений: 49
Инженер
OFFлайн
Российская Федерация

Люберцы
Отключить можно так, нажать на кнопку включения и держать пока не пропадет колокольчик, а остальное на форуме описано. В инструкции, пишут, что надо проверить питание самих батареек. Поставить новые батарейки, не включая в сеть включить. Это нужно делать тогда когда сели батарейки.
.

Пробовал с ошибкой 046 так как было описано на форуме в моем случае аппарат заработал но после отключения сети все та же ошибка и так же показывает что батарея разряжена.
 
danДата: Суббота, 02.Июл.2011, 21:56 | Сообщение # 92
Стажер
У вас сообщений: 7
инженер-электроник
OFFлайн
Российская Федерация

Сыктывкар
Доброго времени суток.насос perfusor compact s ошибка 046.Расскажу как я боролся с такой ошибкой.Рукой докрутил за шаговый двигатель до упора где стоят три датчика на верхней плате.Затем включаю аппарат и по одному лепестку ,что на шаговом двигателе подкручиваю двигатель в обратную сторону.И так по одному лепестку кручу до тех пор пока при очередном включении не будет ошибки 046 и визжать авария .Это конечно не калибровка с сервис кабелем и программой,но прибор работает.
 
Andrey0612Дата: Понедельник, 29.Авг.2011, 22:57 | Сообщение # 93
Участник
У вас сообщений: 70
инженер
OFFлайн
Российская Федерация

Ижевск
rrssaz, ошибка 046

Посмотри шлейф, соединяющий основную плату с отопарой и тензодатчиком в "голове (которая на поршень давит)"

Как то так blush
 
СолярисДата: Среда, 21.Сен.2011, 10:38 | Сообщение # 94
У вас сообщений: 301
инженер
OFFлайн
Российская Федерация

Набережные Челны
Quote (sever)
Ошибка 022 возникает если не выключив аппарат снять питание. На сколько я помню лечиться долгим нажатием на кнопку включения
Пробовали, ошибка не сбрасывается, подскажите, какую именно кнопку держать и как долго?
 
AlexiumДата: Среда, 21.Сен.2011, 11:25 | Сообщение # 95
Инженер медтехник
OFFлайн
Российская Федерация

Саратов
По моему все ошибки сбрасываются если вынуть батарейки и отключить от питания. Не сбрасываются те ошибки которые и не устранены. При тестировании если микроконтроллеры обнаруживают аварийную ситуацию они об этом сообщают.
 
СолярисДата: Среда, 21.Сен.2011, 13:31 | Сообщение # 96
У вас сообщений: 301
инженер
OFFлайн
Российская Федерация

Набережные Челны
Ошибка 022 возникает если не выключив аппарат снять питание. Питание отключили, батарейки вынули, ошибка все равно не сбрасывается
 
severДата: Среда, 21.Сен.2011, 15:32 | Сообщение # 97
Участник
У вас сообщений: 63
инженер
OFFлайн
Российская Федерация

Красноярск
Что касается 022 ошибки. Цитирую :) The battery may only be removed when the device is switched off
as otherwise alarm 022 is displayed upon startup. Press the ON-/
OFF-button to delete the alarm 022 until the alarm symbol is no
longer displayed. If the alarm 105 is triggered afterwards switch
the unit off.
Вставляйте батарейки обратно и удерживайте кнопку включения пока ошибка не исчезнет.
 
СолярисДата: Пятница, 30.Сен.2011, 00:41 | Сообщение # 98
У вас сообщений: 301
инженер
OFFлайн
Российская Федерация

Набережные Челны
Нашел причину! Обрыв шлейфа клавиатуры. А я как идиот жму кнопку ON-/OFF до опупения. "Б.Браун Медикал" отказывается продать нам клавиатуру, настаивают на ремонте и калибровке у них. О том, что при замене клавиатуры никакие механизмы и датчики не затрагиваются, даже слушать не хотят. Где-нибудь можно еще приобрести комплектующие на B.Braun ?
 
ukrДата: Среда, 30.Ноя.2011, 13:59 | Сообщение # 99
Заглянувший
У вас сообщений: 2
медтехник
OFFлайн
Латвия

Рига
[quote=medtehn].... возможно повреждение или выход из строя как датчиков вращения так и платы привода или платы управления.... [/quote]

Чем это закончилось? Что в конце ремонтировалось или менялось?


Сообщение отредактировал ukr - Среда, 30.Ноя.2011, 14:07
 
AlexiumДата: Среда, 30.Ноя.2011, 16:46 | Сообщение # 100
Инженер медтехник
OFFлайн
Российская Федерация

Саратов
Есть два варианта - это неисправен датчик - что вряд-ли. Второй вариант - это пробой драйвера или что скорее всего обрыв или подгорание одной обмотки шагового двигателя - в результате двигатель дергается - что определяется датчиком как вращение - а движения поршня нет. Но это мое предположение. unknown
 
ukrДата: Среда, 30.Ноя.2011, 18:57 | Сообщение # 101
Заглянувший
У вас сообщений: 2
медтехник
OFFлайн
Латвия

Рига
Как раз в этом и хочу разобраеся - мотор или датчик. Ошибка непостоянная, поэтаму на експеримент положытся трудно. А сразу менять оба обидно.
 
lis63Дата: Пятница, 16.Дек.2011, 17:07 | Сообщение # 102
начальник участка
OFFлайн
Российская Федерация

Самара
Посмотри плавность хода шагового двигателя. Прозвони обмотки. У меня было такое-лечилось заменой шагового двигателя. Датчики на моей памяти ни разу не ломались.
 
IgorAДата: Суббота, 17.Дек.2011, 01:19 | Сообщение # 103
Участник
У вас сообщений: 60
инженер
OFFлайн
Узбекистан

Ташкент
Смазать червяк.
 
СолярисДата: Четверг, 02.Фев.2012, 00:07 | Сообщение # 104
У вас сообщений: 301
инженер
OFFлайн
Российская Федерация

Набережные Челны
Не можем вскрыть корпус. не откручиваются саморезы 5 шт. Кто как их разбирает?
 
severДата: Четверг, 02.Фев.2012, 15:13 | Сообщение # 105
Участник
У вас сообщений: 63
инженер
OFFлайн
Российская Федерация

Красноярск
С нажимом хорошей отверткой сначала в сторону закручивания, а потом как обычно.
 
otk2001Дата: Среда, 20.Июн.2012, 10:39 | Сообщение # 106
Заглянувший
У вас сообщений: 1
электромеханник
OFFлайн
Российская Федерация

Оренбург
Подскажите как побороться с данной проблемой . При двойном нажатии "1" и удержание двигатель не переходит на ускорение а останавливается на индикаторе показывает вращение механика исправна
 
fastepДата: Четверг, 23.Авг.2012, 17:17 | Сообщение # 107
Заглянувший
У вас сообщений: 1
Инженер
OFFлайн
Российская Федерация

Вологда
После первого нажатия на "1" во время инфузии у тебя должны мигать 3 цифры на дисплее означающие скорость болюса, по умолчанию около 700 мл/час.Потом надо повторно нажать и держать "1" для ручной подачи болюса либо нажать на "С" и установить объем болюса,попробуй второй вариант-каков будет результат?
 
doctor_farshДата: Понедельник, 29.Окт.2012, 10:05 | Сообщение # 108
У вас сообщений: 792
инженер по ремонту медоборудования
OFFлайн
Российская Федерация

Благовещенск
Вот и у меня вопрос по 046 в общем скопилося много аппаратов с этой ошибкою, но товарищи научились с нею бороться ( с большинством аппаратов) бегают периодически ее снимают примерно раз в неделю, но один фиг она возникает, да и пофиг но вот один аппаратик нивкакую. В общем я так понял файлом BIN можно прошить еепромку и все должно быть норм, я прав??? ну или взять этот файлик с рабочего аппарата у меня стоит ATML H00864C эта и есть та самая еепромка которая типа 24С64???Какой прграматор под нее лучше использовать и стоит ли затевать всю эту котавасию. Просто есть желание большое оживить его + получится хорошая база для ремонта подобных аппаратов

.
https://www.medteh.info/forum/22-1216-97976-16-1353188077
 
doctor_farshДата: Суббота, 03.Ноя.2012, 03:04 | Сообщение # 109
У вас сообщений: 792
инженер по ремонту медоборудования
OFFлайн
Российская Федерация

Благовещенск
Так все таки как еще можно сбросить ошибку 046 и 138. Я так понял она возникает из за проблем с тензодатчиком и платки которая встроена в головку которая давит на шприц тама еще и операционник по ходу одно не пойму в какой момент туда должно подаваться питания ибо его там нету в смысле на тензодатчике и на операционике тож..

Сообщение отредактировал doctor_farsh - Суббота, 03.Ноя.2012, 03:15
 
doctor_farshДата: Суббота, 10.Ноя.2012, 09:19 | Сообщение # 110
У вас сообщений: 792
инженер по ремонту медоборудования
OFFлайн
Российская Федерация

Благовещенск
Ну ладно раз никто не хочет говорить то расскажу сам: В общем симптомы 046 и 136 обе ошибки. Метод устранения: Берем механику и плату что к ней прикручена c исправного аппарата и цепляем к нашему аппарату и о чудо аппарат работает. Начинаем экспериментальным путем искать касяк в механике и обнаруживаем на плате что прикручена к корпусу механики транзистор который непонятным образом звонится он стоит там возле логики 74 HC00D один переход звонится норм, а другой завышен ну и ладно подумал я фиг с ним а померив на исправном удивился когда в этом транзисторе звонится тока один переход так вот теперь я думаю чего это за транзистор потому как на нем толкового ничего. Да и еще в голове что давит на шприц стоит оптопара которая определяет наличие шприца и тензодатчик и платка на ней по ходу операционный усилок никто не знает какой именно и как к нему там все подключено??? Я тензодатчик проверял отключив его от этой платы и подключив к 140уд2б и смотрел на изменение напруги мультиметром и осцилом. В общем победа чувствую близка как добью расскажу в чем у меня было дело

Сообщение отредактировал doctor_farsh - Суббота, 10.Ноя.2012, 09:20
 
STarasДата: Суббота, 10.Ноя.2012, 10:35 | Сообщение # 111
инженер-электроакустика, ультразвук
OFFлайн
Украина

Ровно
Quote (doctor_farsh)
когда в этом транзисторе звонится тока один переход
- то может это диод? Какой корпус?
Quote (doctor_farsh)
как на нем толкового ничего
- а бестолкового на нем есть чего?
 
doctor_farshДата: Пятница, 16.Ноя.2012, 10:32 | Сообщение # 112
У вас сообщений: 792
инженер по ремонту медоборудования
OFFлайн
Российская Федерация

Благовещенск
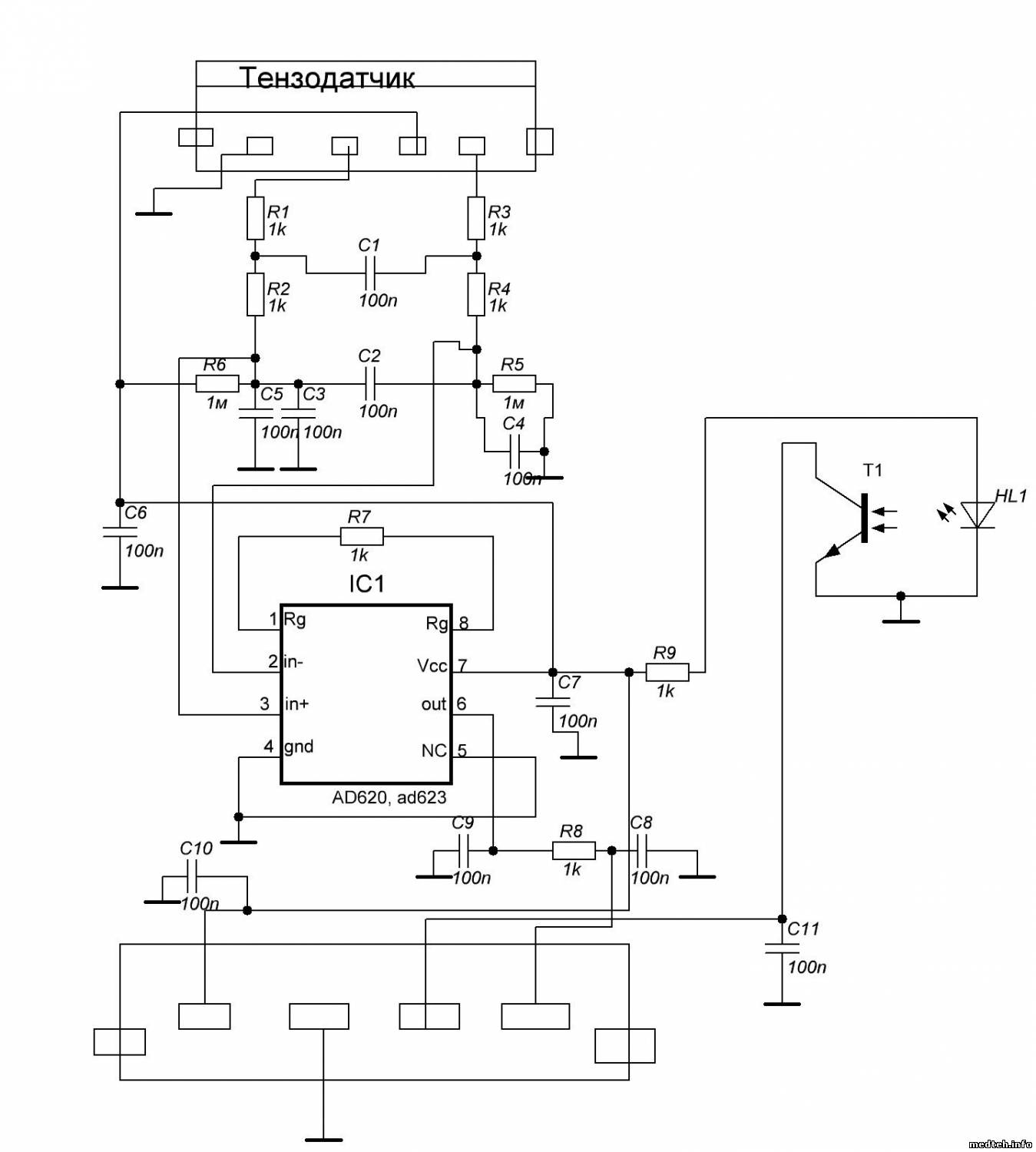
Все победил))) biggrin В общем ошибка 046 и 138 возникает в результате нарушения связи между головой с тензодатчиком и платой управления, а именно в моем случае оказался неисправен операционный усилитель в голове где платка маленькая с тензодатчиком стоит, опрашивая голову плата не получала внятного ответа и падала в ошибку. Маркировка на операционнике не внятная идентифицировать не получается. Пришлось рисовать схему с платы вследствии долгих раздумий и шараханий по инету всплыла микра AD623, которая является инструментальным усилителем с автоматической коррекцией нуля (вот как сам в первый раз услышал это длиное понятие) стоит у нас в магазе 350 руб правда в смдшном корпусе не было взял в диповском так для проверки, подпаялся к плате и о чудо аппарат ожил и пашет как не в чем не бывало. Схему маленькой платы которая стоит в голове могу скинуть единственное там нет номиналов кондеров да и фиг с ними. Таким образом оживилосб 2 прибора проблема оказалась именно в операционнике, еще в одном проблема с тензодатчиком так как при подключении исправного ошибка пропадает. Никто не подскажет маркировку тензодатчика случаем, и можно ли в теории заменить его просто мостом из резисторов???, единственная функция которая перестанет быть это индикация оклюзии, да и фиг с ним для нас это не критично
.
прибор починил ошибку снял подробнее в соседней теме
.

https://www.medteh.info/forum/22-1216-97976-16-1353188077
 
doctor_farshДата: Суббота, 17.Ноя.2012, 01:51 | Сообщение # 113
У вас сообщений: 792
инженер по ремонту медоборудования
OFFлайн
Российская Федерация

Благовещенск
в общем вот схемка срисована с платы не дорисовал несколько кондеров они идут по питанию поэтому не стал нагромождать и еще если ткунть осцилом на контакты плюс и минус на разъеме (нижнем) то на экране должна отобразиться генерация (импульсы высокой частоты) один импульс напоминает из себя по нарастающему фронту меандр а по спадающему что то типа трапеции с обрезанным верхним углом это признак того что прибор опрашивает голову. И посмотреть что творится на выходе 6 операционника там тоже дложна быть генерация

.
https://www.medteh.info/forum/22-1216-97976-16-1353188077
.
8214598.jpg (105.3 Kb)
 
doctor_farshДата: Суббота, 24.Ноя.2012, 15:36 | Сообщение # 114
У вас сообщений: 792
инженер по ремонту медоборудования
OFFлайн
Российская Федерация

Благовещенск
в общем и с тензодатчиком решилась проблема следующим образом: Немного теории - тензодатчик есть ничто иное как мост уинстона это когда четыре резистора соединены в мост типа как диодным мост, также как и у диодного есть вход напряжения и выход напряжения тока у моста уинстона напряжение на выходе должно быть нулевым потому как сопротивления в мосте почти все одинаковые и при подачи какого то нибыло напряжения питания на входе на выходе будет 0. Работает это все следующим образом в тензомосте есть тензорезистор он меняет свое сопротивление в зависимости от нагрузки и мост получается разбалансированым тобиш на его выходе появляется напряжение определенного уровня которое и сообщает опреационику а далее и процику о том какова нагрузка приложилася и ежели она выходит за рамки "разумного" включается тревога типа оклюзии. Теперь объясню как обмануть неисправный или почти убитый тензодатчик: отсоединяем тензодатчик от маленькой платки, за синий провод цепляем + питния (я подавал 5 вольт) а за черный минус питания. Берем в руки мультиметр ставим его в режим измерения миливольтов, потому как рамки разумного для брауна это 10 миливольт, и мерим напругу между красным и получается белым проводом сморим скока получилося, у меня на неисправном тензодатчике напряжение на выходе составляло 46 миливольт естественно это завышает норму в 4,5 раза поэтому неудивительно что прибор ругается. Беру переменный резистор и втыкаю между минусом питания и красным проводом и не убирая мультиметр начинаю вращать резистор тем самым балансируя мост выставляя напругу порядка 3 миливольт (этого вполне достаточно) и лучше так и оставить дело в том что тензодатчик имеет свойство самокомпенсации по температуре а у нашего резистора в зависимости от температуры сопротивление будет немного меняться и желательно чтоб не сильно а то вдруг отрегулируеш 0 миливольт вынесеш его в скорую поставиш где +1 зимой - а он там в нужным момент подведет, поэтому лучше оставить несколько миливольт чтоб если сопротивление уплыло ненамного из за темпера значение миливольт хоть и изменились но не вышли за рамки разумнго.. Так вот о чем это я когда выставили переменником порядка 3 миливольт, отцепляем от переменника провода мерим его сопротивление и подбираем из имеющих резисторов потому как переменник в голову врядли засунеш из за его габаритов. Подобрав подпаиваем его все делаем красиво и ажурно и усе апаратик жив, вот теперь только надо учитывать что чувствительность такого тензодатчика может быть и никакая а может быть и наоборот слишком высокая в зависимости степени песца пришедшего ему соответственнго такая функция как оклюзия могет и не работать.. Вот пожалуй все что хотел сказать

.
https://www.medteh.info/forum/22-1216-97976-16-1353188077
 
skribl777Дата: Четверг, 28.Мар.2013, 12:04 | Сообщение # 115
Стажер
У вас сообщений: 45
технический инженер
OFFлайн
Беларусь

минск
http://rapidlibrary.com/source.php?file=ulxnezfm8mi89on&url=http%3A%2F%2Ffrankshospitalworkshop.com%2Fequipment%2Fdocuments%2Finfusion_pumps%2Fservice_manuals%2FB.Braun_Perfusor_Compact_S_-_Servic e_manual.pdf&sec=9e5a738d41f9056b
новая ссылка на сервиса мануал braun perfusor compact s
старая битая и не открывается
 
berkacДата: Суббота, 20.Апр.2013, 20:12 | Сообщение # 116
Заглянувший
У вас сообщений: 1
врач СМП
OFFлайн
Российская Федерация

Пятигорск
Ссылка постом выше битая. Файл не найден
 
homenДата: Суббота, 20.Апр.2013, 21:20 | Сообщение # 117
Завсегдатай
У вас сообщений: 271
инженер
OFFлайн
Российская Федерация

Санкт-Петербург
Сервис мануал BBraun Perfusor Compact S:
http://yadi.sk/d/FWQJXklN4CfGO


Сообщение отредактировал homen - Суббота, 20.Апр.2013, 21:30
 
jazzДата: Пятница, 24.Май.2013, 09:00 | Сообщение # 118
Участник
У вас сообщений: 74
инженер
OFFлайн
Российская Федерация

Екатеринбург
Не подскажете, у меня 15 дозаторов (долго б/у) и все ведут себя одинаково: шприц 2мл определяют как 3мл, а шприц 20мл определяет как 30 мл. 5, 10 и 50 мл определяются нормально. Ну и вторая беда: на маленьких шприцах не прожимается датчик в головке. Может есть требования по применяемым шприцам?
 
AlexiumДата: Пятница, 24.Май.2013, 10:33 | Сообщение # 119
Инженер медтехник
OFFлайн
Российская Федерация

Саратов
Цитата (jazz)
Не подскажете, у меня 15 дозаторов (долго б/у) и все ведут себя одинаково: шприц 2мл определяют как 3мл, а шприц 20мл определяет как 30 мл. 5, 10 и 50 мл определяются нормально.

Просто гномик живущий в шприцевом дозаторе ослеп - вот и не видит маркировку на шприце! yes
Это только идиоты думают что объем шприца определяется по диаметру (из стандартного для Б\браун ряда размеров шприцов) и если он "толстячок", то могут быть промахи незначительно влияющие на точность дозирования.
 
jazzДата: Пятница, 24.Май.2013, 10:40 | Сообщение # 120
Участник
У вас сообщений: 74
инженер
OFFлайн
Российская Федерация

Екатеринбург
за идиота спасибо, а по существу вопроса что гномики говорят?
 
  • Страница 3 из 9
  • «
  • 1
  • 2
  • 3
  • 4
  • 5
  • 8
  • 9
  • »
Поиск:



Статистика Форума
Последние обновления тем: Новые файлы хранилища: Новые участники: Top10 участников:
1. Стоматустановка Siron...[Абак (14.Мар.2026)]
2. Стерилизатор паровой ...[battlecat (14.Мар.2026)]
3. Светодиодный осветите...[Domovenock (13.Мар.2026)]
4. Аппарат низкочастотно...[5saleru (13.Мар.2026)]
5. Стоматустановка Azimu...[seabee (12.Мар.2026)]
6. ЭХВЧ 300-02 "Фот...[Alexbik (09.Мар.2026)]
7. Радиовизиограф RSV 2[hak134 (06.Мар.2026)]
8. УЗИ Logiq P9 ф.GE Ult...[AlexanderRu (05.Мар.2026)]
9. ЭКГ ЭК12Т-01-«Р-Д»[nikolai-m71 (03.Мар.2026)]
1. Apollo EZ service man...[25.Дек.2025]
2. VIVIX Setup Operation...[12.Окт.2025]
3. GenwareMP[10.Сен.2025]
4. Настройка реагентов M...[20.Авг.2025]
5. Philips HD3-EXP[13.Авг.2025]
6. Рентгеновское оборудо...[08.Авг.2025]
7. VersaMed iVent201 Сер...[13.Фев.2025]
8. Гелпик КРД Ренекс РЦ ...[09.Фев.2025]
9. Офтальмологическая ус...[31.Окт.2024]
10. Cardinal-Health-VELA-...[03.Окт.2024]
1. zuraban[15.Мар.2026]
2. autoritm1973[15.Мар.2026]
3. dedok320[14.Мар.2026]
4. dmitrystar039[14.Мар.2026]
5. hightman[13.Мар.2026]
6. sergiystrong73[13.Мар.2026]
7. sergiystrong[13.Мар.2026]
8. DeDMaRoZ[13.Мар.2026]
9. Gentleman333[13.Мар.2026]
10. AnMa[12.Мар.2026]
МастерБаку[583]
Yulana34[177]
Serg74[160]
Dimitrius[129]
naves[122]
РОМУЛ[121]
bektyish[121]
madmac[116]
Алекс-200[114]
генаf[112]