[ Новые сообщения · Участники · Правила форума · Поиск · RSS ]



  • Страница 1 из 11
  • 1
  • 2
  • 3
  • 10
  • 11
  • »
Модератор форума: zx19  
Помощь в техобслуживании и ремонте RT-7600 и RT-7600S
МВРДата: Четверг, 17.Окт.2013, 14:51 | Сообщение # 1
Медтехник
OFFлайн
Российская Федерация

.
Регистрационное удостоверение ФСЗ 2010/08202 от 01.11.2010 года на Автоматический гематологический анализатор моделей RT-7600, RT-7600S, производства китайской компании Rayto Life And Analytical Sciences Co. Ltd.

. В этой теме собрана вся информация в виде вопросов и ответов на них официального представителя и участников о гематологических анализаторах RT-7600 и RT-7600S (MicrosCC Meridith Rohen).

. Есть тема о методах достижения достоверности практических лабораторных исследований: "О контрольной крови и калибраторе (Практика исследований и обеспечение их достоверности).

. Есть тема: " Анализатор гематологический MicroCC-20 Plus ф.HTI (США) (Неполадки/проблемы, опыт и советы по их устранению)".
5319522.gif (17.7 Kb)
 
pavtriodДата: Вторник, 26.Ноя.2013, 20:55 | Сообщение # 2
Стажер
У вас сообщений: 26
инженер-метролог
OFFлайн
Российская Федерация

Кемеровская губерния
Очень похож на MD7600, который мы пользуем
 
biotechДата: Вторник, 26.Ноя.2013, 23:53 | Сообщение # 3
Участник
У вас сообщений: 64
инженер
OFFлайн
Российская Федерация

Москва
Да, это тот же прибор, только под другим названием
 
pavtriodДата: Среда, 27.Ноя.2013, 19:11 | Сообщение # 4
Стажер
У вас сообщений: 26
инженер-метролог
OFFлайн
Российская Федерация

Кемеровская губерния
ну пока "можно сказать" всё работает....................
вчера пришлось пользоваться диском восстановления dance2
в день по 300-500 измерений
 
BardeyДата: Среда, 27.Ноя.2013, 20:17 | Сообщение # 5
Участник
У вас сообщений: 190
инженер
OFFлайн
Российская Федерация

Воронеж
а фотографии есть желательно всего,и хочется сервис мануала,очень даже не помешало бы?
 
bukatelenetДата: Среда, 27.Ноя.2013, 20:40 | Сообщение # 6
Участник
У вас сообщений: 154
инженер медтехника
OFFлайн
Российская Федерация

Donetsk
Цитата biotech ()
Доброго времени суток всем. Тема создана для всех, у кого есть вопросы по обслуживанию гематологических анализаторов RT-7600/RT-7600S Наша компания является официальным представителем производителя данного оборудования - Rayto Life and Analytical Sciences Готов помочь в меру сил и возможностей.

Добрый день.
У меня проблема следующего характера:
Анализатор RT-7600, он же MicroCC. Завышает тромбоциты на человеческой крови приблизительно на треть от контрольной.
То есть калибровка и измерения контрольной крови показывают что все работает хорошо. Но при этом показатели по живой крови на тромбоцитах выше на треть от реальных, измеренных на 2х ВС-3000 и Micros 60.
Пожалуйста, подкажите, как выйти из ситуации, кроме ручного изменения коэфициента.


Сообщение отредактировал bukatelenet - Среда, 27.Ноя.2013, 20:41
 
BardeyДата: Четверг, 28.Ноя.2013, 00:37 | Сообщение # 7
Участник
У вас сообщений: 190
инженер
OFFлайн
Российская Федерация

Воронеж
Цитата bukatelenet ()
Добрый день.
У меня проблема следующего характера:
Анализатор RT-7600, он же MicroCC. Завышает тромбоциты на человеческой крови приблизительно на треть от контрольной.
То есть калибровка и измерения контрольной крови показывают что все работает хорошо. Но при этом показатели по живой крови на тромбоцитах выше на треть от реальных, измеренных на 2х ВС-3000 и Micros 60.
Пожалуйста, подкажите, как выйти из ситуации, кроме ручного изменения коэфициента.


Отсканируйте результаты и покажите? И при анализе на разных анализаторах
Цитата bukatelenet ()
измеренных на 2х ВС-3000 и Micros 60

должна быть разница в допустимых единицах.
По сути дела если контроль нормальный и родной,то какие могут быть разговоры,досвидания и всё.Если же вы хотите доказать то копайте с нуля с вакутйнеров и т.д. по процедуре biggrin

если не сложно фото механики сфотойте,нужны сравнения!


Сообщение отредактировал Bardey - Четверг, 28.Ноя.2013, 00:48
 
biotechДата: Четверг, 28.Ноя.2013, 00:49 | Сообщение # 8
Участник
У вас сообщений: 64
инженер
OFFлайн
Российская Федерация

Москва
Цитата bukatelenet ()
bukatelenet

Поправьте, если я неправильно понял:
анализатор RT-7600 (версия S или полная)
откалиброван по контрольной крови и, соответственно, укладывается в диапазон этой же контрольной крови, если промерить ее как пробу
при измерении живой крови все параметры дает адекватно (проверено ручным счетом или на других достоверных приборах), кроме тромбоцитов
если результаты тромбоцитов сравнивались с другими приборами, то измерялась ли на них та же контрольная кровь? тромбоциты попадали в диапазон?
для правильной оценки ситуации не хватает следующей информации
1) Какой фон тромбоцитов наблюдается при измерении бланка (пустое измерение без крови)? В нормальной ситуации фон по тромбоцитам должен быть не выше 10-12
2) Есть ли повторяемость результатов по параметру тромбоцитов? Достаточно проверить по 3-5 измерениям одной крови. Разброс должен укладываться в 3% КВ
3) Проверялось ли заземление в розетке, к которой подключен прибор? Разница потенциалов заземления и нейтрали не должна превышать 5 В. Если применено типичное для лаборатории зануление, без контурного заземления, то проверьте нет ли в линии подключения прибора источников помех. Можно попробовать отключить землю вообще и посмотреть как изменится результат по тромбоцитам.
4) Какого вида гистограмма получается на тромбоцитах? Желательно картинку. Укладываются ли тромбоциты в границы дискриминаторов?

Общие рекомендации:
1) Проверить качество заземления (см. выше)
2) Проверить экранирование измерительных камер: контакт наружного черного кожуха с корпусом прибора, контакты экранирующей оплетки на трубках (пружинка намотана на трубки) с корпусом прибора
3) Добиться фона по тромбоцитам при измерении бланка не выше 10-12 единиц. Если фон высокий, то исключить возможность влияния реагентов и загрязнения магистралей прибора:
- выполнить "жесткую" промывку всех магистралей прибора 3-5% раствором гипохлорита натрия . Можно опустить все трубки (лизирующего, колинера и дилюэнта) в емкость с гипохлоритом и провести заполнение всеми растворами через меню обслуживания 2-3 раза. Дать постоять 5-10 минут, затем выполнить ту же процедуру с дистил. водой, потом с пустой емкостью. ВНИМАНИЕ! Нельзя сразу после гипохлорита заполнять нормальными реагентами, т.к. часть раствора из трубок будет возвращена в емкости с реагентами.
- заменить реагенты, возможно, что фон идет из-за загрязнения дилюэнта
4) Странно, что наблюдается разница по тромбоцитам на живой крови и контрольной. Тромбоциты прибор всегда считает одинаково и ему все равно, что измеряется. Понятно, что в вашей ситуации уменьшение коэффициента по тромбоцитам приводит в "норму" результаты по живой крови, но занижает контрольную. Обычно, когда высок тромбоцитарный фон на бланке при автоматической калибровке занижается и калибровочный коэффициент, что, в свою очередь приводит к уменьшению тромбоцитов на живой крови. В вашей же ситуации все наоборот. Поэтому я склонен предположить, что приборы, с которыми сравнивали, просто занижают тромбоциты. Это частая ситуация, особенно с микросами. Это можно легко выяснить путем калибровки по живой крови, предварительно промеренной на "эталонном" приборе. Измеряете 5-10 раз кровь на эталоне, затем усредняете результат и берете эту же кровь для калибровки на RT-7600 с усредненными данными в качестве данных калибратора (временной интервал между измерениями на обоих приборах не должен превышать 4 часов). После калибровки смотрите как изменился коэффициент по тромбоцитам и какие результаты стали получаться на живой крови. В идеале данные по тромбоцитам будут совпадать с результатами на эталоне. Теперь измеряем контрольную кровь и смотрим уложились ли в диапазон по тромбоцитам. Скорее всего тромбоциты по контрольной крови будут занижены, значит на "эталоне" закрутили коэффициент на тромбоциты, чтобы не лез фон. Как убедить персонал в лаборатории, что "эталонный" прибор "подкручен" - вопрос психологии. Можно попросить их просчитать 3-5 кровей в камере, а затем померить на "эталоне" и RT-7600, только подсчет пусть выполнят по всем правилам с усреднением по нескольким большим квадратам.
Все, что сказано выше, по контролю предполагает адекватное качество самого контрольного материала - не истек срок годности, срок с момента первого вскрытия флакона не более одного месяца, в контроль "случайно" не попадали реагенты, контроль не перегревали и не замораживали и хранили правильно.
5) Ну и есть еще одна практически невероятная вероятность - сбой программного обеспечения. За все время (5 лет) у нас был только один случай, да и то с лейкоцитами. Кроме того наш случай отличался по проявлению от вашего. У нас в результате автоматической калибровки выводился неверный коэффициент для лейкоцитов, соответственно лейкоциты занижались на живой крови и на калибровочной тоже. После установки правильного коэффициента вручную результаты приходили в норму и на калибровочной крови и на живой крови.
Сбой программы лечится только полной переустановкой, после чего нужно восстанавливать настройки, которые хранятся в файле settings.ini и базе данных blood.mdb
Если нужна еще помощь, то лучше пишите на мой e-mail: sandvsl@gmail.com Написание ответов на форуме уж очень неудобно сделано
 
biotechДата: Четверг, 28.Ноя.2013, 01:04 | Сообщение # 9
Участник
У вас сообщений: 64
инженер
OFFлайн
Российская Федерация

Москва
Цитата biotech ()
вчера пришлось пользоваться диском восстановления

можно поподробней про этот диск?
В стандартной комплектации Rayto никаких дисков не поставляет. На более поздних версиях ПО появилась возможность запуска полного восстановления прошивки при загрузке прибора (нажать R в момент загрузки системы), но диска никогда никакого не поставлялось. По запросу Rayto предоставлял загрузочные UFD с возможностью восстановления прошивки, но только авторизованным дилерам. При использовании обоих способов восстановления параметры прибора возвращались к "усредненным заводским", т.е. требовалась дальнейшая подстройка на конкретном приборе:
позиции каретки игла отбора пробы - 5 положений, прописанных на стикере за правой дверцей
коэффициент обратной связи по гемоглобину - там же на стикере
крайние дискриминаторы по эритроцитам, лейкоцитам и тромбоцитам - только в базе прибора
пороги определения по эритроцитам, лейкоцитам и тромбоцитам - частично на стикере и в базе

"Усредненные заводские" параметры должны подходить практически ко всем приборам, но бывали случаи, когда неправильно вставала каретка иглы и гнула лепестки электродов в измерительных камерах.
 
pavtriodДата: Четверг, 28.Ноя.2013, 14:44 | Сообщение # 10
Стажер
У вас сообщений: 26
инженер-метролог
OFFлайн
Российская Федерация

Кемеровская губерния
в комплекте шла инструкция по проблемам запуска прибора и флешечка (с надписью на ней только для восстановления)
 
pavtriodДата: Понедельник, 16.Дек.2013, 20:17 | Сообщение # 11
Стажер
У вас сообщений: 26
инженер-метролог
OFFлайн
Российская Федерация

Кемеровская губерния
Пляя задолбал! Проблемы с внутренним принтером. Сначала был внешний самсунг который благополучно помер (как и многие такие же ЭТОЙ серии) стали работать на внутреннем. Но стала появляться странность при старте идёт проверка бланка потом его печать, так вот как до печати доходит такпечать не идёт..... заходишь в менюшку /печать каких нибудь измерений/принтер делает попытку отпечатать..... протягивает С ПЕЧАТЬЮ около 1см и встаёт колом, потом сообщение о ошибке которое весит аппарат напрочь.
Пытался пристегнуть внешний Кэнон LBP6220 так не даёт запустить установку принтера, то ИНИка ему надо то ещё чего(хотя принтер в списке появился, но печать не идёт и пишет шо нестыковка с системой). Дайте помощь в этой проблеме или список железно поддерживаемых принтеров.
 
bukatelenetДата: Понедельник, 16.Дек.2013, 21:37 | Сообщение # 12
Участник
У вас сообщений: 154
инженер медтехника
OFFлайн
Российская Федерация

Donetsk
Цитата pavtriod ()
Пляя задолбал! Проблемы с внутренним принтером. Сначала был внешний самсунг который благополучно помер (как и многие такие же ЭТОЙ серии) стали работать на внутреннем. Но стала появляться странность при старте идёт проверка бланка потом его печать, так вот как до печати доходит такпечать не идёт..... заходишь в менюшку /печать каких нибудь измерений/принтер делает попытку отпечатать..... протягивает С ПЕЧАТЬЮ около 1см и встаёт колом, потом сообщение о ошибке которое весит аппарат напрочь. Пытался пристегнуть внешний Кэнон LBP6220 так не даёт запустить установку принтера, то ИНИка ему надо то ещё чего(хотя принтер в списке появился, но печать не идёт и пишет шо нестыковка с системой). Дайте помощь в этой проблеме или список железно поддерживаемых принтеров.

Там стоит ХР, просто сильно урезанная. Так что оно поддерживает все устройства, что и ХР. Необходимо отключить автоматический откат изменений, перезагрузить. Установка принтера и дров,настройка принтера по умолчанию, всё как на компе. Потом включить ф-ю слежения за изменениями. Перезагрузить.
О защите системы:
В корне диска С утилита FBWF, пароль 1008, нажать левую кнопку. Всё на китайском. В главном меню нажать кнопку справа от серой неактивной. Перезагрузить. Защита отключена. После внесения изменений нажать левую верхнюю кнопку главного меню, перезагрузить. Защита снова включена.


Сообщение отредактировал bukatelenet - Понедельник, 16.Дек.2013, 21:44
 
BardeyДата: Вторник, 17.Дек.2013, 14:51 | Сообщение # 13
Участник
У вас сообщений: 190
инженер
OFFлайн
Российская Федерация

Воронеж
Винда XP(это точно)? Да нафига такому аппарату шаткая и не стабильная винда XP,вот это новость...У китайцев вообще крышу снесло к еб-ям.
 
biotechДата: Вторник, 17.Дек.2013, 18:16 | Сообщение # 14
Участник
У вас сообщений: 64
инженер
OFFлайн
Российская Федерация

Москва
Цитата pavtriod ()
Пляя задолбал! Проблемы с внутренним принтером. Сначала был внешний самсунг который благополучно помер (как и многие такие же ЭТОЙ серии) стали работать на внутреннем. Но стала появляться странность при старте идёт проверка бланка потом его печать, так вот как до печати доходит такпечать не идёт..... заходишь в менюшку /печать каких нибудь измерений/принтер делает попытку отпечатать..... протягивает С ПЕЧАТЬЮ около 1см и встаёт колом, потом сообщение о ошибке которое весит аппарат напрочь.
Пытался пристегнуть внешний Кэнон LBP6220 так не даёт запустить установку принтера, то ИНИка ему надо то ещё чего(хотя принтер в списке появился, но печать не идёт и пишет шо нестыковка с системой). Дайте помощь в этой проблеме или список железно поддерживаемых принтеров.

В приборе действительно установлена версия Windows XP Embedded, которая принимает практически все драйвера для обычной версии XP.
Поскольку в системе установлен фильтр записи FBWF, то любые изменения системных файлов следует выполнять после его отключения.
В зависимости от версии установленного ПО может быть различная конфигурация встроенного CF диска:
- для старых версий: один раздел (C:) защищенный FBWF, кроме папки C:\RTHemat
- для более новых версий: два раздела - системный C:, защищенный FBWF и раздел программы D:, не защищенный FBWF
- для последних версий программы: три раздела - системный C:, защищенный FBWF, раздел программы D:, не защищенный FBWF и скрытый раздел с Norton ghost образом системного раздела
Во всех трех случаях для установки нового оборудования и драйверов требуется отключение фильтра FBWF. Описание процедуры отключения фильтра - в приложенном файле. Процедура описана на примере старой версии программы. На новой программе все то же, только интерфейс выглядит немного иначе.
После отключения фильтра можно устанавливать драйвера принтера. Драйвера должны быть совместимы с Windows XP. Если в процессе установки появится запрос о необходимости предоставить ini, ocx или dll файл, то скорее всего, что в комплекте установки драйверов принтера нет файлов, которые по умолчанию ожидаются в полной версии Windows XP. Для ini файлов установка может завершиться успешно даже при игнорировании запроса. Для других типов файлов чаще всего установка не пройдет. Можно попробовать определить какой именно файл требуется и скопировать его с рабочей полной версии XP или с установочного диска Windows XP.
После завершения установки драйверов нужно перезагрузить систему и выбрать в программе анализатора установленный внешний принтер. Затем проверить печать. Если все работает, то активировать FBWF и снова перезагрузить систему.
ЗАМЕЧАНИЕ: в старых версиях программы при выборе внешнего принтера печать осуществлялась на установленный в системе по умолчанию принтер. Поскольку признак принтера по умолчанию прописывается в системных файлах Windows XP (реестре и файлах настроек пользователя), то после выключения прибора установки принтера опять сбрасывались к первоначальным, поэтому нужно выбирать внешний принтер в программе при отключенном FBWF.
РЕКОМЕНДАЦИИ:
1) Лучше отключить автопечать в настройках программы, чтобы не распечатывался бланк при включении.
2) При печати на внутренний принтер программа ждет завершения печати, поэтому если принтер не печатает программа находится в режиме ожидания. Если программа "зависла" при печати попробуйте открыть крышку принтера и перезаправить бумагу. Если печать продолжится, то программа "отвиснет". На старых версиях появление сообщения об ошибке "подвешивало" систему.
3) У внутренних принтеров есть одна особенность, связанная с рулоном термобумаги. Если рулон начинает чрезмерно отматываться с внешней части, то вес рулона прижимает и заклинивает термобумагу и ее подача в механизме печати становится невозможной. Выглядит это примерно так как вы описали. Начинается печать, выходит 1-3 см распечатки, затем звук печати меняется на более громкий и принтер останавливается. Через какое-то время появляется сообщение об ошибке, которое действительно может подвесить систему. (на старых версиях программы) Для устранения этой проблемы попробуйте смотать рулон поплотнее и заправьте бумагу в механизм печати без перекоса.
4) Со своими приборами в качестве внешнего принтера поставляем Samsung ML-2160. Раньше поставляли Samsung ML-16__ Все модели Samsung прекрасно работали, при условии установки оригинальных картриджей. В лабораториях сами клиенты просили подключить чаще принтеры HP разных моделей. Были Epson LX-300 II Plus. Список принтеров, для которых ставились драйвера производителем следующий: Samsung ML-1640, ML-1660, ML-1665, ML-1670, ML-1675, ML-1677, Canon LBP2900, LBP6000
Матричные: Panasonic KX-P1121, Epson LX-300 + II
5) При установке "windows" принтеров (тип принтеров на которых обсчет raw образа печати производится на компьютере, а не в контроллере принтера) не рекомендуется устанавливать вспомогательные программы (контроль и сообщения о состоянии принтера, заказ расходных материалов и т.д.) Такие программы по умолчанию устанавливаются практически всеми производителями принтеров и могут сильно нагрузить систему или привести к нежелательным эффектам (например потере и невозможности восстановления фокуса на окне сообщения принтера) Поэтому вместо запуска программы установки, лучше производить вручную установку драйверов принтера через контрольную панель. Для такой установки следует предварительно локализовать расположение драйверов принтера на установочном диске и скопировать на USB диск для установки только драйвера.
FBWP_turn_off.pdf (270.2 Kb)
 
pavtriodДата: Вторник, 17.Дек.2013, 20:56 | Сообщение # 15
Стажер
У вас сообщений: 26
инженер-метролог
OFFлайн
Российская Федерация

Кемеровская губерния
Ответ полный и почти исчерпывающийся, НО
1-в нашей поддержке казали шо там систем стоит 2000, уже готовился к борьбе с NTшкой ))))
2- когда выводится сообщение об ошибке печати то при нажатии кнопки протяжки бумаги ОНА то идёт и без всяких посторонних звуков! И до этой остановки тоже не зажёвывало и не сбрасывало вниз...
3-сегодня "нашёл" ТОЧНО такой же принтер как был при установке аппарата!!!!! УРРРААААА!
НО не работает сцука!не идёт тестовая страница! не распечатываются анализы! однажды только лишь распечаталась часть снимка экрана (есть там такая фишка)
Сё дальше творить?
 
biotechДата: Вторник, 17.Дек.2013, 22:40 | Сообщение # 16
Участник
У вас сообщений: 64
инженер
OFFлайн
Российская Федерация

Москва
1) если там стоит Windows 2000, то это должен быть совсем старый аппарат Можно попробовать заменить прошивку на более новую. Только вот базы у них не совместимы. Потеряется вся история измерений, калибровок и контроля качества. Также придется вручную занести настройки прибора в новую прошивку. Еще неплохо было бы по серийнику уточнить у производителя совместимость Win XP и той материнки, что стоит в приборе. Сборка Win Xp делалась под вполне определенное железо и могут быть проблемы, если в сборке не окажется каких-либо драйверов или HAL вообще не пойдет на имеющемся железе. Вес прошивки тоже немаленький - кажется 1,2 Гб, если я правильно помню. Смогу выложить ее не сервер и скинуть ссылку.
2) Если бумага протягивается, то это точно не проблемы механики. Возможно это проблема самой программы анализатора. На старых версиях у нас был такой случай, когда слетела база данных и при попытке печати результатов из базы программа зависала. Лечится переустановкой программы.
3) Точно такой же принтер для системы - это все равно другое железо с другим идентификатором. Поэтому надо проверить как принтер встал в системе. Если драйвера подцепились корректно и принтер установился по умолчанию, то остается только проблема с подсистемой печати Windows 2000. Тестовую страницу печатали из свойств принтера? Если да, то было ли сообщение об ошибке? Было ли сообщение об ошибке от службы контроля сервисов "Service Control Manager" и не упоминался ли там "Print Spooler"?
Можно посмотреть журнал событий на предмет наличия сообщений об ошибках (Панель управления->Администрирование->Просмотр событий)
Если такое было, то проще заново переустановить прошивку и не копаться в системных файлах.
4) Есть еще вариант проверить целостность файловой системы и наличие свободного места на диске:
из командной строки (Пуск\Выполнить\cmd > chkdsk c:) команду запускаем без ключа F в режиме только чтения, т.к. диск используется системой и исправления невозможны. Для исправления ставим ключ /F и проверка будет выполнена при следующей загрузке системы.
из графической оболочки Windows (свойства диска, нуждающегося в проверке \ закладка Сервис -> кнопка Выполнить проверку).
(в английской версии кажется "Tools" - "Error-checking")
Если обнаружатся ошибки, затрагивающие системные файлы, то опять же проще перезалить прошивку
Если ошибок нет, то сколько свободного места осталось на диске? Какой размер базы данных анализатора (папка C:\RTHemat или в старом варианте может быть c:\RT-7600 файл bloodcell.mdb)
 
pavtriodДата: Среда, 18.Дек.2013, 04:35 | Сообщение # 17
Стажер
У вас сообщений: 26
инженер-метролог
OFFлайн
Российская Федерация

Кемеровская губерния
свободного места не менее 40-20%.
всё остальное позже.
 
pavtriodДата: Среда, 18.Дек.2013, 17:00 | Сообщение # 18
Стажер
У вас сообщений: 26
инженер-метролог
OFFлайн
Российская Федерация

Кемеровская губерния
Чтобы не мучить неопределённостью.
Винда "похоже" на самом деле оказалась 2000 не заострял внимание, надо совсем другое.

Принтер самсунг собстно не работал потому как пришёл из ремонта от кривых рук мастера, да и ещё ИВЦшник так принял с ремонта (то ли в "доле"?). В общем он совсем не хотел работать нормально.

Пока это выяснилось я уже подкинул dllлок из системы где стоял HP и связочка заработала.
Защиты на/от записи диска-нет. Запросто создал папку в корне С и сунул туда дрова от принтюга, на будущее.
Оформление меню совсем не как в мануале "FBWP_turn_off.pdf(270Kb)"
Видимо более старая версия.
Есть ли смысл менять на новую?
Ессно записать все калибровки и.т.д
 
OBEYДата: Среда, 18.Дек.2013, 23:34 | Сообщение # 19
Участник
У вас сообщений: 89
лабораторная техника
OFFлайн
Украина

Киевский Хунтанат
Ставим в Киеве и по Украине 7600. Сыпятся как порох...
 
OBEYДата: Четверг, 19.Дек.2013, 00:21 | Сообщение # 20
Участник
У вас сообщений: 89
лабораторная техника
OFFлайн
Украина

Киевский Хунтанат
Цитата biotech ()
Вопросы по RT-7600 и RT-7600S (MicrosCC Meridith Rohen)
5319522.gif(18Kb)

В комплекте с анализатором идут пару запасных трубочек, о-ринги для шприцов, силиконовая смазка. Через сколько лет нужно это дело поменять при работе анализатора 5 дней в неделю, до 100 анализов в день?

Хотя сомневаюсь, что оные доживают и до 2х лет без ремонта...

И второй вопрос. Какая фирма создала этот 7600? Видел также аналог под биркой HTI (USA).
 
AlexiumДата: Четверг, 19.Дек.2013, 06:55 | Сообщение # 21
Инженер медтехник
OFFлайн
Российская Федерация

Саратов
Цитата OBEY ()
Какая фирма создала этот 7600? Видел также аналог под биркой HTI (USA).

Rayto - http://www.rayto.com/
Насчет надежности ничего сказать не могу - 1,5 года на реагентах КДС http://www.intermedika.ru/catalog....-20plus - работают.
 
OBEYДата: Четверг, 19.Дек.2013, 14:45 | Сообщение # 22
Участник
У вас сообщений: 89
лабораторная техника
OFFлайн
Украина

Киевский Хунтанат
а официально производитель MicroCC-20Plus это тоже Китай?
 
AlexiumДата: Четверг, 19.Дек.2013, 17:02 | Сообщение # 23
Инженер медтехник
OFFлайн
Российская Федерация

Саратов
Цитата OBEY ()
а официально производитель MicroCC-20Plus это тоже Китай?

Производитель Rayto RT-7600 (MIcroCC20Plus, MD-7600 и т.д.) фирма Rayto. Есть такое понятие ODM, так вот Райто - это ODM.
 
OBEYДата: Четверг, 19.Дек.2013, 19:25 | Сообщение # 24
Участник
У вас сообщений: 89
лабораторная техника
OFFлайн
Украина

Киевский Хунтанат
а в чем отличия 7600 и 7600S ?
 
AlexiumДата: Четверг, 19.Дек.2013, 20:14 | Сообщение # 25
Инженер медтехник
OFFлайн
Российская Федерация

Саратов
Если перейти на сайт Райто и посмотреть "вооруженным глазом" можно заметить что у них разные диагонали ЖКИ 10" и 8".
 
biotechДата: Пятница, 20.Дек.2013, 23:31 | Сообщение # 26
Участник
У вас сообщений: 64
инженер
OFFлайн
Российская Федерация

Москва
Цитата pavtriod ()
Есть ли смысл менять на новую?
Ессно записать все калибровки и.т.д

В данном случае это вопрос замены уже работающего на что-то еще лучшее.
Новая версия прошивки конечно стабильнее и выглядит красивее, но нужно ли это клиенту?
Единственный веский аргумент - это намного большая устойчивость Win XP Embedded к нештатным выключениям и внезапному пропаданию питания.
Если есть запасная флешка CF Kingston 4Гб, то можно попробовать залить прошивку на нее и не трогать существующую, чтобы иметь возможность отката.
 
biotechДата: Пятница, 20.Дек.2013, 23:54 | Сообщение # 27
Участник
У вас сообщений: 64
инженер
OFFлайн
Российская Федерация

Москва
Цитата OBEY ()
В комплекте с анализатором идут пару запасных трубочек, о-ринги для шприцов, силиконовая смазка. Через сколько лет нужно это дело поменять при работе анализатора 5 дней в неделю, до 100 анализов в день?

Вообще, профилактику прибора нужно делать ежегодно. При указанной нагрузке ежегодная профилактика обязательна.
Примерный перечень работ следующий:
1) Разборка блока шприцов с очисткой, смазкой и заменой уплотнительных колец
2) Разборка вакуумного шприца с очисткой, смазкой и заменой уплотнительного кольца. Очисткой и смазкой механики привода. Особое внимание следует обратить на шестеренки и зубчатую рейку. Если белый прижимной ролик не достаточно плотно прижимает черную шестеренку к рейке, то могут стереться зубцы на рейке и шестерне. Если есть сомнения, то лучше заменить прижимной ролик и большую шестерню.
После сборки прибора нужно проверить манометром давление (разрежение) в системе - должно быть 200 +/- 20 мБар (делается через сервисное меню)
3) Замена трубок гидравлической системы. Необходимость замены зависит от используемых реагентов. При использовании цианидного или агрессивного лизирующего раствора замена трубок в магистралях с этим раствором обязательна.
4) Если при работе не используется ферментативный очищающий раствор, то как минимум необходима промывка всей гидравлической части гипохлоритом натрия 3-5% (заполнить все трубки и шприцы путем замены всех растворов на гипохлорит и последующего заполнения через сервисное меню) Лучше после года эксплуатации заменить все трубки. Возни много, но потом не придется разбираться с повышенным фоном тромбоцитов.
5) Контроль состояния и профилактика измерительных камер. Очистка, замена уплотнительных колец апертур. Если не заменить кольца апертур, то при частом использовании прожига высоковольтным разрядом может повредиться камера. Изотонический раствор протекает через прокладку и разряд возникает не в апертуре, а в месте протечки. В отдельных случаях наблюдали реальные следы прожигания пластика камеры.
6) Разборка, очистка и замена уплотнительных прокладок в станции промывки иглы.
7) Проверка состояния приводных ремней каретки иглы. Если зубцы начали истираться, то лучше заменить.
Основная часть уплотнительных колец есть в зипе, который дается с прибором. Там может не быть колец для апертур или будет только 2, а нужно 4.
Трубок там только минимальный комплект. Полный комплект заказывается отдельно
Вся процедура занимает примерно 2-3 часа
 
biotechДата: Пятница, 20.Дек.2013, 23:57 | Сообщение # 28
Участник
У вас сообщений: 64
инженер
OFFлайн
Российская Федерация

Москва
Цитата Alexium ()
Если перейти на сайт Райто и посмотреть "вооруженным глазом" можно заметить что у них разные диагонали ЖКИ 10" и 8".

Кроме разницы в диагоналях отличается и разрешение:
10" - 640*480 (RT-7600)
8" - 800*600 (RT-7600S)

Версия RT-7600 всегда поставляется с сенсорным экраном
Версия RT-7600S может быть как с сенсором, так и без
 
OBEYДата: Суббота, 21.Дек.2013, 17:19 | Сообщение # 29
Участник
У вас сообщений: 89
лабораторная техника
OFFлайн
Украина

Киевский Хунтанат
Цитата biotech ()
Вообще, профилактику прибора нужно делать ежегодно. При указанной нагрузке ежегодная профилактика обязательна. Примерный перечень работ следующий:

Biotech, сколько у вас стоит час работы инженера? И какова цена ремкомплекта для клиента (часто запасные трубочки и кольца теряют)?
Мы к примеру, рачитываем час работы 200-250 грн (800-1000 руб.)
 
OBEYДата: Воскресенье, 22.Дек.2013, 17:33 | Сообщение # 30
Участник
У вас сообщений: 89
лабораторная техника
OFFлайн
Украина

Киевский Хунтанат
Кстати, на Mindray BC-2800 тоже такое ТО регулярно делают? В нем тоже есть трубочки запасные, но за мою практику двухгодичную не помню, чтобы меняли.
 
Sergei__xXxДата: Среда, 12.Фев.2014, 12:18 | Сообщение # 31
Заглянувший
У вас сообщений: 2
ВКО
OFFлайн
Казахстан

Усть-Каменогорск
Вопрос такой по MicroCC 20plus не забирает кровь.
 
OBEYДата: Среда, 12.Фев.2014, 12:24 | Сообщение # 32
Участник
У вас сообщений: 89
лабораторная техника
OFFлайн
Украина

Киевский Хунтанат
Цитата Sergei__xXx ()
Вопрос такой по MicroCC 20plus не забирает кровь.

Проверьте, работает ли насос пробы, не стерты ли уплотняющие резинки, проверьте работу всех клапанов. Иногда бывает, что клапан срабатывает, но не до конца - не открывает путь.
 
biotechДата: Среда, 12.Фев.2014, 12:45 | Сообщение # 33
Участник
У вас сообщений: 64
инженер
OFFлайн
Российская Федерация

Москва
Цитата Sergei__xXx ()
Вопрос такой по MicroCC 20plus не забирает кровь.

Что проверяли?
Игла не засорена?
Соединения по всей магистрали до шприца отбора пробы герметичны?
Прокладки в шприце не изношены? Шприц работает?
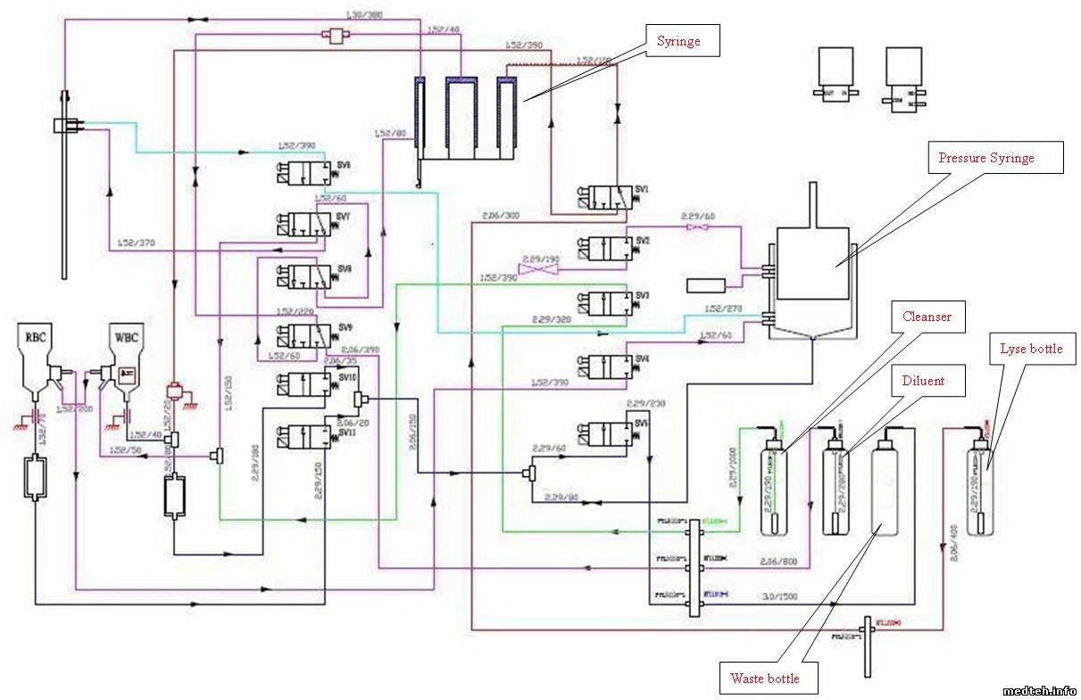
Клапана на отбор пробы в приборе нет. Игла соединена напрямую со шприцем. Есть только клапан подачи изотонического раствора в магистраль пробоотбора для промывки.
Схема гидравлики - в приложении. Шприц пробоотбора самый левый на схеме
3078271.jpg (182.2 Kb)
 
OBEYДата: Среда, 12.Фев.2014, 13:16 | Сообщение # 34
Участник
У вас сообщений: 89
лабораторная техника
OFFлайн
Украина

Киевский Хунтанат
biotech, сколько вы выставляете счет за ТО RT-7600? как оцениваете час работы инженера?
 
biotechДата: Среда, 12.Фев.2014, 15:10 | Сообщение # 35
Участник
У вас сообщений: 64
инженер
OFFлайн
Российская Федерация

Москва
Цитата OBEY ()
biotech, сколько вы выставляете счет за ТО RT-7600? как оцениваете час работы инженера?

Вопрос не в тему, но я вижу вас он очень волнует.
У нас час работы инженера обходится клиенту примерно в 2300 руб. Годовое ТО RT-7600 стоит не меньше 20 000 руб: около 10000 за запчасти и 11500 за работу (5 часов)
По запчастям:
N Номенклатура Количество Цена Сумма
1 Набор запасных частей с прокладками и трубками (Spare parts package(include O ring and tube)) 1,000 2 206,70 2 206,70
2 Прижимной ролик механизма вакуумного шприца (Large Idler) 1,000 1 081,10 1 081,10
3 Черная шестеренка механизма вакуумного шприца (Gear Shaft Assembly) 1,000 5 139,13 5 139,13
4 Уплотнительная прокладка измерительной апертуры (Washer of aperture) 2,000 294,18 588,36
По расчету стоимости часа инженера можете заполнить зеленые поля в прилагаемой таблице и прикинуть вашу стоимость часа
____.xls (8.0 Kb)
 
Dan4oysДата: Среда, 12.Фев.2014, 15:24 | Сообщение # 36
Участник
У вас сообщений: 124
инженер
OFFлайн
Российская Федерация

Москва
Видел подобный аппарат - на мой взгляд крайне ненадёжная вещь, ибо сломался в одной из поликлиник при не самой большой загрузке через 1,5 года - плата полетела.
 
biotechДата: Среда, 12.Фев.2014, 15:41 | Сообщение # 37
Участник
У вас сообщений: 64
инженер
OFFлайн
Российская Федерация

Москва
Цитата Dan4oys ()
Видел подобный аппарат - на мой взгляд крайне ненадёжная вещь, ибо сломался в одной из поликлиник при не самой большой загрузке через 1,5 года - плата полетела.

Не соизволите уточнить цель вашего поста? Просто так констатация факта или нужна консультация?
Прибор был подключен через ИБП или напрямую? Какая именно плата полетела? Было ли проведено профилактическое обслуживание после года работы?
 
seabeeДата: Среда, 12.Фев.2014, 20:03 | Сообщение # 38
У вас сообщений: 1310
инженер
OFFлайн
Российская Федерация

Сибирь
У меня два случая: - занижал тромбоциты и электроциты.
В первом случае помогла промывка камеры.
При калибровке выставляется слишком большой коэффициент. В процессе работы значения постепенно падают.
При переустановке образа - меняются значения положения мотора.
Кто-нибудь их менял?


Сообщение отредактировал seabee - Четверг, 13.Фев.2014, 07:50
 
Dan4oysДата: Среда, 12.Фев.2014, 22:15 | Сообщение # 39
Участник
У вас сообщений: 124
инженер
OFFлайн
Российская Федерация

Москва
Цитата biotech ()
Не соизволите уточнить цель вашего поста? Просто так констатация факта или нужна консультация?
Прибор был подключен через ИБП или напрямую? Какая именно плата полетела? Было ли проведено профилактическое обслуживание после года работы?

Цель моего сообщения в обмене мнением. Естественно, если понадобится консультация, то я обращусь в первую очередь к Вам-благодарю за содействие. Обидеть кого-либо не хотел. Почему такой вывод сделал-на этой неделе общался с мек-6410. Аппарату 7 лет. была порвана трубка перистальтического насоса-все параметры выдаёт верно. А тут увидел RT-7600 - аппарату меньше 3-х лет. Да, подключен он через ИБП был. Какая именно плата-не знаю: после включения падает напряжение до нуля на входе. Разбираться не стал-аппарат не мой.
Про предыдущие ТО сказать ничего не могу-не мой аппарат.
 
biotechДата: Четверг, 13.Фев.2014, 09:03 | Сообщение # 40
Участник
У вас сообщений: 64
инженер
OFFлайн
Российская Федерация

Москва
Цитата seabee ()
У меня два случая: - занижал тромбоциты и электроциты. В первом случае помогла промывка камеры.
При калибровке выставляется слишком большой коэффициент. В процессе работы значения постепенно падают.
При переустановки образа - меняются значения положения мотора. Кто-нибудь их менял?

При переустановке программы слетают все настройки: параметры счёта, усиление по гемоглобину, настройки положений иглы.
Часть параметров обычно вывешивалась на стикере изнутри правой дверцы прибора (см. фото): NP1-NP5 - положения иглы;
HFB - усиление по гемоглобину; TSP - шаги коррекции подавлению.
Если стикера нет, то параметры можно попробовать восстановить из файлов setting.ini и bloodcell.mdb, если, конечно, сохранили оригинальную версию программы.
7124039.jpg (131.1 Kb)
 
  • Страница 1 из 11
  • 1
  • 2
  • 3
  • 10
  • 11
  • »
Поиск:



Статистика Форума
Последние обновления тем: Новые файлы хранилища: Новые участники: Top10 участников:
1. Анализатор поля зрени...[SpirituS (04.Дек.2025)]
2. Программный комплекс ...[mqubali (04.Дек.2025)]
3. Кардиорегистратор «ИК...[albano18 (04.Дек.2025)]
4. Thermo Scientific gem...[viggen (03.Дек.2025)]
5. Центрифуга CM-6M ф.El...[Ningen64 (03.Дек.2025)]
6. Дефибриллятор Defi B ...[san-che30 (02.Дек.2025)]
7. Коллиматор Ralco R 22...[seeker (02.Дек.2025)]
8. КУПЛЮ/ПРИМУ в дар при...[seabee (02.Дек.2025)]
9. Центрифуга MiniSpin P...[AntonioPetty (01.Дек.2025)]
1. VIVIX Setup Operation...[12.Окт.2025]
2. GenwareMP[10.Сен.2025]
3. Настройка реагентов M...[20.Авг.2025]
4. Philips HD3-EXP[13.Авг.2025]
5. Рентгеновское оборудо...[08.Авг.2025]
6. VersaMed iVent201 Сер...[13.Фев.2025]
7. Гелпик КРД Ренекс РЦ ...[09.Фев.2025]
8. Офтальмологическая ус...[31.Окт.2024]
9. Cardinal-Health-VELA-...[03.Окт.2024]
10. Service Manual HAMILT...[02.Окт.2024]
1. Romanivanov[05.Дек.2025]
2. igogoigogo[05.Дек.2025]
3. 1rishka[04.Дек.2025]
4. L_V_N[04.Дек.2025]
5. ИвановИИ[04.Дек.2025]
6. Alex_U[04.Дек.2025]
7. Yarikus03[03.Дек.2025]
8. EvaLen[03.Дек.2025]
9. dankurets[03.Дек.2025]
10. Velis1566[03.Дек.2025]
МастерБаку[583]
Yulana34[177]
Serg74[160]
Dimitrius[129]
naves[122]
РОМУЛ[121]
bektyish[121]
madmac[116]
Алекс-200[114]
begun_a[112]