[ Новые сообщения · Участники · Правила форума · Поиск · RSS ]



  • Страница 5 из 6
  • «
  • 1
  • 2
  • 3
  • 4
  • 5
  • 6
  • »
Модератор форума: renmaster  
Дентальный рентгеновский аппарат Kodak 2100
Mixage1990Дата: Понедельник, 09.Янв.2017, 11:46 | Сообщение # 161
Заглянувший
У вас сообщений: 2
Инженер- электроник
OFFлайн
Российская Федерация

Владимир
lis63, Доброго времени суток, столкнулся с проблемой е13 на кодаке2100, видел , что у вас есть мануал на данный аппарат, не могли бы вы скинуть на почту? mixailkosterevo@mail.ru

Mixage1990
 
МастерБакуДата: Понедельник, 09.Янв.2017, 13:30 | Сообщение # 162
У вас сообщений: 11269
инженер
OFFлайн
Российская Федерация

Нижний Новгород
http://www.medteh.info/forum/33-14736-1
http://www.medteh.info/forum/33-4678-1
http://www.williamgreen.com.au/sites....ide.pdf
и т.д.


Сообщение отредактировал МастерБаку - Понедельник, 09.Янв.2017, 13:35
 
ТимошаДата: Пятница, 20.Янв.2017, 16:22 | Сообщение # 163
Стажер
У вас сообщений: 17
Широкого профиля
OFFлайн
Российская Федерация

Новокузнецк
Здравствуйте, коллеги!
Подскажите если кто знает.
Проблема с Кодак 2000, не фиксируется позиция трубы.
После установки трубы на снимок, сестра выбегает в соседнюю комнату для "нажать кнопку".
За это время позиция трубы меняется.
От блока, прикрученного к стене до трубы получается три "локтя".
Один передвигается только в горизонтальной плоскости.
Второй имеет регулировку, можно усилить, можно ослабить.
В третьем стоит газовая стойка, вот в нем и проблема.
Вопрос, можно ли, что-то сделать (отрегулировать, притормозить и т.д.) с третьим коленом, или только менять стойку?
 
bespalnik72Дата: Пятница, 20.Янв.2017, 17:51 | Сообщение # 164
Техник
У вас сообщений: 319
инженер
OFFлайн
Российская Федерация

Красноярск
Здравствуйте!Проверьте позиционирования блока основания при помощи уровня .если всё нормально на одном из плеч есть регулировка .снимите пластиковые крышки увидите регулировочную гайку с отверстиями по периметру ...

586
 
ТимошаДата: Суббота, 21.Янв.2017, 06:06 | Сообщение # 165
Стажер
У вас сообщений: 17
Широкого профиля
OFFлайн
Российская Федерация

Новокузнецк
Да, на одном то есть, с ним как раз всё нормально, а проблема с другим плечом, там где газовая стойка.
Вот и спрашиваю, там то как регулировать?
 
bespalnik72Дата: Суббота, 21.Янв.2017, 07:19 | Сообщение # 166
Техник
У вас сообщений: 319
инженер
OFFлайн
Российская Федерация

Красноярск
доброго времени суток.если все условия в норме все по уровню тогда только замена газового ам-ра..

586
 
ТимошаДата: Суббота, 21.Янв.2017, 10:22 | Сообщение # 167
Стажер
У вас сообщений: 17
Широкого профиля
OFFлайн
Российская Федерация

Новокузнецк
Здравствуйте!
bespalnik72, спасибо.
Да, пожалуй, что так, хотя конечно странно...
Почему бы не сделать такую же регулировку как и во 2-м колене, так как у Трофи это сделано?
А кто нибудь эту стойку менял?
Как ее заказать то правильно?
 
petroveechДата: Суббота, 21.Янв.2017, 11:56 | Сообщение # 168
У вас сообщений: 1072
Иженер
OFFлайн
Российская Федерация

Ставрополь
Цитата Тимоша ()
Как ее заказать то правильно?

Пытался, но точь такую не нашёл. По размеру очень похожа на подкапотную от иномарки.


При обращении пишите мыло сразу.
 
ТимошаДата: Суббота, 21.Янв.2017, 12:22 | Сообщение # 169
Стажер
У вас сообщений: 17
Широкого профиля
OFFлайн
Российская Федерация

Новокузнецк
Понял, скорей всего так и есть, не будут же буржуи целую линию открывать ради производства этих стоек.
Будем искать...
 
huliganДата: Суббота, 21.Янв.2017, 15:48 | Сообщение # 170
Участник
У вас сообщений: 149
Ремонтник
OFFлайн
Российская Федерация

Южно-Сахалинск
Вам нужно заменить "Газовый Лифт"
 
huliganДата: Вторник, 24.Янв.2017, 13:58 | Сообщение # 171
Участник
У вас сообщений: 149
Ремонтник
OFFлайн
Российская Федерация

Южно-Сахалинск
Если проблема действительно в Газ.лифте, могу подсказать, хде можно прикупить.
 
ТимошаДата: Воскресенье, 29.Янв.2017, 09:26 | Сообщение # 172
Стажер
У вас сообщений: 17
Широкого профиля
OFFлайн
Российская Федерация

Новокузнецк
Ну, был бы признателен.
 
petroveechДата: Понедельник, 30.Янв.2017, 06:59 | Сообщение # 173
У вас сообщений: 1072
Иженер
OFFлайн
Российская Федерация

Ставрополь
Цитата huligan ()
Если проблема действительно в Газ.лифте, могу подсказать, хде можно прикупить.

Все хотят знать.


При обращении пишите мыло сразу.
 
andy68Дата: Пятница, 10.Фев.2017, 10:35 | Сообщение # 174
Стажер
У вас сообщений: 4
инженер
OFFлайн
Российская Федерация

Россия
Коллеги, всем доброго дня,
есть kodak 2100. E13, стабильно и постоянно.

Подскажите, кто в Питере может за разумные деньги восстановить аппарат?


Сообщение отредактировал andy68 - Пятница, 10.Фев.2017, 10:36
 
avadminДата: Пятница, 10.Фев.2017, 16:46 | Сообщение # 175
Стажер
У вас сообщений: 49
service
OFFлайн
Российская Федерация

SPb
Цитата andy68 ()
Подскажите, кто в Питере может за разумные деньги восстановить аппарат?


Что такое разумные деньги?
 
KyochДата: Пятница, 10.Фев.2017, 18:13 | Сообщение # 176
Участник
У вас сообщений: 76
инженер
OFFлайн
Российская Федерация

Чита
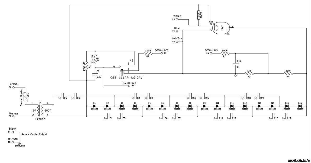
Судя по этим постам, Е13-15 это болезнь данного апппарата, отваливается контакт от высокоомного резистора. Думаю, вследствие тепловой деформации изолятора.
 
andy68Дата: Пятница, 10.Фев.2017, 23:13 | Сообщение # 177
Стажер
У вас сообщений: 4
инженер
OFFлайн
Российская Федерация

Россия
avadmin, разумные деньги - это существенно меньше цены новой головы.
мне предложили ремонт за 43 ТЫР - на треть этой суммы я готов.
 
Alex70ttДата: Пятница, 10.Фев.2017, 23:56 | Сообщение # 178
У вас сообщений: 524
рентген техник
OFFлайн
Российская Федерация

вся Россия
за 10 ковыряться в масле ? и еще не известно на 100% поможет или нет !!!!! лучше купить новый моноблок, а 43 ТЫР можно и попотеть

!
 
МастерБакуДата: Суббота, 11.Фев.2017, 00:10 | Сообщение # 179
У вас сообщений: 11269
инженер
OFFлайн
Российская Федерация

Нижний Новгород
Цитата andy68 ()
разумные деньги - это существенно меньше цены новой головы.
nea
капитальный ремонт - 25%- 50% от стоимости нового , естественно с гарантией . вот так нормально , дешевле - это несерьёзно.
andy68, вам предложили нормальную цену .


Сообщение отредактировал МастерБаку - Суббота, 11.Фев.2017, 00:11
 
huliganДата: Воскресенье, 12.Фев.2017, 10:15 | Сообщение # 180
Участник
У вас сообщений: 149
Ремонтник
OFFлайн
Российская Федерация

Южно-Сахалинск
Цитата petroveech ()
Все хотят знать.

Пожалуйста: http://www.stabix.ru/
 
техник-44Дата: Воскресенье, 12.Фев.2017, 13:12 | Сообщение # 181
Стажер
У вас сообщений: 14
инженер по ремонту медоборудования
OFFлайн
Российская Федерация

Краснодар
подскажите, кодак 2100, на плате моноблока есть деталь синего цвета обозначается G2,что это, и что делать если она раскололась, чем можно заменить эту деталь
 
maksai1990Дата: Воскресенье, 12.Фев.2017, 18:10 | Сообщение # 182
Участник
У вас сообщений: 91
инженер
OFFлайн
Российская Федерация

Поволжье
А у кого-нибудь есть размеры газ лифта, а то аппарат находится в закрытом городе, добираться туда сложновато, а газ лифт нужно поменять. Заранее благодарю
 
huliganДата: Понедельник, 13.Фев.2017, 14:29 | Сообщение # 183
Участник
У вас сообщений: 149
Ремонтник
OFFлайн
Российская Федерация

Южно-Сахалинск
Я отправлял им маркировку "Газлифта", у нас была такая : LIFT-O-MAT 2861LF 0550N 146/06 EP10 JW132.
 
motor39Дата: Понедельник, 13.Фев.2017, 16:00 | Сообщение # 184
Стажер
У вас сообщений: 7
Carestream-Dental/Kodak qualified
OFFлайн
Российская Федерация

rus
maksai1990 , привезу тебе в Пензу новый газ. лифт, в этот четверг, по цене в лс.
 
avadminДата: Понедельник, 13.Фев.2017, 16:22 | Сообщение # 185
Стажер
У вас сообщений: 49
service
OFFлайн
Российская Федерация

SPb
Цитата andy68 ()
avadmin, разумные деньги - это существенно меньше цены новой головы.
мне предложили ремонт за 43 ТЫР - на треть этой суммы я готов.


Мы за 58 делаем. 43 это очень гуманно.
 
RulgeДата: Среда, 15.Мар.2017, 10:29 | Сообщение # 186
Стажер
У вас сообщений: 16
"Руководитель"
OFFлайн
Российская Федерация

Архангельская область
Уважаемые коллеги здравствуйте!

С Ваших слов объяснил товарищу ситуацию, фотки Ваши все собрал, описания основные, и всё это ему представил. В итоге товарищ взялся за ремонт. Хоть и долго тянул.
Коротко: всё разобрал, сделал ( припаял проводюльку в голове), собрал, включил. Работает. Но врачи говорят, что их это не устраивает, а именно: раньше на определённый зуб ставили экспозицию 0,16, а теперь надо 0,50 ! Да и то маловато.
Спрашиваю подробно, что и как делал. Выясняется, что при монтаже он откусил выступы на плате, т.к. они мешали закрыть крышку (Я так понял, что об этой проблеме, на форуме, уже писали petroveech и Kaban) В итоге, я так понимаю, фокусное пятно сдвинулось.
Посоветуйте, пожалуйста, что лучше предпринять?
Разобрать голову, устраняем деформацию стакана ( как?), вставляем всё в зад и вместо откусанных усиков поставляем кусочки пластмаски? Что скажите? Что посоветуете?
( помедленнее, пожалуйста, я записываю mail1 )
 
bespalnik72Дата: Среда, 15.Мар.2017, 14:06 | Сообщение # 187
Техник
У вас сообщений: 319
инженер
OFFлайн
Российская Федерация

Красноярск
Здравствуйте уважаемые коллеги !Эта тема была освещена полностью!добавлю от себя.Гордость берет за людей !буржуинам в голову не придет переделывать в.в делитель да еще керамический!!молодцы!простите за отступление .по существу !при разборке моноблока нужно быть предельно внимательным и аккуратным .далее после того как слили масло и вытащили внутренности вы видите долгожданный делитель ,не торопитесь вещь очень хрупкая!! иногда ломается!сам не ломал но обломки видел!!Делитель расположен на фторопластовом основании в форме стакана ..бывает ,что фторопласт деформируется ..почему рвется этот провод .да потому что сделано очень, очень плотно без зазора и запаса! Было на одном дно так деформировалось ,что делитель просто раскололся!..снимите делитель .посмотрите стакан на предмет деформации.попробуйте поставить без делителя для того ,чтобы примерить плата должна быть вровень с кожухом ,если нет тогда придется вытаскивать это "днище" греть ровнять подрезать-словом "заусенцы обработать напильником "!далее ставим смотрим -если вровень то все норм , ставим делитель, все собираем смотрим выходное окно R-трубки должно быть посередине выходного окна излучателя!Припаиваем провода к разъему ,собираем выгоняем пузыри -получается не за один раз если без вакуума . если все удачно- то все работает!! удачи!

586
 
RulgeДата: Среда, 15.Мар.2017, 19:53 | Сообщение # 188
Стажер
У вас сообщений: 16
"Руководитель"
OFFлайн
Российская Федерация

Архангельская область
to bespalnik72

Спасибо за советы и Ваш неоценимый опыт.
Я так и передал, слово в слово, всю эту информацию товарищу. Думаю, теперь он справится.
 
RulgeДата: Среда, 19.Апр.2017, 11:48 | Сообщение # 189
Стажер
У вас сообщений: 16
"Руководитель"
OFFлайн
Российская Федерация

Архангельская область
to All

Не прошло и года, справился парнишка, под Вашим и чуток моим, чутким руководством.
Аппарат уже вторую неделю работает нормально.
Всем спасибо за помощь! yes yes
 
petroveechДата: Четверг, 20.Апр.2017, 07:50 | Сообщение # 190
У вас сообщений: 1072
Иженер
OFFлайн
Российская Федерация

Ставрополь
Цитата Rulge ()
Аппарат уже вторую неделю работает нормально.

Вот тож. Гарантия по закону 3 мес минимум. Если аппарат рядом проверьте пузырик. Откуда он берётся не знаю. Без вакуума при заправке вылезет обязательно.


При обращении пишите мыло сразу.

Сообщение отредактировал petroveech - Четверг, 20.Апр.2017, 07:51
 
RulgeДата: Среда, 10.Май.2017, 16:03 | Сообщение # 191
Стажер
У вас сообщений: 16
"Руководитель"
OFFлайн
Российская Федерация

Архангельская область
to petroveech

О, как! выползает значит. благодарю, посоветую взглянуть при случае...

Ку! shok
 
NachOtdSnДата: Среда, 24.Май.2017, 09:53 | Сообщение # 192
Заглянувший
У вас сообщений: 1
Начальник отдела снабжения
OFFлайн
Российская Федерация

Омск
Service Manual на данный дентальник. Мало ли, если понадобится.
 
vladimir657Дата: Вторник, 04.Июл.2017, 15:14 | Сообщение # 193
Заглянувший
У вас сообщений: 2
инженер
OFFлайн
Российская Федерация

москва
Здравствуйте! ошибка E13. Прозвонил - оборван провод от резистора R3 14 Ком делителя. Разобрал запаял собрал залил масло - работало 1 год, потом обрыв земляного провода (провод без изоляции) разбирать не стал припаял резистор 20 Ком снаружи головки, вместо R3, работало 6 месяцев без ошибок теперь снимки делает, но стал иногда выдавать Е15-высокое КВ. Разбирать не хочется, но вот позвонили сообщили что после того, как показал Е15 сразу показал 0.006 в следующий раз 0.009 третий снимок 0.02 что это может кто знает и на сколько опасно?
0594023.jpg (60.7 Kb)


Сообщение отредактировал vladimir657 - Вторник, 04.Июл.2017, 15:26
 
petroveechДата: Четверг, 06.Июл.2017, 08:04 | Сообщение # 194
У вас сообщений: 1072
Иженер
OFFлайн
Российская Федерация

Ставрополь
Разбирай, паяй. Опасно. Изменение конструкции мед аппаратуры. Нельзя, тем более с этой аппаратурой.

При обращении пишите мыло сразу.

Сообщение отредактировал petroveech - Четверг, 06.Июл.2017, 08:05
 
motor39Дата: Четверг, 06.Июл.2017, 17:10 | Сообщение # 195
Стажер
У вас сообщений: 7
Carestream-Dental/Kodak qualified
OFFлайн
Российская Федерация

rus
Цитата vladimir657 ()
Здравствуйте! ошибка E13. Прозвонил - оборван провод от резистора R3 14 Ком делителя. Разобрал запаял собрал залил масло - работало 1 год, потом обрыв земляного провода (провод без изоляции) разбирать не стал припаял резистор 20 Ком снаружи головки, вместо R3, работало 6 месяцев без ошибок теперь снимки делает, но стал иногда выдавать Е15-высокое КВ. Разбирать не хочется, но вот позвонили сообщили что после того, как показал Е15 сразу показал 0.006 в следующий раз 0.009 третий снимок 0.02 что это может кто знает и на сколько опасно?
0594023.jpg(61Kb)



Это время экспозиции, которое успел сделать аппарат до проявления ошибки.
 
spok34Дата: Среда, 09.Авг.2017, 09:58 | Сообщение # 196
Стажер
У вас сообщений: 5
программист
OFFлайн
Российская Федерация

Санкт-Петербург
Доброго время суток!
Интересует вопрос: есть ли у кого-нибудь принципиальная схема блока питания для Kodak 2100? Проблема такая: Техник при монтаже подключил питание не туда (в syncro rvg connector), и выгорело много чего на плате. Help!!!
 
petroveechДата: Четверг, 10.Авг.2017, 08:07 | Сообщение # 197
У вас сообщений: 1072
Иженер
OFFлайн
Российская Федерация

Ставрополь
Быстрее, надёжнее и правильнее поменять плату целиком. Там ещё процы любят гореть. Не забудьте откалибровать накал.

При обращении пишите мыло сразу.
 
spok34Дата: Четверг, 10.Авг.2017, 13:21 | Сообщение # 198
Стажер
У вас сообщений: 5
программист
OFFлайн
Российская Федерация

Санкт-Петербург
А всё-таки существуют схемы на эту плату?
 
petroveechДата: Пятница, 11.Авг.2017, 07:00 | Сообщение # 199
У вас сообщений: 1072
Иженер
OFFлайн
Российская Федерация

Ставрополь
Существуют. Только здесь ни кто не видел.

При обращении пишите мыло сразу.
 
spok34Дата: Пятница, 11.Авг.2017, 08:10 | Сообщение # 200
Стажер
У вас сообщений: 5
программист
OFFлайн
Российская Федерация

Санкт-Петербург
Спасибо за информацию!
 
  • Страница 5 из 6
  • «
  • 1
  • 2
  • 3
  • 4
  • 5
  • 6
  • »
Поиск:



Статистика Форума
Последние обновления тем: Новые файлы хранилища: Новые участники: Top10 участников:
1. Анализатор поля зрени...[SpirituS (04.Дек.2025)]
2. Программный комплекс ...[mqubali (04.Дек.2025)]
3. Кардиорегистратор «ИК...[albano18 (04.Дек.2025)]
4. Thermo Scientific gem...[viggen (03.Дек.2025)]
5. Центрифуга CM-6M ф.El...[Ningen64 (03.Дек.2025)]
6. Дефибриллятор Defi B ...[san-che30 (02.Дек.2025)]
7. Коллиматор Ralco R 22...[seeker (02.Дек.2025)]
8. КУПЛЮ/ПРИМУ в дар при...[seabee (02.Дек.2025)]
9. Центрифуга MiniSpin P...[AntonioPetty (01.Дек.2025)]
1. VIVIX Setup Operation...[12.Окт.2025]
2. GenwareMP[10.Сен.2025]
3. Настройка реагентов M...[20.Авг.2025]
4. Philips HD3-EXP[13.Авг.2025]
5. Рентгеновское оборудо...[08.Авг.2025]
6. VersaMed iVent201 Сер...[13.Фев.2025]
7. Гелпик КРД Ренекс РЦ ...[09.Фев.2025]
8. Офтальмологическая ус...[31.Окт.2024]
9. Cardinal-Health-VELA-...[03.Окт.2024]
10. Service Manual HAMILT...[02.Окт.2024]
1. Intellect[05.Дек.2025]
2. Romanivanov[05.Дек.2025]
3. igogoigogo[05.Дек.2025]
4. 1rishka[04.Дек.2025]
5. L_V_N[04.Дек.2025]
6. ИвановИИ[04.Дек.2025]
7. Alex_U[04.Дек.2025]
8. Yarikus03[03.Дек.2025]
9. EvaLen[03.Дек.2025]
10. dankurets[03.Дек.2025]
МастерБаку[583]
Yulana34[177]
Serg74[160]
Dimitrius[129]
naves[122]
РОМУЛ[121]
bektyish[121]
madmac[116]
Алекс-200[114]
begun_a[112]