[ Новые сообщения · Участники · Правила форума · Поиск · RSS ]



  • Страница 1 из 3
  • 1
  • 2
  • 3
  • »
НДА Primus ф.Draeger
МВРДата: Пятница, 12.Ноя.2010, 01:22 | Сообщение # 1
Медтехник
OFFлайн
Российская Федерация

.
ПОМНИТЕ: самодеятельность с аппаратами жизнеобеспечения уголовно наказуема!
Для этого есть специально обученные, уполномоченные и обеспеченные всем необходимым для квалифициро-ванного осуществления работ, специалисты, и поэтому профессионально ответственнее вызвать такого квалифицированного специалиста от официального представителя производителя аппарата с комплексной диагностикой для последующей наладки или возможного ремонта.
. Для необходимого в своей деятельности понимания организационных процессов, связанных с обслуживанием и ремонтом оборудования (техники), своих возможностей и своей ответственности в соответствии со своими действиями обязательно прочтите, уразумевая, по ссылкам темы: "Виды организации предупредительного обслуживания медтехники, осуществляемого техническими специалистами" и "Техническое обслуживание НДА, ИВЛ на примере Venar ф.Chirana".

ВНИМАНИЕ! Прежде чем писать что-то своё в этой теме обязательно прочтите её с самого начала - возможно об этом уже есть информация в теме - дважды и более мусолить одно и тоже не нужно, и излагайте свои мысли (вопросы/ответы) сразу же полностью по существу рассматриваемой проблемы, а не нудно по каплям с цитатами, иначе полезная тема получится утомительно длинной!
.

Сразу посмотрите по адресу - http://www.medteh.info/forum/60-2189-153804-16-1418668740 сообщ.30.

С организационной точки зрения полезно, уразумевая, посмотреть по ссылке ЗДЕСЬ.
.
Цитата kris1956 ()
Кулибиным можно быть только по отношению к своему личному автомобилю, если имеешь слабое представление о безопасности!. "Кулибинство" снижает надёжность устройства и достоверность результатов!

.
 
pyo5Дата: Пятница, 12.Ноя.2010, 14:21 | Сообщение # 2
У вас сообщений: 794
ИВЛ, лаборатория и т.д.
OFFлайн
Российская Федерация

Петропавловск-камчатский
Цитата Niconist ()
В наличии имеются два аппарата, и оба не показывают информацию о процентном соотношении газов при вдохе и выдохе, но при этом, газы, которые поступают с магистрали отображаются точно.
Кто-нибудь уже ремонтировал газоанализатор своими силами?
Поделитесь опытом.

Подобная техника только в мечтах врачей. Но по опыту "общения" с изделиями данной фирмы, датчики требуется при каждом включении аппарата калибровать. Проходит ли она (калибровка)? ...

.


Пётр
 
NiconistДата: Пятница, 12.Ноя.2010, 18:23 | Сообщение # 3
Заглянувший
У вас сообщений: 3
ИВЛ
OFFлайн
Российская Федерация

Москва
Да, датчики проходят калибровку. Но кислородный датчик на современных моделях газоанализаторов(ГА) уже в них встроен. Проблема скорее всего в одной из плат ГА. А вот в какой, это уже загадка для меня(
 
MeL$Дата: Вторник, 24.Май.2011, 16:45 | Сообщение # 4
Завсегдатай
У вас сообщений: 296
Инженегр
OFFлайн
Российская Федерация

Кологрив
после включения питания по инструкции требуется прогрев аппарата, помоему
во время прогрева вместо показаний прочерки
может быть ЭТО?
 
AlexiumДата: Вторник, 24.Май.2011, 22:04 | Сообщение # 5
Инженер медтехник
OFFлайн
Российская Федерация

Саратов
Измерения в контуре пациента делают модули PGM или PGM2. В их работе такое количество технических тонкостей, что я бы вам не советовал за это браться. Почитайте сервис мануал. Там все очень сложно и нет методики простой поверки и разбраковки.
 
badpahanДата: Воскресенье, 26.Июн.2011, 22:23 | Сообщение # 6
Стажер
У вас сообщений: 41
инженер
OFFлайн
Российская Федерация

Оренбург
столкнулся с той же проблемой...возможно кто уже имел дело с такими ГА?...или имеются схемы или сервис мануалы

Сообщение отредактировал badpahan - Воскресенье, 26.Июн.2011, 22:24
 
badpahanДата: Понедельник, 04.Июл.2011, 08:01 | Сообщение # 7
Стажер
У вас сообщений: 41
инженер
OFFлайн
Российская Федерация

Оренбург
подскажите как найти кислородный датчик в этом ГА unknown
 
ZagudalinДата: Понедельник, 04.Июл.2011, 20:36 | Сообщение # 8
У вас сообщений: 627
сервисный инженер
OFFлайн
Российская Федерация

Quote (badpahan)
подскажите как найти кислородный датчик в этом ГА


вообще то в инструкции на примус есть ответ. сзади аппарата в правой части небольшая крышечка, выворачиваешь и вот он датчик.
 
ScvairДата: Четверг, 21.Июл.2011, 11:58 | Сообщение # 9
Участник
У вас сообщений: 88
Инженер
OFFлайн
Российская Федерация

Калининград
Всем доброе время суток.

А ни у кого нет сервисного мануала на Primus? У нас при запуске аппарата не проходит тест ГА, горит желтым. ГА уже со встроенным датчиком кислорода.
 
lorobacДата: Среда, 03.Авг.2011, 09:56 | Сообщение # 10
Стажер
У вас сообщений: 25
Инженер
OFFлайн
Российская Федерация

Москва
Здравствуйте все!
Прямо напасть какая-то, с разницей в 2 недели встали 2 примуса с одинаковой проблемой.
Включается, тест проходит, начинается вентиляция и потом через различные промежутки времени появляется сообщение о том,
что возможна только ручная вентиляция. Выкл, вкл, тест не проходит, горит красным поршень венилятора.
Мануала нет и найти не могу уже давно. Подскажите, может кто сталкивался.
.

И сегодня оказалось, что еще у двух аппаратов такая же беда.


Сообщение отредактировал lorobac - Среда, 03.Авг.2011, 09:57
 
AlexiumДата: Среда, 03.Авг.2011, 23:29 | Сообщение # 11
Инженер медтехник
OFFлайн
Российская Федерация

Саратов
Проверьте piston cilinder unit - это такое резиновое ведерко в вентиляторе.
У меня мизерный опыт, но создалось впечатление очень капризного аппарата (требует periodic maintance в полном объеме)
 
lorobacДата: Четверг, 04.Авг.2011, 16:44 | Сообщение # 12
Стажер
У вас сообщений: 25
Инженер
OFFлайн
Российская Федерация

Москва
В одном аппарате диск с перфорациями на оси двигателя поршня вентилятора оказался погнут (но как это произошло не понятно).
В остальных аппаратах вроде все хорошо, но периодически появляется ошибка. Ведерко резиновое в порядке.
 
AlexiumДата: Пятница, 05.Авг.2011, 19:25 | Сообщение # 13
Инженер медтехник
OFFлайн
Российская Федерация

Саратов
Посмотрите бактериальные фильтры, они бывает забиваются, этого хватает для срабатывания ошибки, больше ничем помочь не могу unknown
 
begun_aДата: Суббота, 06.Авг.2011, 19:12 | Сообщение # 14
Техник
У вас сообщений: 453
Инженер по ИВЛ и НДА
OFFлайн
Российская Федерация

Краснодар
У наркозников Дрегер на входе насоса PEEP стоит фильтр. Насос PEEP создает разряжение между мехами (резиновое ведерко biggrin ) Если фильтр забит (а он должен меняться не реже 1 раза в год), то разряжения не создается и тест не проходит.
 
lorobacДата: Понедельник, 08.Авг.2011, 09:17 | Сообщение # 15
Стажер
У вас сообщений: 25
Инженер
OFFлайн
Российская Федерация

Москва
Фильтры меняли, причем не так давно.
 
badpahanДата: Вторник, 09.Авг.2011, 09:29 | Сообщение # 16
Стажер
У вас сообщений: 41
инженер
OFFлайн
Российская Федерация

Оренбург
Quote (Zagudalin)
вообще то в инструкции на примус есть ответ. сзади аппарата в правой части небольшая крышечка, выворачиваешь и вот он датчик.

это в старых моделях

если ещё нужен мануал могу загрузить..только вечером и он на англ языке.....на русском не нашёл


Сообщение отредактировал badpahan - Вторник, 09.Авг.2011, 09:31
 
lorobacДата: Вторник, 09.Авг.2011, 09:33 | Сообщение # 17
Стажер
У вас сообщений: 25
Инженер
OFFлайн
Российская Федерация

Москва
За мануал буду признателен.
 
IlgizДата: Понедельник, 19.Сен.2011, 09:12 | Сообщение # 18
Стажер
У вас сообщений: 23
Инженер
OFFлайн
Российская Федерация

Ханты-Мансийск
Ща скину....в хранилище мануал для пользователей....даже на русском=)

Сообщение отредактировал Ilgiz - Понедельник, 19.Сен.2011, 09:13
 
V_A_LДата: Вторник, 20.Сен.2011, 11:33 | Сообщение # 19
Участник
У вас сообщений: 53
инженер
OFFлайн
Российская Федерация

Томск
Хотел бы положить выборку из сервис мануалов по Примусу, но статус не позволяет...
 
V_A_LДата: Вторник, 20.Сен.2011, 15:01 | Сообщение # 20
Участник
У вас сообщений: 53
инженер
OFFлайн
Российская Федерация

Томск
Все, справился - в Хранилище файлов.
 
KoperneciiДата: Понедельник, 14.Ноя.2011, 18:19 | Сообщение # 21
Стажер
У вас сообщений: 4
Инженер
OFFлайн
Российская Федерация

Москва
Скажите пожалуйста, когда при предпроверке аппарат подсвечивает (после проверке APL) желтым клапан безопасности, это значит что или шланг отвода газа пережат или выпускной клапан не работает?
Если дело в клапане можно ли его своими руками починить? можно ли 2-3 дня его с этой ошибкой поиспользовать?
 
fedorofmvДата: Пятница, 01.Ноя.2013, 06:35 | Сообщение # 22
Стажер
У вас сообщений: 33
инженер
OFFлайн
Российская Федерация

Кемерово
Господа, что-то не могу посмотреть сервисную для дрёгера примуса. Может кто-нибудь обновит в хранилище? Буду весьма благодарен...
 
kurvla79Дата: Пятница, 01.Ноя.2013, 08:37 | Сообщение # 23
Участник
У вас сообщений: 56
электромеханик
OFFлайн
Российская Федерация

там
Рабочая ссылка на сервисную документацию:
http://www.4shared.com/get/Wi1jJvhn/Primus_Service_manual_parts.html
 
дэнДата: Воскресенье, 17.Ноя.2013, 20:58 | Сообщение # 24
Стажер
У вас сообщений: 42
сервисный инженер
OFFлайн
Украина

Киев
Народ!Забейте!Газоанализатор-весч тонкая.Не работает и ладно.Один "клоун" у нас уже чинил-результат-ноль.Обычно приезжает Кирилл из Белоруссии-официальный сервис-инженер Дрэгера.Подрубает комп и шаманит.....Все сервис проги у него.Сец.высокого класса!На хромой кобыле к Примусу не подьедешь drinks
 
pyo5Дата: Четверг, 06.Фев.2014, 12:00 | Сообщение # 25
У вас сообщений: 794
ИВЛ, лаборатория и т.д.
OFFлайн
Российская Федерация

Петропавловск-камчатский
В конце марта-начале апреля в столице пройдёт тренинг по Дрегерам. Если повезёт- поучавствую. Может тогда некоторые вопросы по решаются.
Но уже сейчас могу заявить, что проблемы с ГА возникают из-за влаги, а она появляется, если контур собирается без фильтра -влагопоглотителя. Экономия, мать её...
 
yulya4364Дата: Понедельник, 26.Май.2014, 12:08 | Сообщение # 26
Заглянувший
У вас сообщений: 1
инженер мед.оборудования
OFFлайн
Российская Федерация

казань
Подскажите, есть инструкция пользователя на русском
 
blackspecialДата: Понедельник, 15.Дек.2014, 13:43 | Сообщение # 27
Участник
У вас сообщений: 58
Инженер
OFFлайн
Российская Федерация

Красноярск
Да бы не создавать новую тему. Назрел вопрос следующего содержания.
1. У нас примус имеет версию ПО 4 и мы не можем зайди в сервисный режим. Есть у кого информация как туда проникнуть?
2. Как у Вас аппарат набирает концентрацию кислорода? То есть при потоке 7 литров в минуту с 21 до 100 процентов проходит в среднем 3 минуты. Вот думам чет очень долго он это делает. shok
 
MeL$Дата: Понедельник, 15.Дек.2014, 14:55 | Сообщение # 28
Завсегдатай
У вас сообщений: 296
Инженегр
OFFлайн
Российская Федерация

Кологрив
см изначально залочен. открыть доступ возможно только при помощи сервисного ноута
 
blackspecialДата: Понедельник, 15.Дек.2014, 16:01 | Сообщение # 29
Участник
У вас сообщений: 58
Инженер
OFFлайн
Российская Федерация

Красноярск
Цитата
см изначально залочен. открыть доступ возможно только при помощи сервисного ноута

Спасибо за быстрый ответ.
Вот теперь не могу понять нормально ли что так долго набирает до 100 процентов unknown . Примерно за 1 минуту до 80, а дальше ползет медленно. Вот GE Avance махом набирает.


Сообщение отредактировал blackspecial - Понедельник, 15.Дек.2014, 16:10
 
MeL$Дата: Понедельник, 15.Дек.2014, 21:39 | Сообщение # 30
Завсегдатай
У вас сообщений: 296
Инженегр
OFFлайн
Российская Федерация

Кологрив
Точной схемы Примуса не помню, но если не путаю то система пациента Примуса это доработанная система пациента Fabius GS/Tiro/Plus/MRI. Схематически разница в присутствии доп. клапанов для реализации автоматических тестов, калибровок и конечно же доп. режимов вентиляции. Конструктивно ничего общего :-)
В связи с этим, если так долго растет концентрация (если вы конечно выставили на аппарате 100% кислорода :-) ), то это может быть:
1) Слабый поток свежего газа. Аппарат глотает много воздуха из окр. среды через аварийный клапан и тем самым разбавляет кислород. Но думаю в случае примуса это нереально, т.к. аппарат достаточно навороченный и сразу бы распознал этот косяк. Из всей этой линейки аппаратов такой прикол характерен наверное только для Fabius CE. ИМХО.
2) Изначально мешок на системе пациента наполнен воздухом и до какого-то момента успешно разбавляет чистый кислород. Но я такого никогда не видел :-). Обычно в начале вентиляции мешок в расслабленом состоянии :-). Да и в случае Примуса опять таки это не реальна. Тут скорей всего общий клапан, который дозирует готовую газовую смесь работает синхронно с двигателем вентилятора. (Наверное, эта ситуация возможно на Fabius :-) ) ИМХО.
Естественно что после долгого простоя воздуха в системе предостаточно и кислородные датчики обладают инертностью, но не до такой степени.
3) За концентрацию газа в Примусе отвечают 3 электромагнитных клапана. Вот только не помню пропорциональные они или просто открыто/закрыто. Важно то что щелкают они по очереди. Наверное, для снижения нагрузки по питанию. Воооот. Поэтому, если кислород растет не быстро, то либо неисправен клапан по кислороду или загажен фильтр перед ним. Скорей всего именно этот пункт – ваш вариант :-). Клапаны по всем газам одинаковые (помоему). У нас, например, почти нигде не пользуются закисью, поэтому клапан с закиси можно махнуть с кислородным (в нашем случае). Если не навсегда, то хотя бы для проверки. С фильтром тоже самое. Вообще фильтры бывают очень даже загаженными. В линии бывает и влага и иногда даже песок в лицо летит из консоли :-).
4) Неправильно работает, а вернее даже совсем не работает ижектор. Как он выглядит в примусе и где находится понятия не имею. И даже не знаю бывает ли так и что будет, если он не работает. Пока не сталкивался. Поэтому начинайте с п.3 :-)
5) Неисправен датчик кислорода. Каких глюков с ними только не бывает :-).
6) Какие то еще неводомые грабли :-).

Вообще я бы поставил на клапан, потому что загаженый фильтр дал бы просадку по давлению, на которую бы аппарат сразу отреагировал. Разве что он загажен ровно на столько, чтобы и аппарат не ругался и потока не хватало. Не знаю возможно ли такое практически :-).


Сообщение отредактировал MeL$ - Понедельник, 15.Дек.2014, 21:54
 
blackspecialДата: Вторник, 16.Дек.2014, 17:20 | Сообщение # 31
Участник
У вас сообщений: 58
Инженер
OFFлайн
Российская Федерация

Красноярск
Ох, спасибо большое за столь развернутый ответ.

3ий пункт я уже курил, точнее его часть заменил клапаном VMIXN2O с кислородным тоже самое, потом поменял с воздухом, аналогично плохо. Фильтры не смотрел, сейчас погляжу. drinks 22:02 - поглядел фильтры ок, заменил кислородный с соседним который идет на баллоны. Пока не проверял. biggrin , но думаю что также будет.

Вчера делал такую тему, наполнил систему 98 процентов кислорода (сколько смог, хотел 100) и потом перевел на 21 и отсоединил кислород с консоли. Результат получился интересным, он медленно стал опускать кислород, причем как будто крутил дальше ту газовую смесь которая сформировалась на пациенте. хотя рабочий газ остался только воздух unknown


Сообщение отредактировал blackspecial - Вторник, 16.Дек.2014, 18:40
 
MeL$Дата: Вторник, 16.Дек.2014, 20:58 | Сообщение # 32
Завсегдатай
У вас сообщений: 296
Инженегр
OFFлайн
Российская Федерация

Кологрив
Ничего не понял. Вы говорите, что подали 21 и концентрация стала падать, но он болтает газ по кругу.
Такая ситуация возможна на Fabius CE (сам наблюдал сто раз). если закрыть свежий газ, то по контуру аппарат будет гонять один и тот же газ бесконечно долго. При условии что утечек нет. Еще теоретически это возможно на Fabiusc Plus, потому что в отличие от GS и Tiro на нем расходомеры механические, а не электронные.
Ессна так низя делать, если нет кислородного датчика, нет пульсокиметрии, газового монитора и персонал все пьяные дальтоники - пациент задохнеться.
На ппаратах, оборудованными электронными расходомерами теоретически такая ситуация невозможна (нада будет проверить), потому что аппарат мониторит показания с электронных расходомеров.
У вас точно свежий газ поступает ? мож общий клапан ниале? Еще может быть проблема с кнопкой экстренной подачи кислорода. Она обычно идет в обход всех схем , прямо с редуктора. Хотя не похоже.
Плюсом к вышенаписанному: это может быть и померший электронный расходомер. Они тоже должны быть одинаковыми и меняться местами.
Кстати они еще и калибруются. Наверное на Примусе автоматически при включении (если аппарат не ругается то все ок), на фабиусах ручками из под см.


Сообщение отредактировал MeL$ - Вторник, 16.Дек.2014, 21:10
 
MeL$Дата: Вторник, 16.Дек.2014, 21:04 | Сообщение # 33
Завсегдатай
У вас сообщений: 296
Инженегр
OFFлайн
Российская Федерация

Кологрив
Стоп , господа!
Я туплю (я с Примусами дело имел мало :-) ) Строчу... строчу... Строчила :D
У них же измерение кислорода, помоему, на газоанализаторе. Я то всё думаю, что на системе пациента (только сейчас осенило).
У вас может в газоанализаторе проблема ? Или газ не прокачивает через себя, или проблемы с измерением кислорода. Подтекает, например, калибровочный клапан (что, кажется, не такая и редкость). А потом анализатор толком не калибруется и меряет потом силу ветра на Луне.
Вот что. Скиньте для начала серийник Примуса, модель и серийник анализатора и версию софта на том и на другом.
Придется разобраться :D Отвечать могу только вечером.
Если есть возможность, то промеряйте пока концентрацию кислорода в разных точках контура внешним, заведомо исправным датчиком кислорода (от другого НДА или ИВЛ или лабораторным) во время работы. Сможете понять, что там реально происходит.


Сообщение отредактировал MeL$ - Вторник, 16.Дек.2014, 21:25
 
blackspecialДата: Среда, 17.Дек.2014, 14:22 | Сообщение # 34
Участник
У вас сообщений: 58
Инженер
OFFлайн
Российская Федерация

Красноярск
Цитата
Стоп , господа!
Я туплю (я с Примусами дело имел мало :-) ) Строчу... строчу... Строчила :D
У них же измерение кислорода, помоему, на газоанализаторе. Я то всё думаю, что на системе пациента (только сейчас осенило).
У вас может в газоанализаторе проблема ? Или газ не прокачивает через себя, или проблемы с измерением кислорода. Подтекает, например, калибровочный клапан (что, кажется, не такая и редкость). А потом анализатор толком не калибруется и меряет потом силу ветра на Луне.
Вот что. Скиньте для начала серийник Примуса, модель и серийник анализатора и версию софта на том и на другом.
Придется разобраться :D Отвечать могу только вечером.
Если есть возможность, то промеряйте пока концентрацию кислорода в разных точках контура внешним, заведомо исправным датчиком кислорода (от другого НДА или ИВЛ или лабораторным) во время работы. Сможете понять, что там реально происходит.

Серийник ASCJ-0207
Я подключал анализатор кислорода в линию подачи (INSP) и показания капнографа совпадало с анализатором. Получается, что капнограф исправен, хотя калибровочные значения возможно поплыли т.к. 100 процентов не может сделать, а только 98. Мой коллега мерил приходной газ с миксера и он говорит, что хорошо меняет смесь. Вот получается что смесь не обновляется в Ventilation and Gas Controller.
- Проверил механический клапан, который выдох AGSS, он ок.
- Есть еще хитрый клапан V2- on/off valve-man/spont (где то в мануале он APL bypass). Он принимает участие в выдохе, но пока его не тестил, но сегодня начну с него.Плюс еще заметил, что от этого клапана идет трубка идущая на плату, поэтому скорее всего это bypass.
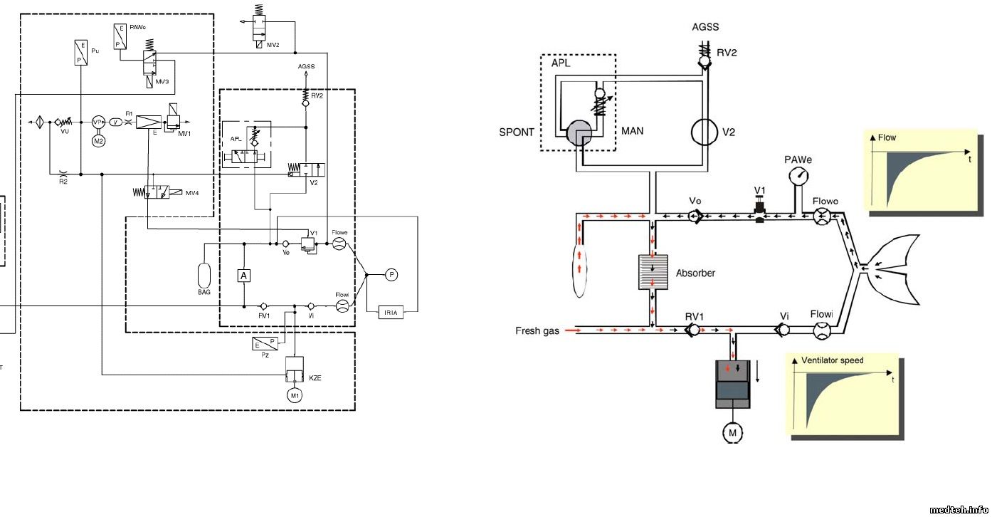
Кстати, датчик кислорода как я понял один и он в капнографе. К Ventilation and Gas Controller (там где мешок) к этому блоку подходят две трубки, где она толстая подача свежего газа, а другая тонкая анализ концентрации свежего газа. Залез туда.=) Понял что трубка тонкая идущая по мануалу это AIR room, то есть 21 процент. Самое смешное что измерения берет с вентилятора эта трубка по мануалу называется IRIA sampling gas return line. Тогда какой air room если туда идет газ с вентилятора и называют IRIA где она является анестетиком?!?!?!?

Ниже часть пневмо схемы и диаграммы дыхания.
8913373.jpg (137.0 Kb)


Сообщение отредактировал blackspecial - Среда, 17.Дек.2014, 15:27
 
blackspecialДата: Среда, 17.Дек.2014, 18:09 | Сообщение # 35
Участник
У вас сообщений: 58
Инженер
OFFлайн
Российская Федерация

Красноярск
Цитата
Ничего не понял. Вы говорите, что подали 21 и концентрация стала падать, но он болтает газ по кругу.
Такая ситуация возможна на Fabius CE (сам наблюдал сто раз). если закрыть свежий газ, то по контуру аппарат будет гонять один и тот же газ бесконечно долго. При условии что утечек нет. Еще теоретически это возможно на Fabiusc Plus, потому что в отличие от GS и Tiro на нем расходомеры механические, а не электронные.
Ессна так низя делать, если нет кислородного датчика, нет пульсокиметрии, газового монитора и персонал все пьяные дальтоники - пациент задохнеться.
На ппаратах, оборудованными электронными расходомерами теоретически такая ситуация невозможна (нада будет проверить), потому что аппарат мониторит показания с электронных расходомеров.
У вас точно свежий газ поступает ? мож общий клапан ниале? Еще может быть проблема с кнопкой экстренной подачи кислорода. Она обычно идет в обход всех схем , прямо с редуктора. Хотя не похоже.
Плюсом к вышенаписанному: это может быть и померший электронный расходомер. Они тоже должны быть одинаковыми и меняться местами.
Кстати они еще и калибруются. Наверное на Примусе автоматически при включении (если аппарат не ругается то все ок), на фабиусах ручками из под см.

Проглядел сообщение. Подумаю про расходомер.
По поводу расходомера в нашем (данная версия) случае он маленький и отличается от других клапанов. Я как понял это fresh gas flow valve.


Сообщение отредактировал blackspecial - Среда, 17.Дек.2014, 18:17
 
blackspecialДата: Суббота, 20.Дек.2014, 05:37 | Сообщение # 36
Участник
У вас сообщений: 58
Инженер
OFFлайн
Российская Федерация

Красноярск
А теперь к цифрам. Значит при 2 литрах в минуту не додает примерно 0.3 литра, а при 18 литрах 3 литра. Причем если сделать 21 процент воздуха погрешность 3 литра ,а если 100 кислорода то 2 литра . Вот как то так. Мерил тестовым оборудованием. Теперь надо думать как это дело отрегулировать. mail1

Сообщение отредактировал blackspecial - Суббота, 20.Дек.2014, 05:38
 
MeL$Дата: Воскресенье, 21.Дек.2014, 17:40 | Сообщение # 37
Завсегдатай
У вас сообщений: 296
Инженегр
OFFлайн
Российская Федерация

Кологрив
Цитата blackspecial ()
Вчера делал такую тему, наполнил систему 98 процентов кислорода (сколько смог, хотел 100) и потом перевел на 21 и отсоединил кислород с консоли. Результат получился интересным, он медленно стал опускать кислород, причем как будто крутил дальше ту газовую смесь которая сформировалась на пациенте. хотя рабочий газ остался только воздух

так и есть, если поток свежего газа небольшой. я же говорил на примере Фабиус CE и Plus. Они вообще могут работать без свежего газа, если его сначала нагнать в контур ,а потом закрыть. Если конечно утечек нет.
и
Цитата blackspecial ()
Серийник ASCJ-0207 Я подключал анализатор кислорода в линию подачи (INSP) и показания капнографа совпадало с анализатором. Получается, что капнограф исправен, хотя калибровочные значения возможно поплыли т.к. 100 процентов не может сделать, а только 98. Мой коллега мерил приходной газ с миксера и он говорит, что хорошо меняет смесь. Вот получается что смесь не обновляется в Ventilation and Gas Controller.


Скорей всего это происходит из за того что у вас в системе пациента изначально есть немаленький объем газа (абсорбер, дых. контур и пр.). Думаю исчисляться будет в литрах. Теоретически из за этого концентрация никогда не может достигнуть 100%. Потому что объем газа в системе пациента постоянно разбавляется, но не замещается. AGSS при мех. вентиляции настроена, помоему, на 2 мбары. Т.о. какие то излишки газа при выдохе уходят в окр. среду, но не весь газ.
При слабых потоках свежего газа, помоему, когда используют кислород с жидкими анестетиками потоки вообще смешные. И основная часть смеси бегает по кругу. Для экономии дорогих наркотиков.
Если после смесителя смесь выходит нормальная, ее состав быстро реагирует на изменения концентрации, если при включении аппарат не выдает ошибок (проверяется комплайнс, утечки системы и ИВЛ отдельнои др.), то аппарат у вас, скорей всего, исправен. Дело только в объеме газа в начальный момент времени.
Может быть еще газоанализатор газ прокачмивает медленнее чем должен. При этом показания правильные, но существует некоторая инертность. Оба явления накладываются и процесс выливается в большие минуты.
Возможно, у других аппаратов устройство системы пациента другое. Позволяет быстрее реагировать на изменения состава свежего газа, но мне это неведомо.
Я общался кроме Дрегера только с МК, но на МК схема системы пациента очень похожа. Основная разница в том что клапаны выдоха для ручной и мех. вентиляции совмещены в один.
Цитата

Вот GE Avance махом набирает.

Он может быть вообще с полуоткрытым контуром, естественно, концентрация будет меняться мгновенно.


Сообщение отредактировал MeL$ - Воскресенье, 21.Дек.2014, 17:45
 
blackspecialДата: Вторник, 23.Дек.2014, 10:07 | Сообщение # 38
Участник
У вас сообщений: 58
Инженер
OFFлайн
Российская Федерация

Красноярск
Цитата
Вчера делал такую тему, наполнил систему 98 процентов кислорода (сколько смог, хотел 100) и потом перевел на 21 и отсоединил кислород с консоли. Результат получился интересным, он медленно стал опускать кислород, причем как будто крутил дальше ту газовую смесь которая сформировалась на пациенте. хотя рабочий газ остался только воздух

так и есть, если поток свежего газа небольшой. я же говорил на примере Фабиус CE и Plus. Они вообще могут работать без свежего газа, если его сначала нагнать в контур ,а потом закрыть. Если конечно утечек нет.
и
Цитата blackspecial ()
Серийник ASCJ-0207 Я подключал анализатор кислорода в линию подачи (INSP) и показания капнографа совпадало с анализатором. Получается, что капнограф исправен, хотя калибровочные значения возможно поплыли т.к. 100 процентов не может сделать, а только 98. Мой коллега мерил приходной газ с миксера и он говорит, что хорошо меняет смесь. Вот получается что смесь не обновляется в Ventilation and Gas Controller.

Скорей всего это происходит из за того что у вас в системе пациента изначально есть немаленький объем газа (абсорбер, дых. контур и пр.). Думаю исчисляться будет в литрах. Теоретически из за этого концентрация никогда не может достигнуть 100%. Потому что объем газа в системе пациента постоянно разбавляется, но не замещается. AGSS при мех. вентиляции настроена, помоему, на 2 мбары. Т.о. какие то излишки газа при выдохе уходят в окр. среду, но не весь газ.
При слабых потоках свежего газа, помоему, когда используют кислород с жидкими анестетиками потоки вообще смешные. И основная часть смеси бегает по кругу. Для экономии дорогих наркотиков.
Если после смесителя смесь выходит нормальная, ее состав быстро реагирует на изменения концентрации, если при включении аппарат не выдает ошибок (проверяется комплайнс, утечки системы и ИВЛ отдельнои др.), то аппарат у вас, скорей всего, исправен. Дело только в объеме газа в начальный момент времени.
Может быть еще газоанализатор газ прокачмивает медленнее чем должен. При этом показания правильные, но существует некоторая инертность. Оба явления накладываются и процесс выливается в большие минуты.
Возможно, у других аппаратов устройство системы пациента другое. Позволяет быстрее реагировать на изменения состава свежего газа, но мне это неведомо.
Я общался кроме Дрегера только с МК, но на МК схема системы пациента очень похожа. Основная разница в том что клапаны выдоха для ручной и мех. вентиляции совмещены в один.
Цитата

Вот GE Avance махом набирает.

Он может быть вообще с полуоткрытым контуром, естественно, концентрация будет меняться мгновенно.

Спасибо большое! Будем думать.
 
MeL$Дата: Вторник, 23.Дек.2014, 16:02 | Сообщение # 39
Завсегдатай
У вас сообщений: 296
Инженегр
OFFлайн
Российская Федерация

Кологрив
Можно еще попробовать для полной уверенности дать на вход газоанализатора чистого кислорода и посмотреть как быстро отреагирует и что вообще покажет. Только не напрямую с линии (а то порвет его в клочья ))) ), а дунуть например в банку и кинуть туда конец, который от ловушки.
 
blackspecialДата: Четверг, 25.Дек.2014, 07:05 | Сообщение # 40
Участник
У вас сообщений: 58
Инженер
OFFлайн
Российская Федерация

Красноярск
Цитата
Можно еще попробовать для полной уверенности дать на вход газоанализатора чистого кислорода и посмотреть как быстро отреагирует и что вообще покажет. Только не напрямую с линии (а то порвет его в клочья ))) ), а дунуть например в банку и кинуть туда конец, который от ловушки.

Можно. Да я думаю, что все ок.
 
  • Страница 1 из 3
  • 1
  • 2
  • 3
  • »
Поиск:



Статистика Форума
Последние обновления тем: Новые файлы хранилища: Новые участники: Top10 участников:
1. Помощь в техобслужива...[dzyatel (29.Май.2026)]
2. Аппараты НЧ электроте...[aleksan (28.Май.2026)]
3. При операции с примен...[susel63 (28.Май.2026)]
4. Техническая поддержка...[UPZ (25.Май.2026)]
5. MOVIPLAN (УниКоРД-МТ)...[SpirituS (24.Май.2026)]
6. Аппарат магнитотерапе...[SpirituS (24.Май.2026)]
7. Стоматустановка K3 ф....[zizeroman (24.Май.2026)]
8. Анализатор гематологи...[fred1 (22.Май.2026)]
9. ЭХВЧ-400 ск-"Ник...[Olegosh (21.Май.2026)]
1. Apollo EZ service man...[25.Дек.2025]
2. VIVIX Setup Operation...[12.Окт.2025]
3. GenwareMP[10.Сен.2025]
4. Настройка реагентов M...[20.Авг.2025]
5. Philips HD3-EXP[13.Авг.2025]
6. Рентгеновское оборудо...[08.Авг.2025]
7. VersaMed iVent201 Сер...[13.Фев.2025]
8. Гелпик КРД Ренекс РЦ ...[09.Фев.2025]
9. Офтальмологическая ус...[31.Окт.2024]
10. Cardinal-Health-VELA-...[03.Окт.2024]
1. vapinic[29.Май.2026]
2. wenderer861[28.Май.2026]
3. karabas1167[28.Май.2026]
4. Paulus[28.Май.2026]
5. hismatulinaKsenia[28.Май.2026]
6. nefrid12[28.Май.2026]
7. roser362[27.Май.2026]
8. Romany4777[27.Май.2026]
9. RVA-59[27.Май.2026]
10. Dream_29[26.Май.2026]
МастерБаку[583]
Yulana34[177]
Serg74[160]
Dimitrius[129]
naves[122]
РОМУЛ[121]
bektyish[121]
madmac[116]
Алекс-200[114]
генаf[112]