[ Новые сообщения · Участники · Правила форума · Поиск · RSS ]



Модератор форума: STaras, GeorgySmith  
УЗИ Vivid 3 ф.GE
renmasterДата: Среда, 14.Июл.2010, 21:52 | Сообщение # 1
OFFлайн
Российская Федерация

Россия
Эта тема является результатом объединения многочисленных личных эгоистичных тем авторов, созданных с 2010 года, объединённых в эту тему для того, чтобы в будущем облегчить участникам Форума медтехников поиск ответов на их текущие вопросы.
Одно дело, рыскать по всему форуму с бесчисленным в нём количеством тем о разнообразном оборудовании различных тематик в поисках тем об искомом аппарате (а их насоздано множество), найдя которые, ещё и каждую прочитать. Другое дело, прочитать только одну тему про нужный аппарат, и уже только в ней искать ответ на свой вопрос ...

В этой теме собрана вся найденная на Форуме информация об аппарате УЗИ Vivid 3 корпорации General Electric Company (производственно-торговый бренд - "GE"), США.

Все вопросы и пояснения, тем или иным образом, касающиеся этого аппарата, на которые в теме не найдены ответы, и ответы на них необходимо размещать только в этой ТЕМЕ !!! Тем самым, вы намного облегчите другим участникам и посетителям Форума поиск ответов на их вопросы. Да, и просто в получении полезной практической информации об этом аппарате, и о проблемах связанных с ним.


Не пишите сообщения попусту и от эмоциональных перевозбуждений, не плодите посты-хвосты - это всё удлиняет тему!

Для руководства и правильного поведения на Форуме и теме обязательно прочитайте с.261.

Перед прочтением этой темы рекомендуется предварительно прочитать тему про заземление УЗИ аппаратов со всеми ссылками в ней!
 
fred1Дата: Четверг, 04.Окт.2018, 10:25 | Сообщение # 201
У вас сообщений: 549
инженер BeckmanCoulter, Siemens MRT
OFFлайн
Российская Федерация

Анапа
Проблема с Vivid решена, все таки вышел из строя HV блок питания, неисправность довольно смешная , на плате установлено реле которое переключает 2 рабочих напряжения на 40 в и 60 в, подгорели контакты.
 
yzistДата: Четверг, 04.Окт.2018, 10:25 | Сообщение # 202
Завсегдатай
У вас сообщений: 276
инженер
OFFлайн
Российская Федерация

КАЛУГА
ДОБРЫЙ ДЕНЬ. ВНИМАТЕЛЬНО ПРОЧИТАЛ ВСЮ ВЕТКУ ПРО VIVID 3. У НАС СТОИТ АППАРАТ 2005 Г VIVID3 EXPERT SIX SIGMA. СТАЛ САМОПРОИЗВОЛЬНО ВЫКЛЮЧАТСЯ БЕЗ ОБЪЯВЛЕНИЯ ПРИЧИНЫ.ПРИ ЭТОМ КНОПКА ПУСК ГОРИТЮИ НЕ ВКЛЮЧАЕТСЯ ПОКА НЕ ПЕРЕЩЁЛКНЕШЬ ВЫКЛЮЧАТЕЛЬ НА Б.П. КОМПЬЮТЕРА. ДОКТОР СКАЗАЛА ЧТО ПОСЛЕ ПЕРВОГО ВЫК. ИЛИ ПЕРЕД НИМ ВЫДАЛ ОШИБКИ В КОТОРЫХ ПОСИЛИ УДАЛИТЬ ВСЕ НОВЫЕ ПРОГИ И ПРОВЕРИТЬ НА ВИРУСЫ НО Я САМ ЭТОГО НЕ ВИДЕЛ. ПРОСЬБА ПОДЕЛИТСЯ МНЕНИЕМ О ЭТОЙ СИТУАЦИИ
 
id-053у3Дата: Четверг, 04.Окт.2018, 10:26 | Сообщение # 203
Участник
У вас сообщений: 105
медтехник
OFFлайн
Российская Федерация

Чита
Quote (yzist)
ДОБРЫЙ ДЕНЬ. ВНИМАТЕЛЬНО ПРОЧИТАЛ ВСЮ ВЕТКУ ПРО VIVID 3. У НАС СТОИТ АППАРАТ 2005 Г VIVID3 EXPERT SIX SIGMA. СТАЛ САМОПРОИЗВОЛЬНО ВЫКЛЮЧАТСЯ БЕЗ ОБЪЯВЛЕНИЯ ПРИЧИНЫ.ПРИ ЭТОМ КНОПКА ПУСК ГОРИТЮИ НЕ ВКЛЮЧАЕТСЯ ПОКА НЕ ПЕРЕЩЁЛКНЕШЬ ВЫКЛЮЧАТЕЛЬ НА Б.П. КОМПЬЮТЕРА. ДОКТОР СКАЗАЛА ЧТО ПОСЛЕ ПЕРВОГО ВЫК. ИЛИ ПЕРЕД НИМ ВЫДАЛ ОШИБКИ В КОТОРЫХ ПОСИЛИ УДАЛИТЬ ВСЕ НОВЫЕ ПРОГИ И ПРОВЕРИТЬ НА ВИРУСЫ НО Я САМ ЭТОГО НЕ ВИДЕЛ. ПРОСЬБА ПОДЕЛИТСЯ МНЕНИЕМ О ЭТОЙ СИТУАЦИИ


Я бы посоветовал проверить, не высохла ли термопаста на процессоре в системном блоке.
Потом проверить блок питания системного блока.
 
yzistДата: Четверг, 04.Окт.2018, 10:26 | Сообщение # 204
Завсегдатай
У вас сообщений: 276
инженер
OFFлайн
Российская Федерация

КАЛУГА
ПРО Б.П. АНОЛОГИЧНО МЫСЛЮ.ПОХОЖЕ ЧТО БЛОК ВХОДИТ В ЗАЩИТУ.И ВЫЙТИ ТОЛЬКО СНЯТИЕМ НАПРЯЖЕНИЯ НА ЭТОТ Б.П.СМУЩАЕТ ТОЛЬКО ИНФОРМАЦИЯ ЧТО КНОПКА НА ПАНЕЛИ НИ КАК НЕ СВЯЗАНА С ДЕЖ.ПИТАНИЕМ
 
id-053у3Дата: Четверг, 04.Окт.2018, 10:26 | Сообщение # 205
Участник
У вас сообщений: 105
медтехник
OFFлайн
Российская Федерация

Чита
Quote (yzist)
ПРО Б.П. АНОЛОГИЧНО МЫСЛЮ.ПОХОЖЕ ЧТО БЛОК ВХОДИТ В ЗАЩИТУ.И ВЫЙТИ ТОЛЬКО СНЯТИЕМ НАПРЯЖЕНИЯ НА ЭТОТ Б.П.СМУЩАЕТ ТОЛЬКО ИНФОРМАЦИЯ ЧТО КНОПКА НА ПАНЕЛИ НИ КАК НЕ СВЯЗАНА С ДЕЖ.ПИТАНИЕМ


Ну там ещё есть плата UPS(бесперебойнго питания) с батарейками, вообщем проблема однозначно либо в материнской плате, либо в блоке питания, ну и может быть ещё в плате UPS.
 
yzistДата: Четверг, 04.Окт.2018, 10:26 | Сообщение # 206
Завсегдатай
У вас сообщений: 276
инженер
OFFлайн
Российская Федерация

КАЛУГА
ХОРОШО. А ГДЕ ПЛАТА UPS НАХОДИТСЯ? ПОХОЖЕ ВНИЗУ. А ЕСЛИ ЕСТЬ ВНЕШНИЙ БЕЗПЕРЕБОЙНИК КАК ОБОЙТИ ЭТУ ПЛАТУ?
 
id-053у3Дата: Четверг, 04.Окт.2018, 10:26 | Сообщение # 207
Участник
У вас сообщений: 105
медтехник
OFFлайн
Российская Федерация

Чита
Quote (yzist)
ХОРОШО. А ГДЕ ПЛАТА UPS НАХОДИТСЯ? ПОХОЖЕ ВНИЗУ. А ЕСЛИ ЕСТЬ ВНЕШНИЙ БЕЗПЕРЕБОЙНИК КАК ОБОЙТИ ЭТУ ПЛАТУ?


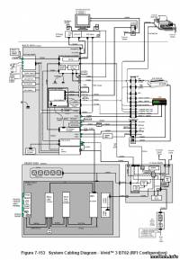
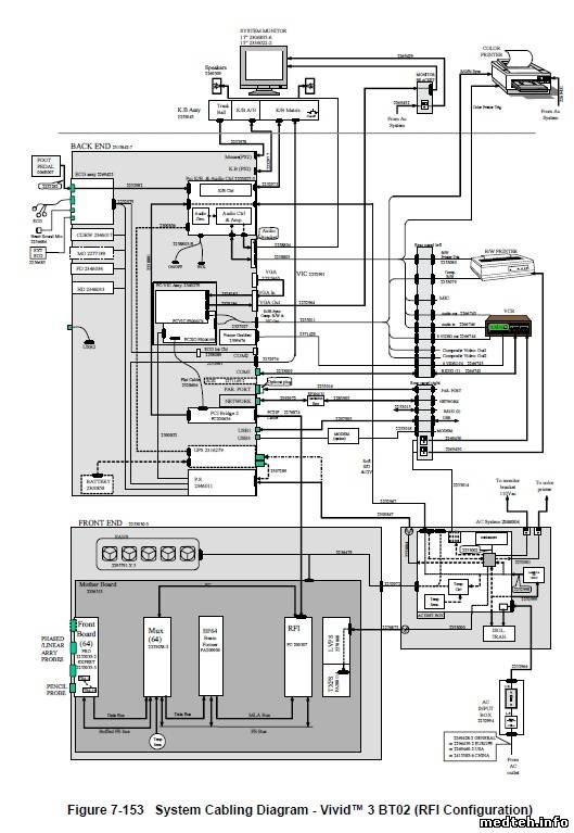
На одной картинке показана плата UPS, а на другой структурная схема всей системы из которой становится понятно, что лампочка вполне себе может гореть именно из-за него.
А вот до кучи, ещё и выжержка из сервис намуала, в промте коряво переведенная на русский язык:

ПРЕДУПРЕЖДЕНИЕ: Если машине установили выбор UPS, проявите осмотрительность, выполняя это
процедура как электричество может присутствовать. Если кнопка ON/OFF на пульте управления мигает,
система приведена в действие UPS, и электричество присутствует. Для полного закрытия нажмите на
Кнопка ВКЛЮЧЕНИЯ - ВЫКЛЮЧЕНИЯ непрерывно больше 10 секунд.

Становится ясно, что ваша лампочка горит или мигает от того, что аппарат просто вырубился, а не был как положено выключен.(покрайней мере мне так кажется)
Плату UPS наверное можно просто отключить от питания и вынуть из PCI-слота, скорее всего аппарат будет нормально работать и без неё.

Интересно, а вам предыдущий совет чем-нибудь помог? Если нет, то уточните, существует ли какая-нибудь закономерность в периодичности отключения аппарата.
4186813.jpg (122.9 Kb) · 6007174.jpg (118.2 Kb)


Сообщение отредактировал id-053у3 - Среда, 20.Июн.2012, 14:00
 
yzistДата: Четверг, 04.Окт.2018, 10:26 | Сообщение # 208
Завсегдатай
У вас сообщений: 276
инженер
OFFлайн
Российская Федерация

КАЛУГА
СПАСИБО ЗА СОВЕТ.ЗАВТРА ЗАЙМУСЬ ВПЛОТНУЮ ПРОБЛЕМОЙ И ОБЯЗАТЕЛЬНО ОТПИШУСЬ.
 
fred1Дата: Четверг, 04.Окт.2018, 10:27 | Сообщение # 209
У вас сообщений: 549
инженер BeckmanCoulter, Siemens MRT
OFFлайн
Российская Федерация

Анапа
Больше похоже на то что умерла батарейка СR2032 на материнке, если будешь менять то лучше всего это делать на горячую, то есть при работающем компе,чтобы не сбросилась инфа из BIOS ! Если аккуратно то все получится ! Еще я бы выковырял блок питания компа и осмотрел бы емкости, по срокам пора !
 
yzistДата: Четверг, 04.Окт.2018, 10:27 | Сообщение # 210
Завсегдатай
У вас сообщений: 276
инженер
OFFлайн
Российская Федерация

КАЛУГА
ПРИВЕТ ВСЕМ. СЕГОДНЯ ВСКРЫЛ АППАРАТ...UPS ВНУТРЕННЕНГО НЕ ОКАЗАЛОСЬ. ЗАМЕНИЛ Б.П КОМПА (ТАМ СТОЯЛ ЕЩЕ С КНОПКОЙ ВКЛЮЧЕНИЯ И ТРАНСФОРМАТОРНОЙ ДЕЖУРКОЙ)НА НОВОМ БЛОКЕ АППАРАТ ЗАПУСТИЛСЯ. ЗАВТРА БУДУ ГОНЯТЬ И ПРОВЕРЮ БАТ. БИОСА.И ОТПИШУСЬ
 
sprutvДата: Четверг, 04.Окт.2018, 10:27 | Сообщение # 211
Участник
У вас сообщений: 197
узи
OFFлайн
Российская Федерация

самара
Всем добрый вопрос такой есть блок питания DC в котором постоянные 5, 3.3 , +- 15 вольт. Нет генерации на 2 трансформаторах на входе. В идеале нужна схема либо скажите пожалуйста что может вылететь 4 поливика жиывые питание от 400в тоже нет просто генерации плечах.

Попросите коллегу за банку сока или чего там еще, пусть он: 1) сформулирует корректно ваш вопрос. 2) укажет какое отношение имеет вопрос к GE Vivid 3.
STaras
 
id-053у3Дата: Четверг, 04.Окт.2018, 10:27 | Сообщение # 212
Участник
У вас сообщений: 105
медтехник
OFFлайн
Российская Федерация

Чита
Quote (sprutv)
Слушайте никого что блок питания не летел. Все только могут компьютеры ремонтировать. Просто может кто сталкивался.


Ты бы хоть зарисовал там чего или сфотографировал...а так на вскидку первое, что приходит в голову если нет генерации, то надо для начала понять, как она там реализоавана, что за шим микросхема используется и т.п.
Ты сам как маленький, блоков питания, что-ли не ремонтировал.


Сообщение отредактировал id-053у3 - Четверг, 28.Июн.2012, 14:37
 
sprutvДата: Четверг, 04.Окт.2018, 10:27 | Сообщение # 213
Участник
У вас сообщений: 197
узи
OFFлайн
Российская Федерация

самара
Вообщем так кто узнать по схеме 3 пишите ко мне на почту sprutv@rambler.ru расскажу про блок питания и какие напряжения по схеме должны.
 
PervujДата: Четверг, 04.Окт.2018, 10:27 | Сообщение # 214
Стажер
У вас сообщений: 38
Инженер
OFFлайн
Российская Федерация

Воронеж
Перестал загружаться vivid - пишет "UI_SRC: TimeOut in Acquisition Load" - раньше такое было помогало форматирование винта и новая установка ПО. Попробовал другой винт на 80Гб таже история.
Вот вопрос - как-то слышал от инженера ЖЕ что можно проверить что неисправно комп или УЗИблок - отклюив УЗИ блок - и комп должен загрузиться - просто не будет эхокартинки это так?
приложил эрорлог
errorlog.txt (14.8 Kb)
 
Issidora_SASДата: Четверг, 04.Окт.2018, 10:28 | Сообщение # 215
Участник
У вас сообщений: 125
ULS
OFFлайн
Российская Федерация

Moscow
Здравствуйте,

отключите широкий шлейф с металлической оплеткой от BEP.

Можете попробовать загрузиться с LiveCD
 
id-053у3Дата: Четверг, 04.Окт.2018, 10:28 | Сообщение # 216
Участник
У вас сообщений: 105
медтехник
OFFлайн
Российская Федерация

Чита
Quote (Pervuj)
Перестал загружаться vivid - пишет "UI_SRC: TimeOut in Acquisition Load" - раньше такое было помогало форматирование винта и новая установка ПО. Попробовал другой винт на 80Гб таже история. Вот вопрос - как-то слышал от инженера ЖЕ что можно проверить что неисправно комп или УЗИблок - отклюив УЗИ блок - и комп должен загрузиться - просто не будет эхокартинки это так? приложил эрорлог
Прикрепления: errorlog.txt(15Kb)

Такую ошибку, я как-то видел, насколько я понимаю, трактовать её следует примерно так: "превышение времени ожидания ответа, при опросе внешнего оборудования", то есть программа недосчиталась, чего-то из переферии, собственно данная ошибка возникала у меня, при замене материнской платы, в тот момент, когда я запустил программу, но ещё не доконца подключил всё оборудование к материнской плате(я точно не помню, что я там конкретно не доподключал, но помнится мне, был там на метеринке такой одинокий проводок с пятью вольтами, который ещё поначалу смутил меня тем, что брал эти самые пять вольт, у контактора интерфейса "включение по сети lan" или как-то так, я уже не помню как он точно называется). Так вот, я бы посоветовал следующее:

1.Отключаем шлейф, о котором говорил Issidora_SAS, если программа загрузилась и мы видим всё кроме эхокартинки, то включаем обратно и смотрим на сигнальные светодиоды одной из плат(это всё есть в сервис мануале)
2. Если ничего не изменилось, то нужно проверять всю периферию материнской платы (скорее всего RFI не причем)
 
PervujДата: Четверг, 04.Окт.2018, 10:28 | Сообщение # 217
Стажер
У вас сообщений: 38
Инженер
OFFлайн
Российская Федерация

Воронеж
Вот - у меня не запускается программа при отключенном шлейфе. запустил с диска PC doctor он ничего роде не нашел криминального в компе.
А что даст загрузка с liveCD?
 
KovuДата: Четверг, 04.Окт.2018, 10:28 | Сообщение # 218
Стажер
У вас сообщений: 41
Инженер
OFFлайн
Российская Федерация

Саратов
Добрый день всем!Имеем аппарат Vivid 3 2007 года проблема в том что аппарат произвольно виснет, причем не важно - на горячую или холодную(с момента вкл или в течении работы)Ковыряли блоки питания - все порядке по питанию проблем нет.Виснет интересно - трекбол работает на 3 клавиши пытается отозваться а вот сама оболочка узи виснет наглухо.Что делать куда копать не знаю(
 
имтДата: Четверг, 04.Окт.2018, 10:28 | Сообщение # 219
Участник
У вас сообщений: 80
гемодиализ
OFFлайн
Российская Федерация

королев
Очень похожее было с Vivid-4 . Победил заменой линеек опер. памяти (для начала можно почистить стеркой).
 
id-053у3Дата: Четверг, 04.Окт.2018, 10:28 | Сообщение # 220
Участник
У вас сообщений: 105
медтехник
OFFлайн
Российская Федерация

Чита
Kovu, Я бы для начала, попробовал переустановить софт(это довольно просто). И вообще это ведь компьютер, к которому посредством стандартных интерфейсов подключено узи "железо". Порядок действий в таких случаях, всегда примерно один: переустановить софт, если не помогло: заменить жесткий диск, оперативку, материнку, всё это вполне реально.(материнка подойдет любая, с примерно такими же характристиками, главное, что бы было шесть PCI-слотов, каких-то особенных настроек BIOS'а я там не заметил).
 
KovuДата: Четверг, 04.Окт.2018, 10:29 | Сообщение # 221
Стажер
У вас сообщений: 41
Инженер
OFFлайн
Российская Федерация

Саратов
Ага)Спасибо за советы буду пробывать!С софтом проблема, диск перестал читаться и запорол систему...теперь ищу 1 диск с виндой ....У кого то может быть есть???
 
id-053у3Дата: Четверг, 04.Окт.2018, 10:29 | Сообщение # 222
Участник
У вас сообщений: 105
медтехник
OFFлайн
Российская Федерация

Чита
Kovu,
Quote (Kovu)
Ага)Спасибо за советы буду пробывать!С софтом проблема, диск перестал читаться и запорол систему...теперь ищу 1 диск с виндой ....У кого то может быть есть???


Диски есть почти у всех, но делать копию и выкладывать куда-то образ помоему бедет слишком тяжело ибо объем довольно большой, для передачи по почте или с помощью бесплатных хостингов, в крайнем случае я могу сделать копию со своих и отправить по почте или всё таки попытаться куда-нибудь выложить(только я слабо разбираюсь, в том как это делается)
 
KovuДата: Четверг, 04.Окт.2018, 10:29 | Сообщение # 223
Стажер
У вас сообщений: 41
Инженер
OFFлайн
Российская Федерация

Саратов
Да понятно((попробую у себя в городе еще поискать, если уж не судьба то буду слезно просить Вас!
 
QuexДата: Четверг, 04.Окт.2018, 10:29 | Сообщение # 224
Участник
У вас сообщений: 102
техник
OFFлайн
Российская Федерация

Ч
Нужно ли как-то подготавливать жесткий диск (форматировать, создавать разделы, исталлировать ось), чтобы переустановить софт?
 
kaaДата: Четверг, 04.Окт.2018, 10:29 | Сообщение # 225
Стажер
У вас сообщений: 37
инженер
OFFлайн
Российская Федерация

Киров
Если у тебя есть диски которые шли вместе с аппаратом то никаких проблем нет. Ставишь первый диск и в путь. Предварительно спиши ключи системы. А лучше еще и сними образ Ghost-ом чтоб можно было вернуть все назад если у тебя по какой то причине не получиться (если не умеешь пользоваться Ghost не торопись и найди знакомого админа кто тебе поможет). Правда объем образа у тебя получится огромный если врачи вели базу по пациентам. Кстати если аппарат начинает "тормозить" иногда помогает удалить нафиг всю базу по пациентам.
А вообще зачем переставляешь? Что не так?
 
QuexДата: Четверг, 04.Окт.2018, 10:29 | Сообщение # 226
Участник
У вас сообщений: 102
техник
OFFлайн
Российская Федерация

Ч
Проблема с материнской платой. GE'цы просят 600 тысяч за замену системника целиком. Подобрали внешнюю видуху - GeFoce MX-440-8x (с которой на другом HDD винда загружалась и стабильно работала). Но на родном винте виснет на Verifying DMI Pool Data.
При этом с LiveCD нормально загружается. На жестком 4-раздела. Открыть можно только диск "С" - Common_System. В три другие зайти невозможно - ругается и предлагает отформатировать.

Решил переустановить все с помощью прилагаемого диска: SW Ver 3,6 Cat#2417041. Загрузка прошла нормально - попросил вынуть диск и перезагрузить. Но при перезагрузке опять Verifying DMI Pool Data.
1328987.jpg (213.8 Kb)
 
homenДата: Четверг, 04.Окт.2018, 10:30 | Сообщение # 227
Завсегдатай
У вас сообщений: 270
инженер
OFFлайн
Российская Федерация

Санкт-Петербург
Проблема скорее всего в HDD, т. к. если всё гуд, то во все разделы с Live CD можно заходить.
Попробуй протестировать диск, лучше с полным стиранием и ремапом с помощью чего нибудь типа Виктории.
Затем, если диск живой, создай на нём заново разделы с помощью установочного диска, после чего установи софт.
 
roketДата: Четверг, 04.Окт.2018, 10:30 | Сообщение # 228
Стажер
У вас сообщений: 4
инженер
OFFлайн
Российская Федерация

москва
нет ли у кого возможности помочь с софтом на vivid 3 pro - диск №2417041 с ПО версии 3.6 ? очень был бы благодарен
 
bakarДата: Четверг, 04.Окт.2018, 10:30 | Сообщение # 229
Заглянувший
У вас сообщений: 2
Слесарь
OFFлайн
Казахстан

Алматы
Подскажите пожалуйста, подойдет ли для замены БП на Vivid 3, обычный компьютерный БП?

Сообщение отредактировал bakar - Понедельник, 05.Авг.2013, 14:49
 
homenДата: Четверг, 04.Окт.2018, 10:30 | Сообщение # 230
Завсегдатай
У вас сообщений: 270
инженер
OFFлайн
Российская Федерация

Санкт-Петербург
bakar, подойдёт, если он по мощности будет такой же или больше, если на нём будут все необходимые разъёмы, и лучше не экономить 1 тысячу рублей, а взять надёжный от хорошего производителя.
Ещё проконтролируйте чтобы ток по линиям питания не был бы меньше чем у оригинального БП.
 
bakarДата: Четверг, 04.Окт.2018, 10:30 | Сообщение # 231
Заглянувший
У вас сообщений: 2
Слесарь
OFFлайн
Казахстан

Алматы
Цитата (homen)
bakar, подойдёт, если он по мощности будет такой же или больше,


homen, спасибо большое.
 
nor13Дата: Четверг, 04.Окт.2018, 10:30 | Сообщение # 232
Стажер
У вас сообщений: 22
Инженер
OFFлайн
Российская Федерация

Омск
Цитата (Aleks216)
Ни кто не сталкивался с такой проблемкой: аппарат грузится, но по замечаниям персонала начал дольше это делать, и после загрузки винды просит драйвер на аудио, а когда появляется окно рабочей программы просит системный файл (к сожалению не записал какой именно. если надо уточню). Я с такой проблемой сталкиваюсь уже 3й раз. В 2х предыдущих пробовал проходиться скандиском подключив к другому компу, с исправлением ошибок. В одном проблема исчезла и нет уже пол года, а на другом появилась через месяц. Вот думаю ка быть в этот раз? Может есть более надежный алгоритм решения?

Я подсовывал ему необходимые файлы с установленной win 2000 или же все файлы, которые он запрашивает находятся в driver.cab
Скорее всего win 2000 не сможет опознать флешку и ей необходимы будут дрова.
Лучше всего будет снять винт, поместить содержимое архива driver.cab в отдельную директорию, перезапустить УЗИ и указать при установке драйверов на оборудование эту директорию.
Там должна быть галочка "Больше не устанавливать драйвер на данное оборудование" - что-то типо того. Или же просто отключить оборудование в биосе.
 
имтДата: Четверг, 04.Окт.2018, 10:31 | Сообщение # 233
Участник
У вас сообщений: 80
гемодиализ
OFFлайн
Российская Федерация

королев
Здравствуйте.
Vivid-3, V 3.0, посыпался HDD. Восстановил, после загрузки клавиатура не реагирует, пишет про неё: . Коллеги, это про софт или про железо? Если про софт, может кто поможет образом HDD или установщиком (пробовал 3.1 и 3.3 - не воспринимает)
3880200.jpg (218.7 Kb)
 
homenДата: Четверг, 04.Окт.2018, 10:31 | Сообщение # 234
Завсегдатай
У вас сообщений: 270
инженер
OFFлайн
Российская Федерация

Санкт-Петербург
имт, была такая же беда у меня, может поможет:
http://www.medteh.info/forum/57-6490-1#105126
 
sprutvДата: Четверг, 04.Окт.2018, 10:31 | Сообщение # 235
Участник
У вас сообщений: 197
узи
OFFлайн
Российская Федерация

самара
извините что вмешиваюсь почитал переписку. вы жесткий диск дергали смотрели его там же очень много интересного. а именно каждый тест выделен как отдельный файл exe. вот и запускайте его отдельно на аппарате. а то что он проверяет серийный номер это тоже отдельное приложение на диске. а вообще можите мне скинуть образ я вам подскажу куда лезть. да вот еще если б у вас сгорела микруха то это код ошибки был бы сразу перед загрузки приложения.
 
pazuhinmДата: Четверг, 04.Окт.2018, 10:31 | Сообщение # 236
Стажер
У вас сообщений: 6
инженер
OFFлайн
Российская Федерация

Нижний Новгород
Denkot,
А можно еще раз шпаргалочку? а то по ссылке нет ничего

ОООпс ... нашел. Почитаем...


Пазухин Михаил

Сообщение отредактировал pazuhinm - Среда, 23.Мар.2016, 15:32
 
pazuhinmДата: Четверг, 04.Окт.2018, 10:31 | Сообщение # 237
Стажер
У вас сообщений: 6
инженер
OFFлайн
Российская Федерация

Нижний Новгород
homen,

А может кто мне подсказать... С Vivid дела раньше не имел.
При загрузке всё включается, Винда грузится. Начинает грузится оболочка Vivid/

и... Щелчок. Отключается питание УЗ блока, принтера... Монитор и системник работают, клава тоже... Или так и должно быть? или нет?

через некоторое время знакомый всем по этой ветке "timeout......"


Пазухин Михаил
 
viking8888Дата: Четверг, 04.Окт.2018, 10:31 | Сообщение # 238
Заглянувший
У вас сообщений: 1
нейрохирург
OFFлайн
Российская Федерация

Тверь
Народ, у кого-нибудь есть диск с софтом от Vivid 3? Позарез нужен. Всю больницу перерыли, нет диска. :-/
 
PeterLeonДата: Четверг, 04.Окт.2018, 10:32 | Сообщение # 239
Заглянувший
У вас сообщений: 1
Системный администратор
OFFлайн
Российская Федерация

Чита
Цитата viking8888 ()
Народ, у кого-нибудь есть диск с софтом от Vivid 3? Позарез нужен. Всю больницу перерыли, нет диска. :-/
Вот образ CD диска https://drive.google.com/file/d/0B5qD_P6Og7KPMS1LMVhUTWZBSm8/view?usp=sharing
 
QuexДата: Четверг, 04.Окт.2018, 10:32 | Сообщение # 240
Участник
У вас сообщений: 102
техник
OFFлайн
Российская Федерация

Ч
При загрузке аппарат ведет себя таким образом: клавиатура и тачпад не работают, а на экране сменяются две картинки. Такое ощущение, как будто кнопка какая-то постоянно нажата. Вот пример на видео.
При этом бывает, что аппарат нормально загружается и работает.
Кстати, при подключении внешней клавиатуры и мыши непосредственно к системнику, они также не работают и лишь в момент, когда на секунду появиться указатель мыши (см. 2-ое фото), этот указатель можно передвинуть. А вот тачпадом на аппарате - нет.
Что это может быть? Софт?

P.S. На виндоусовское окно не обращайте внимание. Это на драйвер аудиокарты ругается.
7913788.jpg (128.8 Kb) · 3326079.jpg (131.5 Kb)


Сообщение отредактировал Quex - Среда, 02.Авг.2017, 07:50
 
Поиск:



Статистика Форума
Последние обновления тем: Новые файлы хранилища: Новые участники: Top10 участников:
1. Замена светодиода на ...[Shturman (05.Дек.2025)]
2. Анализатор поля зрени...[SpirituS (04.Дек.2025)]
3. Программный комплекс ...[mqubali (04.Дек.2025)]
4. Кардиорегистратор «ИК...[albano18 (04.Дек.2025)]
5. Thermo Scientific gem...[viggen (03.Дек.2025)]
6. Центрифуга CM-6M ф.El...[Ningen64 (03.Дек.2025)]
7. Дефибриллятор Defi B ...[san-che30 (02.Дек.2025)]
8. Коллиматор Ralco R 22...[seeker (02.Дек.2025)]
9. КУПЛЮ/ПРИМУ в дар при...[seabee (02.Дек.2025)]
1. VIVIX Setup Operation...[12.Окт.2025]
2. GenwareMP[10.Сен.2025]
3. Настройка реагентов M...[20.Авг.2025]
4. Philips HD3-EXP[13.Авг.2025]
5. Рентгеновское оборудо...[08.Авг.2025]
6. VersaMed iVent201 Сер...[13.Фев.2025]
7. Гелпик КРД Ренекс РЦ ...[09.Фев.2025]
8. Офтальмологическая ус...[31.Окт.2024]
9. Cardinal-Health-VELA-...[03.Окт.2024]
10. Service Manual HAMILT...[02.Окт.2024]
1. zef1984[05.Дек.2025]
2. Dvish[05.Дек.2025]
3. Intellect[05.Дек.2025]
4. Romanivanov[05.Дек.2025]
5. igogoigogo[05.Дек.2025]
6. 1rishka[04.Дек.2025]
7. L_V_N[04.Дек.2025]
8. ИвановИИ[04.Дек.2025]
9. Alex_U[04.Дек.2025]
10. Yarikus03[03.Дек.2025]
МастерБаку[583]
Yulana34[177]
Serg74[160]
Dimitrius[129]
naves[122]
РОМУЛ[121]
bektyish[121]
madmac[116]
Алекс-200[114]
begun_a[112]